11 (682880), страница 9
Текст из файла (страница 9)
Преимущество многокамерных систем — использование миниатюрных малоинерционных чувствительных элементов, обеспечивающих устойчивую работу газоанализаторов в условиях механических воздействий. Инерционность таких ЧЭ не превышает 30 с при крутизне номинальной статической характеристики 20—25 мВ на 1 % (об.) кислорода.
Многокамерные газоанализаторы выпускаются отечественными приборостроительными заводами. Это газоанализаторы, в которых используется схема компаратора напряжения переменного тока МН-5130, МН-5121 — МН-5128, а также газоанализаторы типов МН-5106М и МН-5110Т4.
С двухкамерными первичными преобразователями выпускаются газоанализаторы «Magnos 5», «Magnos 5T» фирмы «Hart-man and Braun» (ФРГ), модель 6500 фирмы GKHP (Англия), модель 7803 фирмы «Leeds and Northrup» (ФРГ)
Четырехкамерный газоанализатор выпускает американская фирма «Mine Safety Appliances Company», а тдкже фирма «Siemens» (ФРГ).
Недостатки — сложность, низкая надежность, низкий уровень унификации, сложность технологии изготовления и наладки, недостаточно высокие метрологические характеристики, трудность реализации частных задач, обусловленных большим диапазоном воздействия давления пробы АГС и ужесточением требований при их использовании на подвижных объектах.
Таким образом, сопоставление однокамерных (кольцевых) и многокамерных систем свидетельствует в пользу однокамерных. Вместе с тем нельзя признать кольцевую камеру единственно приемлемой для использования в базовой конструкции унифицированного термомагнитного газоанализатора на кислород, поскольку и она не является универсальной.
В СССР разработана так называемая О-образная камера, обладающая рядом преимуществ по сравнению с классической кольцевой измерительной камерой.
О-образная измерительная камера состоит из двух параллельно расположенных стеклянных трубок с двумя секциями, выполняющих одновременно функции терморезисторов — термоанемометров.
Измерительная камера работает следующим образом. Проба АГС втягивается в термоанемометр, находящийся под полюсами магнитной системы. При этом газ, нагреваясь, теряет свои магнитные свойства и выталкивается более холодным газом, продолжающим поступать в верхнюю полость, где происходит постоянная смена газа.
В О-образном контуре камеры создается поток термомагнитной конвекции, который изменяет сопротивление секций термоанемометров, включенных в мостовую схему. По разбалансу моста судят о концентрации кислорода в пробе АГС.
В термоанемометрах действуют потоки термомагнитной и тепловой конвекции. Результирующий поток в О-образном контуре определяют по формуле:
Fк = Fм - Ft1+Ft2(33)
где FK — результирующий поток О-образного контура; Fм — поток термомагнитной конвекции; Ft1— поток тепловой конвекции 1-го термоанемометра; Ft2 — поток тепловой конвекции 2-го термоанемометра.
В зависимости от соотношений потоков тепловых конвекции Ft1 и Ft2 при одной и той же конструкции измерительной камеры можно получить различные функциональные решения.
Так, при достижении равенства Ft1= Ft2, обеспечиваемого соответствующим симметрированием секций термоанемометров, можно достичь диапазона, нижний предел которого начинается с нуля, и достигаются условия, при которых изменение угла наклона в широком интервале не влияет на показания прибора. На самом деле, при равенстве Ft1= Ft2 в О-образном контуре действует только термомагнитная конвекция, не зависящая от угла наклона. Это обстоятельство придает О-образной камере новые качества, расширяющие область ее использования.
При варьировании значением Ft2 в широких пределах можно обеспечить Fк = 0 на различных участках диапазона измерения.
При Ft1 = Ft2 нуль потоков, или Fк = 0, достигается при Fм =0, т. е. в нулевой точке диапазона измерения (концентрация кислорода в пробе АГС равна нулю). При изменении давления пробы АГС погрешности в этой точке диапазона измерения не появляются.
Значение Fк = 0 можно реализовать и в любой другой точке диапазона измерения, обеспечив равенство Fм = Ft1 — Ft2 при определенной концентрации кислорода в пробе АГС.
Универсальность О-образной камеры предопределяет различные варианты схем включения при неизменных параметрах самой камеры.
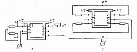
На рис. 13, а изображена схема включения О-образной камеры, в которой один термоанемометр расположен под магнитными наконечниками и используется в качестве измерителя, а второй термоанемометр — в качестве нагревателя для обеспечения компенсации потоков термомагнитной и результирующей тепловой конвекции в одной из точек диапазона измерения.
а — с двумя термоанемометрами: одним измерительным, другим нагревательны-м; б — с двумя измерительными термоанемометрами
Для увеличения чувствительности камеры и одновременного обеспечения компенсации потоков предпочтительнее включать камеру по схеме, изображенной на рис. 23, б. Здесь оба термоанемометра используются в качестве измерительных, а второй термоанемометр одновременно выполняет и функции нагревателя, создающего дополнительный поток тепловой конвекции для обеспечения компенсации потоков. При этом наиболее эффективно в качестве измерителя второй термоанемометр будет использоваться для диапазонов, нижний предел которых начинается с нуля, так как протекающий через него ток практически не отличается от тока, протекающего через первый термоанемометр, и менее эффективно для диапазонов с подавленным нулем, особенно в узких пределах измерения.
О-образная измерительная камера позволяет разработать компенсационный термомагнитный газоанализатор, обладающий более высокими метрологическими характеристиками. Принцип действия термомагнитных компенсационных газоанализаторов основан на непрерывном поддержании равенства термомагнитных и компенсирующих усилий, действующих на пробу АГС. Для термомагнитных компенсационных газоанализаторов, использующих тепловую конвекцию для обеспечения условий компенсации, Fк = 0 или Fм = Ft.
П
реимуществами компенсационных газоанализаторов являются: полная независимость показаний от давления пробы АГС; меньшая зависимость от температуры; высокая точность; универсальность, т. е. возможность разработки приборов с любыми пределами измерений.
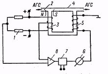
Рис. 14. Схема термомагнитного газоанализатора с О-образной камерой: / — резистор; 1 — магнитные наконечники; 3 — термоанемометр; 4 — измерительная камера; 5 — нагреватель; 6 — измерительный прибор; 7 — источник питания; S — усилитель
На рис. 14 представлена схема одного из термомагнитных газоанализаторов, в котором использована О-образная измерительная камера.
Измерительная камера 4 состоит из расположенного под магнитными наконечниками 2 термоанемометра 3, который вместе с элементами 1 мостовой схемы образует первичный измерительный преобразователь, реагирующий на изменение концентрации кислорода в пробе АГС. Сигнал с диагонали съема моста подается на вход усилителя 8, его выход связан с входом управляемого источника питания 7, нагрузкой которого служит нагреватель 5, являющийся устройством для создания компенсирующего патока тепловой конвекции. Измерительный прибор 6 включен в цепь питания нагревателя.
Газоанализатор работает следующим образом. При отсутствии в пробе АГС кислорода отсутствует и поток термомагнитной конвекции FM. Создаваемый термоанемометром 3 поток тепловой конвекции Ft1 уравновешен потоком тепловой конвекции Ft2, создаваемым нагревателем 5 при протекании через последний начального тока. Это состояние газоанализатора соответствует исходному состоянию, когда концентрация кислорода в пробе АГС равна нулю. При этом на входе в усилитель сигнал рассогласования отсутствует.
При появлении в пробе АГС кислорода возникает поток термомагнитной конвекции Fм вызывающий разбаланс мостовой схемы. На входе в усилитель появляется сигнал, который после усиления воздействует на управляемый источник питания таким образом, чтобы уменьшить ток через нагреватель 5. При этом уменьшается поток тепловой конвекции Ft2 и увеличивается результирующий поток тепловой конвекции FT = Ft1 — Ft2.
Результирующий поток тепловой конвекции будет увеличиваться до тех пор, пока он не уравновесит возникший поток термомагнитной конвекции, т. е. пока не наступит равенство FK = FT. При этом на входе в усилитель сигнал вновь станет равным нулю, а изменившееся значение тока питания нагревателя 5 будет функцией концентрации кислорода в пробе АГС. Аналогичным образом действует газоанализатор и при диапазонах с подавленным нулем. В этом случае исходному положению соответствует такое состояние компенсации, когда начальному значению потока термомагнитной конвекции соответствует равное ему значение результирующего потока тепловой конвекции. Рассмотренный термомагнитный компенсационный газоанализатор обеспечивает компенсацию при любых концентрациях кислорода в пробе АГС.
Прибор Газоанализатор АГ0011 [4]
П
редназначен для непрерывого автоматического измерения объемной доли кислорода в невзрывоопасных двух или многокомпонентных газовых смесях (в т.ч. и воздухе) и выдачи измерительной информации в виде показаний по цифровому дисплею и стандартных электрических выходных сигналов информационной связи с другими изделиями
Область применения: металлургические, нефтеперерабатывающие заводы, ТЭС, электролизные и другие технологические установки.
















