151450 (594690), страница 7
Текст из файла (страница 7)
Технические характеристики и состав ТКРМ приведены в таблице 2[23].
Таблица 2 – Технические характеристики ТКРМ
| UС, кВ | Конденсатор | Стабилизатор | Компенсирующий реактор | ||||||
| Тип | Q, квар | Тип | Ном.ток, А | Тип | Ном. ток, А | L, мГн | |||
| 6 | ТКРМ-6,3/6 ТКРМ-12,5/6 ТКРМ-20/6 | 6,3 12,5 20 | ПСМ-6,3/6 ПСМ-12,5/6 ПСМ-20/6 | 335 670 1060 | РКОМ-3800/6 РКОМ-7500/6 РКОМ-12000/6 | 335 670 1060 | 23,6 11,7 7,5 | ||
| 10 | ТКРМ-6,3/10 ТКРМ-12,5/10 ТКРМ-20/10 ТКРМ-40/10 | 6,3 12,5 20 40 | ПСМ-6,3/10 ПСМ-12,5/10 ПСМ-20/10 ПСМ-40/10 | 200 400 630 1250 | РКОМ-4000/10 РКОМ-7800/10 РКОМ-12500/10 РКОЦД-24500/10 | 200 400 630 1250 | 67 33,5 21,5 10,6 | ||
Управляющие сигналы в систему регулирования ПСМ поступают с трансформаторов тока ПСМ, трансформаторов тока и напряжения питающей сети. Регулирование реактивной мощности, генерируемой в сеть, производится за счет изменения угла управления тиристоров. При этом изменяется величина и длительность протекания тока через компенсирующие реакторы, т.е. потребление компенсирующими реакторами реактивной мощности при постоянстве реактивной мощности, генерируемой конденсаторными установками фильтров[23].
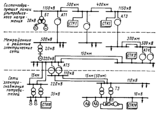
Развитие СТК идет в нескольких направлениях, определяемых их функциональными особенностями. Функции СТК зависят от места и роли в общей системе передачи и распределения электроэнергии. На рисунке 19 эта система представлена в виде условной схемы, на которой указаны классы напряжений линий и подстанций, протяженность линий, основное оборудование подстанций, мощные потребители электроэнергии с переменной нагрузкой.
Рисунок 19 – Обобщенная схема передачи и распределения электроэнергии[14]: АТ — автотрансформатор; БТ — блочный трансформатор; Т — трансформатор; ВП — вентильный преобразователь; СТК — статический тиристорный компенсатор
Системообразующие линии электропередачи напряжением до 1150 кВ передают энергию от генерирующих станций к межрайонным и районным подстанциям. На линиях устанавливаются компенсаторы типа СТК1.
Электрические сети межрайонного значения имеют напряжение 220–500кВ. На районных подстанциях используются СТК типа II. В сетях электроснабжения потребителей, обычно выполняемых на напряжение от 6 до 110 кВ, применяются СТК третьего и четвертого типов.
Функции СТК четырех типов перечислены в таблице 3. Символом (++) отмечены обязательные функции, символом (+) – необязательные, но возможные.
Таблица 3[14]
| № п/п | Выполняемая функция | Тип СТК | ||||
| I | II | III | IV | |||
| 1 | Компенсация потребляемой реактивной мощности и ее колебаний | + | + + | + + | + + | |
| 2 | Компенсация генерируемой ли-ниями реактивной мощности при слабой загрузке электропередачи | + + | + + | + | + | |
| 3 | Симметрирование режима элект-ропередачи при отключении одной фазы участка линии | + + | + | — | — | |
| 4 | Симметрирование нагрузки и ослабление фликера напряжения | — | — | + + | + + | |
| 5 | Ограничение внутренних перенапряжений в электропередаче | + + | + + | + | + | |
| 6 | Обеспечение условий гашения дуги сопровождающего тока в паузе АПВ | + + | + | — | — | |
| 7 | Стабилизация напряжения на шинах промежуточных и концевых подстанций в переходных режимах | + + | + + | + | + | |
| 8 | Фильтрация высших гармоник тока нагрузки | — | — | + + | + + | |
| 9 | Снижение несинусоидальности тока нагрузки стохастического характера | — | — | + + | + | |
Функции 1 и 2 известны. До появления СТК они возлагались на конденсаторные батареи, синхронные компенсаторы и шунтирующие реакторы. Эти функции СТК выполняют с меньшими потерями электроэнергии и при меньших приведенных затратах на компенсацию (с учетом потерь в линиях при отсутствии регулируемых компенсирующих устройств).
Функции 3 и 4 могут быть обеспечены быстродействующим пофазным управлением компенсатором, которое реализуется только в схемах СТК. Уравнения симметрирования в квазистационарном режиме относительно просты.
Пофазное управление СТК выполняется по алгоритму, при котором компенсация колебаний реактивной мощности нагрузки типа дуговой сталеплавильной печи (ДСП) и симметрирование нагрузки выполняется одновременно. Этим обеспечивается ослабление вызванных флуктуирующей дугой ДСП колебаний напряжения в каждой фазе и в совокупности по всем трем фазам сети. Анализ требований к быстродействию автоматического управления СТК показал, что эквивалентное запаздывание в пофазных контурах компенсации колебаний реактивной мощности не должно превышать 5 мс.
Симметрирование линии электропередачи особенно актуально для длинных одноцепных линий. Оно улучшает режим электропередачи при повреждении одного из участков линий, при котором поврежденный участок работает в двухфазном режиме. Дополнительный симметрирующий эффект создается включением в треугольник обмотки трансформатора СТК.
Ограничение перенапряжений с помощью СТК (функция 5) особенно актуально в передачах сверхвысокого напряжения (1 МВ и более). В этих передачах более опасны внутренние перенапряжения, и именно они определяют уровень изоляции.
Быстродействующее регулирование СТК в режиме стабилизации напряжения само по себе является эффективным средством ограничения квазиустановившихся перенапряжений.
Для ограничения импульсных перенапряжений используются специальные элементы, обеспечивающие включение вентилей с запаздыванием порядка 10–20мкс. Эти элементы входят как в состав тиристорных ячеек высоковольтных тиристорных вентилей, так и в состав электронной системы управления СТК.
В момент включения вентиля напряжение прикладывается к реактору СТК, чем и достигается снижение перенапряжений. Однако при этом, как правило, возникает неравенство положительных и отрицательных полуволн тока через реактор, иными словами, в токе появляется квазипостоянная составляющая. Для ее устранения в состав системы управления СТК должно входить специальное устройство быстрого симметрирования полуволн тока фазы.
Реакторы и вентили СТК должны быть рассчитаны на вызванные перенапряжениями перегрузки. Реакторы со сталью должны быть рассчитаны на большие перегрузки, значения которых определяются нелинейностью вольт-амперной характеристики реакторов при напряжении выше номинального. Соответствующие токовые перегрузки должны выдерживать и тиристорные вентили СТК.
Свойство СТК ограничивать внутренние перенапряжения реализуется в полной мере при условии их подключения непосредственно к линии, минуя подстанционные трансформаторы.
Функция 6 должна быть рассмотрена применительно к двум видам АПВ – трехфазному и однофазному (ОАПВ).
Для освоения электропередач переменного тока класса 750 кВ и выше решающее значение имеет проблема обеспечения успешного АПВ. Напряжение в месте к.з. во время бестоковой паузы АПВ возрастает пропорционально номинальному напряжению линии и ее длине. Поэтому на линиях класса 1150кВ, компенсируемых обычными шунтирующими реакторами, восстановление электрической прочности канала дуги за ограниченное время бестоковой паузы может не произойти.
Увеличение бестоковой паузы АПВ для тяжелонагруженных электропередач может привести к нарушению устойчивости параллельной работы. Поэтому трехфазное АПВ должно быть быстродействующим (БАПВ) с паузой до 0,4 с. Однако при длинах участков линии 1150 кВ порядка 400–500 км вследствие относительно малых потерь в линии и шунтирующих реакторах в паузе АПВ будут возникать слабозатухающие колебательные процессы в контурах "емкость линии — шунтирующие реакторы". Вследствие колебательных процессов в паузе АПВ возможны повторные возникновения дуги в месте к.з. В результате БАПВ будет неуспешным.
Подключение СТК к поврежденному участку линии усиливает затухание колебаний благодаря действию обмоток трансформатора СТК, включенных в треугольник. Обмотки образуют короткозамкнутый контур для синфазных волн напряжения. Специальное управление моментами включения вентилей в паузу АПВ также будет способствовать затуханию колебаний и, следовательно, сокращению времени паузы БАПВ.
Еще более важную роль должен выполнять СТК в обеспечении успешного протекания однофазного АПВ.
Уровень перенапряжений в момент ОАПВ ниже, чем при трехфазном АПВ. Учитывая, что из всех видов к.з. на ультравысоковольтных линиях однофазные к.з. составляют 80–85 %, можно сделать вывод, что обеспечение успешного протекания ОАПВ имеет исключительное значение для надежности этих линий.
















