151450 (594690), страница 10
Текст из файла (страница 10)
При полностью открытых тиристорах блоков 6 индуктивное сопротивление дросселей 2 максимальное и к ним приложена половина линейного напряжения. Обмотки 4 и 5 дросселей 2 включены параллельно. Суммарный магнитный поток замыкается через средние стержни магнитной системы. Наличие немагнитных зазоров препятствует насыщению электротехнической стали магнитной системы. Содержание высших гармоник в токе устройства незначительное. Кроме того, соединение дросселей в треугольник обеспечивает циркуляцию гармоник тока, кратных трем, по замкнутому контуру.
При полностью закрытых тиристорах блока 6 происходит подмагничивание стали магнитной системы, так как по обмоткам 4 и 5 протекает импульсный выпрямленный ток, обеспечивающий создание постоянного магнитного потока, замыкающегося через крайние стержни. Напряжение на дросселях 2 близко к нулю. Напряжение на конденсаторных батареях 1 возрастает с половины линейного до фазного напряжения.
Содержание высших гармоник в электрической сети минимально, так как напряжение на дросселях близко к нулю.
При текущем значении угла управления тиристоров блоков 6 режим работы устройства находится между двумя предельными режимами, рассмотренными выше. Наличие двух треугольных соединений конденсаторных батарей 1 и дросселей 2 способствуют более эффективному снижению высших гармоник, кратных трем.
Это устройство может найти применение в электрических сетях энергосистем и в системах электроснабжения промышленных предприятий для повышения коэффициента мощности, снижения потерь активной мощности от протекания реактивной мощности и регулирования напряжения[28].
Отдельная задача в электроэнергетике – проблема быстрого пофазного регулирования величины и направления потока реактивной мощности в трехфазных линиях электропередач высокого и сверхвысокого напряжения.
Для линий электропередач требуются такие СТК, которые, во-первых, обладают высоким быстродействием, позволяющим оказывать благоприятное влияние на протекание электромагнитных процессов, и, во-вторых, позволяют осуществлять пофазное регулирование реактивной мощности. В определенных ситуациях требуется, например, быстро (за один период промышленной частоты) перевести СТК из симметричного трехфазного режима в режим, при котором по двум фазам производится выдача, а по одной фазе потребление реактивной мощности[30].
Разработан статический тиристорный компенсатор, содержащий соединенные последовательно конденсаторную батарею и реакторы, а также два трехфазных трансформатора и блок регулирования реактивной мощности. К вторичным обмоткам трансформаторов подключены два управляемых тиристорных моста, полюса постоянного тока которых соединены через реакторы. Расширение функциональных возможностей путем пофазного управления компенсатором достигается тем, что первичные обмотки трансформаторов соединены по схеме согласной звезды с заземленной нейтралью, а вторичные обмотки – по схеме встречной звезды, и их нейтрали соединены перемычкой, а блок регулирования реактивной мощности выполнен пофазным.
Наличие перемычки между нейтралями вторичных обмоток трансформаторов при их соединении в две взаимно-обратные звезды дает возможность оставить в работе вентили, относящиеся к одной фазе устройства, и получить режим, при котором реактивная мощность потребляется только в этой фазе. Оставшиеся в работе вентили получают отдельные импульсы управления, остальные вентили – заперты (на их управляющие электроды не подаются импульсы управления). Предусмотрено автоматическое регулирование величины реактивной мощности путем изменения фазы управляющих импульсов.
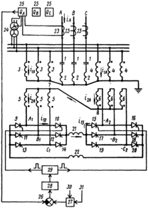
На рисунке 29 представлена принципиальная схема СТК.
В СТК входят конденсаторы 1, служащие для выдачи реактивной мощности и образующие вместе с реакторами 2 фильтр высших гармоник тока, два трехфазных силовых трансформатора с первичными обмотками 3 и 4, соединенными по схеме "звезда" с заземленной нейтралью, и вторичными обмотками 5 и 6, соединенными в две взаимно-обратные звезды, нейтрали 7 и 8 которых соединены перемычкой, два тиристорных моста, один из которых с тиристорными вентилями 9–14 присоединены к вторичным обмоткам 5 одного трансформатора, а другой с тиристорными вентилями 15–20 – к вторичным обмоткам 6 другого трансформатора.
Рисунок 29 – Статический тиристорный компенсатор
Тиристорные мосты соединены последовательно через силовые реакторы 21 и 22. Для пофазного автоматического регулирования реактивной мощности используются трансформаторы тока 23, первичные обмотки которых включены на входе СТК, трехфазный трансформатор напряжения 24, первичные преобразователи 25, измеряющие пофазно величину реактивной мощности, суммирующие устройства 26 (на рисунке 29 показана структурная схема автоматического регулирования для одной фазы А, для фаз В и С структурные схемы регулирования такие же), устройства уставки 27, регуляторы 28 и устройства формирования импульсов управления 29.
Каждое устройство 29 создает и посылает импульсы управления на вентили двух мостов, относящиеся к соответствующим фазам, например на вентили 9 и 10 фазы А1 одного трансформатора и на вентили 15 и 16 фазы А2 другого трансформатора. Устройство уставки 27 может вырабатывать величину уставки реактивной мощности данной фазы СТК либо под действием ручного задания (по каналу 30), либо под действием внешних систем автоматики (по каналу 31).
В симметричном трехфазном режиме СТК один преобразователь, например, с вентилями 9–14 работает в выпрямительном режиме, а другой – в инверторном режиме. При необходимости СТК может работать с одинаковым потреблением реактивной мощности в двух фазах. Для этого в работе остаются вентили, относящиеся к двум фазам СТК, например вентили 9–12 и 15–18, а другие вентили запираются (на них не подаются импульсы управления).
Наличие перемычки между нейтралями вторичных обмоток в предлагаемом СТК позволяет в трехфазном режиме получать значительную неравномерность потребления реактивной мощности по фазам. В разработанном СТК возможно за счет несимметричного управления вентилями создать разное потребление реактивной мощности по фазам, при этом разность токов двух фаз будет проходить через перемычку между нейтралями 7 и 8 вторичных обмоток трансформаторов.
Основное отличие и главное преимущество СТК состоит в том, что он может работать с потреблением реактивной мощности только в одной фазе. Это возможно, если СТК присоединен к трехфазной системе (к трехфазной ЛЭП) с заземленной нейтралью, что характерно для систем высокого и сверхвысокого напряжения. Однофазный режим работы двухмостового преобразователя может быть получен для любой фазы. Вентили, относящиеся в выбранной фазе, остаются в работе, а остальные запираются.
Разработанный СТК обладает широкими функциональными возможностями в отношении пофазного регулирования реактивной мощности, в том числе возможностью регулирования реактивной мощности в одной из трех фаз[31].
Известно, что регулирование напряжения дросселя посредством изменения угла управления тиристорами его быстродействующего выключателя приводит к появлению в токе дросселя, а следовательно, и генератора, высших гармонических. Это, в свою очередь, вызывает искажение формы кривой напряжения электрической сети, что является причиной циркуляции высших гармонических тока в электрической сети и ее нагрузке.
Токи высших гармонических вызывают дополнительные потери электроэнергии и создают опасность перегрузки конденсаторной батареи, сопротивление которой обратно пропорционально номеру высшей гармонической. Поэтому для устранения негативных явлений, сопутствующих фазовому регулированию напряжения дросселя в состав компенсирующего устройства вводят фильтры высших гармонических путем включения последовательно с конденсаторами каждой ступени конденсаторной батареи индуктивных сопротивлений реакторов. Это приводит к увеличению габаритов и веса компенсирующего устройства и дополнительных затрат электроэнергии.
Предлагается способ компенсации статической и резкопеременной реактивной нагрузки. Способ, при сохранении в установившихся режимах номинального напряжения дросселя вследствие применения ступенчато-регулируемого принципа компенсации реактивных нагрузок электрической сети, позволяет устранить отмеченные негативные явления, т.е. искажение формы кривой напряжения электрической сети и дополнительные потери от токов высших гармонических, и отказаться от использования реактивов.
Компенсация резкопеременных реактивных нагрузок электрической сети путем фазового регулирования напряжения дросселя характеризуется большим быстродействием и более точным отслеживанием всплеска реактивного тока нагрузки электрической сети по сравнению с подключением группы ступеней конденсаторной батареи, так как известно, что с целью исключения бросков зарядных токов при включении конденсаторов следует дождаться момента, когда мгновенное значение напряжения сети равно остаточному напряжению на конденсаторах с обратным знаком для каждой фазы в отдельности.
Согласно предлагаемому способу путем увеличения скорости реакции компенсирующего устройства на включение реактивной нагрузки электрической сети фазовым регулированием напряжения дросселя вместо подключения ступеней конденсаторной батареи одновременно с повышением точности отслеживания резких изменений реактивной нагрузки электрической сети достигают исключения колебаний напряжения в электрической сети и нагрузки источника питания. Кроме того, предлагаемый способ компенсации резкопеременных нагрузок электрической сети, превышающих по величине мощность дросселя, путем комбинации фазового регулирования напряжения дросселя с подключением резервных ступеней конденсаторной батареи и последующим возвращением этих ступеней и дросселя в исходный режим позволяет уменьшить установленную мощность дросселя и ступень конденсаторной батареи, токи которых уравновешивают друг друга в установившемся режиме.
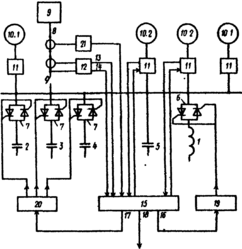
На рисунке 30 изображена принципиальная схема компенсирующего устройства, реализующего предлагаемый способ.
Компенсирующее устройство состоит из дросселя 1 и конденсаторной батареи, разделенной на ступени 2–5, мощности которых находятся в отношении 1:2:4:4, причем единичная мощность наибольших ступеней 4 и 5 равна мощности дросселя. Дроссель 1 и первые три ступени 2-4 конденсаторной батареи подключены через быстродействующие тиристорные коммутаторы 6 и 7 и электрическую сеть 8 к источнику 9 питания, например к синхронному генератору. Одна из наибольших ступеней 5 конденсаторной батареи подключена к электрической сети непосредственно.
В состав смешанной нагрузки электрической сети входят реактивные нагрузки 10.1 и 10.2, например асинхронные электродвигатели. Эти нагрузки подключаются к электрической сети посредством коммутационных аппаратов 11, например магнитных пускателей.
Рисунок 30 – Схема устройства, реализующего предлагаемый способ компенсации реактивной нагрузки
Изменения реактивной нагрузки электрической сети регистрируются датчиком 12 реактивного тока, содержащим два выхода 13 и 14, на одном (13) из которых формируется быстродействующий сигнал изменения реактивной нагрузки сети в переходной период, а на другой (14) – задержанный сигнал изменения реактивной нагрузки сети в установившихся режимах. Сигналы, пропорциональные изменениям реактивной нагрузки электрической сети, направляются в блок 15 управления, снабженный выходами 16–18, через которые эти сигналы передаются в блок 19 фазового регулирования напряжения дросселя и блок 20 формирования импульсов управления тиристорами быстродействующих коммутаторов 7, включающих ступени конденсаторной батареи.
Величина нагрузки источника питания контролируется датчиком 21 тока. В зависимости от соотношения мощностей дросселя и реактивных нагрузок последние разделяются на две группы. Первую группу образуют реактивные нагрузки 10.1, пусковые мощности которых меньше мощности дросселя. Вторая группа формируется из реактивных нагрузок 10.2 с пусковыми мощностями, превышающими мощность дросселя.
Способ компенсации статической и резкопеременной реактивной нагрузки заключается в том, что изменяют напряжение дросселя путем фазового регулирования его быстродействующего тиристорного коммутатора и переключают ступени конденсаторной батареи.
С целью повышения качества напряжения электрической сети предварительно подключают дроссель и наибольшую ступень конденсаторной батареи, равную по величине мощности дросселя, на номинальное напряжение электрической сети. Затем уменьшают напряжение дросселя в момент включения реактивной нагрузки электрической сети на величину приращения этой нагрузки, восстанавливают номинальное напряжение дросселя по окончании переходного процесса в реактивной нагрузке электрической сети и формируют сигнал приращения реактивной нагрузки электрической сети в установившемся режиме, подключая этим сигналом резервные ступени конденсаторной батареи.
При увеличении тока нагрузки источника питания выше установленного значения, вызванном переводом части подключенных ступеней конденсаторной батареи в резерв, формируют сигнал перегрузки источника питания, блокируют этим сигналом включение реактивной нагрузки электрической сети и резервных ступеней конденсаторной батареи и одновременно вводят в работу резервный источник питания[32,33].
Следующее устройство может быть использовано в системе автоматического регулирования статического компенсатора, предназначенного для компенсации реактивной мощности мощных несимметричных, быстроизменяющихся нагрузок промышленных предприятий.
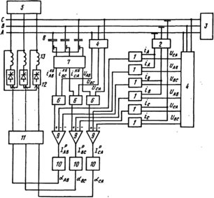
В регулятор статического компенсатора, состоящего из конденсаторной батареи и реактора, управляемого тиристорами, содержащий датчики тока нагрузки, датчики напряжения питающей сети, сумматоры, через функциональные преобразователи, подключенные к току управления тиристорами, введены датчики тока конденсаторной батареи, шесть датчиков мгновенного активного тока и три датчика мгновенного реактивного тока.
На рисунке 31 показана функциональная схема регулятора
Рисунок 31 – Функциональная схема регулятора статического компенсатора
















