151450 (594690), страница 6
Текст из файла (страница 6)
Установленная мощность синхронного компенсатора при одном и том же графике реактивной нагрузки будет меньше, чем установленная мощность статического компенсирующего устройства. Синхронные компенсаторы обладают всеми недостатками вращающихся машин и имеют меньшее быстродействие по сравнению со статическими компенсаторами. Кроме того, в статических компенсирующих устройствах возможно пофазное управление.
На зарубежных металлургических заводах для снижения влияния на питающую сеть резкопеременных нагрузок применяются синхронные компенсаторы с высокой кратностью форсировки напряжения возбуждения и быстродействующей системой регулирования.
Фирма Simens (ФРГ) выпускает синхронные компенсаторы мощностью 10MBА с ударной мощностью 30 MBА. Обмотка возбуждения компенсатора питается от нереверсивного тиристорного преобразователя с кратностью форсировки возбуждения по напряжению 13,2.
Фирма Fuji Electric Co совместно с Nisshin Electric Co (Япония) выпускает синхронные компенсаторы мощностью 8 MBА с ударной мощностью 16 MBА. Компенсатор имеет бесщеточную систему возбуждения с кратностью форсировки по напряжению, равной 2.
Фирма ASEA (Швеция) выпускает синхронные компенсаторы номинальной мощностью 7,5 Мвар с ударной мощностью 30 Мвар.
В таблице 1 представлено качественное сравнение быстродействующих синхронных компенсаторов со статическими компенсирующими устройствами прямой и косвенной компенсации.
Таблица 1 – Сравнение параметров компенсирующих устройств
| Параметры сравнения | Специальный синхронный компенсатор | Статические компенсирующие устройства | |
| прямой компенсации | косвенной компенсации | ||
| Скорость регулирования, с | Более 0,06 | Менее 0,02 | Менее 0,01 |
| Регулирование | Плавное | Ступенчатое | Плавное |
| Строительная часть | Массивные фундаменты | Фундаменты не требуются, большая гибкость монтажа | |
| Обслуживание | Смазка, охлаждение и т. д. | Обслуживания практически не требуется | |
| Отношение Qуст к Qmax, отн. ед. | 0,5–0,7, имеется возможность перегрузки до 2-х кратной | 1,0; перегрузка не допускается | 2,0; регулируемая индуктивная часть 1,0; емкостная нерегулируемая часть 1,0 |
| Работа на несимметричную нагрузку | Показное управление практически невозможно | Осуществляется пофазное управление практически без дополнительных затрат | |
| Потери от номинальной мощности, % | 2,5 – 4,0 | 0,5 – 1,0 | 1,0 – 2,0 |
| Искажение питающего напряжения | Нет | Нет | Управляемый тиристорами ре-актор является источником высших гармоник |
Статические компенсирующие устройства обладают рядом преимуществ по сравнению с быстродействующими синхронными компенсаторами. Основным преимуществом является их большее быстродействие. Существенна и возможность осуществления пофазного управления, что необходимо в сетях с быстроизменяющейся несимметричной нагрузкой.
В настоящее время разработано много типов статических компенсирующих устройств на базе управляемых реакторов и конденсаторов в основном с применением управляемых вентилей (тиристоров). Наибольшее распространение в зарубежной и отечественной практике получили устройства прямой и косвенной компенсации.
Статические компенсирующие устройства прямой компенсации осуществляют ступенчатое регулирование реактивной мощности с помощью включения и отключения батарей конденсаторов или фильтров высших гармоник при изменении реактивной мощности электроприемников (рис. 13 и 14).
Рисунок 13 – Принципиальная схема компенсирующего устройства прямой компенсации:
На рисунке: 1 – тиристорные ключи; 2 – реактор; 3 – конденсаторная батарея; 4 – устройство для управления тиристорными ключами, 5 – нагрузка (тиристорный преобразователь).
Для обеспечения быстродействия в качестве контакторов или выключателей на каждой ступени применяются тиристорные ключи. Для исключения переходных процессов при включении, которые будут приводить только к увеличению колебаний напряжения, включение конденсаторов тиристорными ключами осуществляется в тот момент, когда напряжение сети и конденсаторов равны как по величине, так и по полярности.
Рисунок 14 – Компенсация реактивной мощности устройством прямой компенсации: а – схема устройства прямой компенсации; б – принцип работы статического компенсирующего устройства прямой компенсации; 1-5 – ступени компенсации
Быстродействие устройства прямой компенсации в основном определяется запаздыванием включения или отключения секций батарей конденсаторов на период питающего напряжения (0,02 с) при условии непрерывного изменения реактивной мощности. Одним из преимуществ устройств прямой компенсации является то, что они не генерируют в сеть высшие гармоники.
Схемы прямой компенсации разработаны в СССР в 50-х годах. За рубежом такие устройства изготовляются в Швеции и в Японии.
Фирма ASEA (Швеция) выпускает конденсаторные установки с тиристорным управлением для компенсации реактивной мощности в системах электроснабжения с вентильными преобразователями и дуговыми печами. Система регулирования обеспечивает выбор момента подачи управляющего импульса на каждый тиристор, причем импульс управления подается с упреждением перед моментом прохождения емкостного тока через нуль. Когда конденсаторы не присоединены к сети, они остаются заряженными до амплитуды положительного или отрицательного напряжения сети. На рисунке 15 показано, что коммутация осуществляется в момент, когда напряжение сети соответствует по значению и полярности напряжению на конденсаторе. Тиристор прекращает пропускать ток при переходе его через нуль после снятия импульса с управляющего электрода. Конденсатор остается заряженным до амплитудного значения напряжения и готов к следующей коммутации.
Рисунок 15 – Диаграмма работы статического компенсирующего устройства прямой компенсации:
U – напряжение сети, Uс – напряжение на конденсаторе, Ic – ток конденсатора;
t0 – импульсы для подзарядки конденсаторов; t1 – подключение к сети;
t2 – отключение от сети; t3-t4 – интервал перезарядки
Статические компенсирующие устройства косвенной компенсации (рис. 16) состоят из двух частей: плавно регулирующего индуктивного элемента (реактора) для компенсации колебаний напряжения и нерегулируемой части – батарей конденсаторов или фильтров высших гармоник.
Рисунок 16 – Принципиальная схема статического компенсирующего устройства косвенной компенсации:
На рисунке 16: 1 – нагрузка; 2 – управляемые реакторы; 3 – тиристорные ключи; 4 – фильтры высших гармоник токов; 5 – батареи конденсаторов; 6, 7 – трансформаторы тока и напряжения; 8 – система фазоимпульсного управления тиристорами
Принцип косвенной компенсации для уменьшения колебаний напряжения заключается в том, что управляемый реактор потребляет реактивную мощность тогда, когда ее не потребляет резкопеременная нагрузка, и наоборот (рис. 17).
Регуляторы реактивной мощности должны обеспечивать такое регулирование, чтобы осуществлялось слежение за фронтом наброса и сброса реактивной мощности. Следовательно, от устройства компенсации требуется большое быстродействие, соответствующее фронту наброса и сброса реактивной мощности наиболее характерных резкопеременных нагрузок.
Рисунок 17 – Компенсация реактивной мощности устройством косвенной компенсации: а – схема статического компенсирующего устройства; б – принцип действия устройства косвенной компенсации
Регулирование тока в реакторе может осуществляться различными способами. Например, некоторые зарубежные фирмы применяют управляемый насыщающийся реактор. Однако быстродействие таких устройств можно оценить временем задержки более 0,06 с (три периода питающего напряжения), что недостаточно для эффективной работы компенсатора. Поэтому в настоящее время применяется регулирование тока в реакторе с помощью встречно-параллельно включенных тиристоров. Такая схема обеспечивает плавное регулирование реактивной мощности с временем задержки 0,01 с.
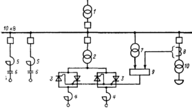
На рисунке 18 приведена схема компенсирующего устройства с управляемыми реакторами с помощью встречно-параллельных тиристоров и нерегулируемой емкости фильтров высших гармоник, используемого для компенсации реактивной мощности при работе дуговых печей (Япония).
Рисунок 18 – Принципиальная схема статического компенсирующего устройства косвенной компенсации в сети с дуговыми сталеплавильными печами[22]:
На этом рисунке обозначено: 1, 2 – трансформаторы; 3 – тиристорные ключи; 4 – управляемые реакторы; 5, 6 – фильтры высших гармоник; 7, 8 – трансформаторы напряжения и тока; 9 – устройство управления тиристорными ключами; 10 – дуговые сталеплавильные печи.
В настоящее время в распределительных сетях 6–10 кВ промышленных предприятий с резкопеременной нагрузкой широко применяются ТКРМ.
В ТКРМ к шинам 6–10 кВ нагрузки параллельно подключены компенсирующие реакторы и силовые фильтры высших гармоник.
Компенсирующие реакторы соединяются в треугольник вместе со встречно-параллельно включенными тиристорами и образуют регулирующий, стабилизирующий и симметрирующий элементы. Источником реактивной мощности является конденсаторная установка силовых фильтров высших гармоник.
Тиристорные компенсаторы стабилизируют потребляемую из сети реактивную мощность с погрешностью не более 2 % номинальной мощности как в сетях с симметричными нагрузками, так и при наличии несимметричных нагрузок, обеспечивая несимметрию потребляемых из фаз сети токов не более 10%, при этом быстродействие регулирования – не более 20 мс. В состав ТКРМ, представляющих собой комплекс оборудования, компонуемого свободно и электрически соединяемого на месте монтажа, входят полупроводниковый стабилизатор мощности (ПСМ), компенсирующие реакторы, фильтры, содержащие фильтровый реактор и конденсаторную установку. Компенсирующие реакторы имеют однофазное исполнение, магнитопровод с воздушным зазором и масляное охлаждение.
Фильтровые реакторы имеют однофазную и трехфазные конструкции. Они выполняются в виде цилиндрических катушек с воздушным охлаждением и вертикальной установкой трех фаз, за исключением фильтровых реакторов третьей и пятой гармоник, предназначенных для горизонтальной установки фаз в линию или установки по вершинам равностороннего треугольника. Фильтровые реакторы имеют регулировочные отпайки для изменения номинальной индуктивности.
Конденсаторные установки выполнены трехфазными, соединенными по схеме "две звезды", нейтрали которых соединяются через трансформатор тока, являющийся датчиком сигнала при разбалансе емкостей в лучах звезды.
Конструктивно конденсаторные установки силовых фильтров выполнены в виде двухъярусных стеллажей с вертикальной установкой силовых конденсаторов типа КЭКФ напряжением 4,4; 6,6; 7,3 кВ, соединенных параллельно и защищенных предохранителями типа ПКК–411.
















