151450 (594690), страница 9
Текст из файла (страница 9)
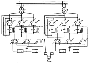
Рисунок 23 – Принципиальная схема ИРМ[10]
Управляющее устройство генерирует в соответствующие моменты токовые импульсы, которые, проходя через БК, изменяют напряжение на ее зажимах. Таким образом, бросков тока при коммутации вентилей в цепи этой БК не возникает. Длительность протекания тока в течение каждого полупериода может регулироваться моментом подачи импульса тока от управляющего устройства.
Устройство состоит из двух симметричных блоков. В каждом блоке трехфазные группы соединяются в треугольник. Последовательно с конденсаторами включаются два встречно-параллельно соединенных вентиля 3 и 4. Батареи конденсаторов БК 1 и 2 и вентили включаются в сеть через трехфазный трансформатор. Обмотки трансформаторов 5 и 6 соединяются таким образом, чтобы суммарный ток блоков не содержал гармоник, кратных трем, которые, как показывают теоретические и экспериментальные исследования, являются самыми значительными в токе ИРМ. Это можно получить, если для одного трансформатора предусмотреть схему соединения обмоток "звезда-звезда", а другого – "звезда-треугольник". При соединении конденсаторов в треугольник компенсируются третья и кратная ей гармоники тока.
Для практически возможных случаев рассматриваемая схема имеет следующие параметры: постоянная времени 0,02 – 0,03 с; диапазон регулирования мощности (в долях от номинальной) 0,3 – 1; диапазон изменения угла управления вентилями – около 50°.
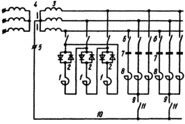
На рисунке 24 показана схема применяемого в промышленности фильтрокомпенсирующего устройства (ФКУ).
Рисунок 24 – Схема ФКУ для сети 0,4 кВ[10]:
Данные его эксплуатации показали, что фильтр снизил содержание тока 5-й гармоники в 5 раз. В фильтре использован реактор, допускающий регулировку индуктивности в диапазоне от +25 до –20% номинального значения. При наличии фильтров возможно подключение БК к тем же шинам без защитных реакторов.
Опыт разработки и промышленная эксплуатация фильтров высших гармоник имеется за рубежом (США, Япония, Германия и др.). Обычно это простые режекторные фильтры, состоящие из последовательно включенных нерегулируемых конденсаторов и реакторов. Реакторы фильтров зарубежных фирм, как правило, изготовляют без железного сердечника. Это обеспечивает лучшую добротность, но приводит к увеличению габаритов.
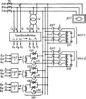
На рисунке 25 приведена схема многофункционального устойства, построенного на основе статических тиристорных компенсаторов, тиристорных ключей, линейных реакторов и регулируемых БК. Предполагается его широкое применение, так как обеспечивается высокое, защищенность от высших гармоник, и при этом отсутствуют вращающиеся части. В этом отношении это устройство более совершенно, чем быстродействующие синхронные компенсаторы и нерегулируемые батареи конденсаторов.
Рисунок 25 – Схема многофункционального быстродействующего статического компенсирующего и симметрирующего устройства
Принцип действия устройства показан на рисунке. Измерительные трансформаторы тока и напряжения передают показания мгновенных значений токов IA, IB, IC и напряжений UA, UB, UC, а также реактивной QA, QB, QC и активной PA, PB, PC мощности в систему регулирования. Тиристорно-реакторная группа, содержащая тиристорные ключи VD1, VD2, VD3 и реакторы LR, управляется системами автоматического регулирования САР-1, 2, 3. Фильтрокомпенсирующие устройства ФКУ-1 и ФКУ-2 представляют собой комбинированные многополюсные трехфазные фильтры 3, 5 и 7-й гармоник, включающие реакторы и батареи конденсаторов с вакуумными выключателями QW1 и QW2. Система управления регулирует величину реактивной мощности отдельно в каждой фазе компенсатора путем изменения углов открытия вентилей VD1–VD3, причем регулируется не емкость, а индуктивность. Фильтрокомпенсирующие устройства настроены на определенную постоянную мощность, а регулируемые реакторы снижают эту постоянную емкостную мощность до того уровня, который необходим для регулирования заданного напряжения[22].
В настоящее время фирма Nokian Capacitors Ltd. (Финляндия) производит и устанавливает статические компенсаторы возмущений для линий передачи электроэнергии и промышленных предприятий.
Возмущения при обычной работе линий передачи электроэнергии и промышленных распределительных систем могут быть вызваны подключением линий, авариями на линиях, нелинейными компонентами, такими как тиристорные регуляторы, и быстро изменяющимися активными или реактивными нагрузками.
Проблемы, которые при этом возникают, включают в себя: наличие гармоник; потребность в дополнительной реактивной мощности; флуктуации напряжения; фликкер-эффект (мерцание); несбалансированные нагрузки; быстрые изменения в реактивной мощности.Эти проблемы можно решить с помощью быстродействующего статического компенсатора (БСК).
Устройства БСК проектируются индивидуально, используя стандартные компоненты, для решения конкретных проблем каждого заказчика. Несколько из приведенных выше проблем могут возникать одновременно. Оптимальное решение диктуется техническими и экономическими соображениями.
Возмущения, вызванные наличием гармоник, могут быть устранены с помощью фильтров. Реактивная мощность может быть обеспечена применением конденсаторов, которые, если их использовать как фильтры, могут обеспечить как коррекцию коэффициента мощности, так и снизить уровень гармоник.
Флуктуации напряжения могут быть устранены путем использования индуктивных стабилизаторов с конденсаторами, подключаемых через тиристорную схему управления.
От фликкер-эффекта, вызванного быстроменяющейся нагрузкой, можно избавиться с помощью индуктивных стабилизаторов, подключаемых через тиристорную схему управления.
Несбалансированные нагрузки могут быть уравновешены путем селективного подключения, через тиристорную управляющую схему, индуктивных стабилизаторов и конденсаторов.
Быстрые флуктуации в реактивных нагрузках, таких как искровые плавильные печи, могут быть скомпенсированы аналогичным способом.
При использовании системы БСК на сталелитейном заводе было достигнуто улучшение следующих показателей:
-
флуктуации напряжения были снижены на 80%;
-
уровень напряжения повысился;
-
при повышении уровня напряжения увеличилась производительность за счет уменьшения времени плавки в искровых печах;
-
удалось избежать штрафов компании-поставщика электроэнергии за низкий коэффициент мощности;
-
мощность, выделяемая в искре плавильных печей, была стабилизирована, что привело к снижению износа графитовых электродов;
-
уровень гармоник в сети подачи электроэнергии, благодаря использованию фильтров, снизился до приемлемого значения.
Статические компенсаторы проектируются индивидуально, таким образом, чтобы каждый компенсатор соответствовал своему конкретному назначению и приносил положительный экономический эффект.
Для проектирования необходима следующая информация: принципиальная схема той системы, к которой компенсатор будет подсоединен; номинальное напряжение и частота сети; мощность, выделяемая при коротком замыкании в точке общего подсоединения, и диапазон любых возможных изменений; информация относительно изменений реактивной мощности и/или информация о связанной с этим нагрузке; данные по имеющемуся уровню и характеру гармоник или данные о нагрузке, вызывающей наличие гармоник; конструкторские требования, например, допустимое изменение напряжения и содержания гармоник, требования по реактивной составляющей мощности и быстродействие системы компенсации; любые дополнительные или особые требования, которые предъявляются к компенсатору; окружающие условия[26].
1.4.4 Разработанные устройства для компенсации реактивной мощности
Разработано устройство компенсации реактивной мощности с помощью переключаемых ступенями фильтрокомпенсирующих цепей и плавно регулируемых линейных реакторов.
На рисунке 26 показана принципиальная схема устройства.
Рисунок 26 – Устройство для компенсации реактивной мощности
Устройство содержит тиристорно-реакторную группу, состоящую из компенсирующих реакторов 1, подключенных встречно-параллельно соединенными тиристорами 2 к сети, питающейся от вторичной обмотки 3 понижающего трансформатора 4, соединенной, например, в звезду с выведенной нейтралью 5. В устройство входят фильтрокомпенсирующие цепи, фазы которых состоят из последовательно включенных коммутационных элементов 6, конденсаторов 7 и реакторов 8. Ветви разноименных фаз фильтрокомпенсирующих цепей соединены в звезду с изолированной нейтралью 9. Устройство содержит общую шину 10, между которой и нейтралями 9 каждой трехфазной фильтрокомпенсирующей цепи включены дополнительные коммутационные элементы 11, например разъединители. При наличии выведенной нейтрали 5 вторичной обмотки трансформатора 4 с нейтралью 5 соединена общая шина 10.
Устройство работает следующим образом.
В случае соединения обмотки 3 в звезду с выведенной нейтралью при оперативном отключении одной из фильтрокомпенсирующих цепей, например, для ступенчатого регулирования уровня компенсации реактивной мощности предварительно включается дополнительный коммутационный элемент 11 отключаемой фильтрокомпенсирующей цепи, затем эта цепь отключается от сети коммутационным элементом 6, после этого отключается включенный дополнительный коммутационный элемент 11. В результате подключения нейтрали 9 отключаемой фильтрокомпенсирующей цепи к нейтрали 5 вторичной обмотки трансформатора 4 предотвращается смещение потенциала нейтрали 9 при неполнофазном режиме, возникающем из-за неодновременного обрыва дуги в фазах коммутационным элементом 6. При этом амплитуда напряжения, восстанавливающегося на первой отключаемой фазе коммутационного элемента 6, снижается в 1,5 раза, что приводит к повышению надежности его работы.
При соединении обмотки 3 трансформатора 4 в треугольник или звезду с изолированной нейтралью до отключения фильтрокомпенсирующей цепи ее нейтраль 9 коммутационным элементом 11 подключается к шине 10. Одновременно включается необходимое количество коммутационных элементов 11 остальных фильтрокомпенсирующих цепей. Затем отключается коммутационный элемент 6 отключаемой фильтрокомпенсирующей цепи, после чего отключаются все включенные дополнительные коммутационные элементы 11. Исследования показывают, что подсоединение к отключаемой еще четырех-пяти фильтрокомпенсирующих цепей примерно одинаковой мощности дает практически тот же эффект, что и подсоединение к нейтрали трансформатора, т.е. снижает амплитуду восстанавливающегося напряжения на первой отключаемой фазе почти в 1,5 раза. Подключение нейтрали лишь одной фильтрокомпенсирующей цепи обеспечивает снижение восстанавливающегося напряжения более чем в 1,3 раза, что в ряде случаев может оказаться достаточным для надежной работы коммутационных элементов[27].
Для автоматической компенсации реактивной мощности в электрических сетях предназначен статический тиристорный источник реактивной мощности.
Рисунок 27 – Схема статического источника реактивной мощности
Источник состоит из конденсаторных батарей 1, соединенных в треугольник и включенных на линейное напряжение электрической сети. Каждая сторона треугольника содержит по две последовательно соединенные конденсаторные батареи 1. Средние точки треугольника конденсаторных батарей соединены регулируемыми дросселями 2, образующими также треугольное соединение. Каждый регулируемый дроссель 2 состоит из трехстержневой магнитной системы 3 с немагнитными зазорами в среднем стержне и двух обмоток 4 и 5, расположенных на крайних стержнях и соединенных параллельно через последовательно включенные с обмотками 4 и 5 встречно-параллельно соединенные управляемый и неуправляемый вентили 6.
Источник работает следующим образом.
















