151450 (594690), страница 8
Текст из файла (страница 8)
Однако с ростом класса напряжений линий проблема ОАПВ усложняется в еще большей степени, чем проблема БАПВ. Причиной этого является ток подпитки дуги в паузу ОАПВ, который при длинах линии 300–500 км может достигать 150–200 А. Быстрое погасание дуги возможно при условии, что ее ток не превышает 10–20 А.
Анализ показал, что СТК по схеме на рисунке 20 может обеспечить это условие, т.е. снизить ток подпитки дуги до требуемого уровня.
Рисунок 20 – Схема статического тиристорного компенсатора для электропередачи 1150 кВ[14]
Компенсация тока подпитки дуги при ОАПВ обеспечивается тиристорно-реакторной группой (ТРГ), подключенной к обмоткам трансформатора, соединенным в звезду. Задавая нужный режим ТРГ (углы управления вентилей), можно полностью скомпенсировать емкостную составляющую тока подпитки.
Если линия в момент ОАПВ передает энергию по неповрежденным фазам, возникает дополнительная составляющая тока подпитки дуги за счет взаимоиндуктивностей поврежденной и здоровых фаз. Анализ, проведенный применительно к параметрам линии 1150 кВ длиной до 500 км, показывает, что указанная ТРГ при надлежащем управлении углами включения вентилей может скомпенсировать и эту составляющую тока дуги.
Таким образом, использование СТК для гашения дуги в паузу ОАПВ позволяет снизить ток подпитки дуги до малых значений, при которых дуга гаснет за 0,1–0,3 с, что дает возможность уменьшить время цикла ОАПВ до 0,3–0,4 с и тем самым практически исключить опасность нарушения устойчивости электропередачи при однофазных к.з. на линии.
табилизация напряжения в условиях быстрого изменения потока энергии по линии (функция 7) обеспечивает устойчивость длинных линий электропередачи. Для поддержания устойчивости регулятор напряжения должен иметь высокое быстродействие, требуемая величина которого зависит от параметров электропередачи и длины линии.
Фильтрация гармоник тока нагрузки (функция 8) достаточно проста, если спектр тока линейчатый и быстрозатухающий с ростом частоты. Такой спектр имеют токи тиристорных преобразователей с нагрузкой на стороне постоянного тока, выпрямители и инверторы передач постоянного тока, мощные выпрямители электролизных установок и др. Амплитуды гармоник тока шестипульсного тиристорного преобразователя даны на рисунке 21 (точки ТП).
Рисунок 21 – Спектры тока различных потребителей[14]
Тиристорно-реакторная группа СТК имеет аналогичный спектр, но значения гармоник значительно меньше (рис. 21, точки ТРГ). Для фильтрации токов с линейчатым спектром используются цепочки узкополосных фильтров, настроенные на частоты наибольших гармоник.
Значительно сложнее обеспечить эффективную фильтрацию несинусоидальной составляющей тока нагрузки типа дуговых сталеплавильных печей (функция 9), т.к. спектр тока ДСП – сплошной (рис. 21).
Таким образом, функции СТК всех четырех типов далеко не исчерпываются компенсацией реактивной мощности. Поэтому можно сказать, что принятое для СТК название "Статические компенсаторы реактивной мощности" в неполной мере соответствует действительности и может неправильно ориентировать специалистов по энергосистемам и электрическим сетям.
В одном из первых применений вентильного преобразователя для быстродействующего управления реактивной мощностью выпрямитель и инвертор включены последовательно с общим реактором и используются как регулируемый потребитель реактивной мощности в качестве единой, выпрямительно-инверторной подстанции (ВИП). Более перспективной оказалась схема с тиристорно управляемыми реакторами на переменном токе (ТУР) в сочетании с фильтрокомпенсирующими цепями (ФКЦ). В разработках фирмы АСЕА используется СТК по схеме тиристорно переключаемых секций конденсаторов (ТПК) или сочетание схем ТПК и ТУР. В последние годы ведутся разработки СТК на базе многофазных инверторов с принудительной коммутацией или тиристорных преобразователей частоты (КТПЧ).
Сопоставление показателей, выполненных по перечисленным схемам СТК, дано в таблице 4. При оценке показателя 1 мощность тиристорной части учитывалась исходя из равенства диапазонов бесконтактного (тиристорного) регулирования сравниваемых схем. Потери (показатель 2) также были отнесены к диапазону бесконтактного регулирования. Величины потерь взяты с учетом данных зарубежных и отечественных СТК[14].
Оценка допустимых перенапряжений (показатель 3) призведена с учетом того, что в схеме ТУР вентили полностью открываются при напряжениях выше заданного уровня, что не только защищает их от повреждений, но и снижает уровень перенапряжений в питающей сети. Остальные схемы критичны к перенапряжениям, проектируются в расчете на заданную (максимально допустимую) кратность повышения напряжения и по этой причине должны снабжаться специальными сильноточными ограничителями перенапряжений (ОПН). При вынужденном включении от перенапряжений вентили этих схем оказываются в аварийном режиме.
Наличие импульсного управления в схемах СТК позволяет рассматривать их при малых возмущениях стационарного режима как импульсные системы, интервал съема (показатель 4) при этом определяется так называемой пульсностью преобразователя
Т = Тс/m,
где Т – интервал съема импульсной системы; Тс – период частоты сети; m – число вентилей, поочередно коммутируемых за период.
Оценка запаздывания (показатель 5) произведена по материалам исследований зарубежных авторов[14]. Оценка показателя 6 дана с учетом анализа специальных режимов СТК.
Таблица 4[14]
Показатель | Характеристики схем СТК | ||||
| ТУР | ТПК | ТПК—ТУР | ВИП | КТПЧ | |
| 1. Относительная мощность тиристорной части | 1 | 2,5 | 1,8 | 2,2 | 3 |
| 2. Коэффициент потерь, % | 0,4–0,5 | 0,6-0,8 | 0,5–0,7 | 2-2,5 | 1–1,5 |
| 3. Кратность допустимых пере-напряжений | 2 и более | 1,5 | 1,5 | 1,5 | 1,5 |
| 4. Интервал съема при частоте сети 50 Гц, мс | 1,7; 3,3 | 3,3 | 3,3 | 3,3 | 0,5 |
| 5. Запаздывание реакции на скачок, мс | 0 | 0–10 | 0–10 | 30–50 | 20–30 |
| 6. Способность ограничения пе-ренапряжений в точке подклю-чения | есть | нет | нет | нет | нет |
На основании приведенной оценки характеристик различных схем СТК можно сделать вывод о том, что по совокупности показателей (мощность тиристорной части, удельные потери, быстродействие, устойчивость к перенапряжениям) схема с тиристорно управляемым реактором превосходит другие схемы. Поэтому для всех вышеуказанных четырех типов СТК при современном уровне силовой преобразовательной техники целесообразно использовать схему ТУР в сочетании с ФКЦ.
Тиристорные преобразователи с нагрузкой на стороне постоянного тока имеют линейчатый спектр несинусоидальности тока (рис. 21, точки ТП). В составе СТК необходимо иметь ФКЦ с частотами = 5,7 и широкополосную ФКЦ с частотой = 11.
Приведенные выше схемы СТК легли в основу разработки серий СТК на напряжение 6; 10; 35 и 110 кВ, выполненной институтами и заводами электротехнической промышленности. Основные данные СТК приведены в таблице 5.
Таблица 5[14]
| Напряжение, кВ | Мощность ТРГ, МВ*А | Порядок гармоник ФКЦ | Мощность трехфазной конденсаторной батареи одной ФКЦ, МВ*А | Мощность одной ФКЦ, Мвар |
| 6,3 | 6,3—20 | 3, 5, 7, 11, 13 | 3 | 2,6 |
| 10,5 | 12—38 | 2,4–10 | 2,08–7,8 | |
| 35 | 110—240 | 2,3, 4, 5, 7, 11 | 9,6 – 34 | 6,2 – 23 |
| 110 | 550 | 5 | 130 | 95 |
| 7 | 86 | 62 |
На основании проведенного исследования можно сделать вывод, что статические тиристорные компенсаторы открывают новые возможности по повышению надежности и качества электрических систем, обеспечивая помимо компенсации реактивной мощности ограничение коммутационных перенапряжений и соответствующее облегчение координации изоляции оборудования ультравысоковольтных передач, повышение вероятности успешных БАПВ и ОАПВ, повышение предела мощности по длинным линиям, симметрирование режима, снижение потерь в линиях, компенсацию влияния резкопеременной нагрузки, фильтрацию высших гармоник.
При современном уровне развития высоковольтной преобразовательной техники предпочтительной схемой СТК является шести- или двенадцатипульсная тиристорно-реакторная схема с необходимым набором фильтрокомпенсирующих цепей.
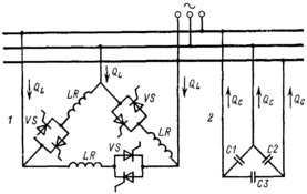
Принципиальная схема одного из типов ИРМ, где используют БК с регулирующим звеном в виде индуктивности с полупроводниковыми вентилями, показана на рисунке 22.
Рисунок 22 – Принципиальная схема ИРМ, применяемого для компенсации реактивной мощности электроприемников с ударными нагрузками:
Регулирование индуктивности осуществляется тиристорными группами VS, управляющие электроды которых подсоединены к схеме управления.
Реактивная мощность Q, выдаваемая такой установкой в сеть, регулируется переменной реактивной мощностью индуктивности QL, т. е. Q = QC – QL, где QC – мощность БК.
В настоящее время промышленностью выпускаются тиристорные компенсаторы реактивной мощности для сети 0,4 кВ, на номинальный ток 190 А, мощностью 125 квар типа ТК-125-380. Диапазон регулирования мощности 25–125 квар, скорость изменения реактивной мощности 500 квар/с.
Силовая часть такого компенсатора представляет собой два параллельно включенных трехфазных управляемых моста, нагрузками которых являются изолированные обмотки дросселя, размещенные на крайних стержнях Ш-образного сердечника.
При эксплуатации СКРМ типа ТК-125-380 выявилось их главное преимущество – плавное автоматическое регулирование ими реактивной мощности и стабилизация напряжения сети системой управления тиристорами. Тиристорный компенсатор может работать в режимах регулирования соs или регулирования напряжения.
Несмотря на то, что данный компенсатор требует некоторой доработки, целесообразность его применения в распределительных электросетях 380 В, особенно с резкопеременным потреблением реактивной мощности, не вызывает сомнения[9].
В МЭИ разработана схема ИРМ, в которой основным рабочим элементом является батарея статических конденсаторов, оснащенная устройством плавного изменения ее мощности. Принципиальная схема ИРМ показана на рисунке 23.
















