151450 (594690), страница 3
Текст из файла (страница 3)
Рисунок 2 – Схемы подсоединения компенсирующих устройств:
а – индивидуальная компенсация; б – групповая компенсация; в – централизованная компенсация[17]
Индивидуальные компенсаторы – устройства, работающие непосредственно с приемником, потребляющим из питающей сети реактивную мощность. При полной компенсации приемник и устройство компенсации представляют для питающей сети устройства, потребляющие только активную мощность. Однако при выключенном потребителе компенсирующие устройства также не используются, что является главным недостатком индивидуальной компенсации. Такой вид компенсации лучше всего применять для компенсации мощности искажения приемников с нелинейными характеристиками.
Групповая и централизованная компенсация позволяет использовать устройства независимо от работы отдельных потребителей. Для реализации компенсации этого вида требуется дополнительная аппаратура – коммутационная и защитная; кроме того, компенсирующие устройства должны обеспечивать достаточный диапазон регулирования потребляемой мощности. Диапазон изменения мощности, потребляемой компенсирующими устройствами, должен быть определен на основе анализа суточной потребности в реактивной мощности для данной группы потребителей. Как правило, для группы потребителей характерно частое изменение нагрузки, что требует применения компенсирующих устройств с автоматическим регулированием мощности, отдаваемой компенсатором.
При непрерывном развитии электроэнергетических систем и наметившейся тенденции к созданию все более крупных энергоблоков значение централизованной компенсации снижается. При централизованной компенсации в крупных энергосистемах не обеспечивается компенсация во всех точках системы, особенно при размещении нелинейных нагрузок на большом расстоянии от электростанций и подстанций, причем, чем больше расстояние, тем больше потери в сети. Поэтому в настоящее время все чаще создают групповые компенсаторы, а для нелинейной нагрузки большой мощности – индивидуальные компенсаторы.
Важным моментом является соответствующее расположение компенсатора, и в особенности выбор мест подсоединения схем измерения. Компенсатор целесообразно располагать так, чтобы имелась возможность стабилизации реактивной мощности в точке подключения преобразователя. В этом случае достигается ограничение колебания напряжения в энергосистеме при изменении условий работы подключенных потребителей[17].
1.3 Влияние преобразовательных установок на сети промышленного электроснабжения
Интенсивное развитие силовой полупроводниковой преобразовательной техники и ее использование в тиристорных электроприводах переменного и постоянного тока, вентильных преобразователях для электротермических и электротехнологических установок различного назначения привело к ухудшению показателей качества электроэнергии, предусмотренных ГОСТ, а также к снижению естественного коэффициента мощности в сетях промышленного электроснабжения.
При всей своей прогрессивности и технологической эффективности тиристирные преобразователи являются одними из главных нарушителей качества электроэнергии в питающей сети, т.е. существует проблема электромагнитной совместимости их с питающей сетью. Это объясняется тем, что все изменения режима работы преобразовательных установок прямо передаются в питающую электрическую сеть.
Особенно заметно это проявляется в колебаниях напряжения (они могут достигать величины более 20 % в сети 10 кВ) и частоты питающей электрической сети. Это обуславливается резким изменением как активной (колебания частоты), так и реактивной (колебания напряжения) мощности. Кроме того, работа установок сопровождается большими искажениями напряжения, происходящими из-за коммутации вентилей.
Вентильные преобразователи оказывают все более сильное отрицательное воздействие на качество напряжения в питающей сети в связи с расширением их применения и увеличением единичной мощности. Как известно, это объясняется тем, что преобразователи, в особенности регулируемые, за счет сдвига первой гармоники тока относительно напряжения потребляют значительную реактивную мощность, зачастую с весьма неравномерным временным графиком, а за счет высших гармоник потребляемого тока являются источниками сильных искажений кривой напряжения сети. Оба этих фактора, кроме того, вызывают дополнительные потери мощности в питающей сети. Поэтому проблема улучшения коэффициента мощности преобразователей относится к числу одной из наиболее актуальных в современной преобразовательной технике и электроэнергетике.
Наряду с широко известными достоинствами (сравнительная простота регулирования, удобство эксплуатации, а также небольшие потери мощности) управляемые вентильные выпрямители имеют ряд серьезных недостатков, основным из которых является низкий коэффициент мощности при глубоком регулировании выпрямленного напряжения.
Потребление реактивной мощности преобразовательными агрегатами обусловлено в основном двумя причинами: естественным коммутационным процессом и искусственной задержкой момента открытия вентиля в целях регулирования выпрямленного напряжения. Именно эти факторы создают сдвиг тока в цепях вентилей относительно напряжения, понижают коэффициент мощности в сетях, питающих выпрямители, и повышают потребление реактивной мощности.
При работе трехфазного преобразовательного агрегата переход тока с фазы А на фазу В (рисунок 3) происходит не в момент равенства напряжений: UA=UB, а занимает некоторое время коммутации и происходит с запаздыванием на соответствующий этому времени угол коммутации , в течение которого напряжение UB превысит UA на достаточное для перехода тока значение.
Рисунок 3 – Сдвиг по фазе тока и напряжения в вентильном преобразователе[22]
На рисунке 3 это учтено тем, что ток вентиля представлен в виде трапеции, наклон которой зависит от времени коммутации и от угла коммутации.
В управляемых вентилях искусственно создается задержка открытия вентиля для снижения выпрямленного напряжения. При этом возникает сдвиг анодного тока i2 относительно кривой напряжения на время, измеряемое углом . Угол сдвига по фазе тока i2 относительно амплитуды напряжения U2 равен:
.
Приблизительно на такой же угол сдвинут в сторону отставания от напряжения U1 и первичный ток I1 преобразовательного трансформатора, чем и определяется реактивная нагрузка сети от преобразовательного агрегата.
Cos – коэффициент сдвига тока I1 относительно напряжения U1 – можно представить так:
[22].
При работе в выпрямительном режиме вентильный преобразователь потребляет из сети переменного тока активную и реактивную мощность. При работе в инверторном режиме – отдает в сеть переменного тока активную мощность, потребляя реактивную. При =90 вентильный преобразователь потребляет из сети переменного тока только реактивную мощность[7].
В наибольшей мере этот фактор проявляется при работе выпрямителя на противоЭДС и постоянстве тока нагрузки, например, в электроприводе с двигателем постоянного тока. Здесь при выпрямленном напряжении, близком к нулю, реактивная мощность максимальна. Таким образом, с уменьшением выпрямленного напряжения реактивная мощность выпрямителя растет, увеличивая загрузку электрических сетей реактивным током, что в свою очередь сопровождается значительными потерями активной энергии и напряжения в сети, а также снижением пропускной способности всей системы электроснабжения.
Жесткая связь между переменным током на входе выпрямителя и его выпрямленным током имеет своим следствием то, что, несмотря на уменьшение выпрямленного напряжения и соответствующее уменьшение мощности на выходе выпрямителя потребляемый им из сети ток сохраняет значение, пропорциональное выпрямленному току. При включении выпрямителя и малом значении его выпрямленного напряжения или при резком уменьшении этого напряжения происходит наброс реактивной мощности на сеть, что в случае значительной мощности нагрузки сопровождается провалом напряжения в сети и вредно отражается на остальных ее потребителях. В ряде случаев это нередко влечет за собой необходимость реконструкции сети.
Таким образом, преобразовательные агрегаты являются крупными потребителями реактивной мощности, режим потребления которых имеет особенности, связанные с нелинейностью и нестабильностью параметров нагрузки.
В условиях возрастающего использования вентильных преобразователей отмеченные их недостатки сопровождаются ощутимым технико-экономическим ущербом. Для их устранения существует два пути: внешняя и внутренняя компенсация.
Внешняя компенсация основана на применении различных компенсирующих устройств, генерирующих реактивную мощность в сеть – конденсаторных батарей, синхронных компенсаторов, регулируемых и нерегулируемых источников реактивной мощности. К ним относятся также фильтрокомпенсирующие устройства, выполненные на базе реакторов и конденсаторов.
Внутренняя компенсация предполагает уменьшение как потребления реактивной мощности, так и генерации высших гармоник тока посредством изменений в самом выпрямителе[18].
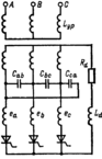
Эффективный способ компенсации реактивной мощности преобразовательных установок – создание компенсационного преобразовательного агрегата с искусственной коммутацией, который генерирует реактивную мощность.
Принципиальная схема такого устройства показана на рисунке 4.
Рисунок 4 – Принципиальная схема компенсационного преобразовательного агрегата
В данной схеме между фазами включена трехфазная группа конденсаторов (САВ, СВС, ССА), которая создает опережающий сдвиг по фазе тока относительно вектора напряжения. В обычной трехфазной схеме преобразования переход тока с одной фазы на другую происходит в момент, когда сравниваются напряжения этих фаз: UA=UB. В компенсационном преобразователе благодаря действию конденсатора коммутация происходит раньше, в момент, когда UA = UB + UABемк, где UABемк – напряжение на конденсаторе САВ.
Регулируя емкость конденсатора, можно изменять в требуемых пределах значение UABемк и этим добиться коммутации тока при меньшем значении напряжения фазы UB и при меньшем угле коммутации. Ток фазы будет опережать напряжение, и преобразователь будет генерировать реактивную мощность в сеть[22].
Проблема несинусоидальности – проблема высших гармоник – возникла в последнее время в связи с применением мощных электроприемников с нелинейной вольт-амперной характеристикой, таких, как электросварка, дуговые сталеплавильные печи, неуправляемые и, особенно, управляемые вентильные преобразователи. В настоящее время проблема высших гармоник является одной из важных частей общей проблемы электромагнитной совместимости приемников электроэнергии с питающей электрической сетью.
В электрических сетях промышленных предприятий со значительным удельным весом вентильных преобразователей несинусоидальность формы кривой напряжения может значительно превышать нормируемые ГОСТ пределы.
Для тиристорных преобразователей порядок высших гармоник определяется по формуле
n = mk 1,
где m – число фаз выпрямления; k – натуральный ряд чисел.
При 6-фазной схеме выпрямления n = 5, 7, 11, 13, 17, 19, 23, 25, и т.д.
При 12-фазной схеме n = 11, 13, 23, 25, 35, 37 и т.д.
При 24-фазной схеме выпрямления n = 23, 25, 47, 49, 71, 73 и т.д.[21].
Токи, потребляемые из питающей сети вентильными преобразователями, имеют обычно искаженную форму, а основная гармоника тока сдвинута по фазе в сторону отставания по отношению к напряжению питания. Это означает, что в питающей сети появляются высшие гармоники тока и, кроме того, из сети потребляется реактивная мощность. Это ведет к возрастанию потерь электроэнергии в питающей сети и к ухудшению качества энергии, подводимой к другим потребителям. В дополнение к этому в мощных устройствах с быстрым изменением угла задержки вентилей (например, в преобразователях, питающих приводные двигатели прокатных станов) возникают большие кратковременные набросы реактивной мощности, неблагоприятно влияющие на других потребителей.
Несинусоидальный ток в сопротивлениях питающей сети создает несинусоидальные падения напряжения так, что даже при синусоидальной ЭДС источника энергии в сети с выпрямительной нагрузкой имеют место несинусоидальные токи и напряжения. Таким образом, нагрузка потребляет из питающей сети искаженный ток, в состав которого входят гармоники, с частотами, превышающими основную частоту. Падения напряжения, обусловленные этими токами, вызывают искажение кривой напряжения питания, что ведет к дополнительным потерям передаваемой мощности, может нарушить работу других приемников, создает опасность возникновения резонанса и перегрузку цепей, содержащих емкости. Поэтому выпрямительную нагрузку можно рассматривать как генератор высших гармонических напряжения. Вышесказанное объясняет необходимость применения устройств, противодействующих искажению тока, потребляемого из питающей сети[5,17].
Высшие гармоники оказывают отрицательное влияние на технологический процесс и режим работы электролизеров и т. п. Наличие пульсирующего напряжения с большим содержанием высших гармоник способствует увеличению обратимых восстановительных процессов в электролите, влияет на подвижность ионов, перенос заряда и, следовательно, приводит к снижению коэффициента полезного действия электролизных установок, ухудшению качества продукции.
При прохождении токов высших гармоник по элементам системы электроснабжения возникают дополнительные потери активной мощности и электроэнергии. Наибольшие дополнительные потери активной мощности имеют место в трансформаторах, двигателях и генераторах. В ряде случаев эти потери могут привести к недопустимому перегреву обмоток электрических машин и во всех случаях приводят к дополнительным потерям электрической энергии.
При наличии гармоник в кривой напряжения процесс старения изоляции протекает более интенсивно, что объясняется ускорением при высоких частотах электрического поля физико-химических процессов в диэлектриках, обусловливающих их старение.
Высшие гармоники тока и напряжения влияют на погрешности электроизмерительных приборов. В практике эксплуатации существенное значение имеет увеличение погрешностей индукционных счетчиков активной и реактивной энергии. В большинстве случаев эти приборы при несинусоидальных напряжениях и токах имеют довольно большую погрешность, которая может достигать 10%. Значения этих погрешностей существенно отражаются при учете потребления электрической энергии.
Наличие высших гармоник затрудняет и в ряде случаев делает невозможным использование силовых цепей в качестве каналов для передачи информации. Высшие гармоники ухудшают работу телемеханических устройств, вызывают сбои в их работе, если силовые цепи используются в качестве каналов связи.
Несинусоидальность формы кривой напряжения отрицательно сказывается и на работе вентильных преобразователей, ухудшая качество выпрямления тока.
















