151450 (594690), страница 5
Текст из файла (страница 5)
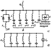
Рисунок 7 – Схма подключения конденсатора к преобразовательному трансформатору (а) и схема замещения (б)[1]
На рисунках 8–10 показаны напряжение питающей сети и токи батареи конденсаторов различной мощности, подключенных для компенсации реактивной мощности к вентильной нагрузке.
Рисунок 8 – Осциллограммы, полученные на физической модели (рис. 7): а – фазного напряжения в точке 1; б – тока в конденсаторной батарее (С = 1 мкФ)
В токе конденсаторной батареи І1 = 100 %, І7 = 50 %, І11 = 60 %, І13 = 50 %, І17= 60 %, І19 = 60 %, І29 = 60 %, І35 = 60 %, І37 = 140 %, І55 = 125 %, І59 = 160 %, І61 = = 140%, І71 = 125 % І1. Перегрузка конденсатора по току составляет 370 %, КНС = = 16 %.
Здесь же даны уровни отдельных гармоник тока, протекающих через конденсаторную батарею, и общая перегрузка конденсаторов токами высших гармоник.
Рисунок 9 – Осциллограммы, полученные на физической модели (рис.7): а – фазного напряжения в точке 1, КНС = 38 %;б – тока в конденсаторной батарее (С = 15 мкФ)
В токе конденсаторной батареи І1 = 100 %, І7 = 90 %, І11 = 250 %, І13 = 225 %, І17= 70 %, І19 = 80 % І1. Перегрузка конденсатора по току составляет 400 %.
Рисунок 10 – Осциллограммы, полученные на физической модели (рис.7): а – тока в конденсаторной батарее (С = 70 мкФ);б – фазного напряжения в точке 1, КНС = 44 %
В токе конденсаторной батареи І1 = 100 %, І5 = 160 %, І7 = 60 % І1. Перегрузка конденсатора по току составляет 200 %[22].
Таким образом, непосредственное применение батарей конденсаторов в целях компенсации реактивной мощности в сетях с вентильными нагрузками проблематично. В каждом конкретном случае необходим расчет токовой перегрузки батарей резонансной группой гармоник. В некоторых случаях такие расчеты необходимо производить до гармоник достаточно высокого порядка, особенно при малых емкостях конденсаторных батарей[6].
1.4.2 Особенности компенсации реактивной мощности в сетях со специфическими нагрузками
На основании указанного выше можно сделать вывод о том, что в сетях со специфическими нагрузками (к ним относят нелинейные, несимметричные и резкопеременные нагрузки) существуют определенные особенности компенсации реактивной мощности, которые заключаются в следующем:
-
Из-за низкого коэффициента мощности потребителей и резкопеременного характера нагрузки необходимо осуществлять компенсацию как постоянной, так и переменной составляющей реактивной мощности. Компенсация постоянной составляющей реактивной мощности необходима для улучшения cos и для уменьшения отклонений напряжения в питающей сети. Компенсация переменной составляющей реактивной мощности преследует цель уменьшения колебания напряжения в питающей сети.
-
Из-за быстрых изменений потребляемой реактивной мощности необходимо применение быстродействующих компенсирующих устройств, способных изменять регулирующую реактивную мощность со скоростью, соответствующей скорости наброса и сброса потребляемой реактивной мощности. Необходимое быстродействие таких компенсирующих устройств можно ориентировочно определить как dQ/dt = 100–2000 Мвар/с.
-
Из-за неравномерного потребления реактивной мощности по фазам необходимо и пофазное управление компенсирующими устройствами.
-
Ограничивается применение батарей конденсаторов для компенсации постоянной составляющей реактивной мощности в сети с резкопеременной вентильной нагрузкой. Это обусловлено наличием в сети высших гармоник тока и напряжения при работе нелинейных нагрузок. Высшие гармоники приводят к значительным перегрузкам батарей конденсаторов по току[12].
Вообще говоря, положение, сложившееся в стране с компенсацией реактивной мощности в электрических сетях, в том числе и в сетях, питающих преобразовательную технику, остается весьма напряженным. Компенсированность наших электрических сетей в 2–3 раза ниже, чем в развитых странах мира. Следует заметить, что решение этой задачи не является простым. С одной стороны это связано с большой потребностью и острым дефицитом конденсаторных батарей, а с другой стороны – с тем, что в условиях преобразовательных подстанций традиционный способ компенсации путем непосредственного включения конденсаторов в сеть сопровождается массовым выходом их из строя из-за перегрузки токами высших гармоник при возникновении резонансных явлений.
Не лучше дело обстоит и с гармоническим воздействием преобразовательных подстанций на питающие сети. На подавляющем числе предприятий указанных выше производств коэффициенты несинусоидальности напряжений и токов существенно превышают требования ГОСТ.
Основными техническими средствами компенсации реактивной мощности и улучшения спектров токов и напряжений на преобразовательных подстанциях являются:
а) синхронные компенсаторы;
б) тиристорные компенсаторы реактивной мощности;
в) пассивные фильтрокомпенсирующие устройства;
г) активные фильтры;
д) параметрические источники тока;
е) выпрямительные агрегаты с повышенными энергетическими показателями.
Несмотря на применение на ряде предприятий синхронных компенсаторов, интерес к этому способу компенсации в условиях преобразовательной нагрузки заметно упал.
Наоборот, во всем мире проводятся исследования и разработка статических (в основном тиристорных) компенсаторов реактивной мощности. Зачастую на эти же устройства дополнительно возлагаются функции фильтрации высших гармоник и снижения степени несимметрии питающих напряжений.
Повышенное внимание в настоящее время уделяется также совершенствованию схемных решений, методам расчета и вопросам практического применения фильтрокомпенсирующих устройств.
Новым направлением повышения качества напряжения в электрических сетях является использование активных силовых фильтров. Такие фильтры могут быть построены на базе схем типа инвертор тока с импульсной модуляцией интервалов проводимости вентилей; управляемых с помощью высокочастотной импульсной модуляции индуктивностей и емкостей; обращенного инвертора напряжения и др. В результате могут быть реализованы фильтры с перестраиваемыми параметрами и адаптивные фильтры, при необходимости и соответствующей установленной мощности решающие и проблему компенсации реактивной мощности.
Существенную роль в решении указанной выше проблемы способны сыграть индуктивно-емкостные преобразователи, в частности, параметрические источники тока. При преобразовании потребляемой из питающей сети энергии переменного тока в энергию стабилизированного постоянного тока в условиях изменения напряжения на нагрузке в широких пределах, когда в обычных преобразователях наблюдаются набросы реактивной мощности и заметные искажения сетевого тока, параметрический источник тока резко снижает указанный отрицательный эффект[16].
1.4.3 Статические тиристорные компенсаторы реактивной мощности
При наличии быстрых и резкопеременных нагрузок становится перспективным применение статических компенсаторов реактивной мощности, обеспечивающих возможность безынерционного регулирования реактивной мощности. При этом улучшаются условия статической устойчивости энергосистемы в целом, что обеспечивает дополнительную экономию за счет повышения технико-экономических показателей работы электроустановок.
Статические компенсаторы реактивной мощности (СКРМ) являются перспективным средством рациональной компенсации реактивной мощности в силу присущих им положительных свойств, таких, как быстродействующее регулирование, подавление колебаний напряжения, симметрирование нагрузок, отсутствие вращающихся частей, плавность регулирования реактивной мощности, выдаваемой в сеть. Кроме того, эти устройства могут осуществлять плавное и оптимальное распределение напряжений, обеспечивая тем самым снижение их потерь в распределительных электросетях[9].
На рисунке 11 приведены основные варианты статических компенсирующих устройств. Они содержат фильтры высших гармоник и регулируемый дроссель в различных исполнениях.
Рисунок 11 – Схемы статических компенсирующих устройств[6]
В настоящее время известно большое количество вариантов схем, которые разделяют на три группы:
-
мостовые источники реактивной мощности с индуктивным накопителем на стороне постоянного тока (рис. 11,а);
-
реакторы насыщения с нелинейной вольт-амперной характеристикой (рис.11,б);
-
реакторы с линейной вольт-амперной характеристикой и последовательно включенными встречно-параллельными управляемыми вентилями (рис. 11,в).
СКРМ обеспечивают одновременно компенсацию реактивной мощности основной частоты, фильтрацию высших гармонических, компенсацию изменений напряжения, а также симметрирование напряжения сети. Они состоят из управляемой части, обеспечивающей регулирование реактивной мощности, и энергетических фильтров, обеспечивающих фильтрацию высших гармоник тока нелинейной нагрузки.
Статические компенсирующие устройства обладают следующими преимуществами:
-
высокое быстродействие изменения реактивной мощности;
-
достаточный диапазон регулирования реактивной мощности;
-
возможность регулирования и потребления реактивной мощности;
-
минимальные искажения питающего напряжения.
Основными элементами статических компенсирующих устройств являются конденсатор и дроссель – накопители электромагнитной энергии – и вентили (тиристоры), обеспечивающие ее быстрое преобразование.
Принцип работы статических источников реактивной мощности состоит в том, что выпрямленным током преобразователя индуктивность (реактор или дроссель с железом) заряжается магнитной энергией, которая инвертируется в сеть переменного тока с опережающим коэффициентом мощности[8].
В СКРМ при полном открывании вентилей реактивная мощность установки определяется разностью между мощностью, генерируемой фильтрами, и мощностью, потребляемой реакторами. По мере закрытия вентилей мощность, потребляемая реакторами, уменьшается, и при их полном закрытии мощность, генерируемая ИРМ, становится равной мощности фильтров.
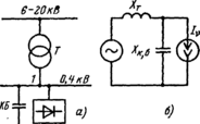
На рисунке 12,а показана однолинейная схема включения статического компенсирующего устройства с преобразовательной нагрузкой, а на рис. 12,б – ее расчетная схема замещения.
Рисунок 12 – Принципиальная схема присоединения СКРМ к системе электроснабжения (а) и расчетная схема замещения (б)[1]
В ряде случаев помимо резонансных цепей фильтров, настраиваемых на частоты доминирующих высших гармоник тока нагрузки, в состав ТКРМ вводят параллельно присоединяемые конденсаторные батареи для фильтрации гармоник, порядок которых выше частоты настройки резонансных фильтров.
Быстрое развитие мирового производства статических тиристорных компенсаторов (СТК) определяется их преимуществами по отношению к традиционным средствам компенсации реактивной мощности в решении ряда актуальных задач электроэнергетики. К числу таких задач относится необходимость компенсации реактивной мощности в местах потребления электроэнергии и на промежуточных подстанциях длинных линий с целью повышения стабильности напряжения у потребителей, снижения потерь в линиях электропередач и сетях электроснабжения потребителей, повышения пропускной способности электропередач.
Рост протяженности, мощности и класса напряжения дальних электропередач выдвигает в число важнейших задач обеспечение средствами компенсации ограничения внутренних перенапряжений, статической и динамической устойчивости, эффективности автоматических повторных включений (АВК)[14].
В отечественной практике для уменьшения колебаний напряжения применяются быстродействующие синхронные компенсаторы типа СК-10000-8 мощностью 7,7 Мвар на напряжение 10 кВ и мощностью 10 Мвар на напряжение 6 кВ. Максимальная скорость изменения реактивной мощности, выдаваемой в сеть, по данным завода составляет 130 Мвар/с, возможна кратковременная работа с 2-кратной перегрузкой. Компенсаторы успешно работают на некоторых металлургических заводах, в частности в системе электроснабжения станов горячего проката.
















