IZ1-5-Н (562372)
Текст из файла
4.1.2. Тепловое моделирование и расчет теплового режима блоков
цифрового РЭС на микросборках.
Блоки цифровых РЭС на микросборках обычно выполняются в виде конструкций книжного типа. Нагретая зона блока состоит из функциональных ячеек на металлических рамках, выполняющих функции несущих элементов конструкций и кондуктивных теплостоков.
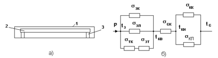
Процессы теплообмена можно представить тепловой моделью конструкций с источниками тепла, распределенными в объеме (см. рис.4.1).
Однако при определении тепловой проводимости между центром и поверхностью нагретой зоны
в конструкции ФЯ блока (см. рис.4.1, б) свойство "дальнего порядка" частично нарушается, поскольку не все элементы конструкции имеют одинаковые геометрические формы, не выполняется требование периодичности их размещения. Поэтому параметры модели нагретой зоны в виде однородного анизотропного тела получают на основе выбора в качестве элементарной тепловой ячейки функциональной ячейки микроблока ( система с "ближним порядком" ).
Как видно из рис. 3.7 тепло по направлению Х в конструкции ФЯ и блока передается преимущественно через боковые ребра жесткости рамки A и печатную плату B. Другие элементы конструкции, обладающие относительно высокими коэффициентами теплопроводности, включены последовательно с воздушными прослойками (
=0.025 Вт/(моС)). Аналогичен механизм передачи тепла через элементы конструкции ФЯ в направлении Y. Основными цепями переноса тепла являются верхнее C и нижнее D ребра жесткости.
По направлению Z тепло в пределах ФЯ передается через винты, стягивающие ячейки в пакет, через ребра жесткости рамки A и C, по которым осуществляется тепловой контакт между ячейками в пакете.
Таким образом, тепловые проводимости ФЯ по направлениям осей координат:
где
- коэффициент теплопроводности материала рамки;
,
,
- площади поперечного сечения соответствующих ребер жесткости рамки;
,
- длины ребер жесткости;
- коэффициент теплопроводности материала стягивающих винтов;
- суммарная площадь поперечного сечения винтов;
- площадь теплового контакта между рамками ФЯ;
- длина винта в пределах рамки или высота рамки. Тепловые проводимости нагретой зоны по направлениям осей координат:
где m - число функциональных ячеек в блоке.
Эквивалентные коэффициенты теплопроводности нагретой зоны по направлениям координат:
где
,
,
- геометрические размеры нагретой зоны по направлениям координат.
Эквивалентные размеры нагретой зоны для
=
:
Через отношения
/
и
/
по графикам рис. 4.2 находят коэффициент формы нагретой зоны , после чего можно определить тепловую проводимость между центром и поверхностью нагретой зоны
4.1.3. Тепловое моделирование и расчет теплового режима конструкций РЭС с источниками тепла, расположенными в плоскости
Модель распространяется на конструкции блоков и модулей РЭС, выполненных на одной плате, размещенной в корпусе.
Упрощенное изображение конструкции приведено на рис. 4.5, а; а тепловая схема на рис.4.5, б. Особенностью таких конструкций является распределение источников тепла в одной плоскости. Механизм теплообмена и тепловая модель в целом аналогичны конструкциям РЭС с источниками тепла, распределенными в объеме (см. рис.4.1).
Однако размещение тепловыделяющих элементов в плоскости дает возможность при оценке теплового режима ограничиться расчетом среднеповерхностной температуры нагретой зоны, которая с небольшой погрешностью может быть принята в качестве характеристики теплового режима элементов. Структура тепловых проводимостей на тепловых схемах рис.4.1 и рис.4.5 полностью совпадает.
4.1.4. Тепловое моделирование и расчет теплового режима конструкций РЭС с естественной вентиляцией
Естественная вентиляция в конструкциях организуется путем перфорации кожухов, что обеспечивает естественное подтекание холодного воздуха к тепловыделяющим элементам и тем самым повышает эффективность теплообмена.
Интенсивность свободной конвекции с притоком воздуха извне характеризуется коэффициентом перфорации:
=
/(
),
где
- суммарная площадь отверстий в нижней стенке кожуха на входе в блок,
,
- геометрические размеры стенки.
Обычно коэффициент перфорации
=0.05...0.1. Входные и выходные отверстия в кожухе выполняются напротив нагретой зоны плат, причем суммарная площадь выходных отверстий в 1.5...2 раза больше
.
Показатели теплового режима блока с перфорированным кожухом могут быть найдены, если известны показатели для блока с естественным воздушным охлаждением без притока воздуха:
График зависимости
от коэффициента перфорации приведен на рис.4.6.
Таким образом, конструкции блоков с естественной вентиляцией можно представить тепловыми моделями блоков с глухими кожухами и после расчета показателей теплового режима ввести поправку на
Рис.4.6 естественную вентиляцию.
4.1.5. Тепловое моделирование конструкций с тепловыделяющими
элементами, размещенными на металлических основаниях
Данный класс конструкций объединяет конструкции аналоговой МЭА на микросборках. Типичный представитель - конструкции в корпусах типа "пенал". Упрощенное изображение конструкции приведено на рис.4.7, а.
Бескорпусные микросборки 1 размещены на металлическом основании 2, которое устанавливается в корпус 3. Характерная особенность конструкций - передача тепла от элементов микросборок к корпусу преимущественно теплопроводностью через внутреннюю тепловую проводимость тепловыделяющих элементов
, тепловую проводимость подложки микросборки
и проводимость клеевого соединения
подложки микросборки и основания. Основание и корпус можно принять за изотермические поверхности. Передача тепла с поверхности корпуса окружающей среде осуществляется конвекцией и излучением. При условии, что в пределах каждой из n микросборок отсутствует взаимное тепловое влияние между элементами (предусмотрены зоны тепловой защиты элементов) тепловая схема процесса теплообмена в конструкции может быть представлена в виде рис.4.7, б.
Рис.4.7
Критериальными оценками теплового режима конструкции является температура наиболее теплонагруженного или наименее теплостойкого элемента. Температура i-го элемента расположенного на j-й подложке может быть найдена, как
где
- тепловой поток i-го элемента j-ой подложки,
- суммарный тепловой поток, выделяемый элементами j-й микросборки, m - число элементов на подложке j-й микросборки, n - число микросборок.
Рис.4.8 Исходя из способа установ-
ки кристалла на подложке
(рис.4.8, а) тепло от активной области кристалла стекает на подложку 3 через кристалл 1 (
) слой клея 2 (
) и выводы 4 (
). При известных геометрических размерах элементов и коэффициентах теплопроводности материалов определение проводимостей кондуктивной теплопередачи не вызовет затруднений.
Справочные материалы для расчета тепловых режимов РЭС приведены в прил. 8.
4.2. Оценка вибропрочности планарных конструкций
Конструкция считается вибропрочной, если в ней отсутствуют механические резонансы, а допустимая виброперегрузка на резонансной частоте превышает перегрузку, указанную в техническом задании на изделие.
Отсутствие в конструкциях механических резонансов характеризуется следующим соотношением частоты свободных колебаний
любого элемента конструкции и верхней частоты
диапазона внешних вибрационных воздействий:
.
Допустимая величина вибрационной перегрузки рассчитывается по формулам:
=
;
=
;
где
- допустимая величина прогиба упругого элемента конструкции;
- допустимая виброскорость; m - коэффициент динамичности конструкции.
Таким образом, оценка вибропрочности конструкции сводится к расчету частоты свободных колебаний
и допустимой величины виброперегрузки.
Основной расчетной моделью планарных конструкций служит прямоугольная пластина при определенных условиях на сторонах. Частота свободных колебаний основного тона прямоугольной пластины определяется по формуле:
где С - частотная постоянная; h - толщина пластины, мм; а - большая сторона пластины, мм;
- поправочный коэффициент на материал пластины,
- модуль упругости материала пластины и стали,
- плотность материала пластины и стали,
- поправочный коэффициент на нагружение пластины равномерно размещенными на ней элементами,
- масса элементов;
- масса пластины.
Значение частотной постоянной C для некоторых условий на сторонах (схем закрепления пластины) приведены в прил.9.
Построение расчетных моделей планарных конструкций производится на основе анализа реальных конструкций, выявления характерных особенностей, оказывающих существенное влияние на динамические процессы при вибрации.
Функциональную ячейку на печатной плате, закрепляемую в четырех точках по углам (рис.4.9, а), представляют расчетной моделью пластины, равномерно нагруженной радиоэлементами, со свободным опиранием всех сторон (рис.4.9, б).Принятый способ закрепления обосновывается тем, что при изгибных колебаниях основного тона вдоль каждой из сторон пластины ук- Рис.4.9
Характеристики
Тип файла документ
Документы такого типа открываются такими программами, как Microsoft Office Word на компьютерах Windows, Apple Pages на компьютерах Mac, Open Office - бесплатная альтернатива на различных платформах, в том числе Linux. Наиболее простым и современным решением будут Google документы, так как открываются онлайн без скачивания прямо в браузере на любой платформе. Существуют российские качественные аналоги, например от Яндекса.
Будьте внимательны на мобильных устройствах, так как там используются упрощённый функционал даже в официальном приложении от Microsoft, поэтому для просмотра скачивайте PDF-версию. А если нужно редактировать файл, то используйте оригинальный файл.
Файлы такого типа обычно разбиты на страницы, а текст может быть форматированным (жирный, курсив, выбор шрифта, таблицы и т.п.), а также в него можно добавлять изображения. Формат идеально подходит для рефератов, докладов и РПЗ курсовых проектов, которые необходимо распечатать. Кстати перед печатью также сохраняйте файл в PDF, так как принтер может начудить со шрифтами.
















