IZ1-5-Н (562372), страница 2
Текст из файла (страница 2)
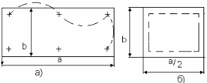
Расчетной моделью ФЯ на печатной плате с размерами сторон a и b, закрепленной в шести точках по контуру (рис.4.10, а), служит прямоугольная пла-
Рис.4.10 стина с размерами
сторон a/2 , b свободно опирающаяся по контуру, с равномерно распределенной нагрузкой (рис.4.10, б).Основной тон свободных колебаний определяется полуволной, укладывающейся вдоль сторон (a) и (b) пластины.
Конструкция функциональной ячейки блока разъемного типа (рис.4.11, а) может быть представлена расчетной моделью в виде нагруженной прямоугольной пластины 1 с жестким закреплением сторон, на которых установлены контрольная колодка 3 и электрический соединитель 2, и свободным опиранием двух других сторон (рис.4.11, б).
Рис. 4.11.
Принятая схема закрепления обосновывается тем, что электрический соединитель и контрольная колодка по сравнению с печатной платой имеют значительно большую жесткость на изгиб, а расстояние между стенками направляющих, с помощью которых плата устанавливается в блоке, в большинстве случаев существенно превышает толщину печатной платы. Каркасные конструкции функциональных ячеек (печатная плата закреплена на рамке по контуру) обычно моделируют пластиной с жестким закреплением всех сторон. Другой подход к построению расчетных моделей таких конструкций состоит в следующем.
Функциональную ячейку представляют сложной конструкцией, жёсткость которой на изгиб (цилиндрическая жёсткость) определяется как
D =
+
, где
,
- соответственно цилиндрическая жёсткость платы и рамки.
Расчёт цилиндрической жёсткости платы производится по формуле
где E -модуль упругости материала, J - момент инерции сечения платы, b - ширина платы,
- коэффициент Пуассона материала.
Значение
можно найти по той же формуле. Однако момент инерции сечения рамки определяют как сумму осевых и центробежных моментов элементарных сечений правильной геометрической формы, на которые разбивается сечение рамки:
где
- соответственно осевой и центробежный момент i-го элементарного сечения,
- его площадь,
- расстояние в плоскости изгиба сечения между центрами тяжести i-го элементарного сечения и сечения рамки (см. рис.4.12).
Рис. 4.12
Соотношение для расчета осевых моментов инерции сечений простейших геометрических форм и координат центра тяжести приведены в прил.9.
При выборе сечения рамки необходимо исходить из принципа наихудшего случая: жёсткость конструкции на изгиб в сечении должна быть минимальной, что позволит найти самую низкую частоту свободных колебаний ячейки.
Расчет частоты свободных колебаний ФЯ на металлической рамке производится по формуле:
где
- коэффициент, зависящий от схемы закрепления пластины, соотношения сторон и номера тона колебаний i; m - масса пластины, приведенная к площади;
- коэффициент, учитывающий нагрузку пластины размещенными на ней элементами.
Коэффициент
для основного тона колебаний в случае закрепления пластины в четырёх или шести точках по периметру может быть найден по формуле
,
где a, b - длина и ширина пластины.
4.3. Оценка герметичности конструкций РЭС
Разработку герметичных конструкций РЭС необходимо завершать оценкой герметичности.
Герметичность конструкций принято характеризовать истечением газа из внутреннего объема блока, количественно выраженным величиной допустимой суммарной течи:
где Q - допустимый поток вытекающего газа, дм3Па/с;
- давление окружающей среды, Па; P - давление внутри блока, Па;
,
- соответственно вязкость газа, заполняющего конструкцию, и вязкость воздуха, Пас; K - коэффициент запаса (К=0,1).
Допустимый поток газа Q определяется по формуле
,
где V - объем блока;
,
- соответственно начальное и конечное давление внутри блока;
- время, за которое давление
уменьшится до значения
.
Приняты следующие нормы допустимой суммарной течи: для блоков с внутренним объемом (в дм3Па/с):
Оценка герметичности состоит в определении значения В и сравнении его с принятым для блоков данного объема или нахождении по заданной величине В времени
, в течение которого обеспечивается герметичность блока.
4.4. Расчет прочности герметичных конструкций
Под действием внутреннего избыточного давления стенки корпуса герметичных конструкций РЭС прогибаются, в материале возникают изгибные напряжения. Условие прочности корпуса выполняется, если напряжение в материале не превышает допустимого, т.е.
<
. Проверка этого условия производится для стенки с максимальными размерами. Расчетной моделью стенки служит пластина с размерами a и b (a>b), жестко закрепленными по всем сторонам (рис.4.13).
Напряжение в материале
и статический прогиб в центре стенки z определяются по формулам:
, (4.1)
Рис. 24.
Если в (4.1) подставить значение
, то можно найти минимальное значение толщины стенки корпуса h, обе- Рис.4.13
спечивающее прочность конструкции.
Через величину h по формуле (4.2) определяется статический прогиб z в центре стенки.
Таблица 4.1
| a / b | 1 | 1,1 | 1,2 | 1,3 | 1,4 | 1,5 |
|
| 0,3102 | 0,3324 | 0,3672 | 0,4008 | 0,4284 | 0,4518 |
|
| 0,0138 | 0,0165 | 0,0191 | 0,0210 | 0,0227 | 0,0241 |
4.5. Расчеты по обеспечению электромагнитной совместимости
в конструкциях РЭС
Электромагнитная совместимость (ЭМС) радиоэлектронного средства - это его способность функционировать совместно с другими техническими средствами в условиях возможного влияния непреднамеренных помех, не создавая при этом недопустимых помех другим средствам.
К конструктивным мерам обеспечения ЭМС относятся экранирование и разработка рационального электрического монтажа, способствующего снижению уровня перекрестных и кондуктивных помех.
Экранирование является средством ослабления электромагнитного поля в пределах ограниченного пространства с помощью экрана из проводящего и (или) обладающего высокой магнитной проницаемостью материала, чаще всего металла. Экраны выполняются в виде замкнутого кожуха прямоугольной, цилиндрической или сферической формы (электромагнитные, магнитостатические и некоторые электростатические экраны), либо в виде металлической пластины, размещаемой между источником и приемником помехи (электростатические экраны). Если по условиям работоспособности узла известны напряженности магнитного Hп и электрического Eп, поля, то требуемая эффективность экранирования определяется выражением
Э=20 lg (Нп/Нд), Э=20 lg (Еп/Ед), дБ, (4.3)
где Нд и Ед - допустимые уровни напряженности магнитного и электрического поля.
4.5.1. Электромагнитное экранирование
Эффективность сплошного электромагнитного экрана в дальней зоне определяется по формуле [12]:
Э = 20lgch(kd) + 20lg1+ 0,5[(Zв/Zэ) + (Zэ/Zв) th(kd), дБ, (4.4)
где d - толщина стенки экрана, м; Z в - характеристическое сопротивления окружающего пространства (для воздуха Z в=377 Ом); k - коэффициент распространения волны в металле; k= (1+ j)
,
- частота, рад/с;
и
- магнитная проницаемость и проводимость материала экрана соответственно; Z э= (1+ j)
- характеристическое сопротивление материала экрана.
При расчете экранирования в ближней зоне, когда расстояние до источника помехи сравнимо с длиной волны помехи, используют формулу (4.4), но значение Z в зависит от преобладающей составляющей поля помехи и от формы и размеров экрана:
при экранировании электрической составляющей поля
где - диэлектрическая проницаемость среды,
при экранировании магнитной составляющей поля
Здесь под величиной r (в метрах) понимают диаметр цилиндрического экрана, радиус сферического экрана либо величину, равную
для прямоугольного экрана (
- ширина параллелепипеда).
4.5.2. Электростатическое и магнитостатическое экранирование
Когда источник и приемник помех находятся в непосредственной близости друг от друга, электрическое и магнитное поля действуют независимо. Источником (и приемником) магнитной помехи может являться любой проводник, по которому протекает ток. Источником электрической помехи будет любой проводник, находящийся под переменным потенциалом.
Для защиты от магнитных помех применяют экраны из материалов с высокой магнитной проницаемостью, эффективность которых [12] рассчитывают из выражения
















