IZ-П3-2 (562354)
Текст из файла
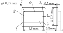
Рис. П3.1. Рис. П3.2.
| Вывод | назначение | Вывод | назначение | Вывод | назначение | Вывод | назначение | |
| 1 | вх. иинверт. | 8 | Выход | 1 | Баланс | 6 | - Uпит | |
| 3 | вых. неинверт. | 10 | - Uпит | 2 | Баланс | 8 | Выход | |
| 4 | + Uпит | 13 | Баланс | 3 | вх. иинверт. | 9 | + Uпит | |
| 5 | Баланс | 4 | вых. неинверт. |
Масса микросхем
Б744УД1,2...0,015 г.
Б740УД5 ... 0,0006 г.
Б740УД1А,Б ... 0,01 г.
Б740УД4 ... 0,006 г
Рис. П3.5
| Вы-вод | назначение | Вы-вод | назначение |
| 1 | Баланс | 5 | Выход |
| 2 | вх. иинверт. | 7 | + Uпит |
| 3 | вых. неинверт. | 8 | Баланс |
| 4 | - Uпит |
Рис. П3.6
Масса0,022 Масса0,04 Масса0,05
Рис. П3.7 Рис. П3.8 Рис. П3.9
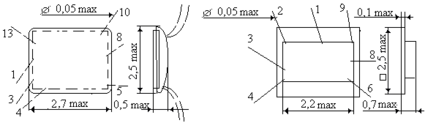
Рис. П3. 10 Масса с рамкой не более 0,06 г.
Рис. П3.11
| Вывод | Назначение | Вывод | Назначение | ||
| 2 | Эмиттерный выход | 6 | Балансировка | ||
| 3 | вх. неинверт. | 7 | Стробирование, баланс | ||
| 4 | вх. иинверт. | 8 | коллекторный выход | ||
| 5 | - Uпит | 1 | + Uпит |
Рис. П3.12
88
Характеристики
Тип файла документ
Документы такого типа открываются такими программами, как Microsoft Office Word на компьютерах Windows, Apple Pages на компьютерах Mac, Open Office - бесплатная альтернатива на различных платформах, в том числе Linux. Наиболее простым и современным решением будут Google документы, так как открываются онлайн без скачивания прямо в браузере на любой платформе. Существуют российские качественные аналоги, например от Яндекса.
Будьте внимательны на мобильных устройствах, так как там используются упрощённый функционал даже в официальном приложении от Microsoft, поэтому для просмотра скачивайте PDF-версию. А если нужно редактировать файл, то используйте оригинальный файл.
Файлы такого типа обычно разбиты на страницы, а текст может быть форматированным (жирный, курсив, выбор шрифта, таблицы и т.п.), а также в него можно добавлять изображения. Формат идеально подходит для рефератов, докладов и РПЗ курсовых проектов, которые необходимо распечатать. Кстати перед печатью также сохраняйте файл в PDF, так как принтер может начудить со шрифтами.
















