IZ1-3-Н (562371)
Текст из файла
2.5.3.Составление коммутационной схемы МСБ и выбор подложки
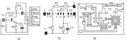
Коммутационная схема представляет собой графическое изображение электрического соединения элементов и компонентов МСБ. В отличие от схемы электрической принципиальной на коммутационной схеме внешние электрические цепи МСБ и компоненты заменяются контактными площадками. Составление коммутационной схемы предшествует разработке топологического чертежа МСБ, поскольку коммутационная схема содержит информацию о количестве контактных площадок, о расположении внешних контактных площадок, о рациональном взаимном расположении элементов и компонентов МСБ, о возможности выполнения проводников в одном слое.
Пример составления коммутационной схемы МСБ транзисторного усилителя по схеме электрической принципиальной (рис.2.2,а) приведен на рис.2.2,б.
Рис.2.2
Для выбора типоразмера подложки необходимо найти ее площадь Sп = qs (SR + SC + SН +SK), где qs = 1,5...2,5 - коэффициент дезинтеграции площади, SR , SC , SН , SK - соответственно площади, занимаемые тонкопленочными резисторами, тонкопленочными конденсаторами, навесными компонентами и контактными площадками. Площади SR и SC находят в результате расчета тонкопленочных элементов, SН - по справочным данным на выбранные компоненты. При расчете площади контактных площадок необходимо учитывать, что внешние контактные площадки выполняются размером 1 1 мм и более. Размеры внутренних контактных площадок определяются видом монтажного соединения (пайка, сварка), типом применяемого монтажного инструмента, конструкцией выводов навесного компонента (металлизированная поверхность, гибкие проволочные и ленточные выводы и т. д.). При сварке гибких выводов средние размеры контактных площадок 0,2 0,3 мм, при пайке 0,3 0,4 мм. Контактные площадки под пайку конденсаторов К10-9, К10-17, К22-4 устанавливаются согласно ОСТ 4 ГО.010.214. Рекомендации по установке компонентов даны в [6, 12].
По найденной площади подложки из табл.2.4, в которой приведены рекомендуемые габаритные размеры подложек, выбирают типоразмер с площадью S Sп.
Таблица 2.4
| N типоразмера | 1 | 2 | 3 | 4 | 5 | 6 | 7 | 8 | 9 | 10 |
| Ширина, мм | 96 | 60 | 48 | 30 | 24 | 20 | 16 | 12 | 10 | 10 |
| Длина, мм | 120 | 96 | 60 | 48 | 30 | 24 | 20 | 16 | 16 | 12 |
| N типоразмера | 11 | 12 | 13 | 14 | 15 | 16 | 17 | 18 | 19 | 20 |
| Ширина, мм | 5 | 2,5 | 16 | 32 | 8 | 8 | 24 | 15 | 20 | - - |
| Длина, мм | 6 | 4 | 60 | 60 | 15 | 10 | 60 | 48 | 45 | - - |
Следует иметь в виду, что подложки типоразмеров 3...10 предназначены для использования в стандартных корпусах интегральных микросхем, остальные - в бескорпусных МСБ. Толщина подложек 0,5+0,1 мм. Неперпендикулярность сторон подложки после резки должна быть не более 0,1 мм.
В качестве материалов подложек МСБ, работающих в диапазоне низких и высоких частот, широко используется ситалл СТ50-1, СТ32-1 (ОСТ 11. 094.022-75).
2.5.4. Разработка топологического чертежа МСБ
Топологическим называют чертеж, определяющий взаимное расположение всех элементов МСБ и их соединение на плате (подложке) согласно электрической принципиальной схеме с учетом технологии изготовления. Как правило, топологические чертежи выполняют на нескольких листах: на первом изображается подложка со всеми нанесенными на нее слоями (элементы, соединения, контактные площадки и т. п.), на последующих дается изображение отдельных слоев. По топологическим чертежам изготавливаются маски или фотошаблоны для формирования тонкопленочных элементов.
На первом листе указывают позиционные обозначения элементов МСБ в соответствии с электрической принципиальной схемой и номерами контактных площадок. Нумерация внешних контактных площадок начинается с левого нижнего угла подложки в направлении против часовой стрелки.
Внутренние контактные площадки нумеруют последующими порядковыми номерами сверху вниз в направлении слева направо. На чертеже помещают таблицу, отображающую последовательность формирования слоев МСБ и характеристики использованных материалов, таблицы с электрическими характеристиками и данными по изготовлению отдельных слоев. Размеры таблиц произвольные, допускается введение в таблицу дополнительных граф. На топологических чертежах помещают технические требования на изготовление платы МСБ. Пример схематизированного (без соблюдения масштаба) топологического чертежа МСБ транзисторного усилителя приведен на рис.2.2,в, последовательность формирования слоев МСБ представлена в табл.2.5: резисторы, проводники и контактные площадки, нижние обкладки конденсаторов, диэлектрик конденсаторов, верхние обкладки конденсаторов, защитный слой диэлектрика.
Для улучшения адгезии под тонкопленочные проводники, контактные площадки, нижние обкладки из золота (Зл.999,9 ГОСТ 6.835-72), меди (МБ ТУ11.ЯеО.021.040-72), алюминия (А99 ГОСТ 11069-74) наносится подслой из хрома (ЭРХ ЧМТУ 4-30-70), нихрома (Х20СН80 ГОСТ 12766-67) или ванадия (ТУ 48-05-53-71) толщиной 200...500 А°. Для технологической защиты нанесенных на подложку слоев применяют двуокись кремния (ГОСТ 6880-73), фоторезист негативный (ФН-11 ТУ 6-14-631-71), полиимидные лаки. Указанные материалы используются также для межслойной изоляции.
Таблица 2.5.
| Условное обозначе-ние | Наименова-ние слоя | Наименование и марка мате- риала слоя | ГОСТ, ТУ материала слоя | Тол-щина, | Примечание |
| | Резисторы | Сплав РС-3710 | ГОСТ 22025-76 | 1000 | - |
| | Проводники, контактные площадки | Золото Зл 999,9 | ГОСТ 6.835-72 | 500 | Подслой хромаЭРХ,тол-щина 300 |
| | Нижняя обкладка конденсатора | Алюминий А99 | ГОСТ 11069-74 | 1000 | - |
| | Диэлектрик | Моноокись кремния | К0.028.004.ТУ | 10000 | - |
| | Верхняя обкладка кон-денсатора | Алюминий А99 | ГОСТ 11069-74 | 1000 | - |
| Защитный слой | Фоторезист ФН-11 | ТУ 6-14-631-71 | 2мкм | Кроме кон-тактных пло- щадок 1...11 |
Размеры элементов и их расположение на послойных топологических чертежах задают координатами положения вершин всех элементов, занесенных в таблицу размеров слоя. Нумерацию вершин в пределах каждого элемента начинают с крайней левой нижней вершины, имеющей наименьшее значение координаты Х, и продолжают по часовой стрелке. Нумерацию вершин элементов в пределах слоя - с нижнего левого элемента с переходом к следующему ближнему по направлению снизу вверх и слева направо. При большом числе элементов в слое им может быть присвоено буквенное обозначение.
Топология МСБ изображается в масштабе 10:1 или 20:1 в координатной сетке. Шаг координатной сетки равен 0,1 мм, допускается применение шага 0,05 и 0,01 мм. Изображение линий координатной сетки на топологическом чертеже может быть заменено обозначением номера линий сетки (0, 1, 2,... или 0, 5, 10,...). Нумерацию линий начинают от левого нижнего угла подложки.
При разработке топологического чертежа учитываются конструкторско-технологические ограничения, характерные для выбранного метода формирования конфигурации элементов[5, 7]. Более подробно правила оформления топологического чертежа и содержание технических требований изложены в [6].
2.6. Разработка конструкции корпусной МСБ
Использование индивидуального корпуса МСБ обеспечивает ее защиту от дестабилизирующих факторов внешней среды и позволяет достигнуть высоких показателей технологичности конструкции МСБ в целом. Для корпусирования МСБ широкое распространение получили прямоугольные металлостеклянные корпуса типа 1 по ГОСТ 17467-79. На рис.2.3 в качестве примера приведен эскиз стандартного металлостеклянного корпуса 151.15-2. Конструктивно-технологический характеристики корпусов для герметизации МСБ приведены в табл. 2.6.
Характеристики
Тип файла документ
Документы такого типа открываются такими программами, как Microsoft Office Word на компьютерах Windows, Apple Pages на компьютерах Mac, Open Office - бесплатная альтернатива на различных платформах, в том числе Linux. Наиболее простым и современным решением будут Google документы, так как открываются онлайн без скачивания прямо в браузере на любой платформе. Существуют российские качественные аналоги, например от Яндекса.
Будьте внимательны на мобильных устройствах, так как там используются упрощённый функционал даже в официальном приложении от Microsoft, поэтому для просмотра скачивайте PDF-версию. А если нужно редактировать файл, то используйте оригинальный файл.
Файлы такого типа обычно разбиты на страницы, а текст может быть форматированным (жирный, курсив, выбор шрифта, таблицы и т.п.), а также в него можно добавлять изображения. Формат идеально подходит для рефератов, докладов и РПЗ курсовых проектов, которые необходимо распечатать. Кстати перед печатью также сохраняйте файл в PDF, так как принтер может начудить со шрифтами.















