IZ1-3-Н (562371), страница 5
Текст из файла (страница 5)
где
- отношение диаметра металлизированного отверстия к толщине платы;
- толщина печатной платы.
Минимальный диаметр монтажного отверстия
:
где
- диаметр вывода радиоэлемента,
= 0,4...0,6 мм - зазор между поверхностью вывода и поверхностью отверстия,
= 0,05...0,06 мм - толщина гальванически осаждаемой меди,
= 0,12 мм - погрешность диаметра отверстия.
Предпочтительные диаметры переходных отверстий
= 0,7; 0,9; 1,1 мм; монтажных отверстий
= 0,7; 0,9; 1,1; 1,3; 1,5 мм.
Минимальный диаметр контактной площадки
:
где
= 0,07 мм - погрешность расположения отверстия;
= 0,15 мм - погрешность расположения контактной площадки;
= 0,06 - погрешность фотокопии и фотошаблона;
- толщина фольги на диэлектрическом основании.
Минимальная ширина проводника
:
минимальное расстояние между проводниками:
Sпр = lол - (tпр + 2сп) ,
где lол - расстояние между осевыми линиями проводников,
=0,05 мм - погрешность смещения проводников.
Если полученное значение
S для выбранного класса точности платы (табл.3.1), то расстояние lол увеличивается.
Электрическое сопротивление печатных проводников должно быть таким, чтобы падение напряжения на проводниках не превышало некоторой допустимой величины. Поэтому после конструкторско-технологического расчета производится расчет площади поперечного сечения сигнальных проводников, проводников питания и земли.
Для сигнальных проводников печатных плат цифровых ФЯ требуемую площадь поперечного сечения находят по формуле:
Sc Il / Uпу ,
где
- удельное сопротивление проводника, I - протекающий по проводнику ток, l - длина проводника,
- запас помехоустойчивости цифровых ИС.
Для проводников питания и земли:
Sпз Il / (0,01...0,02)Uп ,
где
- напряжение питания. Для медной катаной фольги
=0,017 Ом мм2/м.
Запас помехоустойчивости цифровых ИС лежит в пределах 0,4...0,5 В.
Через площадь поперечного сечения и толщину фольги или электрохимически наращенной меди можно найти допустимую ширину печатных проводников
.
При использовании в конструкциях ФЯ электрических соединителей необходимо определить число контактов соединителя, с помощью которых подключаются внешние цепи питания и земли.
Число контактов
соединителя косвенного сочленения:
где
- диаметр вывода вилки (розетки) соединителя.
Для соединителя прямого сочленения:
/
,
где
- площадь контактирования в контактной паре соединителя.
В случае размещения ИС на плате в правильном порядке и схемой разводки цепей питания и земли в соответствии с рис.3.5, требуемая ширина проводников питания и земли может быть найдена по формуле:
где
- мощность, потребляемая интегральной микросхемой, n = nxny - число микросхем на плате.
Так как t зависит от соотношения числа микросхем в строке
и столбце
, то существует оптимальное размещение микросхем на плате, минимизирующее ширину проводников питания и земли. Условие оптимума, полученное из уравнения
записывается в виде
.
Рис.3.5
Через целочисленное значение
и общее число микросхем на плате n находят значение
, а по формуле (3.2) - минимальную ширину проводников
.
Конструкторская документация на печатные платы разрабатывается в соответствии с ГОСТ 2.417-78. Чертежи односторонних и двухсторонних печатных плат именуют "Плата печатная", а многослойных - "Плата печатная многослойная. Сборочный чертеж". Чертеж слоя многослойной печатной платы с проводящим рисунком именуют "Слой многослойной печатной платы". Основные требования к выполнению чертежей печатных плат изложены в [13].
3.5. Расчет геометрических размеров ФЯ и блоков
Типовая конструкция бескаркасной ФЯ блока разъемного типа на корпусных микросхемах приведена на рис. 3.6.
Несущим элементом конструкции служит печатная плата 1 с размерами
,
, на которой размещены корпусные микросхемы 2, вилка электрического соединителя 3 и металлический угольник 4 (лицевая панель, контрольная колодка). Как видно из рисунка, толщина ячейки
=
при условии, что
>
+
, где
- толщина печатной платы,
- высота вилки соединителя или элемента с максимальной высотой. Если
<
+
или угольник в конструкции отсутствует, то
=
+
.
Рис.3.6
Для конструкций ФЯ с печатными контактами соединителя при наличии угольника
=
, при отсутствии: hя=
=
+
, где
- максимальная высота радиоэлемента, установленного на плате.
В конструкциях ФЯ блоков книжного типа в свободных углах платы монтируются распорные втулки высотой
, исключающие контактирование соседних плат в пакете ячеек. Поэтому толщина ФЯ равна
=
+
.
Габаритные размеры ФЯ в плане складываются из размеров платы
,
и размеров, выступающих за пределы платы элементов конструкции ФЯ: угольника, соединителя и др.
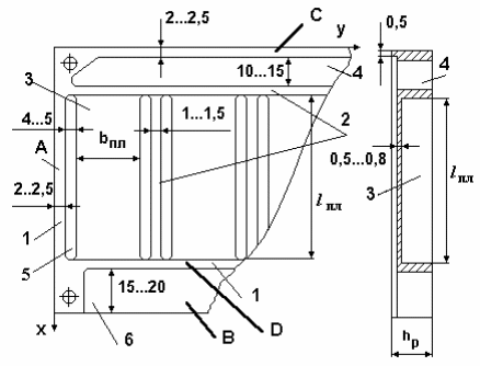
Размеры ФЯ цифровых РЭС на МСБ определяются размерами металлического основания (рамки). Фрагмент конструкции рамки односторонней ФЯ цифровых РЭС на МСБ с типовыми размерами основных элементов конструкции приведен на рис.3.7.
Жесткость рамки обеспечивается наружными 1 и внутренними 2 продольными и поперечными ребрами жесткости. Бескорпусные МСБ устанавливаются на планки 3. Окно 4 в верхней части рамки предназначено для монтажа на печатной плате навесных радиоэлементов, окна 5 - для соединения проволочных выводов МСБ с контактными площадками печатной платы. В зоне 6 рамки на печатной плате располагаются контактные площадки внешних электрических соединений ФЯ.
Рис.3.7
Высота односторонней ФЯ равна высоте рамки, которая может быть найдена как
где
- высота МСБ,
- толщина планки,
- толщина диэлектрической прокладки,
- толщина печатной платы,
- высота паек на печатной плате, hкл - суммарная толщина клеевых соединений,
- суммарная толщина воздушных зазоров, исключающих контактирование элементов соседних ФЯ.
Высота МСБ
=
+
, где
- толщина подложки,
- максимальная высота компонента, устанавливаемого на подложке.
Толщина диэлектрической прокладки между рамкой и печатной платой hпр обычно составляет 0,05...0,1 мм, толщина печатной платы hпп = 0,5...0,8 мм, высота паек на плате hп = 0,5...1 мм, толщина клеевой прослойки в одном соединении hкл = 0,05...0,1 мм.
Толщина воздушных прослоек между элементами соседних ФЯ определяется прогибом основания ячейки при механических воздействиях. С учетом высокой жесткости рамки на изгиб можно принять
= 1,5 мм на каждую сторону ячейки.
Расчет длины и ширины рамки производится по данным геометрических размеров и количества МСБ, размещаемых на рамке. По размерам и числу МСБ, устанавливаемых на одной планке, находят размеры планок, к которым добавляют размеры других элементов рамки (рис.3.7).
Ширина планки
=
- (2...3) мм, где
- ширина МСБ.
Длина планки lпл = nlМСБ + (n + 1)lз, где n - число МСБ на планке, lМСБ - длина подложки МСБ, lз - расстояние между МСБ и между МСБ и горизонтальными ребрами жесткости рамки. Обычно lз не превышает
1...2 мм.
Аналогично могут быть рассчитаны размеры сдвоенной и двухсторонней ФЯ, а также размеры оснований аналоговых ячеек пенального типа.
Через размеры ФЯ можно найти размеры конструкции блока. Для этого сначала определяют глубину пакета функциональных ячеек
(
+1)+
, где
- шаг размещения ФЯ,
- число ячеек в блоке.
Шаг размещения ФЯ
=
+ b, где b - расстояние между соседними ячейками. Для обеспечения высокой эффективности конвективного теплообмена в блоке значение b принимают равным 8...12 мм. В блоках РЭС на бескорпусных МСБ
=
, в блоках РЭС с кондуктивно-конвективными системами охлаждения значение b может быть уменьшено до величины, определяемой прогибом ячейки при механических воздействиях.
Для выбранной компоновочной схемы блока (см. рис. 3.1) размеры пакета ФЯ дополняются глубиной характерных вспомогательных зон. Таким образом, для разъемной конструкции (вариант I) размеры внутреннего объема блока: ширина
=
+
, высота
=
, глубина
=
+
+
; вариант III
=
, Н1=
+
,
=
+
+
. Для книжной компоновки блока (вариант IV)
=
, Н1=
+
,
=
+
+
; вариант V:
=
,
=
,
=
+
+
+
.
На ранних стадиях разработки РЭС принимают глубину зон
и
равной 25...35 мм, а
- 30...70 мм.
3.6. Разработка конструкции блоков на основе БНК
















