IZ-П3-4 (562357)
Текст из файла
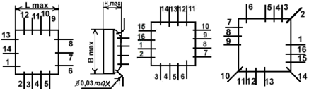
Рис. П.3.13 Рис. П.3.14 Рис. П.3.15
Рис. П.3.16 Рис. П.3.17 Рис. П.3.18
Таблица П.3.3
Габаритные характеристики ИС
| Тип | Рисунок | Размеры, мм | ||
| микросхемы | L max | B max | H max | |
| Б533 ЛА1-1 Б533 ЛА 2 Б533 ЛА 3 Б533 ЛА 9 Б533 ЛН 1 Б533 ЛИ 1 Б533 ЛИ 6 Б533 ЛР 11 Б533 ТВ 6 | П3.14 П3.15 П3.13 П3.13 П3.17 П3.13 П3.16 П3.13 П3.18 | 1,25 1,25 1,25 1,25 1,45 1,25 1,25 1,25 2,3 | 1,25 1,25 1,25 1,25 1,45 1,25 1,25 1,25 1,9 | 0,85 |
Масса микросхем не более 0,02 г
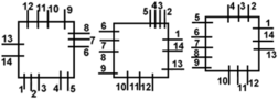
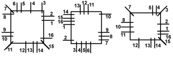
Рис. П.3.19 Рис. П.3.20 Рис. П.3.21
Рис. П.3.22 Рис. П.3.23 Рис. П.3.24 Рис. П.3.25
Рис. П.3.26 Рис. П.3.27 Рис. П.3.28 Рис. П.3.29
Рис. П.3.30 Рис. П.3.31 Рис. П.3.32
Рис. П.3.33 Рис. П.3.34 Рис. П.3.35
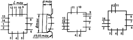
Таблица П.3.4
Массогабаритные характеристики ИС
| Тип ИС | Номеррисун-ка | Размеры, мм, не более | Мас-са, мг | Тип ИС | Номер рисунка | Размеры, мм, не более | Мас-са, мг | ||||||||
| L | B | H | L | B | H | ||||||||||
| ЛА7, ЛА8 ЛА9 ЛЕ5 ЛЕ6 ЛЕ10 ЛН1 ЛН2 ЛС2 ЛП2 ЛП13 ТМ2 ТМ3 ТВ1 ТР2 ИР2 | П3.19 П3.34 П3.23 П3.22 П3.35 П3.25 П3.19 П3.21 П3.23 П3.19 П3.19 П3.27 П3.29 П3.28 П3.20 | 1,9 1,8 1,6 1.6 1,8 2,5 2,0 1,9 1,6 1,7 1,9 2,3 2,3 2,3 2,6 | 1,7 1,7 1,6 1,6 1,7 2,0 2,0 1,9 1,6 1,7 1,9 1,9 1,9 1,9 2,7 | 1,0 0,85 1,0 0,85 1,0 1,0 0,85 0,85 0,85 1,0 | 15 15 20 20 15 20 15 20 15 15 20 20 20 50 | ИР9 КП1, КП2 ПУ4 ИД1 СА1 КТ3 ИЕ9 ИЕ10 ИЕ11 ИЕ14 ИМ1 ИП2 ИК1 | П3.20 П3.20 П3.24 П3.20 П3.31 П3.33 П3.32 П3.30 П3.20 П3.20 П3.20 П3.26 П3.20 | 2,6 3,2 1,8 2,1 2,1 2,0 2,1 2,7 3,0 2,8 2,4 2,3 2,6 | 2,0 3,2 1,8 2,1 2,3 1,7 1,9 2,7 3,0 2,8 2,4 2,3 2,6 | 1,0 1,0 0,85 1,0 0,85 1,0 0,85 1,0 | 50 50 20 50 20 15 20 20 50 20 50 | ||||
92
Характеристики
Тип файла документ
Документы такого типа открываются такими программами, как Microsoft Office Word на компьютерах Windows, Apple Pages на компьютерах Mac, Open Office - бесплатная альтернатива на различных платформах, в том числе Linux. Наиболее простым и современным решением будут Google документы, так как открываются онлайн без скачивания прямо в браузере на любой платформе. Существуют российские качественные аналоги, например от Яндекса.
Будьте внимательны на мобильных устройствах, так как там используются упрощённый функционал даже в официальном приложении от Microsoft, поэтому для просмотра скачивайте PDF-версию. А если нужно редактировать файл, то используйте оригинальный файл.
Файлы такого типа обычно разбиты на страницы, а текст может быть форматированным (жирный, курсив, выбор шрифта, таблицы и т.п.), а также в него можно добавлять изображения. Формат идеально подходит для рефератов, докладов и РПЗ курсовых проектов, которые необходимо распечатать. Кстати перед печатью также сохраняйте файл в PDF, так как принтер может начудить со шрифтами.














