IZ1-5-Н (562372), страница 3
Текст из файла (страница 3)
Э н= 20 lg{1+ p[1 - (
)](1/ дБ,
где a1, a2 - внешний и внутренний размеры экрана цилиндрической, сферической или прямоугольной форм; p зависит от формы экрана: p=0.25 для цилиндрического экрана, p=1 для прямоугольного и p=0.22 для сферического.
Защита от электростатических помех осуществляется с помощью металлической пластины, помещаемой между источником и приемником помех, ее эффективность определяют по формуле
ЭE= 20 lg [
], дБ,
где a - расстояние между источником и приемником помехи, м; a1 -расстояние между экраном и приемником помехи, м; rэ - эквивалентный радиус экрана,
; Sэ - площадь экрана.
Для электростатических экранов замкнутой формы
ЭЕ= 20 lg (60d), дБ.
Электростатические экраны обязательно должны соединяться с общим
проводом электрической схемы, в противном случае эффективность их резко падает.
4.5.3. Расчет перекрестных помех в линиях связи
Паразитные параметры линий связи (собственная емкость и индуктивность ) вызывают искажение передаваемых сигналов ( для цифровых схем - увеличение длительности фронтов импульсов и дополнительную задержку сигналов). Взаимная емкость и индуктивность между электрическими цепями приводят к проникновению части сигнала из одной цепи в другую, что в аналоговых устройствах приводит к нежелательным каналам прохождения сигнала, непредусмотренным обратным связям и даже возбуждению узла, а в цифровых устройствах - к сбоям в работе. В табл. 4.2 приведены расчетные формулы, позволяющие с точностью 20...30% рассчитать собственные и взаимные паразитные параметры линий связи. Приведенные формулы могут быть использованы как для синтеза, так и для анализа топологии коммутационных плат.
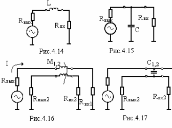
При синтезе топологии по допустимой задержке сигнала в линиях связи и допустимому напряжению Uп доп определяются требования к величине паразитных реактивных параметров линий связи и в соответствии с табл.4.2 к геометрическим параметрам проводников: L<Rвх при индуктивном характере связи (рис. 4.14); C</Rвых при емкостном характере связи (рис. 4.15); M1,2 < Uп доп ф/I при индуктивной взаимной связи (рис. 4.16); C1,2 < Uп доп ф/Urвых при емкостной взаимной связи (рис. 4.17), где постоянная времени цепи, ф - длительность фронта импульса.
После подстановки соответствующих выражений для L, C, M1,2 получаем систему ограничений на геометрические размеры линий связи, например, ограничение на максимальные длины линий при фиксированных значениях ширины проводников и расстояниях между ними. Далее эти ограничения должны учитываться при разборке топологии.
Таблица 4.2
| Эскиз линии связи (все размеры в м) | Емкость, взаимная емкость, пФ; индуктивность, взаимоиндукция, мкГн |
| | C={[0(+1)/2bl]/a}1012 |
|
| C = [0,06(+ 1)l]/lg[2a/(b + t)] L = 0,004l{ln[(a + b)/(t + b)] - - [(a - b)/l] + 0,2235(t + b)/l + 1,5} C1,2 = [13,9( + 1)l]/ln(4 + 4a/b) M1,2 = 210-8l{ln[2b/(t + b) + + (t + b)/l + 1]} |
При анализе уже разработанной топологии необходимо рассчитывать паразитные параметры цепей, имеющих на коммутационной плате наибольшую длину ,минимальное расстояние ,либо цепей, наиболее чувствительных к перекрестным помехам (например, связь между выходом и входом усилителя). Если на плате имеется хотя бы одна цепь, для которой указанные выше ограничения не выполнены, необходимо внести изменения в топологию коммутационной платы.
4.5.4.Расчет помех по цепям питания
Шины питания и общего провода могут стать причиной передачи помех, если сопротивление и индуктивность их будут недостаточно малы. В наихудшем случае, когда все микросхемы подключены к общему проводу «по цепочке», величина статической помехи определяется падением напряжения на сопротивлении r при протекании суммарного тока потребления n микросхем (рис.4.18):
U1 = nIпr1.
Рис.4.18
Для последней микросхемы в цепочке(точка4) напряжение помехи увеличивается до значения
Uп = [n(n + 1)/2]Iпr1.
Отсюда вытекает требование обеспечить малое сопротивление в цепи общего провода и шины питания:
r1 2Uп доп/Iп(n + 1)n, (4.5)
где Iп - ток потребления одной ИС.
В момент переключения микросхем в цепях питания протекает кратковременный импульс тока, значение которого Iп для ТТЛ- микросхем в 3...12 раз превышает статический ток потребления [22] (для КМОП - ИС равен току перезаряда емкости нагрузки элемента), а длительность приблизительно равна времени переключения логического элемента. Поэтому с учетом динамической помехи Uп дин аналогично (4.5) должно выполнятся условие
L1 Uп дин ф/[п(n + 1)n] .
.
4.6. Расчет надежности невосстанавливаемых РЭС
по внезапным отказам
Расчет надежности заключается в определении показателей надежности изделия по известным характеристикам надежности элементов и условиям эксплуатации.
Расчет надежности выполняется на основе логической модели безотказной работы РЭС. При составлении модели предполагается, что отказы элементов независимы, а элементы и в целом РЭС могут находиться в одном из двух состояний: работоспособном или неработоспособном. Используются две логические схемы надежности: последовательная, когда отказ любого элемента ведет к отказу РЭС, и параллельная, когда отказ элемента не вызывает отказа РЭС. Последовательные логические схемы надежности характерны для нерезервированных РЭС, параллельные - для РЭС с резервированием.
Основными количественными характеристиками надежности являются вероятность безотказной работы РЭС
и среднее время наработки на отказ
, где t - время непрерывной работы изделия,
- эксплуатационное значение интенсивности отказов РЭС.
Для последовательной логической схемы надежности
где
- эксплуатационное значение интенсивности отказов i-го элемента, учитывающее внешние воздействия, влияние тепловых и электрических нагрузок элементов, n - число элементов.
Расчет
производится по формуле:
, где
- интенсивность отказов элемента в номинальном режиме работы,
- поправочный коэффициент на температуру и электрическую нагрузку элемента,
- коэффициент, учитывающий влияние механических воздействий,
- поправочный коэффициент на воздействие климатических факторов (температура, влажность),
- коэффициент, отражающий условия работы при пониженном атмосферном давлении.
Значения номинальных интенсивностей отказов некоторых элементов РЭС даны в прил. 10 (табл.П.10.1).
Поправочные коэффициенты на температуру и электрическую нагрузку элемента определяются с помощью табл.П.10.2.
Рекомендованные значения коэффициентов нагрузки для радиоэлементов и узлов РЭС даны в табл.П.10.3.
Поправочные коэффициенты
для различных условий эксплуатации РЭС приведены в табл.П.10.4, коэффициенты
и
- соответственно в табл.П.10.5 и табл.П.10.6.
5. РАЗРАБОТКА ТЕХНОЛОГИИ ИЗГОТОВЛЕНИЯ РЭС
Результатом конструирования радиоэлектронного изделия является полный комплект КД на это изделие. Он служит основой для поэтапной подготовки и последующего производства разработанного устройства на специализированном предприятии (радиозаводе), в цехе или на специализированном участке. Организационная форма производства обусловливается сложностью конструкции, "масштабом" и длительностью выпуска продукции. По сути разработка технологического процесса проходит те же стадии, что и при создании КД. В курсовом проекте проработка технологии
соответствует задачам технического предложения и (или) эскизного проектирования выпуска продукции на основе типовых техпроцессов, действующих в отрасли.
5.1. Выбор технологических методов изготовления РЭС
Производство РЭС использует широкий спектр технологических методов, устанавливающих общие правила, последовательность и содержание действий исполнителей и (или) оборудования при получении определенного производственного результата. Технологические методы, вообще говоря, универсальны, не связаны с конкретным наименованием, типоразмером или конструктивным исполнением объекта труда. Они весьма разнообразны по сущности реализуемых физических явлений (табл. 5.1). Выбор технологического метода (его конкретного варианта) резко сужает сферу научно-технического поиска, конкретизирует природу и механизмы производственных процессов.
Таблица 5.1
| Наименование технологического метода | Сущность явлений, лежащих в основе метода | Примеры вариантов метода, объектов труда |
| Механическая обработка | Обработка твердых тел, поверхностей резанием , давлением | Токарно-фрезерные работы, штамповка, вырубка |
| Электрофизическая обработка | Использование электронного оптического метода, плазменной среды, электрических разрядов ... | Ионно-плазменные методы получения пленок, термическое испарение в вакууме ... |
| Электрохимическая обработка | Растворение материала в электролите под действием электрического тока (поля) | Анодное вытравливание отдельных участков металлических изделий, электрополирование, оксидирование |
| Гальванопластика | Формообразование изделий (оболочек) по исходным матрицам путем осаждения металла из электролита под действием электрического тока | Изготовление тонких металлических деталей , корпусов |
| Гальваностегия | Электролитическое осаждение(наращивание) металлических покрытий | Получение разнообразных покрытий (меднение, никелирование , цинкование , золочение...). Наращивание "толстых" пленок |
| Сборка | Образование различными способами разъемных и неразъемных механических соединений составных частей сборочной единицы | Сборка несущих конструкций РЭС с использованием сварки, пайки , склеивания, заклепок , развальцовок , различных посадок, винтовых соединений |
| Электрический монтаж | Образование электрических соединений | Получение соединений пайкой, сваркой, накруткой, давлением, склеиванием контактолами, с использованием разъемных соединений |
| Технический контроль | Проверка соответствия предмета труда или протекающего процесса установленным требованиям | Измерительный, регистрационный визуальный (органолептический) контроль, входной, операционный, приемочный контроль |
С организационно-технической стороны выбор метода предопределяет состав необходимых средств технологического оснащения, т.е. используемого технологического оборудования и технологической оснастки (приспособлений, инструмента).
В принципе выбор технологического метода - многокритериальная оптимизационная задача, поскольку нередко один и тот же технологический результат может быть получен разными методами, а в рамках одного метода - или различными его вариантами, или при использовании того или иного оборудования. Например, тонкопленочную плату МСБ можно получить термическим испарением материалов в вакууме или магнетронным распылением, электромонтаж можно осуществить термокомпрессией (установка "Контакт - 1А") или ультразвуковой сваркой (установка ЭМ-42А) и т.д. Технико-экономическую эффективность принятых решений при курсовом проектировании следует оценивать исходя из следующих качественных критериев:
- выбранный технологический метод позволяет решить данную конструкторско-технологическую задачу; - выбранный метод, или его технологический вариант обеспечен промышленно изготавливаемым технологическим оборудованием, имеется необходимая технологическая оснастка;
- выбранный метод (его вариант) и технологическое оснащение в сравнении с другими для установленного в курсовом проекте типа производства должны дать наибольший эффект с точки зрения производительности, универсальности (специализированности), требований к обслуживающему персоналу, занимаемым площадям, экологической безопасности и т.п.
При решении конкретной конструкторско-технологической задачи разными вариантами одного технологического метода в пояснительной записке должно приводиться обоснование. Например, почему при электромонтаже используется и пайка, и микросварка?
Предварительный выбор технологических методов (их вариантов) осуществляется на этапах обоснования компоновочного решения конструкции
РЭС, уточняется при разработке сборочного и деталировочного чертежей. Окончательные решения закрепляются при разработке структуры технологического процесса. Например, при выборе варианта бескаркасной ФЯ блока разъемного типа устанавливается возможность ее выполнения с односторонним расположением навесных компонентов и размещением их выводов в металлизированных отверстиях печатных плат (ПП).
Отсюда следуют типовые методы: изготовление ПП - комбинированная технология с металлизацией отверстий; электромонтаж - групповая пайка волной припоя или “окунание” в жидкий припой ПП с "набитыми" компонентами.
Следует подчеркнуть, что формальное "размежевание" конструкторских и технологических вопросов разработки РЭС еще возможно (но неэффективно!) при создании низкочастотных устройств на корпусной элементной базе. При проектировании изделий микроэлектроники и аппаратуры на их основе, устройств гигагерцевого диапазона рабочих частот технологические методы обусловливают конструкторские решения или радикально влияют на них.
5.2. Оценка технологичности конструкции
Радиоэлектронное средство технологично, если при производстве и эксплуатации (ремонте) его потребительские качества обеспечиваются при оптимальном (рациональном) расходовании привлекаемых ресурсов (материальных, трудовых. финансовых и т.д.). При единстве достигаемых целей существуют различные методические подходы к оценке технологичности [10], [16]. Ниже рассматривается методика оценки показателей качества, принятая при дипломном проектировании РЭС в МАИ [10].
5.2.1. Расчет конструкторских показателей технологичности
Проводится разработчиками конструкции сборочной единицы по результатам синтеза схемного решения РЭС и выполнения сборочного чертежа (чертежа общего вида) конструкции.
1. Коэффициент повторяемости компонентов и МСБ
Кпов мс = 1 - (nтр / N),
где N - общее количество дискретных компонентов, ИМС широкого применения и МСБ. Рассчитывается как суммарное число дискретных (навесных) электрорадиоэлементов (включая электрические соединители - разъемы, тумблеры, переключатели и т.д. - кроме ПП) поименованных в перечне элементов к принципиальной схеме или в спецификации к сборочному чертежу плюс число ИМС и МСБ. Навесные компоненты, входящие в МСБ, в N не засчитываются; nтр - число типоразмеров компонентов, ИМС и МСБ. Например, два резистора ОМЛТ-1кОм-0,125Вт и ОМЛТ-1кОм-0,5Вт
- это два типоразмера: у них разные установочные размеры; две различных по функциям ИМС в корпусах одного типа с одинаковыми установочными размерами - это один типоразмер и т.д.
-
Коэффициент повторяемости материалов
Кпов м = 1 - (nм / nдет ),
где nм - количество марок материалов , применяемых для изготовления составных частей (деталей) конструкции, nдет - количество нестандартных (оригинальных) деталей, изготовленных из этих материалов.
3. Коэффициент стандартизации конструкции
где:
- количество нестандартных (оригинальных) электрорадиокомпонентов, включая МСБ (компонентов "частного" применения).
-
Коэффициент использования площади коммутационной платы
Кис п = Sзан / Sп
где: Sп - площадь коммутационной платы (печатной, платы МСБ), Sзан - суммарная площадь платы, занятая печатным (тонко- , толстопленочным) монтажом, а также навесными компонентами, размещенными на свободных от печатного или пленочного монтажа участках платы.
5.2.2. Расчет производственных показателей технологичности
Проводится технологами после (в процессе) разработки технологического процесса (ТП) изготовления детали или сборочной единицы, когда установлено содержание маршрутных карт. При курсовом проектировании оценку производственных показателей следует выполнять по результатам (в процессе) обоснования структуры ТП, т. е. после выполнения разд..5.3.2 пособия. Приводимые ниже показатели отражают особенности сборочно-монтажных ТП. Вопросы оценки производственных показателей технологичности изготовления деталей ( ПП, плат МСБ и т.п.) решаются с консультантом курсового проекта.
1. Коэффициент ограничения числа видов сборочно-монтажных соединений
Когр = 1 - (nвид / nпар.с),
где: nпар.с - число пар механически и (или) электрически соединяемых любым способом элементов, деталей и составных частей изделия; nвид - число конкретных технологических способов, используемых для образования механических и (или) электрических соединений в паре соединяемых элементов, деталей, частей. Например, при сборке ФЯ применяют развальцовку, приклеивание на теплопроводящий клей, пайку волной припоя и пайку микропаяльником. Развальцовка накладки на ПП - в четырех местах (парах "накладка - ПП"); приклеивание корпусов ИМС клеем ВК-9 к теплопроводящей шине в пяти местах; пайка волной в 120 точках, пайка микропаяльником - в четырех точках (парах "вывод компонента - контактная площадка ПП").
-
Коэффициент использования групповых методов
Кисп = nгр / nтп ,
где: nтп - общее количество операций и (или) групп операций, предусмотренных в структуре ТП, т.е. в разработанном варианте структурной технологической схемы (СТС), функционально-технологической схемы (ФТС) или технологической схемы сборки (ТСС) (разд. 5.3.2); nгр - количество операций и (или) групп операций из nтп, основанных на групповых методах (обработки, монтажа, сборки, регулировки и т.д.). Данный показатель (Кисп) точно может быть определен по результатам анализа маршрутной карты ТП.
3. Коэффициент автоматизации и механизации установки и монтажа изделия
Ка.м = nа.м / nмон,
где: nмон - общее количество электрических и (или) механических монтажных и силовых (закрепляющих) соединений; nа.м - число соединений из nмон, выполняемых автоматизированным и механизированным способом.
-
Коэффициент применения типовых ТП
Кттп = nттп / nтп,
где: nттп - число операций и (или) групп операций из nтп, выполняемых по типовым технологиям, установленным в ОСТ, стандарте предприятия или ином нормативно - технологическом документе отрасли или группы кооперирующихся предприятий.
5.2.3. Комплексная оценка технологичности .
Оценка частных показателей технологичности в баллах
производится по формуле
где:
- нормативный уровень показателя, действующий на данный момент в отрасли (на предприятии) - табл. 5.2;
- эквивалент "одного балла", отражающий значимость данного показателя технологичности. Он может выражаться в долях от нормативного уровня - табл. 5.2;
- расчетное значение частных показателей технологичности, определенных в соответствии с разд. 5.2.1 и 5.2.2. Из последней формулы следует, что приемлемым базовым уровнем технологичности является уровень в четыре балла. В расчетах при получении
(такое возможно) принимается значение
= 5. При
принимают
. Результаты расчетов рекомендуется оформлять в виде таблицы, аналогичной табл. 5.2.
Комплексная оценка технологичности определяется по среднебальному показателю
:
где: m - количество частных показателей, привлекаемых для анализа технологичности РЭС. В курсовом проекте m<8. В оценках технологичности по "полной программе" m>8 (табл.5.1) [10]. Если
- изделие технологично, отвечает в целом действующим требованиям. При
уровень технологичности низок. В выводах к расчетам технологичности необходимо указывать пути улучшения показателей технологичности, резко отклоняющихся от базового значения в 4 балла.
Таблица 5.2
| Частные показатели технологичности | Норматив-ное значение Кнi | Эквивалент одного балла Кi | Расчетный покзатель Кpi | Расчетный показатель в баллах Бi |
| Конструкторские показатели | ||||
| Коэффициент повторяемости компонентов и МСБ | 0.95 | 0.2 | ||
| Коэффициент повторяемости материалов | 0.7 | 0.25 | ||
| Коэффициент стандартизации | 0.85 | 0.25 | ||
| Коэффициент использования площади коммутационных плат | 0.6 | 0.1 | ||
| Производственные показатели | ||||
| Коэффициент ограничения числа видов сборочно-монтажных соединений | 0.9 | 0.1 | ||
| Коэффициент использования групповых методов | 0.4 | 0.25 | ||
| Коэффициент автоматизации и механизации | 0.87 | 0.3 | ||
| Коэффициент применения типовых ТП | 0.6 | 0.15 | ||
5.3. Разработка ТП изготовления РЭС
5.3.1. Общий порядок разработки ТП
В данном курсовом проекте из всего обширного спектра задач и проблем разработки ТП конкретного объекта производства подлежат решению три задачи (проблемы):
- анализ исходных данных и особенностей производства;
- выбор типового (группового) ТП;
- разработка структуры ТП и оценка технологичности объекта производства.
По указанию консультанта предметом разработки могут быть также маршрутная карта ТП и (или) операционная карта, а также технологическая инструкция. Объектами производства в зависимости от варианта конструкции выступают коммутационные платы (толсто-, тонкопленочные, ПП), МСБ, ФЯ, или блок.
Анализ исходных данных и особенностей производства конкретизирует технологическую специфику изготовляемого изделия.
Допустим, объектом производства является коммутационная плата МСБ. Таким образом, изготовлению подлежит деталь, основой ТП являются структуро-формирующие операции. Сущность явлений - физические, физико-химические и иные процессы в основных и вспомогательных материалах и средах, используемых или потребляемых (расходуемых) при изготовлении платы. Собственно исходные данные должны включать: топологию платы с таблицей слоев; послойные топологии; конструкторско-технологические ограничения, связанные, как известно, с предполагаемой технологией изготовления платы; тип производства.
Если объект производства - сборочная единица (МСБ, ФЯ, блок), то исходные данные должны содержать сборочный чертеж со спецификацией или чертеж общего вида; соображения или схемы, характеризующие электрическую структуру сборочной единицы; тип производства. Содержание основных и вспомогательных операций связано с формированием определяющих функциональных и конструктивных признаков изделия (сборка - монтаж), с преобразованием (изменением) параметров и свойств изделия (регулировка, герметизация) и , наконец, с пассивными процедурами, не влияющими на параметры и свойства объекта производства, но объективно необходимыми для обеспечения результирующего качества изделия (окраска, контроль, упаковка). В процессе сборки - монтажа используются (расходуются) основные (припой) и вспомогательные (флюс) материалы, полуфабрикаты (например, компоненты адгезионных компаундов - клеев) с целью механического закрепления и (или) электрического контактирования конструктивных деталей и комплектующих изделий (пассивных и активных радиокомпонентов, коммутационных устройств и т.д.)
Исходные данные для технологического проектирования, вообще говоря, должны содержать технические условия (ТУ, частные - ЧТУ) на изделие в виде проекта или окончательного варианта.
ТУ (ЧТУ) определяют потребительские качества объекта производства и процедуры их контроля (подтверждения). При курсовом проектировании этот документ не составляется и его заменяют технические требования к РЭС из задания на проект и ТЗ.
Анализ исходных данных необходимо завершать расчетом конструкторских показателей технологичности объекта производства согласно разд.5.2.1.
Выбор типового (группового) ТП на предприятиях может выполняться автоматизированно (формально). Для этого устанавливается технологический код изделия по отраслевому классификатору, определяется "место" объекта производства в соответствующей классификационной группе, затем в технологической базе данных осуществляется поиск типового технологического процесса (ТТП), обеспечивающего (обеспечивающих) изготовление данного изделия в конкретных производственных условиях. При курсовом проектировании "базой данных" являются литературные источники и (или) нормативно - техническая документация по ТПП. Достаточно взять один из указанных ниже источников.
Типовые базовые технологии рассмотрены:
- толстопленочных плат МСБ в [5, 7, 8];
- тонкопленочных плат МСБ в [5, 7, и 19];
- печатных плат в [11, 16];
- сборки и монтажа МСБ в [7, 10, 20];
- сборки и монтажа ФЯ и блоков в [10, 16].
Разработка структуры ТП фактически представляет собой конкретизацию (структурирование) типового ТП применительно к данному конструктивно - технологическому варианту объекта производства и к определенным производственным условиям (возможностям) предприятия изготовителя. В курсовом проекте основное внимание уделяется первой подзадаче - адаптации ТТП к разработанной конструкции. Следует признать, что при разработке рабочих ТП таких деталей как коммутационные платы (толсто-, тонкопленочные, ПП) выбор вариантов чередования операций невелик. Для сборочных единиц по мере роста их конструктивной сложности или иерархического уровня могут быть предложены различные варианты последовательности выполнения сборочно-монтажных операций примерно на одном и том же оборудовании, один из которых наверняка предпочтителен. Таким образом, при проектировании рабочей технологии не обойтись без ее укрупненного моделирования на ранних этапах разработки ТП - структурные технологические схемы (СТС), уточнения особенностей технологии - функционально - технологические схемы (ФТС) и технологические схемы сборки (ТСС) и исчерпывающей структуризации в виде маршрутной карты (МК) - "маршрута РЭС". На основе МК принимаются окончательные решения по наилучшему варианту ТП, размещению рабочих мест, оборудования, нормированию операций и т.д. Однако путь к ним лежит через синтез и анализ укрупненной структуры (моделей) ТП в форме СТС, ФТС и (или) ТСС, а также схем сборочного состава.
Разработкой одной - двух из перечисленных схем и оценкой на этой основе производственных показателей (разд.5.2.2) и комплексного показателя технологичности (разд.5.2.3) завершается выполнение технологического раздела курсового проекта.
5.3.2. Построение технологических процессов
Установление структуры рабочего ТП , т.е. состава и последовательности выполнения операций, есть его формализация. На начальных этапах разработки ТП и подготовки производства формализацию процесса осуществляют традиционным для современной техники методическим приемом - моделированием. Наглядными и весьма информативными являются графические модели - схемы ТП.
Структурные технологические схемы обычно по группам операций отображают последовательность преобразования исходных материалов, полуфабрикатов, комплектующих изделий и (или) сборочных единиц в готовое изделие. Операции группируют таким образом, чтобы каждый графический элемент (прямоугольник) СТС характеризовал совокупность работ и действий исполнителей (оборудования) по получению определенного законченного результата. Критериями для группировки служит использование для данных операций единых средств технологического оснащения, типовых процедур физической, физико-химической обработки, сборки, монтажа, контроля, отраженных в соответствующей документации. Рекомендуется указывать на СТС обозначения соответствующих ГОСТ, ОСТ, СТП, карт ТП и т.д. СТС могут иметь последовательное и параллельное построение, отображая в последнем случае единовременность выполнения соответствующих работ (операций). Они удобны для указания технологического маршрута изготовления изделия по подразделениям предприятия или специализированным (профильным) участкам цеха. СТС составляют при изготовлении как деталей, так и сборочных единиц.
Функционально-технологические схемы дают более углубленное представление о логико-функциональной структуре ТП (рис. 5.1). Содержание групп основных операций "по ходу" ТП детализируется по подгруппам и (или) отдельным операциям конкретного функционально - технологического назначения, при необходимости поясняется состав операций. Вспомогательные операции (в окружностях) выносятся вверх от линии "хода" ТП, операции технического контроля показываются в треугольниках. Конфигурация фигур графических обозначений на ФТС может быть и иной. ФТС особенно наглядны при проектировании ТП изготовления таких деталей как коммутационные платы. Сборочно-монтажные ТП принято характеризовать схемами сборочного состава и схемами сборки.
Рис.5.1
Схема сборочного состава (схема "веерного" типа) раскрывает конструктивно - технологическую входимость субъектов сборки, состав сборочных комплектов и этапы ("ступени") сборки (рис.5.2).
Строго говоря, она не является схемой техпроцесса, однако, для сложных сборочных единиц позволяет формализовать и рационализировать выбор последовательно - параллельного технологического маршрута. Кроме того, схема сборочного состава необходима для формирования сборочных комплектов из компонентов, конструктивных деталей и других предметов труда, подаваемых на рабочее место для подготовки к монтажу и (или) сборки - монтажа в изделии.
Прямоугольные элементы схем сборочного состава и ТСС должны содержать: в левом секторе - номер позиционного обозначения по сборочному чертежу (чертежу общего вида) или (для электрорадиокомпонентов) по принципиальной электрической схеме; в центре - наименование детали, компонента, сборочной единицы; в правом секторе - количество поименованных изделий, необходимых для сборки - монтажа.
Рис 5.2.
Технологические схемы сборки как и ФТС, должны отображать основные особенности построения ТП сборочной единицы, давать характеристику технологических методов и средств, используемых для механического крепления деталей, электромонтажа, герметизации, регулировки - контроля и т.д.
"Ход" ТП иллюстрируется линией, идущей от базовой детали к прямоугольнику, обозначающему готовую сборочную единицу. При горизонтальном начертании ТСС снизу от этой линии показываются устанавливаемые детали, компоненты, входящие сборочные единицы, сверху - даются указания о способах получения соединений (свинчивание, развальцовка, запрессовка, пайка, сварка, склеивание, накрутка и т.п.), способах контроля, особенностях выполнения или подготовки операции (подготовка адгезионных многокомпонентных компаундов к применению). Обычно сверху линии "хода" ТП также размещают в прямоугольниках данные о применяемых стандартных (нормализованных) крепежных деталях. Указанный порядок следует применять при изображении ветвей "хода" подсборок технологических узлов или сборочных единиц из состава данного изделия (ФЯ, блока), изготавливаемых в едином технологическом цикле.
Выбор базовой детали существенно сказывается на структуре ТП. Обычно за базовую деталь выбирают элементы несущей конструкции, платы, основания корпусов и т.п., которые легко транспортировать, складировать, позиционировать с минимальным применением дополнительной технологической оснастки или тары. Базовой деталью (вернее, элементом) может выступать ранее изготовленная сборочная единица. Например, при финишной сборке пенального модуля СВЧ - собранный корпус этого модуля.
Последовательность сборки - монтажа конкретной конструкции РЭС даже для очевидной базовой детали обычно многовариантна. При разработке ТСС объекта курсового проектирования следует исходить из следующих общих положений:
1. На многие традиционные операции (группы операций, процедуры) сборочно-монтажных процессов разработаны карты типового ТП. Это относится к операциям входного контроля комплектующих изделий, их предмонтажной подготовки, установки многих типов компонентов на платы, приготовлению и применению клеев и компаундов, пайки и т.д.
2. Типовые ТП разработаны на сборку - монтаж стандартных типовых конструкций МСБ [20], ФЯ [4, 16], блоков [4, 16].
3. Регулировочные операции, часто функциональная диагностика и сложный инструментальный (измерительный) контроль проводятся по соответствующим технологическим инструкциям "частного применения"..
-
Общая логика сборки - монтажа конкретной конструкции, отражая ее структурные особенности, должна одновременно удовлетворять простому правилу: результаты данной операции не должны затруднять высококачественное выполнение последующих операций и снижать качество ранее выполненных работ (операций).
6. ОБОЗНАЧЕНИЕ КОНСТРУКТОРСКИХ ДОКУМЕНТОВ
Обилие стандартных и типовых составных частей, применяемых одновременно во многих деталях, привело к разработке обезличенной десятичной системы обозначения изделий основного и вспомогательного производства и их конструкторских документов во всех отраслях промышленности.
Структура обозначения изделий устанавливается ГОСТ 2.201-80 и состоит из трех частей, разделенных точкой:
- буквенного или буквенно-цифрового кода организации-разработчика;
- кода классификационной характеристики в форме шестизначного десятичного номера;
- порядкового регистрационного номера от 001 до 999, присваиваемого изделиям в пределах каждого номера классификационной характеристики.
При выполнении курсовых и дипломных работ код организации-разработчика устанавливается руководителем (консультантом). Рекомендуется отражать в коде номер учебной группы студента, например, используя в качестве кода буквенное обозначение потока (курса, факультета) и последние 2 или 3 цифры номера группы.
Шестизначный код классификационной характеристики присваивается каждому изделию в соответствии с классификатором ЕСКД и состоит из 5 элементов:
- класс (две цифры, укрупнено характеризующие область применения);
- подкласс (одна цифра);
- группа (одна цифра);
- подгруппа (одна цифра);
- вид (одна цифра).
Выдержки из классификатора ЕСКД для класса 46 «Средства радиоэлектронные управления, связи, навигации и вычислительной техники» приведены в прил. 11.
Пример присвоения обозначения по ГОСТ 2.201-80 автокорреляционному приемнику непрерывных сигналов:
Р512.464125.003
Здесь Р512 – код организации-разработчика (номер учебной группы); 46 – вышеуказанный класс; 4 – подкласс 464000 «устройства приемные, передающие, приемно-передающие, антенные»; 1 – группа 464100 «Приемные (кроме телевизионных)»; 2 – подгруппа 464120 «Приемные, кроме связных, вещательных и телевизионных для непрерывных сигналов»; 5 – вид «Автокорреляционные»; 003 – порядковый номер в пределах кода 464125.
Классификатор ЕСКД содержит подклассы для присвоения кода законченным устройствам (подклассы от 463000 до 466000), функциональным узлам (подклассы от 467000, 468000), а также нефункциональным узлам, включая несущие конструкции и их элементы различного уровня (подкласс 469000).
Следует обратить внимание, что обозначение присваивается каждому изделию, а не отдельному документу (составные части сборочных единиц – детали и более мелкие сборочные единицы так же являются изделиями). Присвоенный изделию код обозначения проставляется на основном конструкторском документе: для детали – на чертеже детали, для сборочной единицы – на спецификации. Все остальные конструкторские документы (сборочные чертежи, электрические схемы, перечни элементов и т.п.), относящиеся к тому же самому изделию, имеют тот же код обозначения, но с добавлением шифра документа (СБ, Э2, ПЭ3 и т.д.). При заполнении спецификации составные части изделия должны указываться только один раз: кодовое обозначение чертежа детали и ее наименование заносятся в раздел «ДЕТАЛИ», а наименование каждой входящей сборочной единицы с кодовым обозначением сборочного чертежа – в раздел «СБОРОЧНЫЕ ЕДИНИЦЫ». В разделе «ДОКУМЕНТАЦИЯ» должны перечисляться только те документы, которые относятся к изделию в целом, но не к его составным частям. Отсюда вытекает, что обозначение всех этих документов будет одинаковым и совпадающим с обозначением изделия, отличаться будет только шифр вида документа. Дополнительные документы, например электрические схемы отдельных функциональных узлов корреляционного приемника, являются частью комплекта конструкторской документации на соответствующие входящие сборочные единицы, и их следует занести в спецификации на эти сборочные единицы низшего уровня.
Обозначение документа указывается в основной надписи (в верхней правой графе на первом листе документа и в соответствующих графах на остальных листах), а на чертежах также в дополнительной рамке на противоположной основной надписи стороне поля чертежа (так называемый «повернутый номер»). Дополнительная рамка располагается вдоль длинной стороны чертежа. Исключением являются чертежи формата А4, на которых дополнительная рамка располагается по короткой стороне параллельно основной надписи.
В процессе разработки рациональной структуры комплектов КД на изделие и его составные части рекомендуется предварительно составлять структурную схему изделия, отражающую иерархичность его конструкции, вхождение составных частей друг в друга. На вершине располагается прямоугольник с наименованием и кодовым обозначением изделия в целом (удобно сборочные единицы обводить двойным прямоугольником, детали одинарным, а покупные изделия располагать над горизонтальной линией, в этом случае двойной прямоугольник символизирует необходимость создания комплекта КД на составное изделие, одинарный – простого изделия, а линия – отсутствие необходимости разрабатывать КД). От этого прямоугольника проводятся линии связи, к которым пристыковывают прямоугольники и линии с обозначениями составных частей изделия. Если среди составных частей имеются сборочные единицы, процесс дробления для них производится аналогично, вплоть до неделимых изделий. Пример подобной структурной схемы приведен на рис. 6.1.
Такая структурная схема позволяет упростить процедуру подбора по классификатору кодов для всех составных частей и присвоения им порядковых номеров, а кроме того, учитывать также и тип производства. Например, схема на рис. 6.1 соответствует мелкосерийному или индивидуальному производству, когда соединение между собой частей несущей конструкции блока приемника (каркаса, передней и задней панели, кожуха и т.д.) и установка и присоединение функциональных узлов выполняются в одном технологическом процессе окончательной сборки.
При подготовке комплекта КД для условий серийного или массового производства целесообразно ввести в структуру промежуточную сборочную единицу (или комплекс) – «Корпус в сборе» (рис. 6.2).
Это отражает тот факт, что корпус может собираться в отдельном технологическом процессе, возможно, даже на другом предприятии, а на окончательную сборку поступает в собранном (или частично собранным в случае комплекса) виде.
ЛИТЕРАТУРА ОСНОВНАЯ
1. Методические указания по разработке и оформлению конструкторской части дипломного проекта для студентов радиотехнических специальностей./Под ред. Б.Ф.Высоцкого.- М.: /МАИ ,1987.
2. Методические указания по оформлению курсовых и дипломных проектов для радиотехнических специальностей / Авт.-сост.: В.Ф.Борисов, А.А.Мухин, Ю.Н.Корниенко и др.- М.: Изд-во МАИ, 1992.
3. Конструирование РЭС: Учебное пособие по курсовому и дипломному проектированию/ Авт.-сост.: В.Ф.Борисов, А.А.Мухин, А.С.Назаров и др.- М.: Изд-во МАИ, 1991.
4. Чермошенский В.В. Конструирование и технология производства МЭА: Тексты лекций. - М.: Изд-во МАИ, 1988.
ДОПОЛНИТЕЛЬНАЯ
5. Бондаренко О.Е., Федотов Л.М. Конструктивно - технологический основы проектирования микросборок. - М.: Радио и связь, 1988.
6. Конструирование и расчет БГИС, микросборок и аппаратуры на их основе/Под ред. Б.Ф.Высоцкого. - М.: Радио и связь, 1981.
7. Конструирование и технология микросхем. Курсовое проектирование./ Под ред. Л.А.Коледова.- М.: Высшая школа, 1984.
8. Красов В.Г., Петраускас Г.Б., Чернозубов Ю.С. Толстопленочная технология в СВЧ микроэлектронике.- М.: Радио и связь, 1985.
9. Лярский В.Ф., Мурадян О.Б. Электрические соединители. - М.: Радио и связь, 1988.
10. Методические указания к выполнению технологической части дипломного проекта по радиотехническим специальностям / Авт.-сост.: Ю.И.Боченков, М.А.Сахаров и др./ Под ред. Ю.И.Боченкова. -М.: Изд-во МАИ, 1991.
11. Несущие конструкции радиоэлектронной аппаратуры. / Под ред. П.И.Овсишера.- М.: Радио и связь, 1988.
12. Парфенов Е.М., Камышная Э.Н., Усачев В.П. Проектирование конструкций радиоэлектронной аппаратуры. Учебное пособие для вузов.- М.: Радио и связь, 1989.
13. Разработка и оформление конструкторской документации РЭА./ Под ред. Э.Т.Романычевой.- М.: Радио и связь, 1989.
14. Дульнев Г.Н. Тепло- и массообмен в РЭА.-М.: Высшая школа, 1984.
15. Роткоп Л.Л., Спокойный Ю.Е. Обеспечение тепловых режимов при конструировании РЭА. - М.: Сов. радио, 1976.
16. Технология и автоматизация производства радиоэлектронной аппаратуры./ Под ред. А.П.Достанко, Ш.М.Чабарова.- М.:Радио и связь, 1989.
17. ОСТ4 ГО.010.009 Модули электронные 1 и 2 уровней РЭС. Конструирование.
18. ОСТ4 ГО.010.214 Микросборки корпусные. Конструирование.
19. ОСТ 4 ГО.054.028. Микросхемы интегральные гибридные тонкопленочные. Типовые технологические процессы.
20. ОСТ 4 ГО.054.242. Микросборки. Сборки. Типовые технологические процессы.
-
Фомин А.В., Умрихин О.Н. Анализ электрической нагрузки элементов при оценке надежности интегральных радиоэлектронных устройств: Учеб. пособие. - М.: Изд-во МАИ, 1994.
-
Конструирование радиоэлектронной и электронно-вычислительной аппаратуры с учетом электромагнитной совместимости / А.Д. Князев, Л.Н. Кечиев, Б.В. Петров. -М.: Радио и связь, 1989.
82
8>
















