Вредные факторы-Главы-8-10 исходники (559878), страница 2
Текст из файла (страница 2)
Рис. 9.2. Принципиальная схема дефлектора ЦАГИ:
/ — патрубок; 2 — диффузор, 3 — цилиндрическая обечайка, -/—зонт
Рис. 9.3. Схема аэрации промышленного здания
духа через открывающиеся фрамуги окон и фонарей. Воздухообмен в помещении регулируют различной степенью открывания фрамуг (в зависимости от температуры наружного воздуха, скорости и направления ветра). Как способ вентиляции аэрация нашла широкое применение в промышленных зданиях, характеризующихся технологическими процессами с большими тепловыделениями (прокатных цехах, литейных, кузнечных). Поступление наружного воздуха в цех в холодный период года организуют так, чтобы холодный воздух не попадал в рабочую зону. Для этого наружный воздух подают в помещение через проемы, расположенные не ниже 4,5 м от пола (рис. 9.3), в теплый период года приток наружного воздуха ориентируют через нижний ярус оконных проемов (h = 1,5...2 м).
При расчете аэрации определяют требуемую площадь проходного сечения проемов и аэрационных фонарей для подачи и удаления необходимого количества воздуха. Исходными данными являются конструктивные размеры помещений, проемов и фонарей, величины теплопродукции в помещении, параметры наружного воздуха. Согласно СНиП 2.04.05—91, расчет рекомендуется выполнять на действие гравитационного давления. Ветровой напор надлежит учитывать только при решении вопросов защиты вентиляционных проемов от задувания.
Основным достоинством аэрации является возможность осуществлять большие воздухообмены без затрат механической энергии. К недостаткам аэрации следует отнести то, что в теплый период года эффективность аэрации может существенно падать вследствие повышения температуры наружного воздуха и того, что поступающий в помещение воздух не очищается и не охлаждается.
14* 211
Вентиляция, с помощью которой воздух подается в производственные помещения или удаляется из них по системам вентиляционных каналов с использованием для этого специальных механических побудителей, называется механической вентиляцией.
Механическая вентиляция по сравнению с естественной имеет ряд преимуществ: большой радиус действия вследствие значительного давления, создаваемого вентилятором; возможность изменять или сохранять необходимый воздухообмен независимо от температуры наружного воздуха и скорости ветра; подвергать вводимый в помещение воздух предварительной очистке, осушке или увлажнению, подогреву или охлаждению; организовывать оптимальное воздухорас-пределение с подачей воздуха непосредственно к рабочим местам; улавливать вредные выделения непосредственно в местах их образования и предотвращать их распространение по всему объему помещения, а также возможность очищать загрязненный воздух перед выбросом его в атмосферу. К недостаткам механической вентиляции следует отнести значительную стоимость сооружения и эксплуатации ее и необходимость проведения мероприятий по борьбе с шумом.
Системы механической вентиляции подразделяются на общеобменные, местные, смешанные, аварийные и системы кондиционирования.
Общеобменная вентиляция предназначена для ассимиляции избыточной теплоты, влаги и вредных веществ во всем объеме рабочей зоны помещений. Она применяется в том случае, если вредные выделения поступают непосредственно в воздух помещения, рабочие места не фиксированы, а располагаются по всему помещению. Обычно объем воздуха Znp, подаваемого в помещение при общеобменной вентиляции, равен объему воздуха L*, удаляемого из помещения. Однако в ряде случаев возникает необходимость нарушить это равенство (рис. 9.4). Так, в особо чистых цехах электровакуумного производства, для которых большое значение имеет отсутствие пыли, объем при-
Рис. 9.4. Принципиальная схема вентиляции для выбора соотношения объемов приточного и удаляемого воздуха: a- L.> Ьщ, />,,; б— L, < Lv, />,>/>,
212
Рис. 9.5. Схема истечения воздуха из круглого отверстия
Рис. 9.6. Спектры скорости воздуха при всасывании в трубу
тока воздуха делается больше объема вытяжки, за счет чего создается некоторый избыток давления в производственном помещении, что исключает попадание пыли из соседних помещений. В общем случае разница между объемами приточного и вытяжного воздуха не должна превышать 10... 15 %.
Существенное влияние на параметры воздушной среды в рабочей зоне оказывают правильная организация и устройство приточных и вытяжных систем.
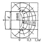
Воздухообмен, создаваемый в помещении вентиляционными устройствами, сопровождается циркуляцией воздушных масс в несколько раз больших объема подаваемого или удаляемого воздуха. Возникающая циркуляция является основной причиной распространения и перемешивания вредных выделений и создания в помещении разных по концентрации и температуре воздушных зон. Так, приточная струя, входя в помещение, вовлекает в движение окружающие массы воздуха, в результате чего масса струи в направлении движения будет возрастать, а скорость падать. При истечении из круглого отверстия (рис. 9.5) на расстоянии 15 диаметров от устья скорость струи составит 20 % от первоначальной скорости v0, а объем перемещающегося воздуха увеличится в 4,6 раза.
Скорость затухания движения воздуха зависит от диаметра выпускного отверстия d0: чем больше do, тем медленнее затухание. Если йужно быстрее погасить скорость приточных струй, подаваемый воз-Чух должен быть разбит на большое число мелких струй.
Существенное влияние на траекторию струи оказывает температура приточного воздуха: если температура приточной струи выше ^мпературы воздуха помещения, то ось загибается вверх, если ниже,
213
то вниз и при изотермическом течении она совпадает с осью приточного отверстия.
К всасывающему отверстию (вытяжная вентиляция) воздух натекает со всех сторон, вследствие чего и падение скорости происходит весьма интенсивно (рис. 9.6). Так, скорость всасывания на расстоянии одного диаметра от отверстия круглой трубы равна 5 % v0.
Циркуляция воздуха в помещении и соответственно концентрация примесей и распределение параметров микроклимата зависят не только от наличия приточных и вытяжных струй, но и от их взаимного расположения. Различают четыре основные схемы организации воздухообмена при общеобменной вентиляции: сверху — вниз (рис. 9.7, а), сверху — вверх (рис. 9.7, б); снизу — вверх (рис. 9.7, в). Кроме этих схем, применяют комбинированные. Наиболее равномерное распределение воздуха достигается в том случае, когда приток равномерен по ширине помещения, а вытяжка сосредоточенна.
При организации воздухообмена в помещениях необходимо учитывать и физические свойства вредных паров и газов и в первую очередь их плотность. Если плотность газов ниже плотности воздуха, то удаление загрязненного воздуха происходит в верхней зоне, а подача свежего — непосредственно в рабочую зону. При выделении газов с плотностью, большей плотности воздуха, из нижней части помещения удаляется 60...70 % и из верхней части 30...40 % загрязненного воздуха. В помещениях со значительными выделениями влаги вытяжка влажного воздуха осуществляется в верхней зоне, а подача свежего в количестве 60 % — в рабочую зону и 40 % — в верхнюю зону.
По способу подачи и удаления воздуха различают четыре схемы общеобменной вентиляции (рис. 9.8): приточная, вытяжная, приточ-но-вытяжная и системы с рециркуляцией. По приточной системе воздух подается в помещение после подготовки его в приточной камере. В помещении при этом создается избыточное давление, за счет кото-
в г
Рис. 9.7. Схемы организации воздухообмена при общеобменной вентиляци ' 214
>ого воздух уходит наружу через >кна, двери или в другие поме-дения. Приточную систему при-1еняютдля вентиляции помеще-:ий, которые нежелательно по-адание загрязненного воздуха з соседних помещений или хо-одного воздуха извне.
9 8. Схемы общеобменной вентиляции:
а — приточная вентиляция (ПВ), б — вытяжная вентиляции (ВВ), в — приточно-вытяжная вентиляция с рециркуляцией
Установки приточной венти-яции (рис. 9.8, а) обычно состо-г из следующих элементов: воз-ухозаборного устройства 1 для i6opa чистого воздуха; воздухо-эдов 2, по которым воздух пода-гся в помещение, фильтров 3 ля очистки воздуха от пыли, калориферов 4, в которых подогревается холодный наружный воз-jyx; побудителя движения 5, ув-[ажнителя-осушителя 6, приточных отверстий или насадков 7, через юторые воздух распределяется по помещению. Воздух из помещения даляется через неплотности ограждающих конструкций.Вытяжная система предназначена для удаления воздуха из поме-Иения. При этом в нем создается пониженное давление и воздух со-рдних помещений или наружный воздух поступает в данное помещение. Вытяжную систему целесообразно применять в том случае, ели вредные выделения данного помещения не должны распростра-|яться на соседние, например, для вредных цехов, химических и био-огических лабораторий.
i Установки вытяжной вентиляции (рис. 9.8, б) состоят из вытяж-!ых отверстий или насадков 8, через которые воздух удаляется из по-[ещения; побудителя движения 5; воздуховодов 2; устройств для очи-гки воздуха от пыли или газов 9, устанавливаемых для защиты атмо-$>еры, и устройства для выброса воздуха 10, которое располагается а 1... 1,5 м выше конька крыши. Чистый воздух поступает в произ-одственное помещение через неплотности в ограждающих конст-Укциях, что является недостатком данной системы вентиляции, так »к неорганизованный приток холодного воздуха (сквозняки) может йзвать простудные заболевания.
Приточно-вытяжная вентиляция — наиболее распространенная *стема, при которой воздух подается в помещение приточной систе-ой, а удаляется вытяжной; системы работают одновременно.
215
В отдельных случаях для сокращения эксплуатационных расходов на нагревание воздуха применяют системы вентиляции с частичной рециркуляцией (рис. 9.8, в) В них к поступающему снаружи воздуху подмешивают воздух, отсасываемый из помещения Я вытяжной системой. Количество свежего и вторичного воздуха регулируют клапанами Пи 12 Свежая порция воздуха в таких системах обычно составляет 20.. 10 % общего количества подаваемого воздуха. Систему вентиляции с рециркуляцией разрешается использовать только для тех помещений, в которых отсутствуют выделения вредных веществ или выделяющиеся вещества относятся к 4-му классу опасности, и концентрация их в воздухе, подаваемом в помещение, не превышает 30 % предельно допустимой концентрации (СПдк)- Применение рециркуляции не допускается и в том случае, если в воздухе помещений содержатся болезнетворные бактерии, вирусы или имеются резко выраженные неприятные запахи.
Отдельные установки общеобменной механической вентиляции могут не включать всех указанных выше элементов. Например, приточные системы не всегда оборудуются фильтрами и устройствами для изменения влажности воздуха, а иногда приточные и вытяжные установки могут не иметь сети воздуховодов.
Расчет потребного воздухообмена при общеобменной вентиляции производят, исходя из условий производства и наличия избыточной теплоты, влаги и вредных веществ. Для качественной оценки эффективности воздухообмена применяют понятие кратности воздухообмена къ — отношение количества воздуха, поступающего в помещение в единицу времени L (м3/ч), к объему вентилируемого помещения Vn (м3). При правильно организованной вентиляции кратность воздухообмена должна быть значительно больше единицы.
При нормальном микроклимате и отсутствии вредных выделений количество воздуха при общеобменной вентиляции принимают в зависимости от объема помещения, приходящегося на одного работающего. Отсутствие вредных выделений — это такое их количество в технологическом оборудовании, при одновременном выделении которых в воздухе помещения концентрация вредных веществ не превысит предельно допустимую. В производственных помещениях с объемом воздуха на каждого работающего VnX < 20 м3 расход воздуха на одного работающего Lx должен быть не менее 30 м3/ч. В помещении с Кп1 = 20...40 м3 Lx > 20 м2/ч. В помещениях с Fnl > 40 м3 и при наличии естественной вентиляции воздухообмен не рассчитывают. В случае отсутствия естественной вентиляции (герметичные кабины) расход воздуха на одного работающего должен составлять не
216
менее 60 м3/ч. Необходимый воздухообмен для всего производственного помещения в целом















