Глава 11.3 (559885)
Текст из файла
11.3. Защита от энергетических воздействий
11.3.1. Обобщенное защитное устройство и методы защиты
При решении задач защиты выделяют источник, приемник энергии и защитное устройство, которое уменьшает до допустимых уровней поток энергии к приемнику [3].
В общем случае защитное устройство (ЗУ) обладает способностями: отражать, поглощать, быть прозрачным по отношению к потоку энергии. Пусть из общего потока энергии W+, поступающего к ЗУ (рис. 11.41), часть W поглощается, часть W– отражается и часть W– проходит сквозь ЗУ. Тогда ЗУ можно охарактеризовать следующими энергетическими коэффициентами: коэффициентом поглощения = W /W+, коэффициентом отражения = W– /W+, коэффициентом передачи = W– /W+. Очевидно, что выполняется равенство + + = 1. Сумма + = l – = v (где v = Wv/W+) характеризует неотраженный поток энергии Wv, прошедший в ЗУ. Если = 1, то ЗУ поглощает всю энергию, поступающую от источника, при = 1 ЗУ обладает 100 %-й отражающей способностью, а равенстве = 1 означает абсолютную прозрачности ЗУ: энергия проходит через устройство без потерь.
Рис. 11.41. Энергетический баланс защитного устройства
В соответствии с изложенным можно выделить следующие принципы защиты:
-
принцип, при котором 1; защита осуществляется за счет отражательной способности ЗУ;
-
принцип, при котором 1; защита осуществляется за счет поглощательной способности ЗУ;
-
принцип, при котором 1; защита осуществляется с учетом свойств прозрачности ЗУ.
На практике принципы обычно комбинируют, получая различные методы защиты. Наибольшее распространение получили методы защиты изоляцией и поглощением.
Методы изоляции используют тогда, когда источник и приемник энергии, являющийся одновременно объектом защиты, располагаются с разных сторон от ЗУ. В основе этих методов лежит уменьшение прозрачности среды между источником и приемником, т.е. выполнение условия 0. При этом можно выделить два основных метода изоляции: метод, при котором уменьшение прозрачности среды достигается за счет поглощения энергии ЗУ [т.е. условие 0 обеспечивается условием 1 (рис. 11.42, а)], и метод, при котором уменьшение прозрачности среды достигается за счет высокой отражательной способности ЗУ [т.е. условие 0 обеспечивается условием 1 (рис. 11.42, б)).
Рис. 11.42. Методы изоляции при расположении источника и приемника с разных сторон от ЗУ:
а –энергия поглощается; б— энергия отражается
В основе методов поглощения лежит принцип увеличения потока энергии, прошедшего в ЗУ, т.е. достижение условия v 1. Принципиально можно различать как бы два вида поглощения энергии ЗУ: поглощение энергии самим ЗУ за счет ее отбора от источника в той или иной форме, в том числе в виде необратимых потерь (характеризуется коэффициентом , рис. 11.43, а), и поглощение энергии в связи с большой прозрачностью ЗУ (характеризуется коэффициентом , рис. 11.43, б).
Рис. 11.43. Методы поглощения при расположении источника и приемника с одной стороны от ЗУ:
а – энергия отбирается; б – энергия пропускается
Так как при v 1 коэффициент 0, то методы поглощения используют для уменьшения отраженного потока энергии; при этом источник и приемник энергии обычно находятся с одной стороны от ЗУ.
При рассмотрении колебаний наряду с коэффициентом часто используют коэффициент потерь , который характеризует количество энергии, рассеянной ЗУ:
= Ws/ = s/2, (11.54)
где Ws и s – средние за период колебаний Т соответственно мощность потерь и рассеянная за то же время энергия; – круговая частота, = 2/Т, – энергия, запасенная системой.
В большинстве случаев качественная оценка степени реализации целей защиты может осуществляться двумя способами:
1) определяют коэффициент защиты кw в виде отношения:
| кw = | поток энергии в данной точке при отсутствии ЗУ |
| поток энергии в данной точке при наличии ЗУ |
-
определяют коэффициент защиты в виде отношения:
| кw = | поток энергии на входе в ЗУ |
| поток энергии на выходе из ЗУ |
Эффективность защиты (дБ)
e = 10 lg kw. (11.55)
11.3.2. Защита от вибрации
Линейные вибросистемы состоят из элементов массы, упругости и демпфирования. В общем случае в системе действуют силы инерции, трения, упругости и вынуждающие.
Сила инерции, как известно, равна произведению массы М на ее ускорение
где v – виброскорость.
Сила Fm направлена в сторону, противоположную ускорению.
Упругий элемент принято изображать в виде пружины, не имеющей массы (рис. 11.44, а). Чтобы переместить конец пружины из точки с координатой x0 (ненапряженное соотношение) в точку с координатой х1 к пружине необходимо приложить силу; при этом сила действия упругого элемента, или восстанавливающая сила, будет направлена в противоположную сторону и равна
FG = Gx, (11.57)
где G – коэффициент жесткости, Н/м; х = х1 – x0 – смещение конца пружины, м.
При вибрации упругих систем происходит рассеяние энергии в окружающую среду, а также в материале упругих элементов и в узлах сочленения деталей конструкции. Эти потери вызываются силами трения – диссипативными силами, на преодоление которых непрерывно и необратимо расходуется энергия источника вибрации.
Если рассеяние энергии происходит в элементе демпфирования (рис. 11.44, б), т.е. в вязкой среде (среде с вязким сопротивлением), то диссипативная сила F, пропорциональна виброскорости и носит название демпфирующей:
Fs = Sv. (11.58)
Сила F, всегда направлена против скорости, коэффициент S (Н с/м) называют импедансом, или сопротивлением элемента демпфирования.
Основные характеристики виброзащитных систем. К основным характеристикам виброзащитных систем отнесены собственная частота системы, механический импеданс и коэффициенты, определяющие процессы затухания вибраций и рассеяния энергии1.
Рис. 11.44. Схематическое изображение элементов упругости (а) и демпфирования (б)
По аналогии с формулой (11.58) можно ввести общее понятие механического импеданса материальной точки при гармонической вибрации
где комплексное число z в полярной форме можно записать в виде
Найдем импеданс элементов массы и упругости. При заданной виброскорости
смещение
и ускорение
материальной точки находят интегрированием и дифференцированием:
Подставив ускорение а в формулу (11.56), определяют импеданс элемента массы, или просто импеданс массы z«:
Таким образом, импеданс массы
является мнимой положительной величиной, пропорциональной частоте. Он достигает больших значений в диапазоне высоких частот. В диапазоне низких частот им можно пренебречь.
Подставив смещение х в формулу (11.57), находят импеданс элемента упругости
.
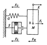
Рис. 11.45. Схема вибросистемы с одной степенью свободы
Таким образом, импеданс элемента упругости
является чисто мнимой отрицательной величиной, обратно пропорциональной частоте; в области высоких частот им можно пренебречь.
Импеданс элемента демпфирования являете действительной величиной
В общем случае вибросистему с одной степенью свободы можно изобразить в виде элемента массы, не обладающего деформаций, и элементов упругости и демфирования, не имеющих массы (рис. 11.45). Точка О обозначает положение статического равновесия, от которого отсчитываетеся смещение х тела массой М под действием гармонической вынуждающей силы Ft. К телу также приложены сила инерции FM восстанавливающая сила FG и диссипативная демпфирующая сила FS. В соответствии с принципом Д'Аламбера .
Свободная вибрация (Ft = 0) в отсутствие сил трения (Fs = 0) с течением времени не затухает. Виброскорость в этом случае определяется выражением (11.59), в котором амплитуда vm = const. Условие FM + FG = 0 с учетом выражений (11.60) и (11.61) позволяет определить собственную частоту вибросистемы:
Собственную частоту системы с одной степенью свободы (см. рис. 11.44, а) на практике определяют по прогибу Δ, исходя из равенства сил FG = FM в статике:
где g – ускорение свободного падения.
При наличии сил трения (Fs 0) свободная вибрация (Ft = 0) затухает. Амплитуда виброскорости с течением времени убывает. Чтобы учесть это, вводят комплексную угловую частоту
, где – коэффициент демпфирования. Поставив в выражение (11.59) частоту
вместо , получим
где vm() = vme–t – амплитуда виброскорости с учетом затухания.
Из уравнения
находят неизвестные величины и 0.
где
– критический импеданс элемента демпфирования.
Таким образом, коэффициент демпфирования равен половине импеданса элемента демпфирования, приходящегося на единицу массы, и свободная вибрация с затуханием осуществляется с частотой 0, зависящей от отношения импедансов S/Skp, которое характеризует силы трения в системе. При отсутствии диссипативных сил (S/Skp = 0) частота 0. = 0; если же диссипативные силы имеют критическое значение, т.е. если S/Skp = 1, то частота 0. = 0.
Вынужденная вибрация (F1 0) происходит с частотой вынуждающей силы. Из уравнения (11.62) определяют механический импеданс вибросистемы:
Таким образом, импеданс вибросистемы складывается из импедансов элемента демпфирования, массы и упругости. Он имеет активную и реактивную составляющие. Его модуль и фазовый угол равны:
Характеристики
Тип файла документ
Документы такого типа открываются такими программами, как Microsoft Office Word на компьютерах Windows, Apple Pages на компьютерах Mac, Open Office - бесплатная альтернатива на различных платформах, в том числе Linux. Наиболее простым и современным решением будут Google документы, так как открываются онлайн без скачивания прямо в браузере на любой платформе. Существуют российские качественные аналоги, например от Яндекса.
Будьте внимательны на мобильных устройствах, так как там используются упрощённый функционал даже в официальном приложении от Microsoft, поэтому для просмотра скачивайте PDF-версию. А если нужно редактировать файл, то используйте оригинальный файл.
Файлы такого типа обычно разбиты на страницы, а текст может быть форматированным (жирный, курсив, выбор шрифта, таблицы и т.п.), а также в него можно добавлять изображения. Формат идеально подходит для рефератов, докладов и РПЗ курсовых проектов, которые необходимо распечатать. Кстати перед печатью также сохраняйте файл в PDF, так как принтер может начудить со шрифтами.
















