Отчет по ЛР №17 - Компьютерный анализ переходных процессов - Вариант 85 (1267070)
Текст из файла
Министерство Образования Российской Федерации
Новосибирский государственный технический университет
Кафедра общей электротехники.
Отчёт по лабораторной работе № 17
по ОТЦ
"Компьютерный анализ переходных процессов"
Факультет: РЭФ
Группа: РТ5-24
Студент: Гурьянов Н.С.
Преподаватель: Богданов В.В.
Новосибирск 2004
Цель работы
Освоить методику составления уравнений переменных состояния цепи и их численного решения в среде MathCAD.
Рабочее задание
-
Для полученного индивидуального задания составить, в общем случае, два уравнения: одно – основное – для определения переменной состояния цепи (тока катушки или напряжения конденсатора) и второе (при необходимости) – для искомого тока или напряжения элемента цепи.
-
Записать выражение импульса задающего напряжения или тока, определенного своим графиком.
-
Сделать заготовку лабораторной работы, содержащую исходные данные для ее выполнения на компьютере (записать стартовое значение переменной состояния цепи, дифференциальное уравнение в нормальной форме для переменной состояния цепи и при необходимости алгебраическое выражение искомого напряжения или тока).
-
Открыть окно MathCAD на экране компьютера и создать рабочий документ.
-
Пользуясь методическими указаниями и примером расчета ввести все необходимые значения и формулы в рабочий документ MathCAD, сохраняя его время от времени.
-
Получить таблицу значений искомого напряжения или тока элемента цепи. Построить совмещенные графики заданного импульса напряжения или тока и искомой величины.
Индивидуальное задание:
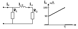
| З Запишите выражение и постройте график тока i2(t) катушки L2 цепи (рис. 92, а) при t≥0, если R1=60 Ом, L2=0.4 Гн, R3=40 Ом, а ток ik(t) имеет форму, показанную на рис.92, б. τ - постоянная времени цепи. адача 17.85 а б |
Составим уравнения по законам Кирхгофа:
Введем необходимые для расчета данные и запишем выражение импульса задающего тока:
Введем стартовое значение искомой функции и найденное выражение с ее производной:
Вычислим значения искомой функции в 400 точках интервала [0; τ]:
Полученные таблицы искомой функции в моменты времени T:
Совмещенные графики зависимости задающего тока и тока на L2:
Характеристики
Тип файла документ
Документы такого типа открываются такими программами, как Microsoft Office Word на компьютерах Windows, Apple Pages на компьютерах Mac, Open Office - бесплатная альтернатива на различных платформах, в том числе Linux. Наиболее простым и современным решением будут Google документы, так как открываются онлайн без скачивания прямо в браузере на любой платформе. Существуют российские качественные аналоги, например от Яндекса.
Будьте внимательны на мобильных устройствах, так как там используются упрощённый функционал даже в официальном приложении от Microsoft, поэтому для просмотра скачивайте PDF-версию. А если нужно редактировать файл, то используйте оригинальный файл.
Файлы такого типа обычно разбиты на страницы, а текст может быть форматированным (жирный, курсив, выбор шрифта, таблицы и т.п.), а также в него можно добавлять изображения. Формат идеально подходит для рефератов, докладов и РПЗ курсовых проектов, которые необходимо распечатать. Кстати перед печатью также сохраняйте файл в PDF, так как принтер может начудить со шрифтами.
















