Отчет по ЛР №17 - Компьютерный анализ переходных процессов (1267072)
Текст из файла
Министерство образования и науки Российской Федерации
Новосибирский государственный технический университет
Кафедра Общей электротехники
Отчёт по лабораторной работе № 17
по ОТЦ
"Компьютерный анализ переходных процессов"
Факультет: РЭФ
Группа: РТ5-44
Студент: Пургин Д.В.
Преподаватель: Давыденко О.Б.
Новосибирск,2006
Цель работы
Изучить методику составления уравнений переменных состояния цепи и их численного решения в среде MathCAD.
Рабочее задание
-
Провести предварительные теоретические выкладки.
-
Произвести необходимый объём работ в среде MathCAD.
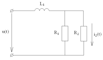
Исходные данные
Схема цепи
Параметры элементов цепи
| R1 | R2 | L1 |
| Ом | Ом | Гн |
| 55 | 35 | 0.8 |
Входной импульс
1. Теоретическая часть
Схема замещения для момента времени t ≥ 0
Составим уравнения для данной цепи:
Получили уравнение состояния цепи, которое в более общем случае имеет вид:
Интегрируя это уравнение на бесконечно коротком интервале в пределах от t = 0– до t = 0+, находим стартовое значение тока катушки:
.
Найдём численное решение уравнения переменной состояния цепи методом Рунге-Кутта, реализованном в пакете MathCAD через функцию rkfixed.
2. Текст программы в среде MathCAD
Заключение: математический пакет MathCAD позволяет относительно просто находить численные решения уравнений переменных состояния цепи посредством нескольких алгоритмов (методов), один из которых был использован в данной работе. Точность решения можно изменять в процессе вычислений.
Характеристики
Тип файла документ
Документы такого типа открываются такими программами, как Microsoft Office Word на компьютерах Windows, Apple Pages на компьютерах Mac, Open Office - бесплатная альтернатива на различных платформах, в том числе Linux. Наиболее простым и современным решением будут Google документы, так как открываются онлайн без скачивания прямо в браузере на любой платформе. Существуют российские качественные аналоги, например от Яндекса.
Будьте внимательны на мобильных устройствах, так как там используются упрощённый функционал даже в официальном приложении от Microsoft, поэтому для просмотра скачивайте PDF-версию. А если нужно редактировать файл, то используйте оригинальный файл.
Файлы такого типа обычно разбиты на страницы, а текст может быть форматированным (жирный, курсив, выбор шрифта, таблицы и т.п.), а также в него можно добавлять изображения. Формат идеально подходит для рефератов, докладов и РПЗ курсовых проектов, которые необходимо распечатать. Кстати перед печатью также сохраняйте файл в PDF, так как принтер может начудить со шрифтами.
















