диплом (1230930)
Текст из файла
СОДЕРЖАНИЕ
ВВЕДЕНИЕ …7
1 ОБЗОР СУЩЕСТВУЮЩИХ СИСТЕМ НАКОПЛЕНИЙ И исПОЛЬЗОВАНИЕ ЭНЕРГИИ ЭЛЕКТРИЧЕСКОГО ТОРМОЖЕНИЯ ТЕПЛОВОЗА…………………………………………………………………….. …9
1.1 Анализ эффективности систем электрического торможения………………. .9
1.1.1Характеристика систем реостатноготорможения……………10 1.1.2Характеристикасистем рекуперативного торможения………13 1.1.3 Основные преимущества рекуперативного торможения…………… 16
1.2 Использование систем электрического торможения на электровозе «Ермак»………………………………………………………………………………16
2 оПЫТ ПЕРЕДОВЫХ ПРЕДПРИЯТИЙ…………… ……………………….22
2.1 Альтернативные виды тяги ………………..Error: Reference source not found
2.1.1 Обзор газотурбовоза……………………………………………………...20
2.1.2. Обзор атомовоза………………………………………………………….31
2.2 Современные способы накопления и использования энергии…………..33
2.2.1Обзор nanoFlowc …………………………………………………….. …33 2.2.2 Обзор суперкондерсатора ……Error: Reference source not found7
3 предложение по внедрению оптимальной системы накопления и использования энергии элетрического торможения тепловоза 261
3.1 Технические характеристики 41
3.2 Рассмотрение возможности использования технологии nanoFlowcell на тепловозе 45
3.3 Рассмотрение возможности использования гибридной технологии на тепловозе……………………………………………………………………….46
4 Безопасность труда 50
4.1Законодательство о БЖД 51
4.2 Безопасность труда при ремонте навесных агрегатов 52
4.3 Обеспечение ТБ при станочно-слесарных работах 58
4.4Обеспечение техники безопасности при сварочно-наплавочных работа 60
5 РАСЧЕТ ЭКОНОМИЧЕСКОЙ ЭФФЕКТИВНОСТИ 66
5.1 Общая характеристика показателей оценки экономической эффективности 66
5.2 Определение затрат на модернизацию участка по ремонту навесных агрегатов 71
5.3 Определение экономического эффекта 71
ЗАКЛЮЧЕНИЕ 77
Список использованных источников 79
ВВЕДЕНИЕ
Железнодорожному транспорту РФ принадлежит ведущая роль в удовлетворении потребностей в перевозке грузов и пассажиров. Железные дороги РФ имеют 11 % протяженности сети железных дорог мира, выполняют 53 % мирового грузооборота.
Материально-техническая база транспортной системы представляет собой совокупности путей сообщения, транспортных узлов, подвижных и станционных технических средств, погрузочно-разгрузочных устройств предприятий народного хозяйства.
Основные задачи железнодорожного транспорта – своевременное, качественное и полное удовлетворение потребностей народного хозяйства и населения в перевозках, повышение экономической эффективности его работы, безопасность движения на единицу перевозок, повышение скорости и сроки доставки грузов, надежность технических средств.
К наиболее важным показателям надежности технических средств относятся: безопасность в эксплуатации, долговечность, сохраняемость, расход энергоресурсов, металла, материалов: стоимость на единицу работы, сырья. Выбор эффективного вида транспорта в условиях конкуренции производится на основе экономических расчетов с учетом конкретных требований рынка на перевозки.
В частности прогресс железных дорог неразрывно связан с состоянием локомотивной тяги, где необходимо повышать качество ремонта и содержание подвижного состава, увеличивать скорость движения поездов,обновлять и пополнять парк локомотивов более надежными, экономичными локомотивами, газотурбовозами. Оборудовать локомотивы телемеханическими устройствами, в том числе для дистанционного управления, повышать уровень механизированных стойл и позиций.
В первой части дипломного проекта представлен краткий обзор существующих систем накопления и использования энергии электрического торможения тепловоза. Во второй части отображены вопросы использования передовыми предприятиями систем накопления и электрического торможения тепловоза. Третья часть представляет собой проектирование и предложение по внедрению оптимальной системы накопления и использование энергии электрического торможения тепловоза.
В четвертой части освещены вопросы безопасности жизнедеятельности при производстве работ.
Все вопросы разработаны с учетом нормативной документации.
1 ОБЗОР СУЩЕСТВУЮЩИХ СИСТЕМ НАКОПЛЕНИЯ И ИСПОЛЬЗОВАНИЯ ЭНЕРГИИ ЭЛЕКТРИЧЕСКОГО ТОРМОЖЕНИЯ ЭЛЕКТРОВОЗА
Целью данного раздела выпускной квалификационной работы является анализ существующих систем электрического торможения тягового подвижного состава и выявление преимуществ и недостатков каждой из них.
1.1 Анализ эффективности систем электрического торможения
Тяговые электрические двигатели (ТЭД) обладают свойством обратимости, то есть могут работать как генераторы. Тяговые двигатели при электрическом торможении работают в генераторном режиме. Создаваемый ими при этом вращающий момент стремится задержать вращение связанных с двигателями колесных пар, чем и достигается эффект торможения. При этом кинетическая и потенциальная энергия поезда преобразуются в электрическую. Электрическое торможение применяют для подтормаживания и регулирования скорости движения поездов на спусках, а также для остановки поездов или снижения скорости. Электроэнергия, вырабатываемая в процессе электрического торможения, может быть поглощена в резисторах локомотива (реостатное торможение) или передана в контактную сеть (рекуперативное). В зависимости от этого различают два вида электрического торможения: реостатное и рекуперативное [2].
При электрическом торможении снижается доля применения пневматического торможения на затяжных спусках, при этом снижается нагрев колодок и бандажей, а также появления значительного количества пыли от тормозных колодок, загрязняющей электрооборудование и путь.
Кроме того, практически вдвое снижаются износы бандажей и эксплуатационные расходы по смене тормозных колодок, осмотру и ремонту тормозной системы, существенно облегчается управление тормозным. процессом, который на современном подвижном составе полностью автоматизирован.
1.1.1 Характеристика систем реостатного торможения
Реостатное торможении - электрическое торможение, при котором кинетическая энергия механизма (напр., грузоподъёмного) преобразуется в электрическую (при этом электродвигатель работает в генераторном режиме), рассеиваемую в виде тепла в пусковых либо особых тормозных реостатах.
При реостатном торможении тяговые двигатели (ТЭД) отключаются от питающей контактной сети и подключаются на тормозные резисторы. Преимуществом данного способа электрического торможения является полная независимость тормозного момента от наличия и колебания напряжения в контактной сети. На подвижном составе применяют две системы реостатного торможения: с самовозбуждением двигателей и с независимым возбуждением.
Рисунок 1 – Схема цепей электрического торможения при включении группы тяговых двигателей на отдельный тормозной реостат
Действительно, если отсутствует напряжение, подаваемое на двигатель извне, направление тока будет определяться направлением э. д. с. двигателя, противоположным направлению внешнего напряжения.
Известно, что сталь после прекращения ее намагничивания обладает остаточным магнетизмом, который исчезает, когда изменяется направление тока в обмотках возбуждения. При этом может нарушиться самовозбуждение двигателей.
Во время торможения каждую группу, например, из двух ТЭД, соединенных последовательно, можно включить на отдельный тормозной резистор Rт (см. рисунок 1.1). Если в режиме тяги были замкнуты контакты реверсора 1, 2, то перед переходом на реостатное торможение они размыкаются и замыкаются контакты 3, 4. При этом тормозной ток Iт, проходя по обмоткам возбуждения в том же направлении, что и в двигательном режиме, создает поток, намагничивающий машину. Их общая э. д. с. увеличивается. Ток Iт возрастает до некоторого значения, определяемого скоростью движения и сопротивлением тормозного реостата Rт. Тормозную силу регулируют, изменяя ток Iт путем включения или выключения секций тормозного реостата с помощью контакторов (на рисунке 1 они не показаны) [2].
При реостатном торможении ТЭД включают параллельно по два в каждом плече. В этом случае возросшее напряжение на каждом двигателе находится в допустимых пределах – в 1,5-1,7 раза выше, чем в тяговом режиме, и можно использовать в режиме торможения пусковой реостат. Однако при параллельном соединении двигателей последовательного возбуждения приходится принимать специальные меры для обеспечения их устойчивой работы и равномерного распределения тока между ними. Если двигатели включить параллельно (рисунок 1.2 – замкнуты контакты 1, 2, а контакты 3, 4 разомкнуты), реостатное торможение неустойчиво, так как любое случайное увеличение тока в одной из двух ветвей, содержащих по два последовательно соединенных двигателя, увеличивает э. д. с. двигателей этой ветви. Появляется уравнительный ток, который еще больше нагружает их и разгружает двигатели другой ветви. Это может, в конце концов, привести к короткому замыканию двигателей первой ветви и полному размагничиванию, а затем и перемагничиванию двигателей второй ветви [2].
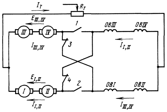
Наилучшее распределение нагрузок между тяговыми машинами и их устойчивую работу обеспечивает так называемая перекрестная схема (на рисунке 2 контакты 1, 2 разомкнуты, а контакты 3, 4 замкнуты).
Рисунок 2 – Схема цепей электрического торможения с общим тормозным реостатом при перекрестном включении обмоток возбуждения
Если по какой-либо причине э. д. с. двигателей I, II, а, следовательно, и ток будут больше, чем соответственно э. д. с. и ток двигателей III, IV, ток в обмотках возбуждения последних будет возрастать, пока э. д. с. двигателей I, II и III, IV не станут равными [2].
В случае параллельного соединения трех групп двигателей возможно применение так называемой циклической схемы реостатного торможения, при которой обмотка возбуждения каждого двигателя соединена последовательно с якорем двигателя другой параллельной ветви. Подразумевается такое включение обмоток, при котором их потоки не размагничивают двигатели.
Реостатное торможение двигателей с самовозбуждением имеет ряд недостатков. Одним из них является сравнительно медленное самовозбуждение и относительно большое время, которое требуется для создания необходимой тормозной силы. Чтобы ускорить самовозбуждение, можно подать дополнительное напряжение от независимого источника либо на основную обмотку возбуждения, либо на специальную добавочную обмотку с небольшим числом витков. При этом начальная э. д. с. определяется уже не потоком остаточного магнетизма, а значительно большим магнитным потоком.
Тормозную силу регулируют, изменяя как сопротивление Rт, так и магнитный поток двигателей, для чего изменяют напряжение независимого источника [2].
1.1.2 Характеристика систем рекуперативного торможения
В случае рекуперативного торможения электрическая энергия, возвращаемая в контактную сеть рекуперирующим электровозом, потребляется электровозами, находящимися с ним на одном участке и работающими в тяговом режиме. Если таких электровозов нет или необходимая им энергия меньше рекуперируемой, то так называемая избыточная энергия рекуперации направляется в энергосистему. На электрифицированных участках с очень интенсивным движением, где, как правило, почти вся рекуперируемая энергия потребляется электровозами или электропоездами, работающими в режиме тяги, иногда на подстанциях устанавливают поглощающие резисторы. Они автоматически включаются при наличии избыточной энергии рекуперации [2].
Для того чтобы осуществить рекуперативное торможение, необходимо обмотки возбуждения отключить от обмоток якорей и питать их от постороннего источника энергии, например от специального генератора возбудителя В (рисунок 3, а).
Характеристики
Тип файла документ
Документы такого типа открываются такими программами, как Microsoft Office Word на компьютерах Windows, Apple Pages на компьютерах Mac, Open Office - бесплатная альтернатива на различных платформах, в том числе Linux. Наиболее простым и современным решением будут Google документы, так как открываются онлайн без скачивания прямо в браузере на любой платформе. Существуют российские качественные аналоги, например от Яндекса.
Будьте внимательны на мобильных устройствах, так как там используются упрощённый функционал даже в официальном приложении от Microsoft, поэтому для просмотра скачивайте PDF-версию. А если нужно редактировать файл, то используйте оригинальный файл.
Файлы такого типа обычно разбиты на страницы, а текст может быть форматированным (жирный, курсив, выбор шрифта, таблицы и т.п.), а также в него можно добавлять изображения. Формат идеально подходит для рефератов, докладов и РПЗ курсовых проектов, которые необходимо распечатать. Кстати перед печатью также сохраняйте файл в PDF, так как принтер может начудить со шрифтами.
















