диплом (1230930), страница 2
Текст из файла (страница 2)
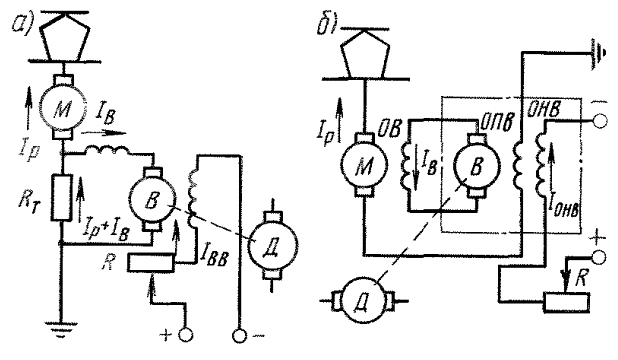
Якорь возбудителя приводится во вращение двигателем Д. В этом случае можно установить в обмотках возбуждения такой ток, при котором э. д. с. в обмотках якорей тяговых двигателей станет больше напряжения в контактной сети. Если скорость движения поезда уменьшится, то может снизиться э. д .с. двигателей, работающих в режиме генераторов. Однако достаточно увеличить ток возбуждения Iв чтобы поддержать необходимую э. д. с, а значит, ток и тормозной момент, создаваемый двигателями. Для этого регулируют ток Iв в независимой обмотке возбуждения возбудителя В, изменяя сопротивление реостата П.
Рисунок 3 – Схема рекуперативного торможения при независимом возбуждении тяговых двигателей со стабилизирующим резистором Rст (а) и с противовозбуждением возбудителя (б)
Схемы, построенные по такому принципу, можно использовать для рекуперативного торможения нескольких параллельно включенных двигателей.
При этом в каждой цепи двигателя имеется стабилизирующий резистор Rт, а обмотки возбуждения подключены к общему возбудителю В. Стабилизирующие резисторы обеспечивают электрическую устойчивость системы в режиме рекуперативного торможения, но они же создают и присущий схеме недостаток: значительные потери энергии в этих резисторах и необходимость повышенной мощности возбудителя для их компенсации.
Предложено несколько схем, свободных от этого недостатка. Так, на восьмиосных электровозах для осуществления рекуперативного торможения используют противовозбуждение возбудителя (рисунок 3, б). В этом случае обмотки возбуждения ОВ тяговых двигателей подключают к якорю возбудителя В. Возбудитель имеет две обмотки: независимую ОНВ, напряжение в которую подается от постороннего источника энергии, и обмотку противовозбуждения ОПВ, включенную последовательно в цепь тока рекуперации. Магнитные потоки обеих обмоток, создаваемые соответственно токами Iонв и Iр, направлены встречно. При увеличении тока рекуперации в случае уменьшения напряжения в контактной сети ток обмотки противовозбуждения снижает результирующий магнитный поток возбуждения возбудителя. Соответственно уменьшаются возбуждение генератора (тягового двигателя) и его э. д. с. Когда напряжение в контактной сети повышается, ток рекуперации уменьшается, и все процессы в схеме проходят в обратном порядке. При рекуперативном торможении с использованием противовозбуждения обмотки возбуждения двигателей включают так же, как и при реостатном торможении, по циклической схеме. Это позволяет выравнивать токи в параллельных цепях якорей двигателей в случае повышения э. д. с. в одной из них.
В зависимости от скорости движения поезда рекуперативное торможение применяют на трех соединениях якорей тяговых двигателей. Если скорость движения большая, используют параллельное соединение. В случае малой скорости движения получить большую э. д. с. машин невозможно, и тогда применяют последовательно-параллельное или последовательное соединение [2].
1.1.3 Основные преимущества рекуперативного торможения
Применение рекуперации по отношению к реостатному торможению дает большой эффект. На отдельных участках с крутыми спусками может быть сэкономлено до 20% электрической энергии, затрачиваемой на тягу поездов.
Преимущества рекуперативного торможения этим не ограничиваются. Когда поезд следует по крутому спуску, для того чтобы его скорость не превысила допустимую, обычно локомотив и состав периодически подтормаживают пневматическими тормозами. В результате скорость движения поезда уменьшается, а затем вновь возрастает, т. е. средняя скорость его на спуске ниже допустимой. Кроме того, все время притормаживать поезд нельзя, так как истощается пневматическая тормозная система, снижается коэффициент трения колодок вследствие их нагревания. При рекуперативном торможении можно обеспечить на спуске постоянную скорость, близкую к допустимой, зависящей от состояния пути, конструкции электровозов, вагонов, контактной сети.
Кроме того, к контактной сети при рекуперации подключается дополнительный источник энергии, напряжение в ней повышается, и другие электровозы на этом участке, следующие по подъему или площадке, могут развивать более высокую скорость.
1.2 Использование систем электрического торможения на электровозе «Ермак»
Первый грузовой электровоз российского производства «Ермак» со шел с конвейера в 2004 году для того, чтобы заменить грузовые электровозы серии ВЛ80. «Ермак» разработан всероссийским научно- исследовательским институтом электровозостроения и собирается на соответствующем заводе в Новочеркасске. На сегодняшний день введены в эксплуатацию четыре модификации машины, которые различаются количеством секций. Это число зашифровано в префиксе моделей, например, 2ЭС5К,3ЭС5К, 4ЭС5К. Данные электровозы незаменимы для перевозки составов повышенной веса на участках со сложным профилем. Увеличив число секций до четырех, разработчики модели смогли добиться максимальной мощности часового режима до 13120 кВт. По итогам 2014 года самым сильным в мире локомотивом с постоянной формацией является электровоз «Ермак» 4ЭС5К. До него рекордсменом по мощности был двухсекционный 12-осный электровоз ВЛ86Ф, изготовленный на том же Новочеркасском электровозостроительном заводе в 1985 году.
Рисунок 4 электровоз 3ЭС5К, «Ермак »
3ЭС5К «Ермак» – это трехсекционный электровоз для грузовых поездов, оборудованный коллекторным тяговым электродвигателем. Изначально данная модель получила название 2ЭС5К, но впоследствии была переименована в 3ЭС5К (по числу секций). Для работы электровоз нуждается в однофазном переменном токе с напряжением 25 кВ и частотой 50 Гц. Производство трехсекционных электровозов наладилось в 2007 году. Машина представляла собой улучшенную версию двухсекционного электровоза. От базовой комплектации отличается дополнительной секцией, которая распложена между двумя основными. Бустерный отсек оснащен оборудованием, для обеспечения движения и торможения электровоза. При этом управление осуществляется из кабины хвостовой или головной секции. Благодаря этому мощность локомотива увеличилась до 10 тысяч кВт (вместо прежних 6560 кВт).
Рисунок 5 Габаритные размеры электровоза 3ЭС5К
3ЭС5К введены в эксплуатацию на Дальневосточной, Забайкальской и Восточно-Сибирской железных дорогах. Всего в Забайкалье на сегодняшний день исправно функционируют около 715 электровозов «Ермак», подтверждая репутацию надежных и мощных машин. Таким образом, электровозы «Ермак» можно по полному праву считать гордостью отечественного электровозостроения.
Вывод: Проведенный анализ систем электрического торможения показал, что наиболее эффективной является система торможения с рекуперацией электроэнергии в контактную сеть. Данный вид торможения дает ощутимую экономию энергии, так как выработанная электрическая энергия передается в контактную сеть и может быть использована другими локомотивами на данном участке контактной сети. Рекуперативное торможение на железнодорожных локомотивах может использоваться для подтормаживания в экстренных аварийных случаях при отказе воздушного тормоза. Опыт успешно реализованной на электровозах технологии систем накопления энергии, хорошим фундаментом
создания подобной технологии на тепловозе.
2 ОПЫТ ПЕРЕДОВЫХ ПРЕДПРИЯТИЙ
Газотурбовоз - автономный локомотив, на котором в качестве основного (первичного) двигателя использован тепловой - газотурбинный - двигатель. На всех построенных газотурбовозах устанавливался одновальный газотурбинный двигатель с электрической передачей постоянного тока. На нескольких газотурбовозах применен безвальный генератор газа со свободной тяговой турбиной. Первый патент на газотурбовоз с механическим генератором газов и свободной тяговой турбиной был выдан российскому ученому А.Н. Шелесту 16 мая 1922 г.
Первый газотурбовоз мощностью 1618 кВт был построен в 1941 г. фирмой «Браун-Бовери» (Швейцария), до 1961 г. в разных странах было построено несколько опытных образцов газотурбовозов. Наибольшее развитие газотурбовозы получили в США. Первый опытный газотурбовоз мощностью 3300 кВт был построен фирмой «Дженерал электрик» (General Electric) и в конце 1948 г. поступил в опытную эксплуатацию; всего фирмой было построено 24 локомотива. С 1958 по 1961 гг. было выпущено еще 30 газотурбовозов мощностью 6250 кВт.
В России первый грузовой газотурбовоз ГТ-01 мощностью 2574 кВт с электрической передачей постоянного тока был построен в 1959 г. Газотурбовоз (рис. 1) разделен на три отсека: в переднем расположена кабина машиниста и высоковольтная камера; в среднем — газотурбинный двигатель, редуктор, тяговые генераторы постоянного тока, смонтированные на общей раме; в третьем отсеке расположено вспомогательное оборудование газотурбовоза: дизель мощностью 162 кВт с генератором постоянного тока, тормозной компрессор, отопительный водяной котел для подогрева топлива, бак для топлива, необходимого для работы дизеля и пуска газотурбинного двигателя, топливный бак емкостью 9,5 т тяжелого топлива для газотурбинного двигателя.
Рисунок 6. Размещение оборудования на газотурбовозе Г1-01 (общий вид и план): 1 - отсек с кабиной машиниста и высоковольтной камерой, 2 — отсек для газотурбинного двигателя, редуктора и тяговых генераторов постоянного тока, 3 - отсек для вспомогательного оборудования.
На основе эксплуатационных испытаний на Коломенском тепловозостроительном заводе в 1964 г. были построены два пассажирских газотурбовоза ГП-0001 (рис. 7) мощностью 2574 кВт, на которых были установлены газотурбинный двигатель и электрическая передача, однотипная с передачей грузового газотурбовоза.
Рисунок 7. Пассажирский газотурбовоз ГП-0002
В 1958 г. заводами «Шкода» (Чехословакия) был создан опытный образец газотурбовоза мощностью 2350 кВт с регенераторным двухвальным газотурбинным двигателем и тяговой турбиной, связанной через двухступенчатый редуктор и карданные валы с колесами локомотива.
На Луганском тепловозостроительном заводе им. Октябрьской революции в 1960 г. был выпущен газотурбовоз с безвальным генератором газа и свободной тяговой турбиной ГТ101-001(рисунок 3) (число оборотов вала 7000 об/мин), связанной с движущими колесами через гидромеханическую передачу. Еще в 1954 г. по заданию Харьковского завода транспортного машиностроения им. В. А. Малышева в Московском Высшем техническом училище им. Н. Э. Баумана под руководством профессора А. Н. Шелеста был разработан проект газотурбовоза с механическим генератором газов с комбинированной теплосиловой установкой, состоящей из газовой турбины и свободнопоршневых генераторов газов (сокращено СПГГ). Такую комбинацию машин можно рассматривать как дальнейшее развитие дизеля с газотурбинным наддувом, у которого вся мощность используется для привода турбины, являющейся источником механической энергии. При этом сам дизель из обычной поршневой машины с шатунно-кривошипным механизмом превращается в более простую машину, у которой имеются только поршни, двигающиеся навстречу друг другу или друг от друга. Каждый СПГГ имеет две пары поршней: два большего диаметра и два меньшего диаметра. Поршни большего диаметра соединены с поршнями меньшего диаметра. Поршни меньшего диаметра обращены друг к другу и могут передвигаться по внутреннему цилиндру, имеющий продувочные окна и форсунку для подачи жидкого топлива. Поршни большего диаметра помещены в компрессорные цилиндры. Пуск СПГГ осуществляется подачей сжатого воздуха в крайние полости компрессорных цилиндров. При этом поршни идут навстречу друг другу, происходит сжатие воздуха в полости между малыми цилиндрами. В конце хода поршней подается топливо, оно воспламеняется, давление в малом цилиндре резко возрастает и поршни расходятся, открываются продувочные окна, и сжатый во внутренних компрессорных полостях воздух продувает среднюю полость. Так как во внешних компрессорных полостях находившийся там воздух сжимается, то создаются воздушные буфера (подушки), останавливающие расходящееся движение поршней, а затем заставляющие поршни опять сходиться. Далее процесс повторяется. Процесс двигателя внутреннего сгорания в СПГГ — двухтактный. Продукты сгорания из него поступают в ресивер, а оттуда к газовой турбине. Так как температура смеси продуктов сгорания и воздуха при расширении их падает, то при одной и той же температуре смеси, подводимой к лопаткам турбины в СПГГ, возможно иметь более высокую температуру при сгорании топлива, чем в камерах сгорания, из которых смесь поступает непосредственно к лопаткам турбины. Это обстоятельство позволяет за счет подвода тепла, в виде нагретого компрессором воздуха осуществить более экономичный процесс сжигания топлива в цилиндрах СПГГ, чем в камерах сгорания обычных газотурбовозов. Преимуществом системы СПГГ над системой газотурбинной установки с камерой сгорания является также отсутствие компрессора, роль которого выполняют поршни большего
диаметра СПГГ, и возможность получения малого расхода топлива на холостой работе турбины за счет остановки части СПГГ. Число циклов СПГГ регулируется количеством подаваемого топлива.
Строго говоря, газотурбовоз с СПГГ можно отнести к классу тепловозов, у которых газовая турбина играет роль газовой передачи.
















