Пояснительная записка ВКР (1224864), страница 4
Текст из файла (страница 4)
В карбюраторных двигателях Тс = 600…750 К, дизелях – 700…900 К.
Оборудование для измерения:
- Датчик давление в камере сгорания;
- Датчик угла поворота коленчатого вала;
- Локальная станция быстротекущих измерений:
- Блок питания и сопряжения;
- Измерительный шунт;
- Топливомер;
- Электрические приборы в цепи нагрузки;
- Ареометр;
- Счетчик газа;
- ПК;
2.4 Тепловой баланс
Для анализа качества работы тепловых двигателей используется понятие о тепловом балансе, т. е. распределении и использовании внутренней химической энергии, содержащейся в топливе, поступившем в двигатель. Потенциальная энергия топлива QT лишь частично преобразуется в полезную механическую работу QP, значительная часть энергии теряется в разных формах: в виде потерь тепла с отработавшими газами Qr, с охлаждающей водой (2в, на нагревание масла Q, и прочие потери Qnp.
Тепловой баланс выражается уравнением
Hu=Qe+Qог+Qж+Qхим+Qост , (2.10)
где Qe – выполнение эффективной работы, кДж/кг;
Qог – потери теплоты с отработавшими газами, кДж/кг;
Qж – потери теплоты с отработавшими газами;
Qхим - потери теплоты из за химической неполноты сгорания топлива, кДж/кг;
Qост- неучтенные (экспериментально) потери теплоты, кДж/кг.
Не все тепло, выделившееся при сгорании топлива в цилиндрах, используется полезно, т. е. преобразуется в механическую работу на валу дизеля. Значительная часть тепла уносится с охлаждающей водой и маслом, выбрасывается с отработавшими газами, расходуется при охлаждении наддувочного воздуха, рассеивается в окружающую среду; это тепловые потери двигателя.
Составляющие теплового баланса меняются в зависимости от нагрузки, температуры воды и масла, температуры окружающего воздуха, частоты вращения вала дизеля и т. д. Так, например, при температуре охлаждающей воды 50 0С отвод тепла в воду примерно в 1,4 раза больше, чем при температуре воды в системе 90 0С; соответственно тепло перераспределяется и по другим составляющим.
Составляющие теплового баланса можно определить только экспериментально на испытательном стенде, а теплота, внесенная в двигатель топливом определяется из выражения
Qt= Qh · Bч, (2.11)
где Qh — теплота сгорания дизельного топлива (примерно 42300 кДж/кг);
Вч — часовой расход топлива дизелем, кг/ч.
Характеристикой называется зависимость основных показателей двигателя (мощности, крутящего момента, расхода топлива и др.) от режима его работы. Характеристики дизелей определяются экспериментально на стендах завода-изготовителя. Они вносятся в паспорт двигателя, и по ним оценивают эксплуатационные свойства, экономичность, надежность и области применения.
а) б)
Рисунок 2.10 – Скоростные характеристики: скоростная (а), тепловозная (б) Ne — эффективная мощность; п — частота вращения коленчатого вала; nmm— минимальная частота вращения коленчатого вала; nmax— максимальная частота вращения коленчатого вала; А — точка, соответствующая номинальному режиму работы дизеля
Режимы работы двигателя характеризуются нагрузкой и частотой вращения коленчатого вала. Характеристики, определяющие зависимость мощности от частоты вращения коленчатого вала, называются скоростными характеристиками (рисунок 2.10(а)). Если скоростная характеристика получена при полной подаче топлива, то она называется внешней скоростной характеристикой; характеристики, снятые при работе двигателя с неполной подачей топлива, называются частичными скоростными характеристиками.
На каждом скоростном режиме мощность может меняться от нуля (холостой ход) до максимального значения. Постоянство частоты вращения коленчатого вала при разных нагрузках требуется также в случае приведения в движение от двигателя таких машин, как, например, компрессоров, вентиляторов и т.п. Во всех этих случаях двигатель работает по нагрузочной характеристике. Нагрузочной характеристикой называется зависимость показателей двигателя от эффективной мощности. По ней можно определить допустимую мощность для заданной частоты вращения коленчатого вала, а также выявить экономичность работы двигателя при различных нагрузках.
На тепловозе с электрической передачей двигатель работает по тепловозной характеристике (рисунок 2.10(б)), представляющей собой изменение мощности, расхода топлива и других параметров в зависимости от частоты вращения коленчатого вала при определенном положении контроллера машиниста/
В ходе анализа показателей работы дизеля можно заметить, что некоторое оборудование схожее, но встречается в разных показателях. Для упрощения в понимании и удобства мы представляем общую схему, в которой объединяются все показатели (эффективные показатели, индикаторные показатели, процесс сжатия и тепловой баланс). Ниже, в схеме показан обобщенный перечень оборудования.
Рисунок 2.11 – Схема обобщенного оборудования теплотехнических показателей
Следующая схема показывает те же показатели и оборудования теплотехнических испытаний, но соединенное с оборудование КИПАРИС – 5, что тем самым показывает, какие недостающие агрегаты нам понадобятся, для реализации технического решения.
Рисунок 2.12 – Схема оборудования теплотехнических испытаний и КИПАРИС – 5
3 ПРЕДЛАГАЕМАЯ ТЕХНОЛОГИЯ ТЕПЛОТЕХНИЧЕСКИХ ИСПЫТАНИЙ ТЕПЛОВОЗНЫХ ДИЗЕЛЕЙ
3.1 Модернизация топливной системы
Станция реостатных испытаний всегда была и будет оставаться основной часть в процессе ремонта тепловозов. Данная станция является завершающей и тем самым она подводит итоги ремонта.
В первую очередь взяли во внимание топливную систему. Датчики, которые установлены на тепловозе и поведены к топливной аппаратуре не показывают точных показателей, на которые можно ориентироваться при проверке данных. Для данной модернизации потребуется 2 расходомера которые устанавливаются на топливной системе, это можно увидеть на рисунке 3.1.
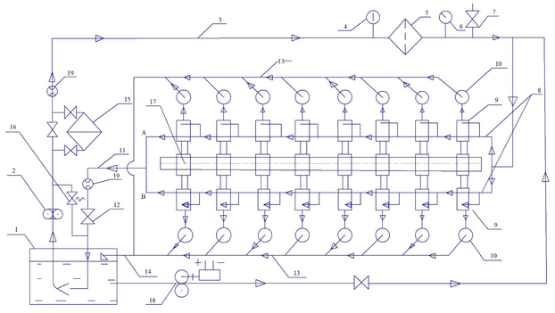
Рисунок 3.1 – Топливная система дизеля Д49: 1 – топливный бак; 2 – шестеренный топливоподкачивающий насос; 3 – напорный трубопровод; 4– манометр; 5 – топливный фильтр; 6 – термоизмеритель; 7 – вентиль для выпуска воздуха; 8 – трубы блоков; 9 – плунжерные насосы дизеля; 10 – форсунки; 11 – отводящая труба; 12 – подпорный клапан; 13 – трубы отвода топлива от форсунок; 14 – сливная труба; 15 – зимний топливоподогреватель; 16 – перепускной клапан; 17 – кулачковый вал; 18– топливоподкачивающий насос; 19 – расходомер.
На данном рисунке в отличии от предыдущего были добавлены 2 расходомера 19.
Первый расходомер показан сразу после шестереночного топливоподкачивающего насоса 2 для того, чтобы после процесса измерения было наглядно видно сколько горючего ушло из топливного бака. В конце процесса работы топливной системы, мы так же ставим второй расходомер 19 после отводящей трубы.
Запас дизельного топлива размещается под кузовом тепловоза в баке 1.Топливоподкачивающий насос 2 забирает топливо из бака и проходя через расходомер 19 пропускает его по трубе 3 через фильтр тонкой очистки 5 подает в трубы 8 блоков А и В. Плунжерные топливные насосы 9 забирают топливо из труб 8 и через форсунки 10впрыскивают в цилиндры дизеля. Остатки топлива по трубе 11 проходит через второй расходомер 19 поступает в подпорный клапан 12 и сливаются в бак 1. Топливо, просочившееся через зазоры между иглами и корпусом форсунок, собирается в трубы 13 и по трубе 14 стекает в бак 1. В зимнее время топливо подогревается водой в подогревателе 15 и, сливаясь обратно через клапан 12, подогревает топливо в баке 1. Давление топлива в системе не превышает 1,5 кгс/см2 благодаря наличию перепускного клапана 16. Плунжерные насосы приводятся в действие от кулачкового вала 17. На этом же валу выполнены кулачки для привода впускных и выпускных клапанов дизеля. Эти кулачки не показаны. Топливоподкачивающий насос 18 приводится электродвигателем и подкачивает масло к насосам 9 перед пуском дизеля.
Топливная система позволяет рассмотреть и рассчитать некоторые показатели, позволяющие увидеть качество двигателя подаваемое потребителю. Первое что можно рассмотреть это эффективные показатели, которые позволяют увидеть тот самый эффект ради чего и был создан двигатель. Эффективные показатели очень тесно связаны с топливной системой, так как рассчитывают удельный эффективный расход топлива.
Удельный эффективный расход топлива – это количество (кг или г) топлива, необходимое для получения механической работы, равной 1кВТ ч.
При опытном определении величины удельного эффективного расхода be, кг/(кВт ч), нужно часовой расход топлива двигателем (кг/ч) поделить на эффективную мощность (кВт)
где Ne – эффективная мощность;
Bч – часовой расход топлива дизелем, кг/ч.
Удельный эффективный расход топлива обратно пропорционален эффективному к.п.д. Если из уравнения 2.6 выразить Вч и подставить результат в (3.1), то получим выражение
где Hu – теплоотводная способность топлива;
ηe-эффективный к.п.д, кг/ч.
Далее, индикаторные показатели. Конкретно эти показатели дают индикаторную диаграмму, которая помогает нам рассмотреть удельный индикаторный расход топлива. Он показывает сколько кг топлива расходуется для получения механической энергии в количестве 1 кВт ч. Так же можно отметить то обстоятельство, что в практике ДВС устоялось несистемная единица количества энергии (кВт ч), впрочем, как и во многих других случаях.
Удельный индикаторный расход топлива двигателем bi, кг/(кВт ч) находится на основании измеренного в опыте часового расхода Вч кг/ч
где – Ni – эффективная мощность;
Bч – часовой расход топлива дизелем, кг/ч.
На ровне с эффективными и индикаторными показателями требуется рассмотреть тепловой баланс. Он используется для анализа качества работы тепловых двигателей, а конкретно об энергии содержащейся.
Потенциальная энергия топлива лишь частично преобразуется в полезную механическую работу, значительная часть энергии теряется в разных формах: в виде потерь тепла с отработавшими газами, с охлаждающей водой (2в, на нагревание масла и прочие потери, например потери от не догорания топлива, потери теплоты в окружающую среду и т. п.)
Расходомеры установленные на топливной системе необходимы для снятия более точных параметров. Для реализации внедрения технологии мы используем уже существующий ролико-лопастный расходомер.
Расходомеры предназначены для измерения суммарных объемов, а также расходов в единицу времени различных рабочих сред (жидкостей и газов). В отличие других конструкций расходомеров ролико-лопастные обладают более высокой точностью, создают меньше шума в работе, чувствуют и фиксируют даже минимальный расход рабочей жидкости, вращающиеся части мало инерционны.














