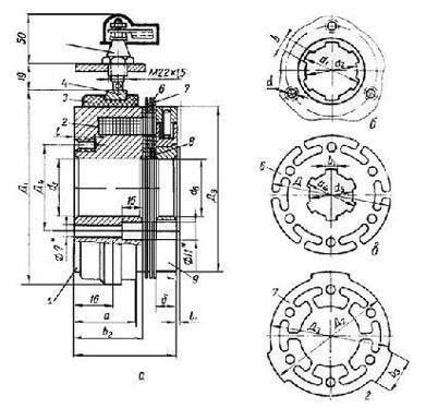
Организация ремонта и испытания колесных пар ЖДСМ на ДВЖД (1224680), страница 5
Текст из файла (страница 5)
- температура корпуса осевого редуктора в зоне подшипниковых узлов должна быть не более 60 ºС;
- температура корпуса муфты включения в зоне подшипниковых узлов должна быть не более 60 ºС;
- не допускается повышенная вибрация корпуса осевого редуктора и корпусов букс;
- шум сцепляемых колес должен быть ровным без ударов и скрежета;
- подтекание масла не допускается.
4.2 Устройство стенда
Общий вид стенда представлен на рисунке 16
Рисунок 16 - Общий вид стенда для обкатки осевых редукторов
Испытательный стенд состоит из механической и электрической частей, а также систем сбора и анализирования диагностируемых характеристик.
Механическую часть составляют:
-электродвигатель;
-карданные валы;
-электромагнитная многодисковая фрикционная муфта
Чтобы обеспечить необходимое значение оборотов на колесной паре нужно подобрать электродвигатель и муфту.
4.2.1 Подбор электродвигателя привода тяговой колесной пары
Зная скорость движения машины
и диаметр колеса
, определим какое количество оборотов совершает колесо колесной пары за минуту.
где С – длина окружности, С=2πr
Чтобы узнать необходимое число оборотов на валу электродвигателя нужно значение количества оборотов колеса умножить на передаточное число редуктора
.
Зная требуемое количество оборотов, выбираем электродвигатель по каталогам.
Таблица 5 – Характеристика двигателя
| Тип двигателя | Мощность, кВт | Частота вращения, об/мин | Ток, А (U=380В) | КПД, % | Cosφ | Степень защиты | Iпуск/Iн | Масса, кг |
| 5АМ 112М2 | 7,5 | 3000 | 14,6 | 87,5 | 0,89 | IP54 | 7,5 | 56,5 |
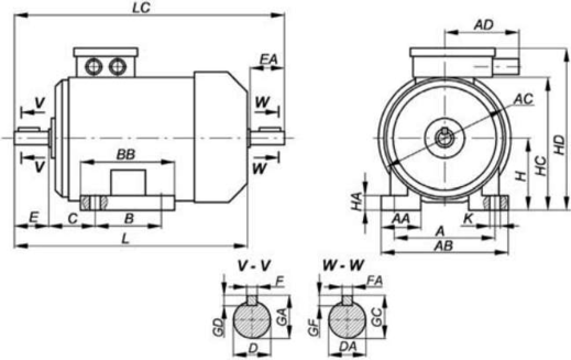
Рисунок 17 - Габаритные и присоединительные размеры
Таблица 6 – Габаритные и присоединительные размеры
| Тип двигателя | Число полюсов | Габаритные размеры, мм | |||||||||||
| L | LC | AD | HD | P | AC | AA | H | GD | GF | GA | GC | ||
| 5AM 112 | 2, 4, 6, 8 | 480 | 563 | 115 | 280 | 300 | 246 | 38 | 112 | 8 | 8 | 35 | 35 |
| Тип двигателя | Число полюсов | Установочные и присоединительные размеры, мм | ||||||||||
| E | EA | B | BB | T | LA | C | R | F | FA | A | ||
| 5AM 112 | 2, 4, 6, 8 | 80 | 80 | - | 212 | 5 | 12 | 70 | 0 | 10 | 10 | 190 |
| Тип двигателя | Число полюсов | Установочные и присоединительные размеры, мм | ||||||||||
| AB | HA | HC | D | DA | K | M | S | N | 45° | 22,5° | ||
| 5AM 112 | 2, 4, 6, 8 | 228 | 14 | 235 | 32 | 32 | 12 | 265 | 15 | 230 | 45° | - |
4.2.2 Подбор муфты
Электромагнитная многодисковая фрикционная муфта предназначена для отключения осевого редуктор от электродвигателя, что позволит более точно снимать частотные характеристики с датчиков контроля.
Подбор муфты осуществляется по двум параметрам:
-номинальный передаваемый момент,
-максимальная скорость вращения
Исходя из вышеизложенного принимаем муфту ЭМ-22.
Рисунок 18 - Электромагнитная многодисковая фрикционная муфта серии ЭМ
Таблица 6 - Основные технические данные
| Тип | Номинальный передаваемый момент, кгс, м | Максимальная скорость вращения, об/мин | Постоянный ток | Вес, кг | |
| номинальное напряжение, в | ток (справочный), а | ||||
| ЭМ-22 | 4,0 | 3000 |
| 0,36 | 1,6 |
Муфта состоит из следующих основных частей:
- корпуса 1 (рисунок 19) с заложенной в него катушкой 2. Один конец катушки соединяется с корпусом, другой с контактным кольцом 4, запрессованным в пластмассовом кольце 3;
- фрикционного устройства, состоящего из стальных дисков двух конфигураций: диска 6 со шлицевым отверстием и диска 7 со шлицевыми выступами по наружному диаметру, а также пружинных шайб 8, служащих для разведения дисков при отключении муфты;
- якоря 9
Рисунок 19 - Габаритные и установочные размеры
Перед монтажом необходимо удалить антикоррозийную смазку.
При установке муфты корпус, диски и якорь одеваются на ведущий (ведомый) вал, имеющий шлицы. Корпус муфты жестко связывается с ведущим (ведомым) валом при помощи трёх винтов, для чего в корпусе имеются три резьбовых отверстия. Фрикционные диски 7 жестко связываются с ведомым (ведущим) валом при помощи поводка, изготовляемого заказчиком в соответствии с размерами шлицевых выступов дисков.
Во избежание залипания якоря муфты необходимо, чтобы торец якоря в отпущенном состоянии не соприкасался со стальным поводком 1 (рисунок 20, а). Это можно обеспечить при помощи немагнитной прокладки 2 (толщиной не менее 4-10 мм в зависимости от габарита муфты) между якорем и поводком 1 или кольца 3 (рисунок 20, б) на валу (лучше из немагнитного материала), ограничивающего ход якоря.
Рисунок 20 - предохранение муфты от залипания
Во избежание чрезмерного нагрева дисков, а следовательно, и всей муфты при отпущенном якоре величина хода якоря l1 должна быть не менее указанной в таблице.
Необходимо также следить, чтобы поводок не заходил на корпус муфты более 1-2 мм. Превышение этой величины приведет к уменьшению передаваемого момента.
При монтаже муфты надо следить за тем, чтобы не повредить шлифованные поверхности корпуса, дисков и якоря муфты.
Нормальное положение оси муфты - горизонтальное.
Установка муфты с вертикальным расположением оси допустима лишь вниз якорем и при скоростях, не превышающих 60% от наибольшей допустимой скорости вращения.
Эксплуатация.
Муфты рассчитаны на работу во взрывобезопасной среде, не содержащей агрессивных паров и газов в концентрациях, разрушающих металл и изоляцию, туманы и брызги токопроводящих жидкостей и токопроводящую пыль.
Муфты должны работать в релейном режиме (включено-отключено), использование муфт в режиме длительного скольжения не допускается.
При выборе режима работы муфты следует иметь в виду, что установившаяся температура катушки не должна превышать 110°С.
Муфты рассчитаны только для работы в условиях, обеспечивающих смазку их минеральным маслом вязкостью не более 23 сст.
Подача масла к муфте должна осуществляться по каналам вала или поливом, при особо легких тепловых режимах допускается погружение части муфты в масляную ванну.
Для смазки (охлаждения) муфт должны применяться минеральные масла, не содержащие металлических и других включений, а также заметных примесей эмульсии, влияющих на изоляционные свойства масел.
Рекомендуется индустриальное масло 20 ГОСТ 1707-51.
Допускается применение масел других марок, равноценных указанным.
При применении масел с вязкостью выше указанной силовые характеристики муфт не гарантируются.
Катушка муфты должна быть защищена от перенапряжений, возникающих при коммутации муфты.















