02 Пояснительная записка Улусов Сергей (1223850), страница 10
Текст из файла (страница 10)
Нормы искусственного освещения на локомотивах установлены ГОСТ 12.2.056-81. В кабине машиниста светильники общего освещения обеспечивают номинальную освещенность на уровне пульта управления 25–30 люкс (лк). Эти светильники могут включаться на яркий свет (нормированную освещенность) или тусклый свет – 10 % номинальной освещенности.
Для освещения шкал и ленты скоростемера, графика движения, столика на рабочем месте помощника машиниста устанавливают местные светильники, которые должны обеспечивать освещенность в указанных местах 10–15 лк с ее плавной регулировкой до 1 лк [4].
Светильники в кабине машиниста располагают так, чтобы прямой и отраженный от зеркальных поверхностей световой поток ламп не попадал в глаза машиниста и его помощника при управлении локомотивом в положении сидя и стоя.
Уровень освещенности в машинном (дизельном) помещении по действующим нормам на полу проходов не менее 5 лк, а на вертикальной поверхности ограждений оборудования со стороны прохода на высоте 1 м от пола 20–30 лк. Кроме того, в этих помещениях применяют переносные светильники с напряжением не выше 42 В переменного тока или не выше 110 В постоянного тока.
6.3 Обеспечение безопасности труда при эксплуатации локомотивов
Как правило, локомотивная бригада состоит из двух лиц: машиниста и помощника машиниста. Скоростные участки обслуживают машинисты первого и второго классов с помощниками, имеющими права управления локомотивом. По разрешению МПС поездные тепловозы обслуживать машинист в одно лицо.
Поездные локомотивы, обслуживаемые одним машинистом, оборудуют устройством автоматической остановки на случай внезапной потери машинистом способности к ведению поезда. Кроме того, машиниста обеспечивают надежной непрерывной двусторонней радиосвязью с поездным диспетчером, а также с машинистом локомотива, находящегося на перегоне, и дежурным по ближайшей станции.
Прибыв к месту стоянки локомотива, бригада под руководством машиниста приступает к его осмотру. Прежде всего машинист лично убеждается в том, что локомотив не может самопроизвольно прийти в движение [9].
С целью предотвращения несчастных случаев при осмотре тормозной рычажной передачи и смене тормозных колодок перекрывают разобщительный кран, установленный на воздухопроводе, ведущем к тормозному цилиндру.
В процессе осмотра первоначально проверяют те узлы локомотива, о неисправности работы которых было отмечено в книге ремонта. Наиболее высокого качества осмотра локомотивные бригады достигают в том случае, когда у них выработана определенная последовательность обхода локомотива, позволяющая проверить состояние всего оборудования, обращая особое внимание на наиболее ответственные его элементы [9].
При осмотре используют исправный инструмент, приписанный к данному локомотиву. Крепление болтов и гаек, когда требуется дополнительное усилие, производят с помощью специального рычага. Бригада проверяет исправность механического и электрического оборудования, обращая внимание на состояние подножек, поручней и перил на площадках, наличие противопожарных и защитных средств, сигнальных принадлежностей и инструмента. С особым вниманием осматривают аккумуляторные батареи. Крепление их межэлементных соединений производят торцовым ключом с изолированной ручкой, не допуская применения около аккумуляторных батарей открытого огня. Место работы освещают переносными лампами с защитными корпусами [9].
Во время приемки и сдачи локомотивная бригада убеждается в наличии пригодности защитных средств. По штампам проверяют сроки их освидетельствования. Перед опробованием тормозов машинист предупреждает об этом своего помощника и убеждается в отсутствии людей под локомотивом, а также проверяет, не выполняют ли какие-либо работы, связанные с осмотром или ремонтом автотормозов и рычажной передачей.
Из депо с ремонтных стойл локомотив выезжает по сигналу дежурного по депо. Локомотивная бригада, не высовываясь из боковых окон, следит за тем, чтобы створки ворот были полностью открыты и между ними и локомотивом никого не было.
6.4 Обеспечение безопасности труда локомотивных бригад при чрезвычайных ситуациях
6.4.1 Действия локомотивной бригады при разъединении концевых соединительных рукавов между вагонами
Проверить наличие прокладных резиновых колец. Соединить концевые рукава и осмотреть сцепные приборы, фрикционные аппараты (особенно тяговый хомут). После зарядки тормозной магистрали машинист производит сокращенную пробу автотормозов, помощник машиниста проверяет действие тормозов и отпуск по хвостовому вагону, проверяет наличие хвостового сигнала, закрепление у него концевого крана, записывает номера хвостового вагона, после чего сличает его с номером в натуральном листе поезда, справке ВУ-45, докладывает машинисту. Движение продолжается с установленной скоростью с проверкой тормозов на надежность их действия при скорости 40 – 60 км/час. По прибытии в конечный пункт доложить о случае работникам вагонного хозяйства по радио связи [2].
Поврежденный рукав заменить, взяв с локомотива или хвостового вагона. При срыве концевого крана из-за повреждения резьбы на трубопроводе магистрали или штуцера концевого крана сделать плотную подмотку из уплотняющего материала и попытаться повернуть кран на место для вывода поезда с перегона до первой станции, где вагон отцепить или принять решение о дальнейшем следовании, после проверки надежности крепления. Если неисправность устранить нет возможности, затребовать в хвост поезда вспомогательный локомотив.
6.4.2 Действия при саморасцепе в поезде
При саморасцепе автосцепке в пассажирском поезде помощник машиниста обязан проверить действие механизма автосцепки и при ее исправности произвести сцепление вагонов.
При неисправности механизма автосцепки заменить его за счет снятия с хвостового вагона или локомотива.
При саморасцепе автосцепа в грузовом поезде помощник машиниста обязан принять меры к закреплению отцепившейся части поезда от возможного ухода. После закрепления проверить состояние вагонов у места разъединения (излом тележки, оси колесной пары, подрессорного бруса, колесного центра и т.д.), проверить действие механизма автосцепки (автосцепки обоих вагонов, проверить на саморасцеп), убедившись в их исправности, произвести соединение расцепившихся частей. Соединение производить со скоростью не более 3 км/час. После сцепления частей поезда заклинить сигнальные отростки обоих автосцепок деревянными клиньями, соединить концевые рукава и открыть концевые краны.
При неисправности механизма автосцепки принять меры к устранению неисправности. Если неисправность устранить невозможно, провести сцепление состава и заклинить сигнальные отростки замком автосцепок деревянным клином.
После зарядки тормозной магистрали и сокращенной пробы автотормозов с проверкой их действия по хвостовому вагону, помощник машиниста убирает из-под колесных пар вагонов тормозные башмаки, проверяет наличие хвостового сигнала, записывает номер хвостового вагона, после чего сличает его с номером в натуральном листе. Поезд следует дальше с установленной скоростью. По прибытии в пункт смены доложить о неисправности работникам вагонного хозяйства.
Машинисту, помощнику машиниста – запрещается соединять части поезда на перегоне: во время тумана, метели и других причинах, когда нет видимости подаваемых сигналов; если остановившаяся часть поезда находится на уклоне круче 0,0025 %. В этом случае помощник машиниста закрепляет от ухода оставшуюся часть поезда и далее действуют по приказу диспетчера в соответствии установленным ПТЭ и ИДТ порядком.
6.4.3 Действия при пожаре в поезде, на локомотиве в пути следования
При возникновении пожара в поезде ответственность за организацию и руководство тушением пожара, эвакуацию пассажиров, спасение подвижного состава и грузов до прибытия подразделений пожарной охраны возлагается на машиниста.
В грузовых поездах при многократной тяге ответственность несет машинист ведущего локомотива.
При обнаружении пожара на локомотиве или в составе поезда машинист обязан принять следующие меры к остановке поезда:
а) категорически запрещается останавливать поезда с горящими вагонами, независимо от рода груза, на железнодорожных мостах, путепроводах, виадуках, эстакадах, в тоннелях, вблизи трансформаторных и тяговых подстанций, сгораемых строений;
б) останавливать поезд на электрифицированных линиях надо останавливать с таким расчетом, чтобы горящие вагоны или локомотив не располагались под жесткими или гибкими поперечинами, секционными изоляторами, воздушными стрелками;
в) при пожаре в вагоне с разрядными грузами поезд надо остановить в таком месте, чтобы в случае взрыва в горящем вагоне уберечь людей и животных от гибели или отравления.
Одновременно с принятием мер по остановке поезда машинист должен подать сигнал пожарной тревоги и, используя поездную радиосвязь или любой другой возможный в создавшейся ситуации вид связи, сообщить о пожаре поездному диспетчеру или дежурному по ближайшей станции для вызова пожарных подразделений.
В случае пожара в поезде на электрифицированном участке соблюдать следующие требования:
а) если пожар возник на крыше локомотива или вагона, машинист обязан сообщить об этом поездному диспетчеру или дежурному по станции и одновременно с вызовом пожарного подразделения потребовать снятия напряжения с контактной сети на участке, где останавливается поезд;
б) при тушении пожара запрещается до снятия напряжения приближаться к проводам контактной сети и воздушных линий – на расстояние менее 2 м, а к оборванным проводам – на расстояние менее 10 м до их заземления;
в) применять для тушения пожаров воду или пенные средства можно только после снятия напряжения с контактной сети и воздушных линий и их заземления установленным порядком.
Действия машиниста при возникновении пожара на электровозе:
а) перевести в нулевое положение рукоятку контроллера на электровозе постоянного тока или выключить главный воздушный выключатель на электровозе переменного тока, выключить органы управления вспомогательных машин, отключить быстродействующий выключатель, опустить токоприемник и остановить поезд;
б) одновременно с принятием мер по остановке поезда машинист должен подать сигнал пожарной тревоги (один длинный и два коротких звука) и, используя поездную радиосвязь или любой другой вид связи, сообщить о пожаре поездному диспетчеру, дежурному ближайшей станции для вызова пожарных подразделений;
в) принять меры к удержанию поезда на месте и отключить рубильник аккумуляторной батареи;
г) убедиться в том, что токоприемники опущены, и контактный провод не касается крыши или имеющегося на ней оборудования;
д) приступить вместе с помощником к тушению пожара, используя огнетушители и сухой песок.
6.5 Расчет тока, проходящего через тело человека
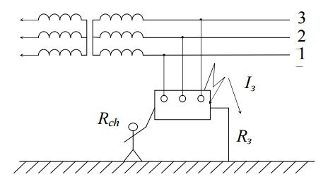
Рассчитать ток, проходящий через человека, стоящего на мокром полу в обуви с кожемитовой подошвой и касающегося заземленного корпуса установки, находящейся в аварийном режиме. Установка питается трехфазным напряжением от сети с изолированной нейтралью. Сделать вывод относительно опасности такого прикосновения.
Рисунок 6.1 – Схема включения человека в электрическую цепь
Для определения тока через человека необходимо знать напряжение прикосновения (действующего в данной ситуации на человека):
где R3 – ток через заземлитель:
Iз = 3Uф/(3Rз+R),
где Rз - сопротивление заземлителя. Оно не должно превышать 4 Ом в сети;
R – сопротивление изоляции. В нормальном режим работы сети сопротивление заземлителя не должно опускаться ниже 500 кОм.
Ток через человека определяется по формуле
Ih =Uпр/Rch
где Rch = Rh + Rоб + Rос.
Rоб = 0,5 кОм;
Rос = 0,1 кОм.
Тогда
Rch = 1+0,1+0,5=1,6 Ом.
Вывод: так как предельно допустимый ток при продолжительном воздействии (более 1 с) в заданных условиях равен 6 мА, то человеку опасность поражения током не угрожает.
7 РАСЧЕТ ЭКОНОМИЧЕСКИХ ПОТЕРЬ В РЕЗУЛЬТАТЕ ОТКАЗОВ локомотивов
7.1 Характеристика экономических потерь в результате простоя подвижного состава и внепланового ремонта локомотивов
Денежная оценка простоев подвижного состава имеет большое практическое значение, т.к. в средних условиях из общего бюджета времени локомотив простаивает около 50 %, а вагон – более 70 %.
Показатель величины расходов на 1 час простоя подвижного состава можно использовать при определении экономического эффекта, связанного с проведением организационно-технических мероприятий, обеспечивающих сокращение простоя подвижного состава, или при расчете потерь, вызванных увеличением простоев по сравнению с плановыми данными [1].














