ВКР Чуносов (1221465), страница 3
Текст из файла (страница 3)
Эта система по протяженности занимает 3-е место (14 %) в мире, 1-е место в западной Европе.
К линии электропередачи трехфазного переменного тока промышленной частоты 50 Гц подключен трансформатор тяговой подстанции, понижающий напряжение до 6,3 кВ. Это напряжение подается на синхронный трехфазный электродвигатель, на валу которого установлен синхронный однофазный генератор с выходным напряжением 5,7 кВ частотой 16⅔ Гц. Полученное напряжение повышается трансформатором до 15 кВ и подается на шины тяговой подстанции. Одна из шин рельсовым фидером соединена с рельсами, а другая через фидерные выключатели с контактной сетью перегона. Контактные сети фидерных зон в этой системе отделены простым по конструкции воздушным промежутком, а не нейтральной вставкой, как в системе напряжением 25 кВ. Существует и система переменного тока 15 кВ пониженной частоты 16⅔ Гц, питающаяся от отдельной электростанции (рисунок 2.3) В данном случае от специальной электростанции с помощью высоковольтной линии 110 кВ питаются однофазные тяговые подстанции.
В некоторых странах Европы питание тяговых однофазных сетей осуществляется от однофазных электрических станций 16⅔ Гц.
Страны, уже имеющие у себя сеть электрифицированных линий переменного тока пониженной частоты, продолжают электрификацию по этой же системе.
В России представленная система не применяется, так как, во-первых, на каждой подстанции требуется установка преобразователей частоты, во-вторых, невозможно питание районных и не тяговых потребителей.
Преимущества и недостатки системы тяги однофазного тока пониженной частоты.
К достоинствам системы электротяги следует отнести:
- индуктивное сопротивление тяговой сети (пропорциональное частоте) в 3 раза меньше, чем при частоте 50 Гц (соответственно потери напряжения в сети меньше);
- расстояние между тяговыми подстанциями, в среднем составляющее 50 км;
- незначительное электромагнитное влияние на линии связи из-за более низкой частоты;
- отсутствие проблемы не симметрии токов и напряжений, так как электрическая энергия из трехфазной сети передается в однофазную тяговую сеть посредством механического звена (преобразователь частоты, двигатель-генератор) или посредством статических преобразователей;
- легкость контактной подвески данной системы тяги, так как сечение проводов в среднем составляет 200–250 мм 2;
- надежный электроподвижной состав со значительной мощностью 10 МВт;
- отсутствие электрокоррозии на подземных коммуникациях, что освобождает от применения мер по их защите.
Недостатки системы переменного тока напряжением 15 кВ пониженной частоты заключаются в том, что:
- система требует громоздких вращающихся преобразователей или строительства отдельных электростанций. Трансформаторы, работающие на пониженной частоте, массивны из-за большой площади сечения стальных сердечников, так как для создания необходимой эдс при пониженной частоте требуется больший магнитный поток;
- невозможно применение принципа комплексности электрификации, так как система тяги не предусмотрена для питания районных и не тяговых потребителей.
2.3 Принципиальная система работы железной дороги, электрифицированной переменным током 25 кВ
На ЭПС переменного тока 25 кВ устанавливаются понижающие транс-форматоры с регулируемым напряжением. Кроме того, для решения проблем коммутации ТЭД прибегают к преобразованию переменного тока в постоянный, точнее пульсирующий, имеющий значительную постоянную составляющую. С этой целью на ЭПС устанавливают выпрямитель. Ранее, начиная с опытного образца 1940-х гг. и вплоть до начала 1970-х гг., эти выпрямители строились на ртутных преобразователях, а позже на полупроводниковых диодах. В настоящее время на ЭПС устанавливают управляемые выпрямители – статические электрические аппараты, обладающие обратимостью действия – в режиме тяги, работающие как выпрямитель, а при рекуперации как аппарат, преобразовывающий энергию постоянного тока, вырабатываемую ТЭД в генераторном режиме, в энергию переменного тока.
В связи с развитием полупроводниковой преобразовательной техники в последние годы за рубежом появились электровозы переменного тока 25 кВ с преобразователями энергии переменного тока 25 кВ промышленной частоты в энергию переменного тока регулируемой частоты с напряжением, необходимым для непосредственного питания тяговых двигателей. При этом становится возможным использование самого надежного на сегодняшний день двигателя – асинхронного.
По этой системе электрической тяги электрифицируются участки в России, Японии, Франции. Протяженность Дальневосточной железной дороги, электрифицированной на переменном токе 25 кВ, составляет 1720 км.
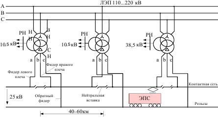
Схема электроснабжения электрифицированной железной дороги на переменном токе представлена на рисунке 2.4.
Рисунок 2.4 – Принципиальная схема системы тягового электроснабжения переменного тока напряжением 25 кВ: А, В, С – фазы питающей ЛЭП; ВН – обмотка высокого напряжения; НН – обмотка низкого напряжения для питания районных потребителей; СН – обмотка среднего напряжения для питания тяговой нагрузки; ЭПС - электроподвижной состав
Схема соединения обмоток тяговых трансформаторов обычно «звезда – треугольник» (рисунок 2.6). Тяговые однофазные нагрузки получают от обмотки СН трансформатора. Вывод «с» трансформатора подключен в рельсовую цепь, а выводы «а» и «b» – к правому или к левому плечу контактной сети. Поэтому контактная сеть справа и слева от подстанции питается от разных фаз. Во избежание короткого замыкания между ними монтируется нейтральная вставка (рисунок 2.4).
Между контактной сетью и рельсами напряжение составляет 25 кВ, а на питающих шинах – 27,5 кВ. Расстояние между подстанциями в среднем 40–60 км.
Структурная схема тяговой подстанции переменного тока 25 кВ с первичным напряжением 110 (220) кВ и РУ 10 (35) кВ для питания районных потребителей изображена на рисунке 2.5.
Рисунок 2.5 – Структурная схема системы тягового электроснабжения переменного тока напряжением 25 кВ
Рассмотрим структурную схему тяговой подстанции переменного тока. Основные функциональные узлы подстанции (рисунок 2.7): РУ 110 (220) кВ; понижающие трех обмоточные трансформаторы; РУ 10 кВ; РУ 27,5 кВ. Для электроснабжения потребителей, расположенных вдоль железных дорог, применяется система ДПР (два провода-рельс), питающаяся от шин РУ 27,5 кВ. От РУ 10 кВ получают питание районные или не тяговые потребители.
Преимущества и недостатки системы тяги переменного тока напряжением 25 кВ.
К достоинствам системы электрической тяги следует отнести:
- сокращение использования меди на сооружение контактной сети примерно в 2–3 раза по сравнению с системой тяги постоянного тока, сечение в среднем составляет 120–130 мм 2;
- уменьшение потерь напряжения и энергии в устройствах тягового электроснабжения (доля потерь составляет до 5 % от номинального уровня);
- отсутствие электрокоррозии на подземных коммуникациях, что освобождает от применения мер по их защите;
- простоту подстанции (ТП) по наличию силового электрооборудования, по сравнению с ТП на постоянном токе;
- расстояние между тяговыми подстанциями в среднем 40–60 км.
Недостатки системы переменного тока 25 кВ промышленной частоты:
- сильное электромагнитное влияние тяговой сети переменного тока на все низковольтные линии и металлические коммуникации, расположенные вблизи железных дорог;
- низкий коэффициент мощности, определяемый большим реактивным электропотреблением;
- искажение форм кривых тока и напряжения, обусловленное применением преобразователей на электроподвижном составе, приводящее к дополнительным потерям и вызывающее помехи в линиях связи, расположенных вблизи железных дорог;
- несимметричное потребление энергии от отдельных фаз питающей системы;
- низкая степень использования трансформаторов тяговых подстанций (всего на 68 % от их номинальных значений);
- более низкие показатели надежности электроподвижного состава на переменном токе, чем на постоянном токе, это связано с дополнительной установкой силового оборудования (трансформатор, выпрямитель для двигателя постоянного тока) внутри локомотива.
2.4 Принципиальная система работы железной дороги электрифицированной переменным током 2х25 кВ
Увеличение скорости сопровождается резким увеличением мощности, необходимой для тяги поездов. Кроме того, мощности на тягу возрастают и по причине тенденции к увеличению весов поездов. В этом случае рассмотренные выше системы не могут обеспечить требуемой нагрузочной мощности, поэтому встает вопрос о поисках путей решения этой проблемы. Одним из таких направлений является система напряжением 2х25 кВ. Прототипом этой системы следует считать автотрансформаторную систему 11/44 кВ, которая стала использоваться в США с 1913 г. Ее отличие от описываемой заключается в другом соотношении напряжений между отдельными элементами тяговой сети. В системе 11/44 кВ напряжение в контактной сети 11 кВ, а между питающим проводом и контактной сетью – 44 кВ, в то время как у анализируемой системы соответствующие напряжения равны 25 и 50 кВ. Известно, что потери электроэнергии уменьшаются при увеличении уровня напряжения в ЛЭП в квадратичной зависимости [3].
Если одну и ту же мощность передавать, например, при вдвое большем напряжении, то потери электроэнергии уменьшатся в четыре раза. Поднять напряжение в контактной сети не позволяет действующий электроподвижной состав, рассчитанный на номинальное напряжение, равное 25 кВ. Однако если с полевой стороны опор контактной сети подвесить однофазную ЛЭП с номинальным напряжением, например 55 кВ, то можно посредством автотрансформаторов отбирать через определенные расстояния электроэнергию из этой линии и передавать ее в контактную сеть, преобразуя в энергию с уровнем напряжения 50 кВ в электроэнергию с уровнем напряжения в контактной сети 25 кВ. Более того, схема может быть упрощена посредством использования в качестве второго провода такой ЛЭП контактной подвески и заменой трансформаторов автотрансформаторами. Принцип действия такой системы тяги можно проанализировать по схеме (рисунок 2.6).
На схеме приведен однопутный участок электрифицированной железной дороги с тремя ТП, расстояние между которыми достигает 100–125 км. На каждой ТП установлено по два силовых трансформатора. Дополнительно система 2х25 кВ включает в себя автотрансформаторы, устанавливаемые на расстоянии 7–25 км, а также питающий провод напряжением 25 кВ.
Система 2х25 кВ широко применяется в Японии и Франции, имеющих электрифицированные линии 25 кВ. В России эта система применена на Московской, Красноярской, Горьковской, Восточно-Сибирской дорогах, а также в Белоруссии.
Рисунок. 2.6 – Схема участка железной дороги, электрифицированной по системе переменного тока 2х25 кВ: А, В, С – фазы питающие ЛЭП; КП – подвеска контактной сети; Р – рельс; П – питающий провод; АТ – автотрансформатор; ТП – тяговая подстанция
Питание КП осуществляется с помощью тяговых трансформаторов, установленных на тяговых подстанциях ТП, имеющих первичные обмотки, две одинаковые вторичные обмотки с номинальным напряжением 25 кВ. Эти обмотки соединяют последовательно, а их общая точка подключается к рельсам Р. Вывод одной вторичной обмотки подключается к проводам контактной сети КП, а другой обмотки – к питающему (дополнительному) проводу П, который подвешивается на опорах контактной сети. Таким образом, шины контактной сети и питающего провода находятся под напряжением 25 кВ по отношению к земле, а между ними напряжение равно 50 кВ.
Автотрансформаторы имеют коэффициент трансформации, близкий к двум. Выводы подключают к проводам контактной сети и питающему проводу. Средняя точка автотрансформаторов присоединяется к рельсам.
В автотрансформаторной системе энергия к электровозам подается по цепи: от ТП по проводам контактной сети КП и питающему проводу П к автотрансформаторам АТ при номинальном напряжении 50 кВ. Автотрансформаторы понижают это напряжение до 25 кВ и подают его в КП, от которой питаются электровозы. Таким образом, при движении поезда по участку автотрансформаторы по очереди принимают нагрузку электровоза, но ток его без трансформации течет по тяговой сети только до ближайших автотрансформаторов. На большем расстоянии (от подстанции до автотрансформаторов) ток в тяговой сети вдвое меньше, в результате чего уменьшаются потери напряжения и энергии во всей системе электроснабжения.
Тяговая подстанция является составной частью системы тягового электроснабжения переменного тока 2х25 кВ, с помощью которой реализуется система тяги 25 кВ. Поэтому, кроме самой схемы тяговой подстанции (рисунок 2.7), рассмотрены и особенности ее присоединения к тяговой сети (рисунок 2.8).
Рисунок 2.7 – Структурная схема тяговой подстанции системы переменного тока напряжением 2х25 кВ
Подстанции системы переменного тока 2х25 кВ также получают питание от ЛЭП 110 (220) кВ.
Основные функциональные узлы тяговой подстанции (рисунок 2.7): РУ 110 (220) кВ; понижающие однофазные трансформаторы; ОРУ 2х27.5 кВ; районные трансформаторы; РУ 10 (35) кВ для питания не тяговых и районных потребителей железной дороги и сторонних потребителей.
Снабжение электрической энергией не тяговых железнодорожных потребителей осуществляется от линий ДПР, напряжение на которые подается через фидеры ДПР, и рельсов, т. е. так же, как и при системе переменного тока напряжением 25кВ.














