Расчеты - 2 (53стр.) (1220928)
Текст из файла
2 Проект и расчет крано-манипуляторной установки на грузовой автомобиль
В данной части работы была выбрана компоновочная схема и произведены расчёты манипулятора на устойчивость, а также выполнен тяговый расчёт.
2.1 Выбор компоновочной схемы и ее расчет
2.1.1 Расчет центра тяжести манипулятора
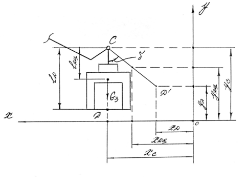
Расчетная схема манипулятора изображена на рисунке 21.
Рисунок 21 – Исходные данные для расчета центра тяжести манипулятора
Исходные данные для расчета:
1)
,
- координаты точки А;
,
- координаты центра тяжести колонны;
- сила тяжести колонны, кН;
2)
- минимальный угол подъема стрелы;
- максимальный угол подъема стрелы;
- длина стрелы, мм;
- расстояние от точки А до центра тяжести стрелы, мм;
- сила тяжести стрелы, кН;
3)
- минимальный угол выноса рукояти;
- максимальный угол выноса рукояти;
- минимальная длина рукояти (удлинитель задвинут), мм;
- максимальная длина рукояти (удлинитель выдвинут), мм;
- расстояние от точки В до центра тяжести рукояти при задвинутом удлинителе, мм;
- расстояние от точки В до центра тяжести рукояти при выдвинутом удлинителе, мм;
- сила тяжести рукояти, кН;
- высота от оси рукояти до точки С, мм;
- коэффициент, равный отношению изменения расстояния
к изменению расстояния
;
4)
- расстояние от точки С до нижней точки грейфера, мм;
- расстояние от точки С до центра тяжести грейфера, ротатора и подвески, мм;
- сила тяжести захвата (грейфера), кН;
- угол отклонения захвата (отклонение в сторону начала координат – знак "минус").
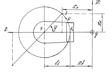
2.1.1.1 Расчет центра тяжести стрелы
Расчет сводится к определению координат центра тяжести стрелы и определению координат центра тяжести точки В для возможности построения траектории движения стрелы при различных значениях угла
. Расчетная схема изображена на рисунке 22.
Рисунок 22 – Схема определения координат центра тяжести стрелы
Координаты центра тяжести определяются по формулам:
(1)
(2)
Координаты точки В определяются по формулам:
(3)
(4)
2.1.1.2 Расчет центра тяжести рукояти
Расчет сводится к определению центра тяжести рукояти и координат точки С в зависимости от угла выноса рукояти
и расстояния вылета удлинителя.
Расчетная схема представлена на рисунке 23.
Рисунок 23 – Схема определения координат центра тяжести рукояти
Координаты точки С определяются по формулам:
(5)
(6)
где
, здесь
,
;
(7)
Координаты центра тяжести рукояти манипулятора определяются по формулам:
(8)
(9)
где
;
, здесь
.
2.1.1.3 Расчет координат центра тяжести клещевого захвата
Расчет сводится к определению координат нижней точки захвата Д и координат центра тяжести клещевого захвата с ротатором.
Расчетная схема представлена на рисунке 24.
Координаты точки Д определяются по формулам:
(10)
(11)
Координаты точки центра тяжести захвата определяются по формулам:
(12)
(13)
Рисунок 24 – Схема координат центра тяжести клещевого захвата
2.1.1.4 Изменение координат центра тяжести манипулятора
При вращении колонны манипулятора вокруг своей оси необходимо вводить третью пространственную координату Z и делать поправку в других координатах центра тяжести из-за их изменения в результате этого вращения.
Расчетная схема изображена на рисунке 25.
Координаты точки А при повороте колонны на угол
определяются по формулам:
(14)
(15)
(16)
Рисунок 25 – Схема изменения координат при вращении колонны
2.1.2 Расчет центров тяжести манипулятора
Производится расчет центров тяжести манипулятора в транспортном положении и в положении при движении автомобиля с грузом.
Исходя из расчетов центров тяжести элементов манипулятора определяется центр тяжести всего манипулятора по формулам:
(17)
(18)
(19)
(20)
где
,
- координаты центров тяжести элементов манипулятора в положении "с грузом";
- массы элементов манипулятора;
,
- координаты центров тяжести элементов манипулятора в положении "без груза";
,
- координаты центра тяжести манипулятора в положении "с грузом";
,
- координаты центра тяжести манипулятора в положении "без груза".
Расчет производиться по приведенному выше алгоритму. Исходные данные и результаты расчетов центра тяжести манипулятора сведен в таблицу 5.
Таблица 5 – Расчет центра тяжести манипулятора
| Наименование элемента манипулятора | Параметры | ||||
|
|
|
|
|
| |
| Захват | 4260 | 2700 | 265 | 1340 | 285 |
| Ротатор | 4795 | 2700 | 60 | 1640 | 735 |
| Рукоять | 4450 | 2680 | 120 | 3155 | 515 |
| Стрела | 2050 | 2975 | 225 | 1880 | 1870 |
| Колонна | 445 | 1295 | 465 | 445 | 1295 |
| Основание | 380 | 195 | 630 | 380 | 195 |
| Аутригеры | 190 | 700 | 175 | 190 | 700 |
| Гидроцилиндр стрелы | 635 | 1760 | 125 | 575 | 1450 |
| Гидроцилиндр рукояти | 3780 | 2320 | 100 | 3735 | 3065 |
| Манипулятор | 1550 | 1460 | 2165 | 1000 | 895 |
2.1.3 Компоновка манипулятора
В данной работе будет рассмотрено шасси базового автомобиля КамАЗ-6510.
Эта модель достаточно хорошо обладает свойствами, необходимыми автомобилю-сортаментовозу: высокая проходимость, хороший дорожный просвет, высокая мощность двигателя (при установке на автомобиль КамАЗ-6510 германского двигателя KHD, B/F8L413), надежность автомобиля.
Основные габаритные размеры шасси автомобиля КамАЗ-6510 изображены на рисунке 26, а краткие технические характеристики автомобиля сведены в таблицу 6.
Рисунок 26 – Основные габаритные размеры автомобиля КамАЗ-6510
Таблица 6 – Краткая техническая характеристика автомобиля-тягача КамАЗ-6510
| Технические параметры | Значения |
| Двигатель, модель | KHD,B/F8L413 |
| Мощность двигателя, л.с. | 260 |
| Номинальный оборот коленвала, об/мин | 2200 |
| Номинальный крутящий момент, кгсм | 84.6 |
Продолжение таблицы 6
| Передаточные числа коробки передач: первая вторая третья четвертая пятая шестая седьмая восьмая | 6,57 4,78 3,53 2,61 1,86 1,35 1,00 0,75 |
| КПД коробки передач | 0,98 |
| Передаточные числа раздаточной коробки: первая вторая | 1,692 0,917 |
| КПД раздаточной коробки | 0,98 |
| Передаточное число главной передачи | 7,22 |
| КПД главной передачи | 0,97 |
| КПД трансмиссии | 0,89 |
| База автомобиля, мм | 4000 |
| Межосевое расстояние задней тележки, мм | 1320 |
| Высота платформы, мм | 1180 |
| Расстояние от оси задней тележки до центра тяжести автомобиля, мм | 1900 |
| Высота центра тяжести автомобиля, мм | 1180 |
| Колея автомобиля, мм передний мост задняя тележка | 2026 1850 |
| Шины | 280-508Р |
| Снаряженная масса, кг | 10800 |
Характеристики
Тип файла документ
Документы такого типа открываются такими программами, как Microsoft Office Word на компьютерах Windows, Apple Pages на компьютерах Mac, Open Office - бесплатная альтернатива на различных платформах, в том числе Linux. Наиболее простым и современным решением будут Google документы, так как открываются онлайн без скачивания прямо в браузере на любой платформе. Существуют российские качественные аналоги, например от Яндекса.
Будьте внимательны на мобильных устройствах, так как там используются упрощённый функционал даже в официальном приложении от Microsoft, поэтому для просмотра скачивайте PDF-версию. А если нужно редактировать файл, то используйте оригинальный файл.
Файлы такого типа обычно разбиты на страницы, а текст может быть форматированным (жирный, курсив, выбор шрифта, таблицы и т.п.), а также в него можно добавлять изображения. Формат идеально подходит для рефератов, докладов и РПЗ курсовых проектов, которые необходимо распечатать. Кстати перед печатью также сохраняйте файл в PDF, так как принтер может начудить со шрифтами.
,















