Расчеты - 2 (53стр.) (1220928), страница 6
Текст из файла (страница 6)
Рисунок 41 – Схема сил в шарнирах 2-2 и 3-3
Срезающее усилие в шарнирах 2-2 и 3-3 определяется по формуле:
(84)
где
- срезающая составляющая от силы тяжести груза и захвата с ротатором;
- срезающая составляющая от момента инерции, создаваемого вращением ротатора.
Составляющая срезающей силы
определяется по формуле:
(85)
где
- грузоподъемность манипулятора в данном положении, кН.
Для определения составляющей срезающей силы
записываем основное уравнение динамики для данной системы
(86)
Отсюда следует формула:
(87)
где
- момент инерции в системе, кНм;
- момент, создаваемый ротатором, кНм;
- i-ое плечо, равное расстоянию от оси подвески до сечения среза пальца, м.
Тогда составляющая срезающей силы
будет равна:
(88)
где
кНм;
м.
Расчетная схема для определения усилий в шарнирах 9-9 и 10-10 представлена на рисунке 42.
Рассматривая сумму сил на ось Х получается формула для определения усилия гидроцилиндра телескопа:
(89)
где
- угол подъема рукояти;
- коэффициент трения. Для пары трения сталь-фторопласт
.
Рисунок 42 – Схема сил в шарнирах 9-9 и 10-10
2.3.4.3 Расчет втулок шарнирных узлов
Расчет производиться по удельным давлениям. Удельное давление во втулке шарнира определяется по формуле:
(90)
где
- усилие в i-ом шарнире, кН;
- внутренний диаметр втулки, м;
- длина втулки, м.
Исходные данные и результаты расчетов сведены с таблицу 26.
Таблица 26 – Расчет втулок в шарнирах
| Обозначение втулки | Расчетные и исходные параметры | |||
|
|
|
|
| |
| 1-1 | 384,05 | 0,06 | 0,06 | 53,3 |
| 2-2 | 60,8 | 0,03 | 0,04 | 25,3 |
| 3-3 | 60,8 | 0,035 | 0,04 | 21,7 |
| 4-4 | 316,46 | 0,06 | 0,06 | 43,95 |
| 5-5 | 243,48 | 0,06 | 0,06 | 33,8 |
| 6-6 | 380,17 | 0,07 | 0,08 | 67,6 |
| 7-7 | 243,48 | 0,06 | 0,06 | 35,3 |
| 8-8 | 395,24 | 0,07 | 0,08 | 35,3 |
| 9-9 | 11,29 | 0,03 | 0,03 | 6,27 |
| 10-10 | 11,29 | 0,03 | 0,017 | 11,07 |
| 11-11 | 384,05 | 0,06 | 0,06 | 53,3 |
| 12-12 | 379,8 | 0,06 | 0,06 | 52,8 |
| 13-13 | 395,24 | 0,07 | 0,08 | 35,3 |
2.3.4.4 Расчет проушин шарнирных узлов
Расчет производиться на напряжение смятия и изгиба с растяжением.
2.3.4.4.1 Расчет проушин на смятие
Удельное давление в проушине определяется по формуле:
(91)
где
- внутренний диаметр проушины, м;
- ширина проушины в месте вероятного сжатия, м.
Исходные данные и результаты расчетов сведены в таблицу 27.
Обозначение проушин соответствует обозначению шарнирных узлов, согласно рисунку 38.
Таблица 27 – Расчет втулок в шарнирах
| Обозначение втулки | Расчетные и исходные параметры | |||
|
|
|
|
| |
| 1-1 | 384,05 | 0,06 | 0,024 | 133,4 |
| 2-2 | 60,8 | 0,03 | 0,017 | 59,61 |
| 3-3 | 60,8 | 0,035 | 0,025 | 34,74 |
| 4-4 | 316,46 | 0,06 | 0,024 | 109,9 |
| 5-5 | 243,48 | 0,06 | 0,103 | 19,7 |
| 6-6 | 380,17 | 0,07 | 0,037 | 73,4 |
| 7-7 | 243,48 | 0,06 | 0,024 | 84,5 |
| 8-8 | 395,24 | 0,07 | 0,027 | 104,6 |
| 9-9 | 11,29 | 0,03 | 0,03 | 6,27 |
| 10-10 | 11,29 | 0,03 | 0,025 | 7,53 |
| 11-11 | 384,05 | 0,06 | 0,024 | 133,4 |
| 12-12 | 379,8 | 0,06 | 0,024 | 131,9 |
| 13-13 | 395,24 | 0,07 | 0,016 | 176,5 |
Допустимые напряжения для стали 16Г2АФ
МПа /8/, следовательно, можно сделать вывод о выполненных условиях прочности на смятие.
2.3.4.4.2 Расчет проушины на изгиб с растяжением
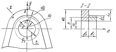
Рассматриваем проушину как кривой брус. Расчетная схема и сечение проушины представленные на рисунке 43.
Рисунок 43 – Расчетная схема для расчета проушины на изгиб с растяжением
Напряжение в проушине от изгиба и растяжения определяется по формуле:
(92)
где
- изгибающий момент в сечении, кНм;
- площадь сечения, м2;
- радиус кривизны оси бруса, м;
- радиус кривизны нейтрального слоя;
- расстояние от центра кривизны бруса до точки, в которой определяется напряжение;
- продольная сила растяжения сжатия.
Изгибающий момент в сечении определяется по формуле:
(93)
где
- максимальное значение конечной радиальной нагрузки, распределенной по закону синуса, кН/м;
- угол, определяющий сечение бруса.
В данном случае
,
.
Продольная сила растяжения-сжатия определяется по формуле:
(94)
где
- угол сечения I-I;
- угол сечения II-II.
Площадь сечения определяется по формуле:
(95)
Радиус кривизны нейтрального слоя в сечении определяется по формуле:
(96)
Исходные данные и результаты вычислений сведены в таблицу 28.
Удельное давление на проушины определяется по формуле:
(97)
где
- реакция опоры на телескоп, кН,
, при
и
кН.
Таким образом
.
Допустимое удельное давление для материала МАС
.
, МПа
, МПа















