SHeremeta Alina Sergeevna 2016 (1199029), страница 10
Текст из файла (страница 10)
После проверки состояния пути и устранения выявленных неисправностей участок работ открывается для движения первых (одного-двух) поездов со скоростью не более 25 км/ч, последующих – с установленной скоростью.
Ведомость затрат труда по технологическому процессу планово-предупредительной выправки бесстыкового пути приведена в таблице 4.1.
График производства планово-предупредительной выправки представлен на рисунках 4.1-4.3.
5. ЭКОНОМИЧЕСКАЯ ОЦЕНКА ВНЕДРЕНИЯ УЧАСТКОВОЙ СИСТЕМЫ ОРГАНИЗАЦИИ ПРОИЗВОДСТВА В ДИСТАНЦИИ ПУТИ
Одним из важнейших хозяйств, от которого зависит работоспособность всей железной дороги, является путевое хозяйство. От его состояния, мощности устройств в значительной степени зависят пропускная и провозная способности станций и участков, безопасность и допускаемые скорости движения поездов. Железнодорожный путь, находясь под воздействием нагрузок и природных явлений (ветра, влаги, температуры), должен служить в любое время года, дня и ночи, обеспечивая непрерывность и безопасность движения поездов с установленными скоростями, что определяет тяжелые условия труда работников хозяйства пути. Основной задачей работников путевого хозяйства является обеспечение отличного текущего содержания пути, всех сооружений и устройств, гарантирующее беспрепятственное и безопасное движение поездов с максимальными скоростями.
Необходимо определять резервы повышения эффективности производства за счет роста производительности труда, более рационального использования численности рабочих, их рабочего времени.
Главными факторами повышения производительности труда, прежде всего, является внедрение достижений научно-технического прогресса и применение ресурсосберегающих технологий, позволяющих продлевать межремонтные сроки и снижать трудоемкость текущего содержания пути, с соответствующим инвестированием в путевую технику для реализации этих технологий, повышение мотивации и условий труда работников.
Мероприятиями, направленными на повышение производительности труда являются:
1) совершенствование конструкций пути:
- разработка и внедрение надежных, менее затратных по содержанию конструкций верхнего строения пути,
- замена слабых пород балласта на щебень твердых пород, увеличение протяженности бесстыкового пути на железобетонных шпалах, внедрение более эффективных конструкций пути в целях увеличения межремонтных сроков в ремонтном цикле,
- укладка стрелочных переводов на железобетонных брусьях,
- массовое применение рельсовых скреплений для высокоскоростного и тяжеловесного движения;
2) совершенствование структуры парка путевых машин и их ремонта:
- обновление и модернизация путевой техники,
- повышение надежности путевых машин,
- унификация машин, узлов и агрегатов,
- повышение уровня технического обслуживания и ремонта машин,
- оснащение предприятий путевого хозяйства строительными, погрузочно-разгрузочными машинами и автотранспортом,
- обновление путевого инструмента,
- автоматизация учета и анализа отказов специального подвижного состава;
3) повышение качества ремонта и реконструкции пути:
- рациональные режимы работы путевых машин,
- разработка и внедрение автоматизированных систем на путевых машинах для контроля качества выполнения ими технологических операций, в основном определяющих качество ремонтов,
- совершенствование схем ремонта пути по видам и количеству ремонтов,
- совершенствование системы технического обслуживания и ремонта путевых машин по фактической выработке,
- совершенствование мониторинга состояния пути,
- совершенствование метрологии контроля состояния пути;
4) разработка технологии и техпроцессов по ресурсосбережению, направленных на снижение удельного расхода топливно-энергетических ресурсов и экономию материальных ресурсов;
5) совершенствование нормативной базы по содержанию и ремонту конструкций пути, внедрению новых технологий ремонта пути и сооружений;
6) улучшение организации производства.
Существующая система функционирования дистанции пути не позволяет обеспечить своевременное и качественное устранение неисправностей, повысить эффективность работы, выработку и производительность труда путевых бригад. При дальнейшей работе с существующей системой будут увеличиваться потребности в дополнительных объемах ремонтов пути, снизится эффективность труда монтеров пути, возрастут непроизводительные расходы в условиях увеличения объемов перевозок, возрастет количество предупреждений об ограничении скорости движения поездов.
В связи с этим назрела необходимость внедрения современной участковой системы работы путевых бригад.
Целью внедрения участковой системы работы является:
– обеспечение полного цикла регламентных работ текущего содержания и на этой основе повышение безопасности движения поездов;
– сокращение ограничений скорости по состоянию пути;
– совершенствование системы организации текущего содержания пути и сооружений;
– сокращение эксплуатационных расходов на текущее содержание пути;
– повышение привлекательности профессии монтера пути за счет создания современных условий работы (доставка, средства производства).
Реформирование системы работы дистанции пути необходимо для разделения функций текущего содержания и ремонта пути, а также эксплуатации средств механизации путевых работ, расширения зон обслуживания предприятия, обеспечения полного цикла регламентных работ текущего содержания и на этой основе повышение безопасности движения поездов, сокращения ограничений скорости по состоянию пути, совершенствования системы организации текущего содержания пути и сооружений, сокращения эксплуатационных расходов на текущее содержание пути, повышение привлекательности профессии монтера пути за счет создания современных условий работы (доставка, средства производства).
Действующая на дорогах России система работы дистанций пути (обход, рабочие отделения и околотки) предусматривает возложение всей ответственности за общее состояние пути на бригады по текущему содержанию.
До настоящего времени основой эксплуатации пути остается текущее содержание пути бригадами в зоне своей ответственности с осуществлением постоянного надзора за состоянием колеи и сооружений и выполнением планово-предупредительных и неотложных работ.
Малочисленные бригады могут качественно устранить только неотложные и первоочередные неисправности, а регламентные и планово-предупредительные работы технического обслуживания пути в полном объеме не выполняются. Эти работы должны выполняться машинизированным способом комплексной укрупненной бригадой.
При действующей системе работа комплексов машин не сопровождается необходимыми объемами подготовительных и сопутствующих работ, что приводит к непроизводительным затратам, низкому качеству работ и к нестабильности пути. Зона обслуживания дистанции пути, ее низовых подразделений, а также их структура зависят от:
– мобильности бригад и обеспеченности их современными видами связи;
– объемов неотложных работ;
– нормативов периодичности надзора за состоянием пути и сооружений и способа проверок;
– климатических условий;
– установленной системы учета и отчетности по ведению хозяйства.
В соответствии с концепцией реформирования путевого комплекса для организации текущего содержания пути дистанция пути сохраняется как основная производственная единица. При этом за ней в конечном итоге остается проведение надзора за состоянием пути и сооружений, выполнение неотложных и первоочередных работ по текущему содержанию. В отличие от существующей структуры основным структурным подразделением дистанции пути является укрупнённый участок под руководством начальника участка или старшего дорожного мастера (ПЧУ). При этом сохраняются все дорожные мастера.
Коллективы путевых бригад на участке объединяются в два основных структурных подразделения: укрупнённую бригаду бригады для выполнения неотложных работ.
На эксплуатационном участке число укрупнённых бригад может быть от одной до трёх в зависимости от протяжённости участка и его численности, а бригад для производства неотложных работ – две – три в зависимости от местных условий (количества станций на участке, их класса и др.).
В табл.4.1 представлено административное деление дистанции при переходе на участковую систему работы.
Таблица 4.1
Административное деление Приморской дистанции пути
при переходе на участковую систему работы
| Укрупненный участок | Эксплуатационная длина, км |
| 1 | 3-93 (91 км) |
| 2 | 94-172 (79 км) |
| 3 | 173-238 (66 км) |
Коллективы путевых бригад на участке объединятся в два основных структурных подразделения: укрупнённые бригады для выполнения плановых работ и бригады для выполнения неотложных работ.
Численность персонала дистанции пути, занятого на текущем содержании пути при переходе на участковую систему работы, представлена в табл. 4.2.
Таблица 4.2
Численность персонала дистанции пути, занятого на текущем содержании пути при переходе на участковую систему работы
| Должность | 1 участок | 2 участок | 3 участок | Итого |
| ПЧУ | 1 | 1 | 1 | 3 |
| ПД | 5 | 4 | 2 | 11 |
Окончание табл.4.2
| ПДБ | 5 | 5 | 4 | 14 |
| м/п | 56 | 47 | 26 | 129 |
| Сигналист | 15 | 14 | 8 | 37 |
| Техник | 3 | 3 | 2 | 8 |
| Итого | 85 | 74 | 43 | 202 |
Таким образом, после внедрения участкового метода работы на текущем содержании пути будут задействованы 202 человека.
Таким образом, в результате внедрения участковой системы работы численность работников дистанции пути, занятых на текущем содержании пути, увеличится на 15,39%.
Для обеспечения эффективности участковой системы содержания пути необходимо оснастить дистанцию средствами доставки людей к месту работ, современным инструментом малой механизации, обеспечить приемлемые бытовые условия на рабочих местах. Поэтому запланирована закупка современных высокопроизводительных автономных технических средств.
Реализация данного инвестиционного проекта позволит:
- поэтапно приступить к оснащению дистанции пути необходимым количеством средств доставки работников путевого хозяйства к местам производства работ;
- обеспечить монтеров пути средствами производства (малой механизацией).
- сократить непроизводительные расходы на доставку и проход к месту работ;
- сократить количество и продолжительность технологических окон;
- повысить стабильность состояния пути;
- повысить производительность труда работников дистанции.
6 ОБЕСПЕЧЕНИЕ БЕЗОПАСНОСТИ УСЛОВИЙ ТРУДА ПРИ ВЫПРАВКЕ ПУТИ ЭЛЕКТРОШПАЛОПОДБОЙКАМИ
6.1. Выявление опасных и вредных факторов при работе электрошпалоподбойками
Для выправки на железобетонных брусьях подбивкой электрошпалоподбойками ЭШП-9 используется следующие инструменты и приспособления:
Домкраты гидравлические 2 шт.
Электрошпалоподбойки 4 шт.
Гидравлический рихтовщик 6 шт.
Вилы щебеночные 4 шт.
Рычажные приборы 6 шт.
Комплект сигнальных знаков 1 комп.
Электрошпалоподбойки предназначены для уплотнения балласта под шпалой при подъёмке и выправке пути, в тех случаях, когда невозможно или нецелесообразно использовать путевые машины.
Для работы электрошпалоподбойками необходимо электроснабжение. Питание электрошпалоподбоек электрической энергией производится от передвижных электростанций.
Электростанция устанавливается на обочине земляного полотна на расстоянии не менее 2 м от крайнего рельса, металлический корпус электростанции заземляется при помощи заземлителя, забиваемого в землю на глубину не менее 1м[3].
Перед подключением электрошпалоподбойки к источнику электроэнергии необходимо дополнительно проверить надежность крепления всех болтовых соединений, в особенности гаек стяжных болтов корпусов двигателя, высоту расположения рукоятки.
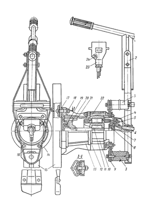
Схема электрошпалоподбойки представлена на рис.6.1.
Рис. 6.1. Схема электрошпалоподбойки ЭШП - 9
















