Методические указания (1161391), страница 22
Текст из файла (страница 22)
Для получения оценок линейных коэффициентов
можно воспользоваться любым из известных способов экспериментального получения модели (2) объекта. Например, можно реализовать для этой цели ПФЭ с центром в точке
, о которой мы скажем позднее. Более простым , хотя и менее точным , является способ определения каждого из коэффициентов
по результатам двух пробных движений из точки
в точки
. Так
и
Тогда соответствующий коэффициент
найдется по формуле
Процедура оптимизации может быть выполнено по следующей схеме : задается шаг варьирования
, единый для всех независимых переменных
задается параметр рабочего шага
;
в начальной точке
реализуется пробный эксперимент с целью определения направления для первого рабочего шага (эксперимент проводится в соответствии с матрицей планирования ПФЭ) ;
по результатам пробного эксперимента с помощью формулы (3) вычисляется вектор
;
совершается рабочий шаг в направлении
;
в точке
описанная выше процедура полностью повторяется.
Очевидно,
;
поиск прекращается, когда модуль градиента
становится малой величиной.
, т.е. все коэффициенты
в уравнении (2) получаются незначимы.
Кроме описанной процедуры, известны и применяются различные модификации метода градиента.
3.9. Поисковые методы оптимизации эксперимента. Факторные методы.
3.9.1.Полный (дробный) факторный эксперимент, как средство получения линейной математической модели.
Для получения модели регрессивного анализа первого порядка
(1)
используется факторный эксперимент первого порядка. Сущность факторного эксперимента первого порядка состоит в одновременном варьировании всех факторов при его проведении по определённому
плану, представлении математической модели в виде линейного полинома и исследовании его методами математической статистики.
План факторного эксперимента определяет расположение экспериментальных точек в К - мерном факторном пространстве, или, другими словами, условия всех опытов, которые необходимо провести. В дальнейшем под точкой плана будем понимать упорядоченную совокупность численных значений факторов, соответствующую условиям проведения опыта.
Необходимое количество опытов N для определения параметров модули
зависит от числа К факторов
, количества уровней их варьирования, а также от требуемой точности определения параметров.
Если мы имеем дело с К факторами, каждый из которых может устанавливаться на q уровнях (фиксированных значениях), то для того, чтобы осуществить полный перебор возможных сочетаний уровней факторов, необходимо поставить
опытов.
Число уровней варьирования с целью уменьшения количества опытов выбирается минимально возможным. При линейной модели число уровней варьирования принимается равным двум (нижний и верхний уровни). Общее количество опытов, исчерпывающее все возможные комбинации значений К факторов на двух уровнях, равно
.
Эксперимент, в котором реализуются все возможные сочетания уровней факторов, называется полным факторным экспериментом (ПФЭ).
Здесь мы ограничимся рассмотрением планов, в которых каждый фактор
принимает значения только на двух уровнях , и будем называть полным факторным план, содержащий все возможные комбинации факторов, каждый из которых принудительно варьируется на двух уровнях равное число раз.
Введём ещё несколько определений. Мы будем широко применять кодирование факторов - обозначение действительных значений факторов в безразмерном масштабе. Безразмерный масштаб фактора есть отношение действительного значения фактора к условно принятому.
Основным уровнем фактора назовём действительное значение фактора, соответствующее середине поля допуска и нулю в безразмерном масштабе.
Верхний уровень фактора - это допустимое максимальное отклонение фактора от основного уровня, соответствующее плюс единице в безразмерной шкале.
Нижний уровень фактора есть допустимое минимальное отклонение фактора от основного уровня, соответствующее минус единице в безразмерной шкале.
Размах варьирования фактора - разность между максимальным и
минимальным действительными значениями фактора в данном плане.
Интервал варьирования фактора - предельно допустимые отклонения действительного фактора от основного уровня, соответствующее плюс и минус единица на безразмерной шкале.
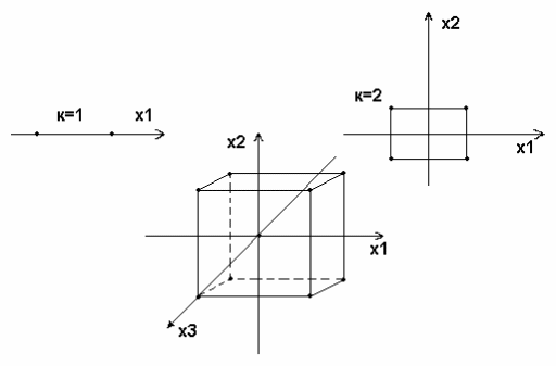
На рис. 1 приведены полные факторные планы эксперимента типа
для К=1 , К=2, К=3.
Рис. 1 Полные факторные планы
Оценивание параметров регрессионной модели по данным, полученным в результате реализации факторного эксперимента, производится методом наименьших квадратов. Решение системы нормальных уравнений значительно упрощается, если переменные (факторы) удовлетворяют условиям: ортогональности, нормировки и симметричности. Выполнение этих условий обеспечивается выбором плана эксперимента, обладающего свойствами ортогональности, нормировки и симметричности.
Ортогональность плана - свойство плана, при котором в матрице планирования сумма построчных произведений любых двух столбцов равна нулю.
Условие ортогональности выглядит следующим образом:
Нормирование плана есть такое свойство плана, при котором в матрице планирования сумма квадратов элементов каждого столбца равна числу точек плана.
Условие нормировки представляется в следующем виде:
И, наконец, симметричность плана - свойство плана, при котором в матрице плана алгебраическая сумма элементов столбца каждого фактора равна нулю. Это свойство означает симметричное расположение всех независимых переменных относительно центра эксперимента.
Условие симметричности выглядит так:
Из первого условия следует, что матрица коэффициентов нормальных уравнений
диагональна.
Из второго уравнения следует, что все диагональные элементы этой матрицы равны числу наблюдений N , а диагональные элементы диагональной матрицы
.
При выполнении названных условий все оценки параметров регрессионной модели находятся независимо друг от друга по формуле
где
- наблюдаемое значение отклика y в j-ом опыте;
- значение i-го фактора в j-ом опыте.
Дисперсии оценок параметров одинаковы и равны
где
и
- результаты наблюдений, представляющие собой независимые случайные величины с одинаковыми дисперсиями
(измерения равноточны).
Справедливы также следующие формулы:
где
- остаточная дисперсия с числом степеней свободы
,характеризующая рассеяние результатов наблюдений
отклика относительно найденной оценки регрессионной модели.
Нахождение математического описания исследуемого объекта методами ПФЭ находится в следующем порядке:
-
планирование эксперимента;
-
проведение эксперимента;
-
получение математической модели объекта с проверкой статистической значимости параметров модели;
-
поверка адекватности модели.
Дадим краткую характеристику каждого из этапов планирования, проведения и обработки результатов ПФЭ.
Планирование эксперимента. Центр плана или точка, в окрестности которой ставится серия опытов, выбирается на основе априорных сведений о процессе, если же они отсутствуют, то обычно в качестве центра плана выбирается центр исследуемой области. Интервалы планирования по каждой переменной выбираются такими, чтобы приращение величины отклика (параметра оптимизации) к базовому значению можно выделить на фоне шума при небольшом числе опытов. Обычно интервал варьирования выбирают в пределах 0.05 - 0.3 от всего диапазона варьирования по данной переменной. На выбор интервалов варьирования накладываются естественные ограничения снизу (он не может быть меньше погрешности фиксирования уровня фактора - иначе верхний и нижний уровни окажутся неразличимы) и сверху (верхний и нижний уровни не должны выходить за область определения). При выборе интервалов варьирования внутри этих ограничений должна быть использована априорная информация о точности фиксирования факторов (определяется точностью приборов и стабильностью уровня в ходе опыта), кривизне поверхности отклика и диапазоне изменения параметра оптимизации. Естественно, что чем ниже точность фиксирования факторов, меньше кривизна поверхности отклика и уже диапазоне изменения параметра оптимизации, тем большим может быть интервал варьирования.
Выбрав основной уровень и интервалы варьирования факторов, можно приступить к построению плана проведения эксперимента.
Поскольку факторы процесса неодноразны и имеют различные единицы измерения, а числа, выражающие величины факторов, имеют различные порядки, их следует привести к единой системе счисления путём перехода от действительных значений факторов к кодированным по формулам:
;
где
- исходное действительное (натуральное) значение фактора (в абсолютных единицах) ;
- основной уровень фактора;
- верхний уровень;
- нижний уровень;
- интервал варьирования.
В безразмерной шкале верхний уровень равен +1, а нижний равен -1. Координаты центра плана равны нулю и совпадают с началом безразмерной системы координат.
Затем строится матрица планирования эксперимента. Построение плана матрицы сводится к стандартной форме записи условий проведения эксперимента в виде таблицы, в строках которой записывают данные, соответствующие опытным, в столбцах - факторам с реализацией всех возможных сочетаний упорядоченных комбинаций факторов. При построении матрицы цифры (единицы) опускают и пишут только их знаки «+» или «-».
В качестве примера матрицы планирования в табл. 1 представлена матрица планирования ПФЭ для двух независимых факторов, варьируемых на двух уровнях (планирование типа
).
Таблица 1.
















