6_1_4а (1086062), страница 2
Текст из файла (страница 2)
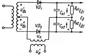
В детекторе с разделенной нагрузкой (рис. 8.17) сопротивление нагрузки по постоянному току RН = RН1 + RН2. Напряжение смещения EСМ создается на резисторе RН2 за счет тока разряда конденсатора CР; при этом значение EСМ существенно уменьшается. Однако деление нагрузки АД приводит к уменьшению коэффициента передачи детектора, поскольку выходное напряжение детектора снимается не со всего резистора RН , а через делитель RН1, RН2 – с резистора RН2. Конденсатор нагрузки состоит из двух конденсаторов CН1 и CН2, что улучшает фильтрацию колебаний промежуточной частоты fПР.
Нелинейные искажения сигнала за счет линейной цепи RВХCР обусловлены тем, что эта цепь работает совместно с диодным детектором и в интервале времени t1 — t2 (см. рис. 8,16, б) напряжение ЕСМ на RН закрывает диод.
6.1.6 Разновидности амплитудных детекторов
Транзисторные АД в зависимости от того, нелинейность характеристики какого тока транзистора используется для детектирования, подразделяются на коллекторные, базовые, эмиттерные, стоковые, истоковые и затворные. Биполярный транзистор (БТ) чаще всего используется в схеме включения с ОЭ, что позволяет получать помимо детектирования и наибольшее усиление сигнала. На практике используется коллекторный детектор (рис. 6.3), в котором используется нелинейность проходной характеристики iК = F(uБЭ).
| В схеме на рис.6.3 делитель R1R2 задает смещение на базе транзистора; конденсатор Сбл – блокировочный, RН,СН – нагрузка детектора, выполняющая функцию ФНЧ. |
Рис.6.3 – Коллекторный детектор
Работа коллекторного детектора (КД) поясняется диаграммами – рис. 8.18, б).
Штриховой линией показана реальная характеристика iК = F(uБЭ) используется линейно-ломаная аппроксимация. Рабочая точка, которая обеспечивается начальным смещением ЕСМ, выбирается на наиболее криволинейном участке характеристики iК = F(uБЭ). В случае линейно-ломаной аппроксимации при синусоидальном воздействии импульсы коллекторного тока – отрезки усеченной синусоиды, постоянная составляющая коллекторного тока
IK0 = IKmax0( ),
где 0( ) – коэффициент Берга.
Для значения = 90° коэффициент Берга 0(90°) = 1/ и ток коллектора
IK0 = IKmax /.
Для коллекторного детектора на рис.6.3
IKmax = SK UВХ,
где SK — крутизна характеристики коллекторного тока.
| Проходная характеристика коллекторного детектора – рис. 6.3; эпюры входного напряжения и коллекторного тока iк (t). Коэффициент передачи детектора KD = ED /U = Sк RH /. Входное сопротивление детектора Rвх = 2 / SБ. |
Рис. 6.4 – Проходная характеристика коллекторного детектора
и эпюры входного напряжения и коллекторного тока iк (t)
Выходное напряжение на резисторе RН определяется соотношением
ED = IK0RН= RНIKmax/.
Во избежание искажений при детектировании КД работает при относительно малых UВХ.
Коэффициент передачи КД
КD = ED / UВХ = SKRН/. (8.42)
Анализируя (8.42), отмечаем, что КD может быть больше единицы – это одно из основных преимуществ КД по сравнению с диодным. Коэффициент КD в раз меньше, чем коэффициент усиления по напряжению КU усилителя на том же транзисторе и с той же нагрузкой.
Во входной цепи транзистора протекает ток базы, шунтирующий источник сигнала. Для оценки этого шунтирующего действия. определим входное сопротивление КД
RВХ = Uвх / IБm1.
Первая гармоника базового тока
IБm1= IБmax1( ) = SБUвх1( ),
где SБ – крутизна характеристики iБ = F(uБЭ).
Коэффициент Берга 1( ) при значении угла отсечки базового тока = 90° равен 1(90°) = 0,5 и амплитуда первой гармоники тока базы IБm1= 0,5 SБUвх, а входное сопротивление детектора RВХ = 2 / SБ = 2R1Б – наличие двойки в этом выражении обусловлено тем, что транзистор половину периода входного сигнала заперт. Поэтому одновременно с основным существует побочное детектирование в цепи базы, за счет которого на резисторе R2 создается напряжение с полярностью, противоположной полярности напряжения смещения. Это приводит к ослаблению детектирования в коллекторной цепи, т. е. к уменьшению коэффициента КD, однако за счет этого эффекта можно повысить линейность характеристики детектирования. Отмеченный эффект можно ослабить, уменьшая сопротивление резисторов. R1, R2 и увеличивая емкость блокировочного конденсатора СБЛ.
Двухтактные детекторы. Ранее было показано, что при сравнимости частот модуляции и несущего колебания в АД возникают искажения. Для уменьшения этих искажений используют двухтактные детекторы – рис. 8.19.
Фактически это два диодных АД, работающих на общую нагрузку. Напряжения на вход АД подаются от трансформатора со средней точкой, их полярность для одного полу периода сигнала показана на рисунке 6.5.
Рис.6.5 – Двухтактный детектор | Для диода VD1 это напряжение отпирающее, для VD2 —запирающее. В следующий полу период VD1 закрыт, a VD2 открыт. Таким образом, диоды в этом детекторе работают поочередно. |
Конденсатор СН заряжается через один диод в один полу период, через другой – в последующий полу период. Применение двухтактного детектора равносильно увеличению частоты несущего колебания примерно в 2 раза. Входное сопротивление двухтактного детектора увеличивается по сравнению с однотактным в 4 раза, коэффициент КD – в 2 раза.
Детектор с удвоением выходного напряжения (рис. 8.20) используются для повышения КD: при положительном полу периоде входного сигнала VD2 закрыт и конденсатор СН1 заряжается через открытый диод VD1 до напряжения Uвх m; в следующий полу период входного напряжения диод VD1 закрывается, диод VD2 открывается и конденсатор СН2 заряжается через СН1 и VD1 до напряжения 2 Uвх m. Входное сопротивление детектора на рис. 8.20, в 2 раза ниже, чем в детекторе на рис. 8.3.
Детектор на операционных усилителях. Максимальный уровень выходного сигнала детектора ЕДтах не должен превышать значения, при котором перегружаются последетекторные каскады, минимальный уровень ЕДтin соответствует Uвх = UНЕЛ – рис.8.13. При этом динамический диапазон (ДД) устройства определяется отношением
ЕДтах / ЕДтin.
Для расширения динамического диапазона при фиксированном максимальном значении ЕДтах необходимо уменьшать минимальный уровень напряжения ЕДтin. Этого можно достичь в АД, построенном по схеме (рис. 8.21) на ОУ с ООС и коэффициентом усиления К » 1.
Существуют двухтактные детекторы на ОУ, принцип работы которых аналогичен приведенному на рис. 8.19. Отсутствие катушек индуктивности в АД на ОУ позволяет реализовать их в интегральном исполнении. В составе многих аналоговых серий выпускаются специализированные интегральные микросхемы (ИМС) детекторов, а также ИМС, в которых детекторы входят как составной элемент.
6.1.7 Параметрические (синхронные) детекторы
Для детектирования АМ сигнала достаточно умножить его на гармоническое колебание, частота которого равна частоте несущего колебания сигнала
ED = [A + s(t)] cos 0t UГ cos(Гt + Г).
При Г =0t получим
ED = UГ [A + s(t)] (cos 0t) cos(0t + Г).
Используя тригонометрическое равенство
cos cos = 0,5 [cos( – ) cos( + )],
получим ED = UГ [A + s(t)] cos Г cos (20t + Г).
После ФНЧ и разделительного конденсатора получим
ED = UГ s(t) cos Г.
При синфазности колебания гетеродина и несущего колебания
Г = 0; cos Г =1
получаем линейную зависимость выходного напряжения синхронного детектора ED от модулирующего сигнала s(t)
ED = UГ s(t).
Пример синхронного детектора – параметрический детектор – рис.8.5.
0000000000000000000000000000000000000000000000000000000000000000000000000000000000000000000000000000000000000000000000000000000
| Рис.8.5 – Параметрический детектор | Под действием гетеродина изменяется во времени один из параметров элемента цепи, например, крутизна ВАХ параметрического элемента (ПЭ) S(t) ~ uГ(t), Где uГ = UГ cos(Гt + Г) – напряжение гетеродина. |
Гетеродин настраивается на частоту несущего колебания входного сигнала
sАМ (t) = s(t) cos 0t + A cos 0t = [A + s(t)] cos 0t,
т.е. гетеродин синхронизируют с сигналом f г = fс = f0
uГ = UГ cos(гt + г) = UГ cos(ct + г).
Рассмотрим пример, в котором в качестве параметрического элемента используется полевой транзистор.
Передаточную характеристику МДП-транзистора удобно аппроксимировать зависимостью















