electronics.pottee (1075538)

Файл №1075538 electronics.pottee (Шпоры по Созинову)electronics.pottee (1075538)2017-12-28СтудИзба
Просмтор этого файла доступен только зарегистрированным пользователям. Но у нас супер быстрая регистрация: достаточно только электронной почты!

Текст из файла

1. Резисторы

2. Катушки индуктивности.

3. Конденсаторы.

4. Полупроводники.

5. Пробой p-n-перехода. Виды пробоев.

6. ЭДП. ВАХ ЭДП.

7. П/п.диоды, схема замещ, классиф, УГО.

8. Емкость p-n-перех.

9. Выпрямительные диоды и высокочастотные диоды.

10. Диоды Шоттки.

11. Импульсные диоды.

12. П/п стабилитроны и стабисторы.

13. Туннельные диоды.

14. Общие сведения от тр-рах. Маркировка. УГО.

15. Принцип действия транз-ра и его стат парам.

16. Схемы включения тр. и диф. пар-ры.

17. Статические ВАХ тр-ра в схеме с ОБ; модуляция шири-ны базы.

18. Статические ВАХ тр-ра в схеме с ОЭ.

19. Схемы замещения транзисторов.

20. Усилители эл. сигналов. Классиф-ция.

21. Характеристики и параметры усилителей.

22. Обратные связи в усилителях.

23. Усилитель на биполярном транзисторе на схеме с ОЭ.

24. Расчет усил-ля с ОЭ с помощью эквив-ной схемы в области средних частот (a).

25. Усилитель на биполярном транзисторе на схеме с ОК.

26. Усилитель на биполярном транзисторе на схеме с ОБ.

27. Многокаскадные усилители с R-C связью.

28. Усилители постоянного тока (УПТ).

29. Дифференциальные усилительные каскады.(ДУК)

30. Операционные усилители. (ОУ)

31. Основные хар-ки и пар-ры ОУ.

32. Использование ОУ для реализации звеньев систем регулирования.

33. Инверт сумматор, интегратор, дифференциатор на ОУ.

34. Генераторы синусоидальных колебаний.

35. Частотно-зависимые RC- цепи и RC-генераторы на основе ОУ.

36. Импульсные сигналы (ИС).

37. Ключевой режим работы транзистора.

38. Импульсный режим ОУ. Компараторы.

39. Триггер Шмитта на основе ОУ.

40. Симметричный мультивибратор на основе ОУ.

41. Несимметричный мультивибратор на основе ОУ.

42. Одновибраторы на основе ОУ.

43. Блокинг-генераторы I.

44. Блокинг-генераторы II.

45. Генераторы пилообразного напряжения (ГПН). ГПН на одном транзисторе.

46. ГПН со стабилизацией тока заряда.

47. ГПН на основе ОУ.

48. П/п стабилизаторы напряжения (ПСН). Классификация и параметры.

49. Компенсационные стабилизаторы постоянного напряжения.

50. Простейший транзисторный стабилизатор.

51. Построение регулирующих элементов ПСН.

52. Стабилизаторы напряжения на основе ОУ.

53. Двухполярные ПСН на основе ОУ.

54. Защита ПСН на основе ОУ от перегрузок по току и КЗ в нагрузке.

55. Формулы

56. Схемы замещения тр.

57. Расчет тр. ч/з h-параметры.

1. Резисторы

Резистор - эл-т РЭА предназначенный для распред. и рег. эл. энергии. Эл. энергия преобр в тепл. и рассеивается.

Классификация:

1) По типу проводящего эл-та: а) проволочные, б) не пров-е.

2) По возможности измен их значения: а)пост, б)перемен.

3) Пост. рез. делятся по назначению на: а) Общего прим-я с доп. отклонением от номинала ±10% ±20%; б) Точные с σ =±1% ±2%; в) Прецизионные σ=±(0,01;0,02;0,05;0,8;0,2;0,5)%; г) Высокочастотные; д) Импульсные с малым знач. собственной емкости; е) Высокочаст-е с раб U>2кВ; ж) Высокомегаомные R>10Мом; 4) Переем рез. а) Подстроенные - для период. подстройки аппаратуры;

б) Регулиров-е - для оперативных, многокр. перестроек; 5) Спец. рез. - особая группа пост. рез. сопр. кот. зависит от действия внешн факторов : от I (стабилитроны),от U(варикапы),от t (термисторы),освещения(фоторезистры)

Осн. параметры рез-ров:

1) Номинальная величина сопр. Rн; 2) Допустимое отн. отклонение от номинала σ

3) Номинальная мощ-ть рассеивания Рн;4) Мах доп. Uдоп≤√( Рн Rн)

5) t-ный коэфф. сопротивления (ТКС); 6) Собственный уровень шумов Еш; 7) Постоянная времени τR; 8) Интенсивность отказов λ; 9)Гарантийный срок службы.

Для пост рез. установлено 6 рядов ном. величин сопр.:

Е6;Е12;Е24;Е48;Е96;Е192; цифра после Е указывает кол-во ном. величин в ряду.

Каждый ряд задает опр. коэф-т.

Например: Е6:

1,0; 1,5; 2,2; 3,3; 4,7; 6,8; .

Величина сопр. в рез. в ряду должна соотв. одному из этих коэф-в *10n, где n € Z (ГОСТ9664-74)

При дробном значении сопр. обозн. вел. сопр. ставится на месте запятой (6,8кОм6К84)

Величина рассеивания мощности рез. Рн в Вт уст. ГОСТ24013-80 и ГОСТ

10318-80.

Усл. граф. обозн. (УГО), для переменного резистора

2. Катушки индуктивности.

К.и. - дискретный элемент, обладающий индуктивностью, т.е. способностью накапливать электрическую энергию.

Различают К.и.: 1) Избирательных цепей входящих. в состав фильтров, катушек связи, дросселей выс. частоты. 2) Апериодичных цепей – явл. сост. частью трансформаторов, дросселей низкой частоты. 3) К.и. могут быть пост. и переем. индуктивности. При больш. изменении индуктивности они наз. вариометрами, при малом (10-15%) построечными. 4) По конструкт исполнению: а) Цилиндрические(каркасные и бескаркасные). б) Плоские(выполняются на жестком основании. 5) По типу намотки: одно и многослойные. 6) Экранированные и неэкранированные. 7) С магнитным и немагнитным сердечником и без сердечника. Осн. параметры К.и.: 1) Номинальное значение индуктивности. 2) Точность изготовления, допуск σ (от 1% до 10 %). 3) Добротность К.и. в электр аппаратуре Q = ωL/rk = от 10 до 300. 4) Собственная емкость, завис от констр. и изм. от 1 до 100 пФ. 5) Стиабильность К.и. опр. измен индуктивности при изм. внеш. факторов (t, влажн, вибрации). 6) t-ый коэфф индуктивности (ТКИ) ТКИ=(20÷300)*10-6 1/град.

УГО К.и.

3. Конденсаторы.

К. - дискретные эл-ты обладающие сосредоточенной электр. емкостью т.е. способностью накапливать Эл. заряды. Классификация: 1) По возм. изм. емкости:

а) пост. б) переем. в) постр. г) спец. 2) По материалу диэлектрика: а) вакуумные б) воздушные. в) с тверд неорг. диэл. (слюдяные, керамичечкие, стеклокерами-ческие, пленочные) г) с тверд орг. диэл (бумажные, металлобумажные) д) электролитные. 3) по доп. напряжению: а) низковольтные(Uраб≤1600В) б) высоковольтные (Uраб≥1600В). 4) По мощности: малой и большой; 5) по диапазону рабочих частот: а) для пост и пульсирующего U; б) для U звуковых частот 102-104Гц; в) для U радиочастот 10-100МГц и более. 6) по конструкции: а) цилиндрические; б) плоские; в) трубчатые; г) дисковые; Основные параметры:

1) Величина номинальной емкости Сн; 2) Удельная емкость Суд= Сн/V; 3) Отн. откл. от ном. доп. σ; 4) Темп коэф. емкости (ТКЕ); 5) Ток утечки Iут - ток в уст режиме при рабочем U; 6) Тангенс угла потерь tg σ где σ- угол до 90о, угол сдвига фаз м/у I и U в емкости, tg σ =Ракт/Qреакт; 7) Электрическая прочность: раб Uраб; 8) Реактивная мощность Q=2πfU2C; 9 )Паразитическая индуктивность, её наличие обуславливает возникновение автоколебаний fрез=(2π√(CкLпар))-1

Согласно ГОСТу, для конденсаторов уст ряд Е6 номиналов σ ≈±0,1-±20% и кодируются как резисторы. Букв-цифр маркировка состоит из 3 эл.: первый - буква или сочетание букв: К – к. пост емкости; КТ – подстр. КП – перем. емкости. Второй - обозначает вид диэлектрика. Третий - порядковый номер разработки (напр.К10-17) Емкость обозначается: М(μ)-мкФ, Н(n)-наноФ, П(р)-пФ.

4. Полупроводники.

П/п - в-ва, занимающие по величине уд. эл. проводимости промежуточное пол. м/у металлами и диэлектриками. Осн. признаками п/п явл. сильное влияние t, освещения, ионизирующих изл. и концентр. примес. на их эл. сопр. В качестве п/п исп. Ge, Si, GaAs. Для п/п хар. явл. то что сравн. небольшие энергетические воздействия (нагрев, облучение) приводят к увел. энергии электронов внешней оболочки атома и их отрыву от атомов. Такие e-ны обладают возможностью свободно перемещаться по объему п/п и наз. e-ми проводимости, при отрыве e-на от атома в месте разрыва появл. “дырка”. Отсутствие e-ны в вал. связи равносильно появл. в данном месте пол. заряда, который и предписываюд дырке. На незаполненную связь приходят валентные e-ны с соседней связи чему способствует тепловое движ. в п/п, поэтому место, где отсутствует валентный e-н хаотично перем-ся по кристаллу. Исчезновение дырок в одном месте и их появление в другом учитывают как движ. дырок. При приложении U к п/п дыр. будет двигаться в направлении противоп. напр. движ. e-на и опр. полярностью U что соотв. переносу пол. заряда, т.е. протеканию эл. тока. При производстве п/п приборов обычно исп. примесные п/п у которых часть атомов основного вещ. в узлах кр. реш. замещена атомами др. вещ. При исп. 5-вал. примесей 5 e-н ее атомов остается свободным от вал. связи и даже при комн. t-ре отрыв. от атома. Причем отдающие e-ны называют донорными, а п/п n-типа. В п/п с 3-х валентными примесями e-нов для заключения валентных связей не хватает. Они приходят от сосед. атомов в рез-те чего обр. дырки. Причем примесные валентные e-ны наз. акцепторными, а п/п р-типа. При отсутствии эл поля в крист. и одинаковой концентрации носителей заряда в объеме п/п e-ны и дыр. нах. в непрерывном тепл. хаотичном движ. и ток в п/п = 0. При прил. к п/п эл. поля или при неравн. распред. конц. носителей заряда в объеме п/п , возникает эл. ток. Напр. движение носителей заряда по действием эл. поля наз. дрейфом, а в рез-те возн. градиента концентрации носителей заряда - диффузией.

5. Пробой p-n-перехода. Виды пробоев.

При значит увел. Uобр возн-ет быстр рост Iобр(А). Это явл-е наз-ся пробоем ЭДП. Различают тепловой и эл. пробой, а эл. пробой разд. на лавинный и туннельный.

Тепл. пробой возн. за счет интенсивн термогенер-ации носителей в p-n - перех при недопуст увел. t. Процесс развивается лавинообразно, т.к. увел. числа носителей заряда за счет увел. t вызывает рост Iобр и еще > разогрев участка ЭДП. Процесс заканчивается расплавлением этого участка и выходом прибора из строя (участок В-Г). Лав. проб. обусл. лав. размнож носителей в p-n - перех, в рез. ударн. ионизации атомов быстрыми нос. заряда под действием больш Uобр. Лав. проб. (участок А-Б) возн. в толстых p-n - перех где е-ны успевают разогнаться и в тоже время встретится с большим кол-м атомов. Туннельный проб. хар-ся отрывом вал. е-ов от атомов п/п под действ сильного эл. поля. Тун. проб. разв. в тонких p-n-перех, где при небольш Uобр имеет место высокая напряженность поля (участок А-В). Лав. и тунн. пробои явл-ся обратимыми процессами.

6. ЭДП. ВАХ ЭДП.

Рассм. монокр. п/п с резкой границей м/у р и n областями. Предп., что в эл. и дыр. обл. конц. Осн. нос. заряда одинаковы по всему объему и равны соотв. nn и рp. Осн. нос. в п/п n-типа явл-ся e-ны ,а неосн. – дыр., в п/п р-типа наоборот. Обозначим конц. неосн носителей nр и рn.При изг. п/п приборов примеси вводят в таком кол-ве чтобы осн. носителей было на 2-3 порядка больше неосн. (рр>>np; nn>>pn). Граница p и n обл. наз. ЭДП. Т.к. конц. осн. нос. намного выше конц. неосн., то на ЭДП созд-ся градиент конц. е-нов и дыр. В рез. возн. диф. ток I (диф. е в р-область и дырок в n-обл-асть).

В равновесном сост., т.е. при отсутствии внеш. ист. эл. поля появл-е диф. тока нарушается нейтральность обл. п/п. На гран. n-области образуется неподвиж пол. заряд ионизированных доноров за счет ухода е из n-обл , а на границе р-обл отр. заряд ионизированных акцепторов. В рез-те в переходн слое обр-ся эл. поле Е, создающ дрейфовый ток Iдр обр. напр.

При отсутствии внеш. поля м/у двумя областями п/п уст-ся такая разность пот., при кот. ссуммарн ток ч/з переход = 0. Эта разн. потенц. наз. константной разностьюю потенциалов φк=φ+ln(pp/pn)=φтln(nn/np); где φт=кТ/q - тепловой потенциал, к=1,37*10-23 Дж/К - пост Больцмана, Т-абс т-ра, q=1,602*10-19 –заряд е. Толщина слоя объемного заряда каждой обл. зав. от конц. носителей в обеих областях. Объ. заряд обуславливает уменьш. концентр носителей в этом слое и  уменьш. его проводимости. Если к p-n-перех приложить U, то его большая часть прикл. к ЭДП. При этом, ч/з перех протекает ток, вел-на кот. зав. от вел. и напр. U. U прилож “+” к р-обл, а “-” к n-обл и создающ на ЭДП поле обр. напр. по отн. к соnst разн. пот. наз. прямым напряж.

Ток протек. при этом ч/з ЭДП наз. прямым. При прот. полярностити U оно наз-ся обратным  ток - обратным током. При подкл. Uпр к ЭДП U на нем уменьш. и стан. = φ. φ= φк-U, где U - прилож напр. Уменьш U на ЭДП приводит к увел. вел. диф. тока, а дрейфовый ток ост. const. Ток ч/з ЭДП перестает = 0, т.е ч/з ЭДП протекает ток, образ осн. носителями. Этот ток наз-ся прямым током и завис от U.

Iпр=IнасqU/(kT)-1)=IнасU -1)

где Iнас - ток насыщения, опр св-ми п/п и конц. нос. в нем. Записанное ур-е явл. ур-м прямой ветви ВАХ ЭДП: φ=φк+U.

Область объемн заряда расшир-ся поэтому диф. ток уменьш., а дрейф. ост. const. Напр. тока изм. и ч/з ЭДП будет протекать обр ток.

Iобр=Iнас-qU/(kT)-1)=Iнас-U-1)

Т.к. φт≈0,025 В, то при U > нескольких десятых долей В обр. ток достигает знач-я Iнас и остается const. Идеальная ВАХ ЭДП:

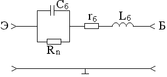
7. П/п.диоды, схема замещ, классиф, УГО.

П/п. диодом наз-ся двухэлектродный прибор, осно-ву которого сост p-n-структура с р и n обл-ми раздел-ми ЭДП. При произв-ве д ,одну из обл легируют >,и она имеет > конц осн носит заряда (обычно p-обл) и обозн как р+. Эту обл наз-ют- эмиттером, а другую – базой. р-n - перех с неодинаковой конц примесей наз-ся несимметричным и обозн (р+-n). При расчете эл схем с п/п.д. возникает необх в уче-те всех парам-в д. С этой целью исп-ся схема замещ:

Элем схемы зам явл-ся:

Сдбдиф, и завис от режима работы; R - интегр сопр перех, опр по ВАХ диода; rб-распределенное эл сопр базы д., его электродов и выводов. В точных расчетах учитыв-ся емк м/у выв-одами Св, их индуктивность Lв, входн Свх и выходн Свых емк-ти д относ-но общей шины устр-ва.

Типы диодов: выпрямительные, высокочастотные, импульсные, стабилитроны и стабисторы, варикапы, туннельные, обращенные, двухбазовые, диоды Шотки, светодиоды, фотодиоды.

Букв цифр маркировка д состоит из неск эл-ов: 1) Буква или цифра обозн материал: Г или 1-Ge, К или 2-Si, А или 3-соед Ga, И или 4-In. 2) Буква обозн подкласс д. Д - выпрям, импульсн, магнитодиоды. Ц - выпрям столбы и блоки, мосты. С - стабилитроны и стабисторы. В - варикапы, Л - светодиоды, И – туннельные. А - СВЧ диоды. 3) Цифра обозн подкл по частоте раб и расс мощн-ти

4) 5) 6) Цифры и буквы обозн № разработки,а для ста-билитр и стабисторов U стабилизации и последов-ть разработки. 7) Буква опр-ая различия в параметрах

Пример: КД2102А

8. Емкость p-n-перех.

Емкость p-n - перех образована так называемыми барьерной и диффуз. емкостями.

Барьерная емк. Сб хар-ся сосредоточением по обе стороны границы раздела р и n слоев объемных зар-ядов, создаваемых ионами примес. Наличие бар. емк. обусл. протекание тока ч/з ЭДП при изм U на нем. Величина Сб опр-ся соотношением: Сб=dQ/dU.

Вел-на Сб завис от площади р-n - перех и м/б до десятков и сотен пФ. Это физ. явл., т.е. зависимость Сб от Uобр исп. в варикапах, применяемых в качестве конденсаторов перем емк., управляемых U.

Диффузионная емкость Сдиф обусл. изм. суммарных зарядов неравновесных е-ов и дырок, соотв-но в р и n обл в рез. изм. U на ЭДП. Эти заряды создаются за счет диффузии нос. ч/з ЭДП, поэтому Сдиф обр. при Uпр на нем. Величина Сдиф завис от протек ч/з перех Iпр и может составл сотни и тысячи пФ, т.е. Сдиф>>Сб Т.о. при прямом смещении ЭДП его емк. опр в основном Сдиф, а при обр., когда Сдиф=0 -барьерной емкостью Сб.

9. Выпрямительные диоды и высокочастотные диоды.

П/п. д., предназн для выпр перем. тока низк. частоты наз. выпрям. д. В них исп. асимметрия ВАХ р-n-перех. Выпр. д. по мощн подразд на: 1) малой (Iпр до 300 мА, Uобр до 1,2 кВ) 2) средней(Iпр=0,3…10А, Uобр=1,2кВ) 3) большой мощн. (Iпр до 1кА, Uобр до 3,5кВ). Параметрами выпр. д. явл-ся: 1) Допустимый выпр ток (средн знач-е прям-го тока), определ как допустимое среднее за период знач-е тока синусоидальной формы при работе цепи с част 50 Гц в заданном диапазоне температур. 2) Прямое падение U (Uпр на диоде при токе Iпр). 3) Max Uобр, классифицир при max раб t-ре. 4) Iобр, опр-ся при max раб t-ре и Uобр

Кремниевые д. имеют по сравн с герм более высо- кую раб t-ру и Uобр, более низк цену и Iобр, но больш-ее прямое падение U. Схема замещ имеет 2 эл-та: Rn и rб.

Высокочастотные диоды предн-ны для раб-ты в цепях с част. тока до сотен МГц, они подр-ся на: 1) Детекторные - исп-е для выдел-я низкочастотного сигнала из модулированного колебания. 2) Смесительные - предназн для изм. несущей частоты модулированного колебания. 3) Модуляторные – исп. для модуляции высокочастотных колебаний.

Для изготовл всч. д. исп-ся спец. технологии позвол-е уменш. емкость д-да Cд. Параметрами этих диодов, кроме указ для выпрям диодов явл-ся предельная раб частота.

Схема замещ: Rn, rб, Сд, Сб, Lв.

10. Диоды Шоттки.

Кроме полупроводниковых переходов сущ-ет также переход “металл-полупроводник”, который обозн-ся как m-p и m-n, в завис-ти от типа п/п-ка.

Осн-ые матем-е соотн-я получил для них немецкий ученый Шоттки, поэтому они названы в его честь, а потенциальный барьер на переходе “металл-полупроводник” наз-ся барьером Шоттки.

Прямой ток в них создается основными носителями заряда. Накопление заряда в базе отсутствует, а барьерная емкость мала (доли пикофарад).

За счет этого, предельная частота работы составляет 10 ГГц. Их исп-ют в качестве быстродейств логарифм эл-ов. Д.Ш. имеют Uобр до 500В, Iпр до 10А,Uпр≈0,3В, что озн-ет из высокий КПД; технолог их пр-ва дешевая, однако коммутируемый ими ток невелик, а допустимое обратное напряжение ограничено.

11. Импульсные диоды.

Они предназн для работы в качестве ключа с двумя состояниями: открыт- когда R д мало, закрыт– когда R д велико. Время перехода из одного сост в другое опр-ся быстродействием аппаратуры с этими д-ми.

Длительность процесса перекл имп.д. из закр сост в откр опр временем накопл необх конц неравновесн-ых носителей в близких к p-n-переходу слоях за счет их дифф ч/з переход. В рез-те прям напр на д при его отпирании Uпримп имеет > вел-ну, чем в установ режиме Uпр. Это наз-ся имульсн прям напряж-ем д-а, а интервал времени в теч которого U на д-де уст от Uпримп до 1,1Uпр наз-ся временем установления,tуст.

Переключение д-да из отк сост во вкл сост хар-ся резким увел обр тока до величины Iобримп и наличием интервала t изм обр тока до низк знач-я. Это обусл-но стягиванием неосн носит-ей заряда обратно в р-n-переход под действ обр напр-я и их рекомбинацией с осн носителями з-да. Временем восст-я аппаратно-го сопр-я tвос наз-ся интервал времени от момента прохождения тока ч/з 0 после перекл диода с задан-ного Iпр на заданное Uобр до мом-та достиж-я Iобр зад-анного низкого значения. По tвос имп. диоды дел на:

-высокого быстродействия tвос<10мс

-среднего быстродействия 10мс<tвос<100мс

-низкого быстродействия tвос>100мс

12. П/п стабилитроны и стабисторы.

Д-ды в кот исп св-во незначительного изм. обр. напр-я на p-n - пререходе при электр (лавинном или туннельном) пробое наз-ся п/п стабилитроном. ВАХ:

Р абочим участком ВАХ п/п. стаб. явл. уч-к 1-2 обр. ветви хар-ки. Осн парам-ми явл: 1) U стабилизац Uст; 2)Min ток. стабилиз Iст min; 3) Мах ток стаб Iст мах;

4) Динамическое или дифференц-е сопротивл-е Rд; Rд хар-ет наклон раб точки учс-тка.(1-2): Rд=d/d(I) ≈∆Uст/∆Iст; 5) Прямое сопр Rпр; Прямое сопр в раб точке А опре по ф-ле: Rн=UaIа 6) Темп. коэф. напр. стаб. (ТКН). ТКН хар-ет измен Ucт в % при изм t-ры окр среды на 10С. Он может сост то 0,0005 до 0,2 %.

Напряж стаб. стабилитроне и стабисторе лежит в пределе от 0,7 до 180 В. Min ток стаб Iст min может изм от 10-х долей до 180В. Iст max огр-ся допус-тимой мощностью рассеивания и м/б от 2мА до 1,5мА.

Стабилитроны прим в схемах || стаб U. Раб точка п/п. стабистора обычно выбир в середине уч-ка 1-2:

Iст=(Icт min+Iст мах)/2.

Для данной схемы можно сост ур-е Кирхгофа. (по 2-3 з-ну):

Е=Rб/(Iп+Iуст)+Uст.

найдем изм напр стабил-ции при изм напр ист пит-я:

Е=∆Uст+Rб(∆Iп+∆Icт)=

Ucт+Rб(∆Ucт/Rп+∆Uст/Rд)

Uст=∆Е/(1+Rб/Rп+Rб/Rд);

Rб/Rд>>1, получим ∆Uст<<∆Е ,т.е. напр на нагр и стабил-не измен знач-но < чем напр исп пит.

При измен Rп измен Iп на вел-ну ∆Iп; тогда при Е=const ∆I0=∆Iп-∆Iст при этом изм напр стаб-ции:

Uст=Rб(∆Iп-∆Iст)=Rб(∆Iп-∆Uст/Rд)

Uст=RбIп/(1+ Rб/Rд)

 чем увел. отклонение Rб/Rд тем увел.стабилизация напр на нагр-ке. Однако при очень > Rб расс мощн на нем так же увел, падает КПД. устройства.

Стабисторы исп. для стабил низк напр.

Они раб на прямой ветви ВАХ. ЭДП.

13. Туннельные диоды.

Т.д. - это п/п д., в принципе раб которых исп тунн эф преноса з-да ч/з потенц барьер р-n - перех. Т. д. отлич-ся высокой конц носителей примесей (1019 атом/см3). Благодаря чему обедненный слой станов очень тонк это прив-т к появл тун эфф прох носит заряда ч/з р-n - перех.

ВАХ: Т. эфф действ-ет от отриц напр до Umin, ч/з тун д. протекает дифф ток, экспоненциально зависящий от прил. напр. Наклон падающ участка ВАХ опр вел-ну дифф отриц сопр тунн д-да: Rд=dU/dI≈∆U/∆I

Другими параметрами явл-ся:

- ток пика ВАХ Imax

- Umax cоотв напр

- Imin ток падения хар-ки

- Umin соотв напр.

- Кi = Imax /Imin

- Uп - мах напр допуст при работе т.д. в схеме гене-ра

- Сд - емк диода.

Ток в т.д. созд-ся осн носит, поэтому прибор обл высоким быстродействием и может раб на частотах до сотен ГГц.

Т.д. хар-ся малой потр мощн, массой и габарит, уст-ю к радиации, малым темп коэфф напр и тока.

Схема замещ и генератор на его основе:


14. Общие сведения от тр-рах. Маркировка. УГО.

Биполярным транзистором наз-ся трехэлектродный полупроводниковый прибор, имеющий 2 ЭДП и предназначеный для усиления. В зав. от чередования областей различают p-n-p и n-p-n. Их п/п структура и УГО:

О дну из крайних обл. легируют п/п структуры сильнее чем другую. Ее исп. для инжектирования носит заряда в средн обл. и наз-ют эмиттером. Дру-гая крайн обл наз-ся коллектором, функц которого яв-ся сбор. носит заряда, пошедших ч/з базовую обл. Пластина п/п явл. основ конструкции и наз-ся базой. Переходы обр. с базой наз-ся соотв эмиттерный(Э) и коллекторный(К). В обоих типах тр. фун. слоев и принц. действ. аналог. Отличие их в том что измен тип носит заряда, приход в базу. В p-n-p – дырки, в n-p-n – е-ны. Букв-цифр маркировка аналогична марк диода:

2) Буква Т - биполярные П – полевые; 3) Цифра указ мощн и частотн св-ва: а) Мал. мощн. (Рк<0,3Вт): 1-низк част с fгр=3 МГц; 2-средн част с fгр от 3 до 30 МГц; 3-выс част с fгр>30 МГц; б) Сред. мощн. (Рк=0,3-1,5Вт): 1-низк част с fгр=3 МГц; 2-средн част с fгр от 3 до 30 МГц; 3-выс част с fгр>30 МГц; в) Больш. мощн. (Рк>1,5Вт): 1-низк част с fгр=3 МГц; 2-средн част с fгр от 3 до 30 МГц; 3-выс част с fгр>30 МГц

15. Принцип действия транз-ра и его стат парам.

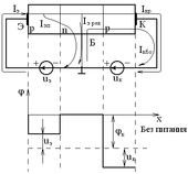
Р ассм. тр. типа p-n-p: при подкл к нему ист. питания и распр. потенциала вдоль структуры. При подкл к. напр. Uк происх. обр. смещ. к. перех. и в цепи кол. поя-вл слабый ток - это обр ток к Iкбо. Этот ток явл. одним из важн. парам. тр. и представ собой ток ч/з кол-ый перех при заданном обр напр Uкб и разомкн выводе э. При подкл э. напр. Uэ происх. прям. смещ. э. перехода и в цепи появл. ток Iэ­­­, кот. в осн. опр-ся током диф. и имеет эл. и дырочн составл-е. Технол. изгот. тр. такова, что э. имеет увел. конц. осн. носит (в p-n-p – дырок), а в базе таковых мало, и дырочная сост. тока э. у тр. >> эл. сост (Iэp>>Iэn) Iэn замык ч/з цепь базы и не участв в созд. тока к. Диф. е-нов из базы в э. восполн. притоком к базе е-нов из внеш. цепи, сто и опр напр эл сост тока э. Для цепи базы Iэn явл. одной из сост. тока базы. Инжектированные из э. в б. дырки под действ диф., стремящейся выровн. их конц. по всему объему б. перемещает их в напр к.

Приближ. к обр. смещ к. перех. дырки, как неосн. носители безпрепятственно проходят из б. в к. увеличавая ток к. Некоторое кол-во дырок при их движ к. базе рекомбинирует с е-ми что вызывает дополнительный приток е-ов в базу из внешн цепи т.е. наличие рекомбинир сост Iэрек тока э., явл-ся сост тока базы. За счет соотв. констр. тр. на к. попадает большинство инжектированных в базу дырок поэтому Iэрек>>Iкр. Вел-на, αинт=Iкр/Iэ=0,95-0,99 (1), наз-ся стат. или интегр. коэф. передачи тока э. Он показывает, какая часть тока э. замыкается ч/з кол. цепь.

По 1 з-ну Кирхгофа

Iэ=Ik+Iб (2),

где Iэ=Iэп+Iэрек+Iкр

Iб=Iэп+Iэрек+Iкбо;

Ik=Ikp+Iкбо; исп (1) и(2) получим:

Ik= αинтIэ+ Iкбо

наряду с αинт часто исп статический (интегр) коэфф передачи тока базы βи=Iкр/(Iэп+Iэрек)=(Iк-Iкбо)/(Iб+Iкбо) (3)

Стат. параметры измеряются в стат. режиме при неизм. токах и напр.

1

ОБ

ОК

ОЭ

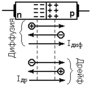
6. Схемы включения тр. и диф. пар-ры.

В завис от того какой электрод явл общим для вх и вых цепей разл 3 схемы вкл тр: с ОК,ОБ,ОЭ.

Согласно (Iэ=Ik+Iб (2)) при возр Iэ на вел-ну ∆Iэ возр. также и ост токи. Iэ+∆ Iэ= Ik+∆Ik+Iб+∆Iб (4)

Вычтем (2) из (4) : ∆Iэ=∆Ik+∆Iб (5)

отношение приращ вых тока к вызывающему его приращ вх тока при неизм U вых цепи наз-ся коэф (диффренц) прямой передачи по току.

Для сх с ОБ: ток вх - Iэ, вых -Iк поэтому для сх с ОБ коэфф пр предачи по току = α=∆Ik/∆Iэ при Uк=const (6)

В усил. режиме в схеме с ОБ αи ≈ α. Из (6) можно найти приращ Iк: ∆Ik= α*∆Iэ(7). Приращ тока б есть разность приращ Iэ и Iк: ∆Iб=∆Iэ- ∆Ik подставим сюда (7): ∆Iб=∆Iэ- α*∆Iэ= ∆Iэ(1± α)(8)

В схеме с ОЭ вых. током явл Iк, вх - Iб, поэтому коэфф прям перед по току: β=∆Iк/∆Iб при Uк=const (9) Коэфф β можно выр-ть ч/з α: β= α*∆Iэ/(∆Iэ(1± α))=α/(1- α)≈1/(1- α) т.к. α≈1 (10)

Отсюда видно что чем ближе α к 1 тем больше коэф β. Из (10)=> β(1- α)= α; β- β *α= α ; α= β/( β+1) (11)

В схеме с ОЭ при отсутствии Iб ч/з тр протекает сквозн ток Iкэс, аналогично току Iкбо в сх с ОБ. Подставим (2) в выр-е Iк= α Iэ+ Iкбо при Iб=0 и получим Iкэс= Iкбо/(1- α)= Iкбо(β+1) (17)

В схеме с ОК вых ток –Iэ вх-Iб коэфф; пр перед по току в сх с Ок ≈1 и опр по ф-ле:

∆Iэ/∆Iб=|исп ф-лу 8|=∆Iб/(∆Iб(1- α))=1/(1- α)=|исп ф-лу 11|=1/(1- β/(β+1))= (β+1)/( β+1- β)= β+1≈ β(12) т.к. β>>1.

При работе тр-ра в линейном режиме на практике исп. след равенства:

α≈αи=Iк/Iэ (13)

β≈ βи= Iк/Iб (14)

Iк>> Iб>> Iкбо

зная α и β по (13) и (14) можно определить токи

Iк ;Iб ; Iэ

Iк≈ α Iэ

Iэ= Iк/ α (15)

Iб≈ Iк/ β

Iб≈ Iэ(1- α) (16)


17. Статические ВАХ тр-ра в схеме с ОБ; модуляция шири-ны базы.

Тр-р в каждой схеме включения хар-ся 4 семействами статических хар-тик: 1) Iк=f(Uк) при Iвх=const–это выходные или колл-ые хар-ки; 2) Iвх=f(Uвх) при Uк=const– входные хар-ки; 3) Iк=f(Iвх) при Uк=const – хар прямой передачи по току; 4) Uвх= f(Uвых) при Iвх=const – хар. обратной связи по U. Значит I и U при построении хар-тик не учитываются, что позволяет унифицировать их для тр. p-n-p и n-p-n типов.

Входные (э.) стат. хар-ки тр. в схеме с ОБ пред-ют собой зависимость Iэ=f(Uэб) при Uк=const. Входная хар-ка при Uк=0 подобна прямой ветви ВАХ диода. При подаче на p-n-p тр-р отриц-го колл-го напр-ия, вх-ая хар-ка смещается влево. Влияние Uк на положение вх-ой хар-ки свидетельствует о наличие в тр-ре внутр-ей обратной связи. При подаче или увел-ии по модулю Uк появл-ся или увел-ся Iкбо и умен-ся составляющая Iэрек из-за расширения К перехода и соответствующего этому, умен-ие ширины Б. Этот эффект расширения К перехода и умен-ия эфф-ой ширины Б при увеличении Uк наз-ся модуляцией ширины базы.


В ыходные (кол.) хар-ки тр-ра в схеме с ОБ пред-ет собой зависимость Iк=f(Uк) при Iэ=const. Вых-ая хар-ка при Iэ=0 явл-ся обратной ветвью ВАХ диода. Увел-е Iэ ведет к сдвигу хар-ки вверх и влево. При обратносмещенном К переходе наблюд-ся незначительное увел-ие наклона хар-к при повышении Iэ. Это объясняется косвенным влиянием Uк на вел-ну Iкр, т.е. с увел-ем Uк умен-ся толщина Б и Iэрек,  Iкр несколько увел-ся, причем это увеличение тем больше, чем больше сам ток Iкр, т.е. чем больше Iэ. При относительно больших Iэ вых-ые хар-ки сближаются, т.к. при этом происходит относит-ое увел-ие Iэрек и Iэн, т.е. статич-ий коэф прямой передачи по току α умен-ся. Начальные участки вых-ых хар-ик снимаются при изменении полярности Uк.

18. Статические ВАХ тр-ра в схеме с ОЭ.

Вх-ые и вых-ые статич-ие хар-ки пред-ют собой зависимости: Iб=f(Uбэ) при Uк=const; Iк=f(Uк) при Iб=const и они имеют вид:

П ри Uк=0 нулевая вх-ая хар-ка пред-ет собой суммарную хар-ку Э и К переходов, соединенных паралл-но и подключенных к источнику питания в прямом направлении, т.е. Iб=Iэ+Iк. Отключение К не сущ-но влияет на вх-ую хар-ку, т.к. Iб в основном опр-ся rб, т.е. при Iк=0. При небольшом отриц-ом напр-нии на К Iк меняет свое направл на обычное и Iб становится разностным Iб=Iэ-Iк. В рез-те Iб резко умен-ся, а вх-ая хар-ка располагается значительно ниже нулевой. При дальнейшем увел-ии по модулю Uк вх-ая хар-ка незначительно смещается вправо и практически сливается с хар-ми, снятыми при дальнейшем увел-ии Uк.

В ых-ые хар-ки – это зависимости Iк от Uк, при различных знач-ях iб=const. Нулевая вых-ая хар-ка, т.е. обратный ток К-Э проходит ч/з начало координат и в рабочей области, т.е. |Uк|≥1 В располагается на уровне βU∙Iкбо. При увел-ии Iб вых-ые статич-ие хар-ки сдвигаются вверх и по сравнению с общей Б имеют примерно в β раз больший наклон и более разковыраженное сближение при значительных Iб. Статич-ая ВАХ тр-ра с ОЭ и ОК примерно одинаковы.

19. Схемы замещения транзисторов.

СЗТ могут соответство-вать их физ-им пар-рам, а также пар-рам, харак-щих их как линей-ный 4-х полюсник. Достоинство физ-их пар-ров в том, что они наглядны и непоср-но хар-ют физ-ие св-ва 3-х слойной п/п структуры. Их можно рассчитать по геометрии слоев и пар-рам материала, но их прямое изменение невозможно. Дост-вом пар-ров 4-х полюсника явл-ся то, что их можно измерить. СЗ позволяют упростить расчеты электронных схем. СЗТ в физ-их пар-рах предс-ся в виде Т-образной схемы, отражающей его структуру. Для включ тр-ра с ОБ и ОЭ они имеют вид:

Э ти схемы справедливы для лин-ых уч-ков статич-ких ВАХ тр-ра, когда его пар-ры можно считать неизменными, т.е. для малых изменений тока и напряж-ия. Пар-ры СЗ с ОБ: 1) rэ=dUэб/diэт/Iэ (Uкб=const) дифференц-ое сопр-ие эммит-го перехода позволяет учесть связь м/у напряж-ми на Э переходе и протекающим ч/з него Iэ. Его вел-на, в зависимости от Iэ, м/б от единиц до десятков Ом; 2) объемное сопр Б rб. Оно опр-ся в направ-ии прохождения Б тока в слое Б от границы Э перехода. rб>rэ и составляет сотни Ом; 3) эквивал-ый источник тока αIэ. Он учитывает транзитную составляющую приращения Iэ, проходящую ч/з Б в К; 4) rк=dUкб/diк (Iэ=const). Дифферен-ое сопр-ие К перехода (включ-ся в обратном направлении). Оно учитывает изменение Iк с изменением Uкб вследствие модуляции ширины Б. Его вел-на от 0,5 до 2 мОм; 5) источник напряж-ия μUкб.

Он опр-ет напряж-ие внутри полож-ой обратной связи и отражает влияние эффекта модуляции Б на вх-ую цепь тр-ра. Т.к. μ мало (10-4…10-3), то этот источник часто в схему не входит; 6) емкости Э и К переходов Сэ, Ск.

Дифф-ая и барьерная емк-ти Э перехода больше таковых К перехода, но т.к. Сэ зашунтировано значительно меньшим сопр-ем (rэ), чем Ск зашунтир-но (rк), то начиная с десятков кГц емкость Ск приходится учитывать, а Сэ на этих частотах пренебрегают; 7)α=di/d…?… кб=const) диффер-ый коэф-т передачи тока. Зависит от частоты усиливаемого сигнала. В обл-ти повышенных частот, где начинает сказываться время прохождения дырок ч/з Б, Iк и Iб отличаются по фазе от Iэ, а коэф-т α умен-ся. Одним из основных пар-ров тр-ра явл-ся граничная частота fα, при к-ой модуль комплексного коэф тока α ум-ся в √2 раз. В Т-образной СЗТ с ОЭ пар-ры rэ и rб имеют тот же физ-ий смысл, что и в схеме с ОБ. Источник тока здесь показан, как βIб, т.к. вх-ым током в этой схеме явл-ся Iб. Сопр-ие К перехода r*к=rк/(β+1), аналогично С*кк(β+1) и влияние ее в обл-ти повышенных частот значительно больше, чем Сэ, поэтому Сэ обычно не учитывают. Дифф-ый коэф-т передачи тока с ОЭ также частотнозависимый. Граничная частота fβ=fα/(β+1), т.е. частотные св-ва тр-ра в схеме с ОЭ хуже, чем в схеме с ОБ.

20. Усилители эл. сигналов. Классиф-ция.

Электронным усилителем наз. устр-во, позволяющее преобразовывать вх-ые электр-ие сигналы в сигналы большей мощности на выходе. Это преобразование совершается за счет энергии источника питания. Все усил-ли делятся на 2 класса с лин-ым и нелин-ым режимом работы, наз-ся лин-ые и нелин-ые усил-ли.

Лин-му усил-лю предъявляется требование min искажения усиливаемого сигнала, что выполняется при пропорциональной передаче усил-ля мгновенных значений тока или напр-ия. Коэф-т усиления при этом рассчитывают по амплитудным или в случае синусоидального сигнала действующим значениям тока и напряж-ия. Важнейшим показателем лин-ым усил-ем явл-ся АЧХ (амплитудно-частотная характеристика), показывающая завис-сть модуля коэф-та усиления по напр-ию, опре- деленного для синусоидального сигнала от частоты. В зависимости от вида АЧХ лин ус подразделяются на:

1) усил-ли пост-го тока (УПТ) с рабочим диапазоном частот fр от 0 до 103…108 Гц; 2) усил-ли звуковых частот с fр от десятков Гц до 15 -25 кГц;

3) усил-ли выс частот с fр от десятков кГц до сотен МГц;

4) широкополосные усил-ли с fр от десяток Гц до сотен МГц;

5) узкополосные усил-ли с узкой полосой fр.

Нелин-ый усил-ль хар-ся зависимостью коэф-та усиления от вел-ны вх-го сигнала. Такие усил-ли применяются для преобразования усиливаемого сигнала, например sin-ого в импульсный (усил-ли-ограничители). Они используются и для усиления импульсов (нелин-ые импульсные усил-ли). Как правило, усил-ль состоит из нескольких каскадов, каждый из к-ых выполняет свои ф-ции. По кол-ву каскадов усил-ли делятся на одно- и многокаскадные. Соединения каскадов осущ-ся либо только по переменному I, либо галиванически. В посл-м случае с выхода предыд-го на вход последующего каскада передается как переменная, так и пост-ая составляющая U или I. Такой класс усил-лей наз-ся усил-ми с непосредственной связью. Частным их случаем явл УПТ. В УПТ для связи каскадов по перемен-му I и разделения по пост-му I используются различ-ые эл-ты, что позволяет классифицировать усил-ли след-им образом:

1) усил-ли с RC-связью, где разделительным элементом явл-ся конденсатор;

2) усил-ли с трансформаторной связью;

3) усил-ли со связью ч/з колебательный контур.

В зав-ти от назначения усил-ли различают:

1) усил-ль напряж-ия, на выходе к-ых получают усиленное напряж-ие, повторяющее по форме вх-ых сигналов;

2) усил-ль тока;

3) усил-ль мощности, позволяющие получить значит усил мощности вх-го сигнала.

Характеристики

Тип файла
Документ
Размер
2,51 Mb
Тип материала
Высшее учебное заведение

Тип файла документ

Документы такого типа открываются такими программами, как Microsoft Office Word на компьютерах Windows, Apple Pages на компьютерах Mac, Open Office - бесплатная альтернатива на различных платформах, в том числе Linux. Наиболее простым и современным решением будут Google документы, так как открываются онлайн без скачивания прямо в браузере на любой платформе. Существуют российские качественные аналоги, например от Яндекса.

Будьте внимательны на мобильных устройствах, так как там используются упрощённый функционал даже в официальном приложении от Microsoft, поэтому для просмотра скачивайте PDF-версию. А если нужно редактировать файл, то используйте оригинальный файл.

Файлы такого типа обычно разбиты на страницы, а текст может быть форматированным (жирный, курсив, выбор шрифта, таблицы и т.п.), а также в него можно добавлять изображения. Формат идеально подходит для рефератов, докладов и РПЗ курсовых проектов, которые необходимо распечатать. Кстати перед печатью также сохраняйте файл в PDF, так как принтер может начудить со шрифтами.

Список файлов ответов (шпаргалок)

Свежие статьи
Популярно сейчас
Почему делать на заказ в разы дороже, чем купить готовую учебную работу на СтудИзбе? Наши учебные работы продаются каждый год, тогда как большинство заказов выполняются с нуля. Найдите подходящий учебный материал на СтудИзбе!
Ответы на популярные вопросы
Да! Наши авторы собирают и выкладывают те работы, которые сдаются в Вашем учебном заведении ежегодно и уже проверены преподавателями.
Да! У нас любой человек может выложить любую учебную работу и зарабатывать на её продажах! Но каждый учебный материал публикуется только после тщательной проверки администрацией.
Вернём деньги! А если быть более точными, то автору даётся немного времени на исправление, а если не исправит или выйдет время, то вернём деньги в полном объёме!
Да! На равне с готовыми студенческими работами у нас продаются услуги. Цены на услуги видны сразу, то есть Вам нужно только указать параметры и сразу можно оплачивать.
Отзывы студентов
Ставлю 10/10
Все нравится, очень удобный сайт, помогает в учебе. Кроме этого, можно заработать самому, выставляя готовые учебные материалы на продажу здесь. Рейтинги и отзывы на преподавателей очень помогают сориентироваться в начале нового семестра. Спасибо за такую функцию. Ставлю максимальную оценку.
Лучшая платформа для успешной сдачи сессии
Познакомился со СтудИзбой благодаря своему другу, очень нравится интерфейс, количество доступных файлов, цена, в общем, все прекрасно. Даже сам продаю какие-то свои работы.
Студизба ван лав ❤
Очень офигенный сайт для студентов. Много полезных учебных материалов. Пользуюсь студизбой с октября 2021 года. Серьёзных нареканий нет. Хотелось бы, что бы ввели подписочную модель и сделали материалы дешевле 300 рублей в рамках подписки бесплатными.
Отличный сайт
Лично меня всё устраивает - и покупка, и продажа; и цены, и возможность предпросмотра куска файла, и обилие бесплатных файлов (в подборках по авторам, читай, ВУЗам и факультетам). Есть определённые баги, но всё решаемо, да и администраторы реагируют в течение суток.
Маленький отзыв о большом помощнике!
Студизба спасает в те моменты, когда сроки горят, а работ накопилось достаточно. Довольно удобный сайт с простой навигацией и огромным количеством материалов.
Студ. Изба как крупнейший сборник работ для студентов
Тут дофига бывает всего полезного. Печально, что бывают предметы по которым даже одного бесплатного решения нет, но это скорее вопрос к студентам. В остальном всё здорово.
Спасательный островок
Если уже не успеваешь разобраться или застрял на каком-то задание поможет тебе быстро и недорого решить твою проблему.
Всё и так отлично
Всё очень удобно. Особенно круто, что есть система бонусов и можно выводить остатки денег. Очень много качественных бесплатных файлов.
Отзыв о системе "Студизба"
Отличная платформа для распространения работ, востребованных студентами. Хорошо налаженная и качественная работа сайта, огромная база заданий и аудитория.
Отличный помощник
Отличный сайт с кучей полезных файлов, позволяющий найти много методичек / учебников / отзывов о вузах и преподователях.
Отлично помогает студентам в любой момент для решения трудных и незамедлительных задач
Хотелось бы больше конкретной информации о преподавателях. А так в принципе хороший сайт, всегда им пользуюсь и ни разу не было желания прекратить. Хороший сайт для помощи студентам, удобный и приятный интерфейс. Из недостатков можно выделить только отсутствия небольшого количества файлов.
Спасибо за шикарный сайт
Великолепный сайт на котором студент за не большие деньги может найти помощь с дз, проектами курсовыми, лабораторными, а также узнать отзывы на преподавателей и бесплатно скачать пособия.
Популярные преподаватели
Добавляйте материалы
и зарабатывайте!
Продажи идут автоматически
7174
Авторов
на СтудИзбе
251
Средний доход
с одного платного файла
Обучение Подробнее