1 (1075529), страница 4
Текст из файла (страница 4)
Переходная характеристика в идеальном усилителе.
В
реал. Ус. переходная хар-ка имеет апериодический или колебательный хар-р.
tн – время нарастания;
tз – время задержки;
- амплитуда выброса.
-
Нелин-ые искажения в Ус. Амплитудная хар-ка. Динам-ий диапазон.
Р
еал. усилители вносят нелин-ые искажения.
Причина: применение нелин-ных эл-тов в составе Ус-я.
IК0 - состояние покоя
(нет сигнала).
Нелин-ые искажения приводят к появлению новых спектральных составляющих в вых. сигнале.
При лин. искаж-ях новых гармоник в спектре вых. сигнала не появляется.
Нелин-ые искажения зависят от амплитуды колебаний
( амплитуда искажение)
Кол-венно нелин-ое искажение оценивают коэффициентом гармоник KГ
Pi - мощность i-ой гармоники
у аппаратуры среднего класса - 110 %
у аппаратуры высокого класса – 0.11 %
у аппаратуры супервысокого класса – 0.1 % и
Основная хар-ка Ус. амплитудная хар-ка - зависимость амплитуды 1-ой гармоники UВЫХ от амплитуды вх. гармонического колебания.
Динамический диапазон Ус.:
42.Обратная связь(ОС) в Ус.: термины и определения, классификация.
Обратная связь – передача сигнала с выхода устройства на его вход.
Структурная схема Ус. с ОС:
1 – собственный усилитель
2 – канал обратной связи (КОС)
3 – геометрическое суммирование сигналов источника и обратной связи.
1 и 2 образуют петлю ОС.
Общая ОС - ОС охватывает Ус. в целом.
Местная ОС – ОС охватывает часть Ус.
ОС по постоянному току 1,2 образуют замкнутую петлю по пост-му току.
ОС по переменному току 1,2 образуют замкнутую петлю по перем-у току.
ОС по пост. и перем. току 1,2 обр-ют замкн. петлю по пост. и перем. току.
Паразитная ОС КОС образован паразитными связями между элементами.
Частотнонезависимая ОС КОС не зависит от частоты.
Частотнозависимая ОС КОС зависит от частоты.
Положительная ОС сигнал источника и КОС суммируются (разность фаз м/у сигналом источника и КОС 0 в переменном токе).
Отрицательная ОС сигнал источника и КОС вычитаются (разность фаз м/у сигналом источника и КОС ).
В общем случаи ОС носит комплексный характер.
В зависимости от снятия сигнала ОС с выхода Ус., различают:
-
ОС по U сигнал ОС пропорционален UВЫХ Ус.
-
ОС по I сигнал ОС пропорционален IВЫХ Ус.
-
Смешанная ОС часть ОС пропорциональна UВЫХ, а часть – IВЫХ Ус.
В зависимости от ввода ОС во входную цепь Ус., различают:
-
последовательная ОС суммируются Uист сигнала и КОС.
-
параллельная ОС на вх. Ус. суммируются Iист сигнала и КОС
С
хемы ЗАМЕЩЕНИЯ
4
3. Последовательная ОС по U и её влияние на параметры усилителя. Влияние других видов обратной связи на параметры усилителя.
- коэффициент передачи канала связи
1
– глубина ОС, фактор ОС, возвратная разность.
усилитель самовозбудится, превратится в генератор
(на одной частоте) возникшие колебания – гармонические.
(в полосе частот) возникшие колебания – негармонические.
Чем шире полоса частот, в которой выполняется этот условие, тем ближе колебания по форме к прямоугольным.
(при постоянном токе) возникает триггерный эффект
При глубокой отрицательной ОС единицей в знаменатели можно пренебречь
(используется для стабилизации).
Канал ОС – пассивные элементы они стабильны и
стабилен.
[1] Влияние последовательной ООС на RВХ Ус (zВХ).
= zвх(1 + KU).
= zвх(1 + KU)
Этот тип ООС RВХ (zвх).
[2] Влияние последовательной ООС на RВЫХ Ус. (zВЫХ).
У идеального Ус. RВХ > RВЫХ .
Последовательная ОС по U: уменьшает RВХ усилителя в (1 + КU) раз.
коэффециент гармоник
Рассмотренная ООС расширяет полосу пропускания.
-
ООС во всех случаях:
-
КУС, его стабильность
-
полосу пропускания
-
нелинейные искажения
-
Последовательная ООС:
-
RВХ
Параллельная ООС:
-
RВХ
Независимо от способа снятия сигнала ОС с выхода усилителя.
Независимо от способа введения сигнала во входную цепь.
4
4. Ус. на БVT: выбор режима работы VT по постоянному току.
R1 задает режим работы VT по пост-му току.
С1, С2 – разделительные или переходные конденсаторы.
Выбор режима работы по постоянному току.
В
ых. статическая хар-ка в схеме с общим “Э”.
РК = UКЭ IК;
IК = PК.MAX / UКЭ;
= arctg(1/RК) - нагрузочная прямая по пост-му току (на ней находится раб точка)
Все эти рассуждения применительно, если RH = .
n = arctg (1 / (RK || RH)) = arctg ((RK+RH) / ( RK RH))
45 Усилительный каскад с общим эмиттером: стабилизация режима работы.
1) Схема с IБ фикс.
2) Схема с IБ фикс. Д
ля каждого VT нужен свой резистор.
to-ная стабильность
непригодна в промышленной аппаратуре.
3) Схема стабилизации рабочей точки с обратной связью
Включение RЭ IK;
IБ IK т.е. в схеме противодействия.
R цепи и RЭ стабильность.
Надо убрать переменную составляющую U надо в цепь подсоединить конденсатор большой ёмкости.
4) Схема с эмиттерной стабилизацией
- для MAX КУС
5) Сх-а стаб-ции режима работы VT с ОС по UК.
UКЭ = EK IK RK; IK UK IБ IK
Связь между “К” и “Б” обеспечивает стабилизацию режима работы.
K
I 1.
Схема с фильтром в цепи питания.
Стабилизация раб. точки.
Отрицательная О.С. по переменному току убирается Сф.
4
6. Усилительный каскад с общей базой (КОБ).
КОБ:
Конденсатор СБ заземляет “Б” по переменному току. Сигнал через СЭ подаётся на «Э».
IK = IЭ,
КОБ плохо согласуются между собой.
KI < 1 KU >>1
(min) RВЫХ у КОБ < RВЫХ у КОЭ < RВЫХ у КОК (max).
RВЫХ у КОБ + RВЫХ у КОЭ RВЫХ у КОК.
4
7. Усилительный каскад с общим коллектором
Каскад с общим “К” (КОК) эмиттерный повторитель.
КОК:
100% обратная связь.
На входе получим:
Без буферного каскада – 1В;
С буферным каскадом в 100 раз больше.
KU < 1; KI >> 1
(min) RВЫХ у КОБ < RВЫХ у КОЭ < RВЫХ у КОК (max).
RВЫХ у КОБ + RВЫХ у КОЭ RВЫХ у КОК.
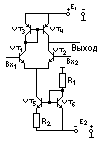
48. Дифференциальный усилительный каскад.
К
аскад имеет несимметричный вход, если одна из «Б» по переменному току заземлена; симметричный – если ни одна из «Б» не заземлена. То же для выходного сигнала.
E1 = E2 не обязательно.
Принцип действия основан на симметрии.
Схема симметрична:
-
RK1 = RK2 = RK
-
Равенство параметров VT-ов
(1) Пусть UВХ1 = UВХ2 = 0 «Э»-ые переходы включены параллельно.
IRЭ = (E2 UБЭ) / RЭ; UБЭ1 = UБЭ2 = UБЭ.
IЭ1 = IЭ2 = (E2 UБЭ) / 2RЭ; IK1 = IK2 = [(E2 UБЭ) / 2RЭ];
RK[(E2 UБЭ) / 2RЭ] = E1 / 2;
E1 = E2 RK RЭ, UВЫХ = UВЫХ.1 UВЫХ.2 = 0
Ус. - сбалансированный мост.
Дрейф нуля изменение UВЫХ в Ус. с течением времени или под действием стабилизирующих факторов при UВХ = 0.
(2) Подадим на вход Ус. равные по вел-не и одного знака U-ия (синфазны).
IБ IK UК UВХ=0 дифф.каскад на синф. U-ия не реагирует.
Подадим на вход дифф-ного каскада UВХ1 > 0, UBX2 > 0, |UBX1| = |UBX2|.
IБ1 > 0 IБ2 < 0 IK1 > 0, IK2 < 0 UКЭ.1 < 0, UКЭ2 > 0.
UВЫХ = UВЫХ.1 UВЫХ.2 = RK IK1 RK IK2 = 2IK2 RK;
Дифф-ный каскад реагирует на разное UВХ.
Источник подкл. между «Б»-ми, а его ср. точка заземлена то каскад имеет симметричный вход.
П
еременный ток. По проводу ни чего не протекает. Провод можно убрать.
Постоянный ток. При убирании провода режим работы будет нарушен. Нужно применить дополнит. меры.
Схема имеет не симметричный вход - источник сигнала подключить между «Б» VT и одна из них соединена с общим проводом.
Выход так же м.б. симметричным или нет.
UВЫХ снимаем с одного из «К»-ов VT выход несимметричен.
Качества дифф-ного каскада оценивают коэффициентом ослабления синфазного сигнала:
КООС = (КД / КС) >> 1.
KOOC RЭ / rВХ.ОБ (ОБ – в схеме с общей «Б»)
49. Токовое зеркало и его применение в дифференциальных каскадах.
В
качестве источника тока в электронике используются токовые зеркала.
VT-ы должны быть с одинаковыми параметрами.
rВЫХ rКЭ.VT2
Входные каскады работают в режиме микротоков.
Токовые зеркала используются в ЦАП:
Используются двоично взвешенные токи, формируемые токовыми зеркалами.
Эта схема имеет симметричный выход.
Зеркало с VT5, VT6 включается для KU.
50. Операционные усилители (Оп.Ус.): термины и определения, характеристики и параметры.
Операционный усилитель (в микроэлектронике) - реализованный в виде микросхемы усилитель постоянного тока:
Параметры:
; 














