Лекции ОВТ (1074277), страница 13
Текст из файла (страница 13)
Чувствительность течеискателя, т.е. минимально обнаруживаемая течь, для течеискателя ПТИ-10 составляет 10-11 м3*Па*с-1 при работе с жидким азотом. Без жидкого азота чувствительность снижается до 10-10 м3*Па*с-1 .
При проверке вакуумной аппаратуры на герметичность испытуемый объект 13 с помощью резинового шланга присоединяют к дросселирующему клапану 12 течеискателя. Подозреваемые на течь места (паяные, сварные швы, места уплотнений) последовательно, начиная с верхних (т.к гелий улетучивается вверх), обдувается из специального пистолета тонкой струей гелия. В случае попадания струи на течь, часть гелия проникает вместе с натекающим воздухом в объект и попадает затем в масс-спектрометрическую камеру течеискателя. При этом меняется тон звукового сигнала и показание выносного прибора течеискателя .
Испытываемые на герметичность вакуумные системы делят: на системы с собственной насосной группой, которые при проверке герметичности откачиваются насосом (вакуумные системы технологического оборудования), и без собственной насосной группы, откачиваемые через дросселирующий клапан течеискателя (электровакуумные приборы и их детали).
Лекция №24
Конструкция рабочей камеры вакуумного оборудования.
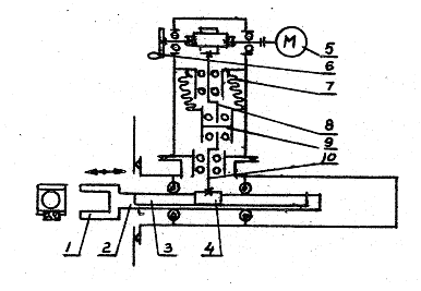
Рассмотрим схему типовой конструкции рабочей камеры на примере установки вакуумного напыления. Представленная на рис.52 рабочая камера откачивается до рабочего вакуума с помощью вакуумной системы через затвор 8. Внутри камеры расположен барабан 2 с обрабатываемыми изделиями (подложками) на которые с помощью испарителя 7 напыляется требуемый материал. Поток требуемого материала может прерываться подвижной заслонкой 5.
Рис.52 Рабочая камера вакуумной напылительной установки.
1 - ввод движения барабана; 2- барабан; 3 - крышка съемная (вакуумный фланец);
4 - ввод поворота заслонки; 5 – заслонка; 6 - токоввод силовой; 7 - испаритель
резистивный (инструмент); 8 - затвор системы откачки.
Во время нанесения пленки барабан 2 вращается, что позволяет наносить испаряющийся материал на все подложки. Для вращения барабана 2 и поворота заслонки 5 используется вводы вращения. Для питания испарителя используется токоввод 6. Крышка камеры 3 вместе с барабаном может отодвигаться влево для загрузки и выгрузки подложек (изделий).
Все перечисленные выше элементы вакуумной камеры выделяют газы, растворенные в материалах конструкции или сорбированные на поверхности. Кроме того, все разъемные соединения представляют потенциальные источники натекания, особенно те стенки, которые периодически разгерметизируются
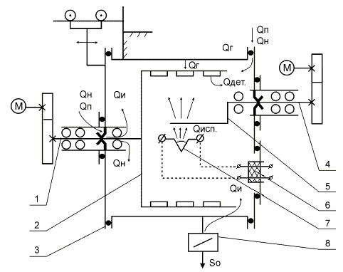
Суммарный поток газовыделения включает в себя:
Q = QП + QИ + QН + QГ + QДЕТ +QИНС,
где QП - поток за счет проницаемости.
QИ - поток испарения (смазки).
QН - поток натекания.
QГ - поток газовыделения со стенок и из уплотнений.
QДЕТ - поток газовыделения деталей.
QИНС - поток газа, растворенного в инструменте (испарителя,
нагревателе, катоде электронной пушки и т.п.) и выделяющийся при его работе.
В нашем случае QИНС = QИСП (поток газовыделения из испорителя).
Таким образом, рабочий вакуум, достигаемый в рабочей камере установки
может быть определен как:
где So- быстрота откачки рабочей камеры.
Для повышения производительности вакуумного технологического оборудования конструктора имеют два пути:
-
Сокращение времени холостых ходов цикла tх за счет создания линий непрерывной обработки изделий. В таких линиях изделие передается из одной камеры в другую через шлюз без повторной откачки, представляющей «холостой ход».
-
Увеличение количества одновременно («параллельно») обрабатываемых изделий.
Компоновка вакуумных технологических линий
Рассмотрим вакуумные линии непрерывной обработки изделий на нескольких примерах, иллюстрирующих компоновку, обеспечивающую высокий (10-2 –10-3 Па), сверхвысокий (10-5 –10-9 Па), ультравысокий (10-7 –10-10 Па) вакуум. (Термин «ультравысокий» вакуум еще не принят официально, хотя критерий такого вакуума уже сформулирован).
На рис.53,54. представлены общий вид и вид в плане вакуумной линии для нанесения многослойных покрытий на компакт-диски. Видно, что линия состоит из ряда последовательно расположенных прямоугольных камер, герметично соединенных между собой, представляющих единый транспортный коридор. На рис.55 (см.разрез А-А) показано сечение транспортного коридора с приводом проводных транспортных роликов (поз.3), на которые опирается транспортная часть 2 кассеты 1.
Заготовки, вставленные в кассеты подаются в транспортный коридор линии через шлюзовой затвор 8, рис.54. В конструкции линии использованы резиновые манжетные уплотнения привода (поз.4, рис.55), резиновые уплотнения в шиберном затворе и соединениях фланцев рабочих камер, что ограничивает прогрев рабочих камер температурой +80оС … +150оС (зависит от сорта резины), и не позволяет снизить поток газовыделения ниже 10-5-10-8м3*Па*с-1 , поэтому в данной конструкции нельзя получить давление ниже 10-4Па.
Рис. 53 Линия вакуумной обработки компакт-дисков, использующая манжетные вводы вращения для транспортировки кассет.
1-Вакуумные модули; 2-Магнетронные испарители плоские; 3-Магнетронные испарители круглые.
Рис.54 Схема линии вакуумной обработки в плане.
1-Стол; 2-Чистая комната; 3-Робот-загрузчик заготовок в кассеты; 4-Кассеты с заготовками компакт-дисков; 5-Позиция загрузки; 6-Толкатель кассеты; 7-Система откачки; 8-Шлюз; 9,10,11-Модули.
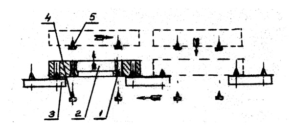
Риc.55 Кинематика привода кассеты с компакт-дисками.
1-Кассета с компакт-дисками; 2-Направляющие кассеты («ласточкин хвост»);
3-Приводной ролик; 4-Манжетный ввод вращения.
Рис.56 Линия вакуумной обработки, использующая реечные и магнитные манипуляторы.
1-Рабочая камера; 2-Транспортный коридор; 3,6,7-Шиберные затворы; 4-Шлюз для загрузки; 5-Реечный манипулятор для перемещения изделий в транспортном коридоре; 8-Магнитный манипулятор для разгрузки изделий в рабочую камеру из транспортного коридора.
Переход к сверхвысокому вакууму требует прогрева всей системы, как минимум до +250 оС и исключения из конструкции линии всех элементов, обладающих повышенным газовыделением (как правило не допускающих прогрева всей конструкции: манжет, жидкой смазки, резиновых уплотнителей, легкоплавких и легкоиспаряющихся материалов).
Пример компоновки сверхвысоковакуумной линии дан на рис.56. Основу линии составляет транспортный коридор 2, в который изделия (помещение в спутники) переносятся из шлюза 4 через шиберный затвор 6 с помощью реечного манипулятора 5. К транспортному коридору, в котором поддерживается сверхвысокий вакуум (Р=10-6Па), примыкают рабочие камеры, поз.1, отделяемые от коридора шиберными затворами 7. Заготовка загружается в камеру 1 из коридора 2 с помощью магнитных манипуляторов 8. Отсутствие механизмов в рабочих камерах позволяет получить в них сверхвысокий вакуум до 10-9Па.
Схема конструкции реечного манипулятора, используемого в линии приведена на рис.57, схема конструкции магнитного манипулятора дана на рис.58
Рис. 57 Схема реечного манипулятора.
1-Схват; 2-Направляющая; 3-Рейка; 4-Шестерня привода рейки; 5-Электро-двигатель; 6-Дублирующий ручной привод; 7-Сильфон; 8-Входной вал(эксцентрик); 9-Промежуточная муфта; 10-Выходной вал с шестерней.
Рис.58 Схема магнитного манипулятора.
1-Внешние магниты; 2-Сердечник(внутренние магниты); 3-Винт для захвата спутника с изделием; 4-Поступательно движущаяся обойма; 5,6-Опоры обоймы;
7-Подшипник качения для вращения сердечника с винтом.
Переход к так называемому «ультравысокому» вакууму (до 10-10-10-12Па), возможен лишь благодаря полному исключению (даже в шиберных затворах) витоновых уплотнений, повышению температуры обезгаживающего прогрева до +450оС, шлюзованию изделий в ультравысоком вакууме. Схема такой линии показана на рис.59.
Рис. 59 Линия с грейферным транспортером, использующая сильфонные вводы вращательного и поступательного движения.
1-Рабочая камера; 2-Неподвижная гребенка, жестко закрепленная в камере; 3-Подвижная гребенка-транспортер, совершающая поворот для съема спутников;
4-Шиберный затвор для разделения технологических камер; 5-Следующая технологическая камера; 6-Сильфонный ввод вращения для поворота подвижной гребенки; 7-Винт ввода поступательного перемещения подвижной гребенки;
8-Сильфонная гирлянда-герметизатор;
Транспортный коридор представляет здесь последовательность технологических камер, поз.1,5, связанных между собой через цельнометаллический прогреваемый шиберный затвор 4. Каждая камера снабжена транспортным манипулятором, представляющем систему из подвижной, поз.3, и неподвижной, поз.2, транспортных «гребенок», их вид сбоку (в сечении А-А) дан на рис.60. Совершая угловое, а затем поступательное перемещение подвижная гребенка переносит спутник с заготовкой, с позиции на позицию (см. рис.61). Трение в кинематических парах такого манипу-лятора минимизировано (есть вариант манипулятора совсем без пар трения-скольжения), что позволяет использовать его в вакууме до 10-10-10-12Па.
Важнейшим элементом такой линии является сверхвысоковакуумный шиберный затвор, схема которого показана на рис.62. Затвор представляет собой цельнометаллическую конструкцию. Для герметичного уплотнения тарели 1 (т.е. пластической деформации медного уплотнителя в контактном пояске) прижимное усилие (порядка нескольких тонн) обеспечивается серьгой 6 , “раскрываемой” с помощью тяги 4 и пневмоцилиндра 5.
Рис.60 Разрез А-А (см. рис.8)
1-рабочая камера, 2- неподвижная гребенка, 3- подвижная гребенка, 9- нагреватель на технологической позиции, 10- испаритель на технологической позициии
Рис. 61 Схема, поясняющая позиции работы грейферного транспортера, представленного на рис. 8
1-Отверстие в спутнике для его базирования на подвесной гребенке; 2-Заготовка, ориентированная в спутнике; 3-Неподвижная гребенка; 4-Подвижная гребенка в нижнем положении (дано сечение зуба гребенки с фиксирующим конусом); 5-Подвижная гребенка в верхнем положении. Стрелками показаны фазы движения зубьев подвижной гребенки.
Рис. 62 Цельнометаллический шиберный затвор с сильфонной герметизацией.
1-Тарель рабочая; 2-Присоединительный фланец; 3-Сильфон силового привода (уплотнение торели); 4-Шток; 5-Пневмоцилиндр силового привода уплотнения торели; 6-Серьга силового привода уплотнения торели; 7-Поворотная каретка на которой крепится торель; 8-Неполнозубая шестерня поворота каретки с торелью;
9-Рейка поворота каретки; 10-Цилиндр поворота каретки; 12-Каретка 7 в отведен-ном состоянии.
Лекция №25
Структура компоновок многокамерного вакуумного технологического оборудования
Как указывалось выше второй путь повышения производительности вакуумного оборудования – сокращения длительности рабочего хода tp:
















