Лекции ОВТ (1074277), страница 16
Текст из файла (страница 16)
qп ст – удельный поток газопроницаемости стального сильфона qп ст ≈ 10-9 ÷ 10-7 м*Па*с-1 (зависит от толщины и температуры работы)
-
Вводы поступательного движения в вакуум
а) Высоковакуумный поступательный ввод с «чулком» (разработчики Е.А. Деулин, В.П. Михайлов)
Рис. 75 Высоковакуумный поступательный ввод.
Обозначения: 1 – шток; 2,11 – гайка натяжная для уплотнения кольца; 3,9 – втулка нажимная; 4,8 – уплотнительное кольцо; 5 – кольцо наружное охватывающее чулок; 6 – чулок (уплотнительный элемент движущегося вала); 7 – стенка вакуумной камеры (фланец)
б) Сверхвысоковакуумный планетарный резьбовой ввод поступательного движения (стандарт СТП Е 28-80, разработчики Е.А. Деулин, В.А. Марусов). Монтируется на фланце.
Рис. 76 Сверхвысоковакуумный планетарно-резьбовой ввод поступательного движения.
Обозначения: 1 – шток; 2 – корпус; 3 – сильфон; 4 – колеблющаяся гайка, совершающая круговые плоские параллельные движения; 5 – эксцентрик; 6 – шестерня приводная; 7 – стенка вакуумной камеры; 8 – электродвигатель
Лекция №27.
Конструкция внутреннего камерного устройства.
Схема внутрикамерного устройства типовой вакуумной установки показана на рис. 1. На схеме показаны основные источники газовыделения, ухудшающие рабочий вакуум.
Рис.1. Вакуумная напылительная установка.
1-ввод движения барабана.
2-барбан.
3-крышка съемная (вакуумный фланец).
4-ввод поворота заслонки.
5-заслонка.
6-токоввод силовой.
7-испаритель резистивный (инструмент).
8-затвор системы откачки.
Расчет газовыделения из элементов арматуры вакуумных установок.
Суммарный поток газовыделеения Q из различных элементов (вакуумной камеры, внутривакуумной арматуры) различных элементов, поверхность которых обращена в вакуум может быть определен:
Q = QГ + QИ + QП + QН + QК,
где QГ - поток газовыделения (десорбции) с поверхностей, обращенных в вакуум, м3·Па·с-1;
QИ - поток испарения веществ с поверхности в вакуум, м3·Па·с-1;
QП - поток, образованный за счет проницпемости тонких стенок, м3·Па·с-1;
QН - поток натекания через неплотности, м3·Па·с-1;
QК - поток газовыделения из кинематических пар, м3·Па·с-1.
Рассмотрим последовательно все составляющие суммарного потока газовыделения.
1. Газовыделение (десорбция) с внутренних поверхностей.
Для ненагретых поверхностей:
где q г ,
- удельное газовыделение материала (в ориентировачных расчетах принимается постоянным, см. табл. 1)
Fi, м2 –площадь поверхности, обращенная в вакуум.
n – количество различных материалов, учитываемых в расчете.
После прогрева q г резко убывает, поэтому прогрев является важнейшей процедурой, необходимой для получения сверхвысокого вакуума.
Таблица 1.
Удельное газовыделение некоторых конструкционных материалов
| № | Материал | q г , м3·Па·с-1·м-2 без прогрева | q г, м3·Па·с-1·м-2 после прогрева в вакууме (450°, 10 час, 10-5 Па) |
| 1 | Резина вакуумная | 10-3 | |
| 2 | Фторопласт | 310-5 | |
| 3 | Сталь малоуглеродистая | 410-4 | 310-8 |
| 4 | Сталь нержавеющая | 10-4 | 310-9 |
| 5 | Медь бескислородная | 10-5 | 10-9 |
Из таблицы видно, что после прогрева в вакууме газовыделение уменьшается в 104 – 105 раз (!)
Для инструмента и деталей, нагреваемых свыше 500°С (нагревателей, испарителей, катодов, экранов и т.п.), учитывают газ, растворенный в толще материала. В первом приближении считаем, что газ равномерно выделяется из толщи нагретого элемента за время tобр . Тогда при прогреве поток газовыделения из них составит:
где m – масса нагретых деталей (до T>500),
tобр – время выдержки при высокой t в вакууме,
g – газосодержание,
, см. табл. 2.
Таблица 2.
Удельное газосодержание некоторых материалов
( ) – значения, рекомендуемые при проведении расчетов.
Пример 1. Рассчитать поток газовыделения с торца резиновой манжеты размером d
D = 20
40 мм.
Пример 2. Рассчитать поток газовыделения со стенок непрогретой цилиндрической камеры, изготовленной из нержавеющей стали, имеющей размеры D
l = 250
300 мм.
Пример 3. Рассчитать поток газовыделения со стенок той же камеры, но после прогрева.
2. Испарение.
Поток газа, испаряемый с поверхностей легкоиспаряемых материалов (вакуумного масла, цинка, органических соединений, находящихся на поверхности) может быть найден по формуле:
Qи =
,
где n – количество веществ, испаряемых в камере,
P’i – остаточное давление i-го вещества в камере,
Piнас – давление насыщающих паров i-го вещества,
F – площадь поверхности, покрытая i-м веществом и обращенная в вакуум.
V1 – объем данного вещества в газообразно состоянии, удоряющийся о единицу поверхности в единицу времени. V1 ≈ 117 м·с-1
Поиск площади F, покрытой легкоиспаряющимся веществом, в случае масла, представляет определенные трудности, т. к. площадь маслянного пятна имеет свойство увеличиваться за счет миграции масла по поверхности (за счет поверхностного натяжения). Для ограничения площади, покрытой маслом, на валу манжетных вводов и в трубопроводах диффузионных насосов ставят антимиграционные ловушки (фторопластовые пояски).
Так как мы обычно не знаем парциального давления легкоиспаряющегося вещества в камере, то его поток может быть рассчитан ориентировочно:
Давление насыщающих паров i-го вещества может быть рассчитано по формуле:
lgPнас= А - B/T ,
где А, В – константы, характеризующие вещество;
Т – абсолютная температура поверхности.
Таблица 3.
Давление насыщающих паров некоторых материалов
Материал | Pнас , Па при T=293K | Pнас , Па при T=800K | А | В |
| Hg | 1.310-1 | 102 | 216.7 | 9078 |
| Масло ВМ-1 (диф.насосы, вводы вращ.) | 10-6 | 105 | 15.5 | 6000 |
| Zn | 10-10 | 102 | | |
| In | <10-12 | 10-6 | 10.82 | 12298 |
| Cu | <10-12 | 10-8 | | |
| Ag | <10-12 | 10-9 | | |
П
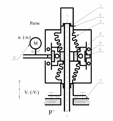
ример 4. Расчет потока паров масла, испаряющегося из сальникового ввода.
Рис. 1. Схема манжетного уплотнения сальникового ввода.
1 – нажимная втулка;
2 – манжета;
3 – вал ввода;
4 – область поверхности вала, покрытая маслом (ВМ –1) (на длине Lзамасл)
Fос – осевая сила, прижимающая манжету к корпусу ввода;
d – диаметр вала.
Исходные параметры ввода:
Lзамасл = 4 см = 0,04 м;
d = 20 мм =0,02 м;
Тогда поток испаряющегося масла:
Qи
V1*F*Pнас,
где V1 – объем паров масла, ударяющийся о единицу поверхности в единицу времени, принимаем V1 ≈ 117 м·с-1;
F – замасленная площадь вала ввода, F = π d Lзамасл = π* 0,02*0,04≈2,6*10-3 м2;
Pнас – давление насыщающих паров масла, Pнас ≈ 10-6 Па
Qи
117
*2,6*10-3м2*10-6Па=3,0*10-7
.
Рассчитаем предельное давление в камере технологической установки, предположив, что источником газовыделения является только смазка сальникового ввода.
Допустим, что быстрота откачки камеры составляет S0 =100
=0,1
.
Тогда предельное давление в камере P′ с учетом рассчитанного выше потока испаряющегося масла составляет
Сделав подобный расчет, следует помнить, что в камере есть другие источники газовыделения, в первую очередь:
-
непрогретые стенки камеры, т. к. камеру нельзя нагревать свыше 120ºС из-за наличия масла во вводе); QГ ≈ 6,2*10-5 м3*Па*с-1
-
газовыделение резины манжетного ввода; QГ ≈ 3,9*10-7 м3*Па*с-1
-
газовыделение остальных элементов вакуумной камеры.
Таким образом мы видим, что сальниковый ввод ограничивает достигаемый предельный вакуум главным образом за счет косвенного влияния – ограничения прогрева вакуумной установки.
















