DZ_No2_post_tok_chast_1_MU (1065178)
Текст из файла
электротехника и электроника
МОДУЛЬ 3. «Основы аналоговой электронной техники»
Выполнение домашнего задания № 2 (первая часть)
Тема «Анализ активного фильтра на базе операционного усилителя»
Методические указания
Цель работы: освоить принципы и метод Боде, по построению активного фильтра с помощью частотных характеристик. Освоить инженерную программу MULTISIM, для проектирования электронных схем.
1. Задание:
-
Изучить теоретическое ведение и методические указания по выполнению домашнего задания.
-
Построить ЛАЧХ полосового усилителя в соответствии с методическими указаниями
-
Построить ЛФЧХ полосового усилителя переменного напряжения.
-
По ЛАЧХ вывести формулу коэффициента усиления в канонической форме.
-
Собрать схему в среде Work Bench или MULTISIM. Снять с помощью частотного анализатора Боде-плоттера ЛАЧХ и ЛФЧХ усилителя. Сравнить результаты с построением.
-
Определить величину и фазу комплексного коэффициента усиления на частотах
f = 10, 100, 1000, 10000 Гц.
-
Составить уравнение коэффициента усиления в канонической форме
-
Определить коэффициент усиления с помощью осциллографа.
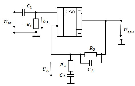
Рис.1 Схема полосового усилителя на базе ОУ
2. Указания по оформлению расчетно-графической работы
-
Номер варианта соответствует номеру в учебном журнале.
-
Домашнее задание выполняется на листах формата А4 с одной стороны листа.
-
Выполнить чертеж схемы и её элементов в соответствии с ГОСТом.
-
Образец оформления титульного листа представлен в приложении 2.
-
Каждый пункт задания должен иметь заголовок. Формулы, расчёты, диаграммы должны сопровождаться необходимыми пояснениями и выводами.
-
Графики (диаграммы) должны выполняться на миллиметровой бумаге с обязательной градуировкой по осям и указанием масштабов.
-
Если студент сделал ошибки при выполнении домашнего задания, то исправление проводится на отдельных листах с заголовком «Работа над ошибками».
-
Срок выполнения домашнего задания 12 неделя семестра.
-
Теоретическое введение
Активный полосовой фильтр – представляет собой четырехполюсник, содержащий активный элемент операционный усилитель (ОУ) и пассивные RC цепи, усиливающий напряжение в заданной полосе частот.
Операционный усилитель (ОУ) – это линейный преобразователь, дифференциальный усилитель с очень большим коэффициентом усиления, предназначенные для работы с глубокой отрицательной обратной связью рисунок 2.
Комплексное устройство, состоящее из ОУ и внешних элементов, образующих цепь обратной связи, предназначено для выполнения некоторых математических операций над аналоговыми величинами (как, например, суммирование, интегрирование, дифференцирование, умножение на постоянные коэффициенты и др.). Собственно операционный усилитель без цепи обратной связи не применяют. ОУ используют также в качестве прецизионных усилителей, активных фильтров, повторителей напряжения, компараторов, на их основе строятся избирательные и полосовые усилители, генераторы синусоидальных сигналов, генераторы сигналов различной формы сигналов, регуляторы и стабилизаторы напряжения и т.д.
Рис. 2. Структурная схема решающего усилителя
Параметры ОУ можно варьировать при помощи обратных связей, построив на их основе усилители с заданными значениями коэффициента усиления, входного и выходного сопротивлений. Отрицательная обратная связь (ООС) обеспечивает устойчивость устройств, подается она с выхода ОУ на инвертирующий вход рис. 2. Для снижения дрейфа нуля, устойчивости параметров и увеличения линейного участка передаточной характеристики ОУ, его в основном применяют с «глубокой» отрицательной обратной связью. С помощью подбора глубины обратной связи можно реализовать аналоговые устройства с параметрами в широком диапазоне.
Основной параметр любого усилителя - коэффициент усиления. Коэффициент усиления ОУ уменьшается пропорционально глубине обратной связи:
Кос – коэффициент усиления с учётом отрицательной обратной связи;
β или γ – коэффициент передачи обратной связи;
К - коэффициент усиления ОУ.
Проанализируем формулу (1):
если
, то
- «глубокая» ООС (2)
При глубокой отрицательной обратной связи коэффициент усиления усилителя не зависит от коэффициента усиления операционного усилителя, а зависит только от соотношения параметров звена обратной связи
.
Важной характеристикой усилителей рис. 1, являются амплитудно-частотная характеристика (АЧХ) представляющая собой зависимость коэффициента усиления от частоты
.
Так как звено обратной связи, образованы включенными R и C элементами, то между входным и выходным напряжениями возникнет сдвиг фаз. Эту зависимость и отражает фазо-частотная характеристика ФЧХ
.
Логарифмические амплитудно- и фазо-частотные характеристики (ЛАЧХ) и (ЛФЧХ), или асимптотические диаграммы, предложенные учёным Боде, являются приближенным методом ускоренного построения частотных и фазовых характеристик линейных аналоговых схем, систем автоматического регулирования. Они являются удобным средством анализа устойчивости линейных систем и служат для расчета корректирующих частей.
Амплитудно-частотные характеристики строятся в логарифмическом масштабе. По оси ординат откладывают коэффициент усиления, выраженное в децибелах, по оси абсцисс откладывают частоту или отношение частот сигналов, в логарифмическом масштабе. Логарифмический масштаб удобен для графического представления частотных характеристик, это позволяет свести все операции умножения и деления числовых выражений к простым операциям сложения и вычитания, и позволяет проанализировать поведение усилителя в достаточно широком диапазоне частот.
Удобство логарифмических характеристик заключается в возможности их аппроксимации отрезками прямых – асимптотами, имеющих различные углы наклона. Углы наклона этих кривых обычно выражают в децибелах на декаду дБ/дек.
Децибел (дБ) – русское обозначение, (dB) – международное. Это специальная единица, определяемая отношением амплитуд двух сигналов, 1 дБ = 20 lg(A1/A2) = 1,12202
Отношение частот двух гармонических колебаний называется интервалом. Интервал, соответствующий изменению частоты в десять раз называют декадой.
Для построения диаграмм Боде передаточную функцию цепи в области комплексной частоты удобно представить в виде отношения двух полиномов:
где ω0i – корни полинома в числителе нули
ωnj – корни полинома в знаменателе полюса
К – модуль коэффициента передачи
φ – фаза коэффициента передачи.
Выражение АЧХ можно представить в виде:
Тогда выражение (3) для логарифмической амплитудно-частотной характеристики будет иметь вид:
Ко - коэффициент передачи на нулевой частоте в дБ.
Члены передаточной функции могут быть представлены выражениями:
В логарифмическом масштабе выражения (4), (5), (6) можно представить отрезками прямых линий. Таким образом, в результате аппроксимации модуль частотной характеристики состоит из константы и абсолютных углов наклона прямых к оси абсцисс: 20lg10=20 дБ/дек. Изменение наклона происходит в точках излома характеристики: ω = ω0i и ω = ωnj при ω<ω0i и ω> ωnj участки АЧХ представляют собой прямые, лежащие на оси абсцисс (0 дБ). Результирующая характеристика представляет собой сумму отрезков по участкам, ограниченные точками изломов.
Фазо-частотная характеристика передаточной функции выглядит следующим образом:
Отдельная фазовая характеристика имеет вид:
- эта характеристика может быть аппроксимирована отрезками прямых линий следующим образом:
В логарифмическом масштабе диаграмма фазового сдвига может быть представлена тремя отрезками, изломы характеристики соответствуют частотам ωi/10, 10ωi . Её наклон составляет 45о/дек.
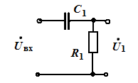
3.1 Фильтр высоких частот (входная RC цепь)
Четырехполюсники, напряжение на выходе которых пропорциональны производной по времени от напряжения на входе называют дифференцирующими.
Такая цепь рис. 3, пропускает без изменения высокочастотные сигналы, на низких происходит уменьшение выходного сигнала, т.е. данная цепь является фильтром высоких частот (ФВЧ). Применяют в качестве корректирующих звеньев в электронных схемах, а также в схемах формирования импульсов.
Рис. 3. Фильтр высоких частот (входная RC цепь)
Операция дифференцирования по времени в комплексной форме соответствует умножению на jω, поэтому дифференцирующим будет любой четырехполюсник, для которого выполняются условие:
.
Проанализируем фильтр высоких частот. Запишем уравнение коэффициента передачи:
Характеристики
Тип файла документ
Документы такого типа открываются такими программами, как Microsoft Office Word на компьютерах Windows, Apple Pages на компьютерах Mac, Open Office - бесплатная альтернатива на различных платформах, в том числе Linux. Наиболее простым и современным решением будут Google документы, так как открываются онлайн без скачивания прямо в браузере на любой платформе. Существуют российские качественные аналоги, например от Яндекса.
Будьте внимательны на мобильных устройствах, так как там используются упрощённый функционал даже в официальном приложении от Microsoft, поэтому для просмотра скачивайте PDF-версию. А если нужно редактировать файл, то используйте оригинальный файл.
Файлы такого типа обычно разбиты на страницы, а текст может быть форматированным (жирный, курсив, выбор шрифта, таблицы и т.п.), а также в него можно добавлять изображения. Формат идеально подходит для рефератов, докладов и РПЗ курсовых проектов, которые необходимо распечатать. Кстати перед печатью также сохраняйте файл в PDF, так как принтер может начудить со шрифтами.
















