DZ_No2_LU_2_MU (1065177)
Текст из файла
электротехника и электроника
МОДУЛЬ 4. «Основы цифровой электронной техники»
Автор - Князькова Т.О.
Выполнение домашнего задания № 2 (вторая часть)
Тема «Проектирование узлов цифровой электронной техники.
Синтез логического устройства »
Методические указания
Цель работы: освоение методов синтеза сложного логического устройства, используя разные способы минимизации, при использование для этого различных логических устройств.
-
Задание:
-
Составить таблицу истинности с четырьмя входами и одним выходом для своего варианта (см. таблицу приложение 1).
-
Перевести значение выходной величины Q из шестнадцатеричной системы в двоичную и записать в таблицу истинности (младшие разряды сверху).
-
Провести принципиальный синтез логической схемы с четырьмя входами (0 - 3) и одним выходом, реализующую таблицу истинности по пункту 1, с использованием простых логических микросхем (элементов).
-
Составить структурную формулу. Минимизировать полученную схему с использованием карт Карно. Провести принципиальный синтез логической схемы.
-
Провести принципиальный синтез логической схемы с четырьмя входами (0 - 3) и одним выходом, реализующую таблицу истинности по пункту 1, с использованием дешифратора и логических микросхем.
-
Указания по оформлению расчетно-графической работы:
-
Номер варианта соответствует номеру в учебном журнале для первой группы, для второй группы к номеру в журнале прибавить число 30. Варианты в приложении 1.
-
Домашнее задание выполняется на листах формата А4 с одной стороны листа, желательно использовать компьютерные программы.
-
Выполнить чертеж схемы и её элементов в соответствии с ГОСТом. Образец оформления титульного листа представлен в приложении 2.
-
Каждый пункт задания должен иметь заголовок. Формулы, расчёты, диаграммы должны сопровождаться необходимыми пояснениями и выводами.
-
Если студент сделал ошибки при выполнении домашнего задания, то исправление проводится на отдельных листах с заголовком «Работа над ошибками».
-
Срок выполнения домашнего задания 15 неделя семестра.
-
Теоретическое введение
Математический аппарат
- Системы счисления (десятичная, двоичная, шестнадцатеричная) – способ изображения числа набором цифр.
- Алгебра логики
Единицей информации в цифровых системах является бит (BInary digiT).
Бит может принимать два значения – нуль и единицу.
Группа из восьми бит составляет байт.
1 байт = 8 бит – двоичное слово
16 бит = 2 байта – машинное слово
4 бита = ½ байта – тетрада
3.1. Системы счисления
-
Десятичная система счисления использует цифры от натурального числового ряда.
-
В цифровых электронных устройствах (ЦЭУ) используют двоичную систему счисления, два значения 0 и 1 это машинный язык.
-
Шестнадцатеричная с/c. более компактна
3.1.1. Двоичная система счисления
Перевод из двоичного числа в десятеричную форму.
Пример
Перевод из десятичного в двоичное число производится делением числа на 2.
Пример
3.2. Алгебра логики
Каждый конкретный набор значений переменных может рассматриваться в виде n- битного двоичного кода, поэтому количество таких наборов
.
Любая Булева функция переменных может быть задана таблицей истинности, либо аналитическим способом в виде структурных формул.
3.2.1 Правила и соотношения в алгебре логики
Применимы переместительный и сочетательный законы математики
-
A + B = B + A
-
AB = BA
-
A(B + C) = AB + AC
-
ABC + AC + AB + BC = AC(B + 1 )+ B(A + C)
3.2.2.Таблица соответствия систем счисления
4. Логические элементы
Двоичный логический элемент представляет собой электронную цепь, выходное состояние которой описывается одной из основных булевых функций.
4.1 Элемент «НЕ»
Элемент имеет только один вход
4.2 Логический элемент «ИЛИ»
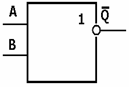
4.3 «ИЛИ-НЕ» - элемент (инверсная дизъюнкция)
4.4 «И» - логическое умножение (конъюнкция)
Структурная формула
4.5 «И-НЕ» - элемент (инверсная конъюнкция)
Структурная формула
4.6 Исключающее ИЛИ
4.7 Комбинированные логические элементы
-
объединяются элементы «НЕ » «И » «ИЛИ » и др. для реализации более сложных логических функций
-
Шифраторы, дешифраторы, мультиплексоры, демультиплексоры, полусумматоры и т.д.
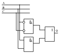
4.7.1 Синтез логических схем
Синтез логических схем – составление логических схем по заданной таблицы истинности.
Правила синтеза:
-
По выходной величине Q определяются количество «0» и «1», если «0»<«1», то синтез осуществляется по строкам, где Q=0 (если «1»<«0», то, где Q=1)
-
Каждая строка реализуется одним элементом «И» с соответствующими элементами «НЕ» на входах.
-
Устройство «ИЛИ », если синтезируем по «1 » «ИЛИ-НЕ », если синтезируем по «0» осуществляет преобразование сигналов в выходную величину Q.
4.7.2 Минимизация с помощью карт Карно
-
Минимизация с помощью карт Карно или с помощью совершенной дизъюнктивной нормальной форме (СДНФ)
-
Составляется структурная формула
-
Составляется карта Карно для двух, трёх, четырёх и т.д. переменных
для двух переменных
для трёх переменных
4.7.3 Теоремы Де Моргана
Дополнение суммы равно произведению дополнений переменных
Дополнение произведения равно сумме дополнений переменных
4.7.4 Набор правил Булевой алгебры
4.7.5 Пример
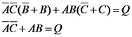
Дано:
Запишем уравнение в совершенной дизъюнктивной нормальной форме (СДНФ)
Итоговая схема
Характеристики
Тип файла документ
Документы такого типа открываются такими программами, как Microsoft Office Word на компьютерах Windows, Apple Pages на компьютерах Mac, Open Office - бесплатная альтернатива на различных платформах, в том числе Linux. Наиболее простым и современным решением будут Google документы, так как открываются онлайн без скачивания прямо в браузере на любой платформе. Существуют российские качественные аналоги, например от Яндекса.
Будьте внимательны на мобильных устройствах, так как там используются упрощённый функционал даже в официальном приложении от Microsoft, поэтому для просмотра скачивайте PDF-версию. А если нужно редактировать файл, то используйте оригинальный файл.
Файлы такого типа обычно разбиты на страницы, а текст может быть форматированным (жирный, курсив, выбор шрифта, таблицы и т.п.), а также в него можно добавлять изображения. Формат идеально подходит для рефератов, докладов и РПЗ курсовых проектов, которые необходимо распечатать. Кстати перед печатью также сохраняйте файл в PDF, так как принтер может начудить со шрифтами.
















