ДЗ 2- ЦСин Тока СМ4,6 - 1.0 (1065180)
Текст из файла
4
МОСКОВСКИЙ ГОСУДАРСТВЕННЫЙ ТЕХНИЧЕСКИЙ УНИВЕРСИТЕТ
имени Н.Э. БАУМАНА
Методические указания
к выполнению домашнего задания № 2
по курсу «Электротехника и электроника»
по теме «Расчет линейных цепей синусоидального тока»
Москва, 2014
Научный редактор
к.т.н., доцент Мисеюк О.И.
Оглавление.
Стр.
-
Содержание домашнего задания. Выбор исходных данных. …….. 4
-
Методические указания …………………………………………….. 6
-
. Расчет электрической цепи с использованием законов
-
Кирхгофа ……………………………………………………….. 6
2.2. Составление уравнения баланса мощностей …………………. 9
2.3. Определение показаний приборов …………………………….. 10
3. Контрольные вопросы ……………………………………………….. 11
4. Литература ……………………………………………………………. 12
Приложение 1. Расчетная схема …………………………………………12
Приложение 3. Образец титульного листа …………………………….. 13
Целью данной работы являются - изучение и освоение методов анализа электрических цепей однофазного синусоидального тока с использованием символического метода.
1. Содержание домашнего задания. Выбор исходных данных
1. Начертить расчетную электрическую схему и записать исходные данные.
2. Рассчитать сопротивления реактивных элементов и записать в комплексной форме сопротивления ветвей схемы.
3. определить токи во всех ветвях схемы.
4. рассчитать и построить векторные диаграммы токов и напряжений.
5. Определить показания измерительных приборов.
6. рассчитать баланс мощностей и коэффициент мощности схемы.
Порядок выполнения расчетно-графической работы
-
Исходная электрическая схема домашнего задания приведена в приложении 1 (рис.П1). Числовые значения параметров схемы выбираются студентом из таблицы 3, приведенной в приложении 2. Номер варианта домашнего задания соответствует номеру, под которым студент записан в журнале у старосты группы.
-
Расчетно-графическая работа выполняется на листах А4 и, желательно, с использованием компьютера. Образец оформления титульного листа приведен в приложении 3.
-
Перед выполнением очередного пункта задания необходимо
написать заголовок и пояснить, что Вы собираетесь делать дальше.
При выполнении вычислений следует привести расчетную
формулу, подставить числовые значения всех величин,
входящих в формулу, и ответ с указанием единиц измерения в
системе СИ, затем конечные графики и векторные диаграммы в
соответствии с требованиями условия домашнего задания.
-
Используемые обозначения в формулах и на схемах должны соответствовать ГОСТу.
-
Работа над ошибками выполняется студентом с новой страницы, не
трогая уже проверенного преподавателем материала.
Следует написать заголовок «Работа над ошибками» и далее
выполнять работу над ошибками, заново приводя исправленные
рисунки, формулы и расчеты.
-
Срок сдачи второго домашнего задания – 10 неделя.
2. Методические указания
-
Расчет электрической цепи с использованием
законов Кирхгофа
При расчете цепи переменного синусоидального тока можно воспользоваться законами Кирхгофа . Составить соответствующую систему уравнений можно либо для мгновенных значений токов и напряжений, либо в комплексной форме (см. табл.1).
Таблица 1
Мгновенные значения токов и напряжений записываются в виде синусоидальных функций со своими начальными фазами
и
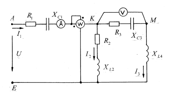
Дальнейшие рассуждения будем проводить с использованием конкретной схемы (рис.1). Запишем систему уравнений по законам Кирхгофа для схемы рис.1 для мгновенных значений токов и напряжений:
Рис.1
Получили систему интегродифференциальных уравнений, записанных для синусоидально изменяющихся величин. Решать такую систему сложно.
Значительно удобнее решать систему уравнений, записанных с использованием комплексных величин.
Использование комплексного метода позволяет свести решение дифференциальных уравнений, записанных для мгновенных значений токов и напряжений, к решению алгебраических уравнений, записанных для комплексных величин.
Запишем систему уравнений для нашего примера с использованием комплексных величин. Предварительно перерисуем схему (рис.1) , введя в нее новые обозначения, использующие комплексные величины (см. рис.2).
Рис.2
Закон Ома в комплексной форме для каждого из элементов схемы имеет вид:
.
Здесь
и
- комплексные значения напряжения и тока на
участке цепи;
- комплексное сопротивление участка цепи,
которое в каждом конкретном случае
записывается согласно табл.2.
Таблица 2
Для составления системы уравнений по законам Кирхгофа необходимо предварительно задать положительные направления токов в ветвях схемы.
Первый закон Кирхгофа формулируется так:
Алгебраическая сумма комплексных значений токов в узле электрической цепи равна нулю.
Правило знаков: токи, направленные к узлу, берутся со знаком плюс, от узла – со знаком минус.
Количество уравнений, составляемое по первому закону Кирхгофа, на единицу меньше, чем число узлов в схеме.
Второй закон Кирхгофа формулируется так:
Алгебраическая сумма комплексных значений напряжений в замкнутом контуре равна алгебраической сумме комплексных значений э.д.с. в этом контуре
Правило знаков: выбираем направление обхода контура (по часовой стрелке или против). Если напряжение (или эдс) совпадает с направлением обхода контура, то берется со знаком плюс. Если напряжение (или эдс) направлено навстречу обходу контура, то берется со знаком минус.
Количество уравнений, составляемое по второму закону Кирхгофа, равно числу независимых контуров в схеме. Общее число уравнений, составленных по первому и второму законам Кирхгофа, должно равняться числу неизвестных (обычно – токов).
Система уравнений, записанная по законам Кирхгофа в комплексной форме для схемы (рис.2), будет
Используя исходные данные, вычисляем все реактивные сопротивления:
;
;
;
,
Подставляем известные значения сопротивлений и напряжение источника
в систему уравнений (2) и решаем ее. Получаем значения токов
и , выбрав масштаб, строим векторную диаграмму токов на комплексной плоскости (рис.3).
Рис.3
-
Составление уравнения баланса мощностей
Для проверки правильности решения задачи в электротехнике обычно используют метод составления уравнения баланса мощностей. Комплексная мощность, отдаваемая источниками в электрическую цепь
, должна быть равна комплексной мощности, потребляемой приемниками
.
При этом должны выполняться раздельно равенства активных мощностей
и реактивных мощностей
Мощность источников рассчитываем в комплексной форме
Здесь для расчета комплексной мощности
используется комплексно-сопряженное значение тока
.
,
,
– полная, активная и реактивная мощности, измеряемые, соответственно, в ВА , Вт и ВАр.
Для приемников вычисляем раздельно активную мощность
и реактивную мощность
При выполнении реальных расчетов мощности источников и приемников могут несколько отличаться. Точность выполненного расчета схемы оценивают с помощью относительной погрешности при вычислении баланса активных мощностей
и реактивных мощностей
При выполнении расчетов на компьютере эти погрешности не должны превышать 1%.
2.3. Определение показаний измерительных приборов
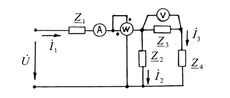
Амперметр измеряет ток, проходящий через его обмотку. Он показывает действующее значение тока в ветви, в которую он включен. В схеме (рис.4) амперметр показывает действующее значение (модуль) тока
.
Рис.4
Вольтметр показывает действующее значение напряжения между двумя точками электрической цепи, к которым он подключен. В рассматриваемом примере (рис.6) вольтметр подключен к точкам K и M.
Вычисляем напряжение
в комплексной форме
Вольтметр покажет числовое значение, равное модулю напряжения
, т.е.
.
Ваттметр измеряет активную мощность, которая расходуется на участке цепи, заключенном между точками, к которым подключена обмотка напряжения ваттметра, в нашем примере (рис.4) между точками K и E.
Активную мощность, измеряемую ваттметром, можно вычислить по формуле
где
- угол между векторами
и
.
В этом выражении
действующее значение (модуль) напряжения, на которое подключена обмотка напряжения ваттметра, и
действующее значение (модуль) тока, проходящего через токовую обмотку ваттметра.
3. Контрольные вопросы.
-
Сформулируйте законы Кирхгофа и объясните правила составления системы уравнений по законам Кирхгофа для расчета схемы, приведенной на рис. 4.
-
Уравнение баланса мощностей для цепи синусоидального тока. Объясните правила составления уравнения баланса мощностей для схемы рис.11.
-
Резонанс напряжений: определение, свойства цепи, векторная диаграмма.
-
Резонанс токов: определение, свойства цепи, векторная диаграмма.
-
Объясните, как рассчитать показания приборов (амперметра, вольтметра, ваттметра) в схеме рис.4.
4. Литература.
1. А.С. Касаткин, М.В. Немцов Электротехника : учеб. для вузов М: Издательский центр « Академия» , 2008.- 544с.
2. П.В. Ермуратский ,Г.П. Лычкина, Ю.Б.Минкин. Основы электротехники и электроники.- М.: ДМК Пресс,2011.- 416 с.: ил.
3. Ю.М.Борисов, Д.Н.Липатов, Ю.Н.Зорин. Электротехника.- Санкт-Петербург «БХВ-Петербург», 2012.-587с.
4. Электротехника и электроника в 3-х кн./Под ред. В.Г.Герасимова. М.: Энергоатомиздат, 1986. 1 кн.. -288с.,2 кн.-272с., 3 кн.- 432с.
.
Приложение 1. Расчетная схема
Рис.П1
Рис.П2
Приложение 3. Образец титульного листа.
Московский государственный технический университет
имени Н. Э. Баумана
Кафедра электротехники и промышленной электроники
Домашнее задание № 2
по курсу « Электротехника и электроника »
на тему «Расчет линейных цепей синусоидального тока»
Вариант № 10
Выполнил : студент Иванов Б.В.
группа СМ4– 51
Проверил : доцент Мисеюк О.И.
Дата сдачи работы на проверку _____
Москва, 2015 г.
Характеристики
Тип файла документ
Документы такого типа открываются такими программами, как Microsoft Office Word на компьютерах Windows, Apple Pages на компьютерах Mac, Open Office - бесплатная альтернатива на различных платформах, в том числе Linux. Наиболее простым и современным решением будут Google документы, так как открываются онлайн без скачивания прямо в браузере на любой платформе. Существуют российские качественные аналоги, например от Яндекса.
Будьте внимательны на мобильных устройствах, так как там используются упрощённый функционал даже в официальном приложении от Microsoft, поэтому для просмотра скачивайте PDF-версию. А если нужно редактировать файл, то используйте оригинальный файл.
Файлы такого типа обычно разбиты на страницы, а текст может быть форматированным (жирный, курсив, выбор шрифта, таблицы и т.п.), а также в него можно добавлять изображения. Формат идеально подходит для рефератов, докладов и РПЗ курсовых проектов, которые необходимо распечатать. Кстати перед печатью также сохраняйте файл в PDF, так как принтер может начудить со шрифтами.
















