DZ_No1_post_tok_chast_1_MU (1065173), страница 3
Текст из файла (страница 3)
Для соединения элементов проводниками необходимо подвести указатель мыши к выводу элемента, когда появится черная точка, обозначающая соединение. Затем указатель мыши подводят к выводу другого элемента до появления соединения. Можно изменить цвет проводника: щелкнуть мышкой по проводнику, появится окно, в котором щелкнуть на строчку «color » и выбрать цвет, щелкнув мышкой на нем.
Установить тип и параметры элементов (резистора, конденсатора, источников питания и т.п.) можно открыв окно диалога двойным щелчком мышки. Установить числовые значения параметров можно с клавиатуры или выбором из внутренней библиотеки номиналов.
Приборы амперметр и вольтметр находятся на панели инструментов. Выбрать «Place Indicator », в списке Family » открывшегося окна выбирается тип элемента «Voltmetr_V » -вертикальный или «Voltmetr_H » горизонтальный. Амперметр аналогично.
Инструменты – ваттметр, осциллограф, т.д. находятся справа рабочего поля и в поле перетаскиваются с помощью мышки. Экраны приборов открываются двойным щелчком мышки. Необходимо проводить настройки инструментов, как на настоящих приборах.
Схему, показания приборов, можно распечатать, перенести в текстовый или графический редактор.
На рис.4 рабочее окно в среде Multisim. Панель интрументов, располагается справа.
На рабочем поле необходимо разместить элементы схемы. Для этого на верхней панели инструментов слева нажать кнопку «Place Basic » (см. Рис.5). На ней изображён резистор. Обозначение резисторов на схеме в Multisim отличается от принятого ГОСТом. Появится окно «Select a Component », где из списка «Family » надо выбрать «Resistor ».
Рис.4 Рабочее окно в среде Multisim
Под строкой «Component » появятся номинальные значения сопротивлений, выбрать нужное нажатием левой кнопки мыши или же непосредственным введением в графу «Component » необходимого значения с клавиатуры. В Multisim используются стандартные приставки системы СИ (см. Табл. 1).
Таблица 1
| Обозначение Multisim (международное) | Русское обозначение | Русская приставка | Порядок |
| m | м | мили | 10−3 |
| µ (u) | мк | микро | 10−6 |
| n | н | нано | 10−9 |
| p | п | пико | 10−12 |
| f | ф | фемто | 10−15 |
В поле «Symbol » можно увидеть, как будет выглядеть выбранный элемент на рабочем поле. После выбора номинального значения, нажать кнопку «OK » и, поместить элемент на поле схемы нажатием левой кнопки мыши. Далее можно продолжать размещение необходимых элементов или нажать кнопку «Close », чтобы закрыть окно «Select a Component ».
Рис.5 Выбор компонента резистора
Аналогично расположить в поле конденсаторы. Только в списке «Family » выбираем тип «Capacitor » (см. Рис.6).
Рис.6 Выбор компонента конденсатора
Размещённые на поле элементы необходимо соединить проводами. Для этого наводится курсор на клемму одного из элементов, нажимаем левую кнопку мыши. Появляется провод, обозначенный пунктиром, подводим его к клемме второго элемента и снова нажимается левой кнопкой мыши. Проводу так же можно придавать промежуточные изгибы, обозначая их кликом мыши (см. рис.7).
Рис.7 Сборка схемы в поле Multisim
Запустить схему нажатием «Simulation switch » рис.8.
«Simulation switch »
Рис.8 Запуск схемы
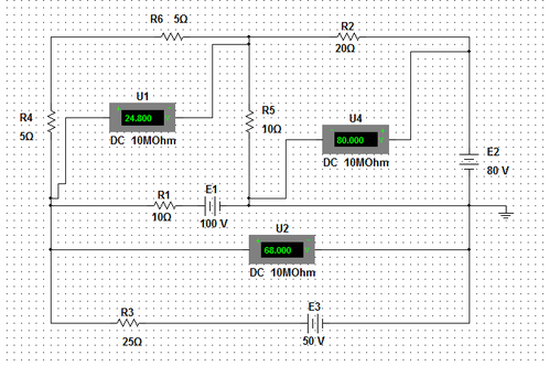
Поставить амперметры в ветви схемы и измерить токи рис.9
Рис.9 Схема включения амперметров
Измерение напряжения. Подключить вольтметры к участкам цепи рис.10.
Рис.9 Подключение вольтметров
Измерение мощности участка цепи.
Подключить ваттметр (рис.11), включить схему, двойным щелчком мыши открыть экран ваттметра.
Рис.11 Подключение ваттметра
Показания ваттметра
Определение тока в ветви экспериментальным методом эквивалентного генератора
-
Отсоединить ветвь, в которой надо найти ток. Подключить вольтметр и измерить напряжение холостого хода, которое равно Еэкв.
-
Отключить вольтметр и подключить амперметр. Измерить ток короткого замыкания.
-
Определить: Rвн = Еэкв / Iкз
-
Ток в искомой ветви определяется по формуле:
I = Еэкв / (R + Rвн)
-
Контрольные вопросы
-
Свойства последовательной цепи
-
Свойства параллельной цепи
-
Правила составления баланса мощностей
-
Правила составления уравнений по первому закону Кирхгофа
-
Как определяется мощность источника питания?
-
Независимый контур. Напишите уравнение по 2-ому закону Кирхгофа любого контура Вашей схемы.
-
Правила составления уравнений по 2-ому закону Кирхгофа
-
Как определяется мощность приемника?
-
Как определить количество уравнений по 1-ому закону Кирхгофа?
-
Алгоритм метода эквивалентного генератора
-
Как включается вольтметр в цепь?
-
Как включается амперметр в цепь?
-
Как определить количество уравнений по 2-ому закону Кирхгофа?
-
С помощью какого закона определяем ток в ветви, в методе эквивалентного генератора?
-
В чём смысл метода эквивалентных преобразований?
-
Литература
-
Бессонов Л.А. Теоретические основы электротехники- М.: Высшая школа, 2012г.
-
Беневоленский С.Б., Марченко А.Л. Основы электротехники. Учебник для ВУЗов – М., Физматлит, 2007г.
-
Касаткин А.С., Немцов М.В. Электротехника. Учебник для вузов- М.: В.ш, 2000г.
-
Электротехника и электроника. Учебник для вузов. / Под редакцией
В.Г.Герасимова. - М.: книга 1, Энергоатомиздат, 1996г.
-
Волынский Б.А., Зейн Е.Н., Шатерников В.Е. Электротехника, -М.:
Энергоатомиздат, 1987г.
Приложение 1
Данные для группы1
E1=50 В, E2 = 100 В, E3 = 80 В, R1= 40 Ом, R2 = 30 Ом, R3 = 20 Ом, R4 = 30 Ом, R5 = 20 Ом, R6 = 30 Ом, Е = 60 В
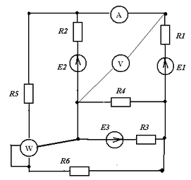
Схема 1 для группы 1
Данные для группы 2
E1=100 В, E2 = Е4= 50 В, E3 = 80 В, R1= 80 Ом, R2 = 50 Ом, R3 = 40 Ом, R4 = 30 Ом, R5= R7= 20 Ом, R6 =30 Ом, Е =40 В
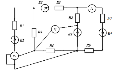
Схема 1 для группы СМ3 - 02
Приложение 2
для группы 1
Вариант | ветвь | Заменить |
| 1 | 1 | R3→E |
| 2 | 2 | R1→0 |
| 3 | 4 | R1→E |
| 4 | 3 | R1→E R5→E |
| 5 | 2 | R2→0 |
| 6 | 6 | R2→E |
| 7 | 5 | R2→E R5→E |
| 8 | 1 | R3→0 |
| 9 | 3 | R4→E |
| 10 | 2 | R4→E R5→E |
| 11 | 6 | R6→E |
| 12 | 1 | R5→E |
| 13 | 5 | R6 и R5→E |
| 14 | 4 | R6 и R5→0 |
| 15 | 3 | R5→0 |
| 16 | 1 | R5→E, E2→R6 |
| 17 | 2 | E2→R4, R5→(E) |
| 18 | 3 | R6→0 |
| 19 | 4 | R1→R2 |
| 20 | 3 | E2→R4 |
| 21 | 2 | R2→E |
| 22 | 1 | R4→E R5→0 |
| 23 | 5 | R1→0 |
| 24 | 1 | E1→R4 |
| 25 | 3 | E2→R5 |
| 26 | 2 | E3→R1 |
| 27 | 5 | E2→R2 |
| 28 | 4 | R3→E |
| 29 | 3 | R1→R4 |
| 30 | 6 | E2→R6 |
Для группы 2
Вариант | ветвь | Заменить |
| 1 | 1 | R3→E |
| 2 | 5 | E1→0 |
| 3 | 4 | R1→E |
| 4 | 3 | R1→E R5→E |
| 5 | 2 | E2→0 |
| 6 | 6 | R4→E |
| 7 | 5 | R2→E |
| 8 | 4 | E3→0 |
| 9 | 3 | R4→E |
| 10 | 2 | R7→E R5→E |
| 11 | 1 | E4→0 |
| 12 | 3 | R5→E |
| 13 | 5 | R5→E E3→0 |
| 14 | 4 | R5→0 R7→0 |
| 15 | 6 | R7→0 |
| 16 | 1 | R5→0 E3→0 |
| 17 | 2 | R5→0 E1→R4 |
| 18 | 3 | R6 и R2→0 |
| 19 | 4 | R3 и E2→R4 |
| 20 | 5 | E2→R4 |
| 21 | 6 | R2→E |
| 22 | 1 | R4 и R7→E |
| 23 | 2 | R1→0 |
| 24 | 5 | E1→R4 |
| 25 | 3 | E2→R5 |
| 26 | 2 | E3→R1 |
| 27 | 5 | E2→R2 |
| 28 | 4 | R3→E |
| 29 | 3 | R1→R4 |
| 30 | 2 | E2→R6 |
Приложение 3. Образец титульного листа.
Московский государственный технический университет
















