DZ_No1_post_tok_chast_1_MU (1065173), страница 2
Текст из файла (страница 2)
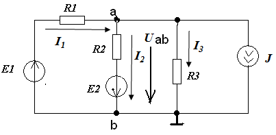
Ток в любой ветви схемы можно найти по закону Ома, для участка цепи. Для этого необходимо определить потенциалы узлов схемы.
Если схема содержит n-узлов, то уравнений будет (n-1):
-
заземлим любой узел схемы φ = 0
-
необходимо определить (n-1) потенциалов
-
Составляются уравнения согласно первому закону Кирхгофа по типу:
φ1*G11 + φ2*G12 +…+ φ(n-1)*G1,(n-1) = I11
φ1*G21+ φ2*G22+…+ φ(n-1)*G2,(n-1) = I22
…………………………………………………
…………………………………………………
φ1*G(n-1),1 + φ2*G(n-1),2 +…+ φ(n-1)*G(n-1),(n-1) = I (n-1), (n-1)
где I11… I (n-1), (n-1) узловые токи в ветвях с ЭДС подключенных к данному узлу, Gkk- собственная проводимость (сумма проводимостей ветвей в узле k), Gkm- взаимная проводимость (сумма проводимостей ветвей соединяющие узлы k и m) , взятая со знаком «-«.
4. Токи в схеме определяются по обобщенному закону Ома
Пример:
Заземлим узел С, т.е. φс = 0
определив потенциалы φа и φb, найдем токи схемы:
Составление формул для расчета токов осуществляется в соответствии с правилами знаков ЭДС и напряжений, при расчете по обобщенному закону Ома.
Правильность расчета токов проверяется с помощью законов Кирхгофа и баланса мощностей.
3.4.4 Метод двух узлов
Метод двух узлов это частный случай метода узловых потенциалов. Применяется в случае, когда схема содержит только два узла (параллельное соединение).
Алгоритм:
-
Задаются положительные направления токов и напряжение между двумя узлами произвольно;
-
Уравнение для определения межузлового напряжения
где G – проводимость ветви, J – источники тока;
-
Правило: G·E и J берутся со знаком «+», если Е и J направлены к узлу с большим потенциалом;
-
Токи схемы определяются по обобщенному закону Ома
Пример:
Составление формул для расчета токов осуществляется в соответствии с правилами знаков ЭДС и напряжений, при расчете по обобщенному закону Ома (см. лекция 1).
3.4.5 Метод активного двухполюсника
Данный метод применяется, когда необходимо рассчитать параметры одной ветви в сложной схеме. Метод основан на теореме об активном двухполюснике:
«Любой активный двухполюсник может быть заменен эквивалентным двухполюсником с параметрами Еэкв и Rэкв или Jэкв и Gэкв, режим работы схемы при этом не изменится»
Алгоритм
-
Оборвать ветвь, в которой нужно определить параметры.
-
Определить напряжение на разомкнутых зажимах ветви, параметры которой необходимо определить, т.е. при режиме холостого хода Еэкв = Uхх любимым методом.
-
Заменить активный двухполюсник, т.е. схему без исследуемой ветви, пассивным (исключить все источники питания, оставив их внутренние сопротивления, не забывая, что у ЭДС Rвн = 0, у источника тока Rвн = ∞). Определить эквивалентное сопротивление полученной схемы Rэкв.
-
Найти ток в ветви по формуле I = Eэкв/(R+Rэкв) для пассивной ветви и
I = E ± Eэкв/(R+Rэкв) для активной ветви.
-
Построение потенциальной диаграммы
Под потенциальной диаграммой понимают график распределения потенциала вдоль какого-либо участка цепи или замкнутого контура. Каждой точке участка цепи или замкнутого контура соответствует своя точка на потенциальной диаграмме.
Потенциальная диаграмма представляет собой зависимость φ(R) в виде графика, на котором по вертикальной оси отложены значения потенциалов последовательного ряда точек выбранного контура, а по горизонтальной – сумма значений сопротивлений последовательно проходимых участков цепи этого контура. Построение потенциальной диаграммы начинается из произвольно выбранной точки контура, потенциал которой принят за нулевой φ1 = 0. Последовательно обходим выбранный контур. Если построение диаграммы начали в точке 1, то и закончиться она должна в этой же точке 1. Скачки потенциала на графике соответствуют включенным в цепь источникам напряжения.
-
Определение показаний приборов
Вольтметр измеряет напряжение (разность потенциалов) между двумя точками в электрической цепи. Для определения показания вольтметра необходимо составить уравнение по второму закону Кирхгофа по контуру, в который входит измеряемое напряжение.
Ваттметр показывает мощность участка электрической цепи, которая определяется по закону Джоуля – Ленца.
-
Пример расчета цепи постоянного тока с несколькими источниками
Дано: R1 = R5 =10 Ом, R4 = R6 = 5 Ом, R3 = 25 Ом, R2 = 20 Ом, Е1 =100 В, Е2 =80 В, Е3 =50 В
Определить токи в ветвях разными методами, составить и рассчитать баланс мощностей
|
| Определяем количество узлов, ветвей и независимых контуров: q = 3, p = 5, контуров 3. Составляем уравнения по законам Кирхгофа: уравнений по 1-ому закону Кирхгофа равно 2, а уравнений по 2-ому закону Кирхгофа равно 3. для узлов а и b. Для контуров выбираем обходы по часовой стрелке: |
-
Метод контурных токов
Так как три контура, то будет три контурных тока I11, I22, I33. Направления этих токов выбираем по часовой стрелке рис 3. Запишем настоящие токи через контурные:
I1 = I11 - I33, I2 = - I22, I3 = - I33, I4 = I11, I5 = I11- I22
Запишем уравнения по второму закону Кирхгофа для контурных уравнений в соответствии с правилами.
Правило: если ЭДС и ток имеют одинаковое направление с направлением обхода контура, то они берутся с «+», если нет, то с «–».
Решим систему уравнений математическим методом Гаусса или Крамера.
Решив систему, получаем значения контурных токов:
I11 = 2,48 А, I22 = - 1,84 А, I33 = - 0,72 А
Определим настоящие токи: I1 = 3,2 А, I2 = 1,84 А, I3 = 0,72 А, I4 = 2,48 А, I5 = 4,32 А
Проверим правильность расчёта токов, подставив их в уравнения по законам Кирхгофа.
Составим уравнения для расчёта баланса мощностей:
Из расчёта видно, что баланс мощностей сошёлся. Погрешность меньше 1%.
-
Метод узловых потенциалов
Решаем туже задачу методом узловых потенциалов
Составим уравнения
-
Ток в любой ветви схемы можно найти по обобщённому закону Ома. Для этого необходимо определить потенциалы узлов схемы. Заземлим любой узел схемы тогда φс = 0.
Решая систему уравнений, определяем потенциалы узлов φa φb
φa = 68 B φb = 43,2 B
По обобщенному закону Ома определяем токи в ветвях. Правило: ЭДС и напряжение берутся со знаком «+», если их направления совпадают с направлением тока, и со знаком «–» , если нет.
3). Определим ток I4 методом эквивалентного генератора.
Размыкаем ветвь, в которой надо найти ток, т.е.ветвь с резисторами R4, R6
-
Построение потенциальной диаграммы внешнего контура
Определим значение потенциалов узлов и точек схемы.
Правило: обходим контур против часовой стрелки, если ЭДС совпадает с обходом тока, то ЭДС бреется с «+» (φе). Если ток по обходу, то падение напряжения на резисторе, т.е «-« (φb).
Потенциальная диаграмма:
-
Моделирование в среде MULTISIM
Собрать схему в среде MULTISIM. Измерить токи, напряжение и мощность.
Программа MULTISIM, включает в себя интегрированный пакет программ, включающий удобный графический ввод и построение электронной или электрической схем. Программа позволяет анализировать работу аналоговых и цифровых электронных схем. В пакет входят библиотеки элементов (диодов, транзисторов, ОУ, логические элементы, функциональные устройства), приборы для измерений тока напряжения, мощности, генераторы, т.д.
После запуска программы появляется рабочее окно с линейкой диалога, панелью инструментов и ярлыками наборов элементов «Component ».
Для создания схемы нужные элементы перетаскиваются в рабочее поле и устанавливаются в выбранном месте. Все элементы можно поворачивать для более удобного и наглядного расположения на рабочем поле. Для этого необходимо навести курсор на элемент, и нажать правую кнопку мышки. Появится меню, в котором надо выбрать опцию «90 Clockwise » для поворота на 90° по часовой стрелке или «90 CounterCW » для поворота на 90° против часовой стрелки, но только отсоединив от схемы.
















