Электронные лекции (1065045)
Текст из файла
Лекция 1.
Основы электротехники.
Привод- эл.мех. система, состоящая из ЭД, преобразовательного передаточного и управляющего устройств, предназначенных для осуществления движения функциональным узлом, технологич.установки и управления этим движением.
УП
ЭД+УП
УУ
ТУ
Д
ЭД- электродвигатель
УП- преобразовательное устройство
УП- передаточное устройство
УУ- устройство управления
Д- датчики по валу
Основное уравнение электропривода
Асинхронные двигатели
+ использует 3-х фазную эл.цепь
простота
надежность
дешевизна
высокий энергетический показатель(КПД ~98%, соs )
-
затруднено управление и регулировка скорости, сл-но мало используется в приводах, где надо плавно регулировать скорость
Материал: магнитопровод статора из электротехнической шихтованной стали(чтоб не нагревали токи Фуко)
Устройство
См рис 1.
-
корпус
-
магнитопровод(статор)
-
пазы статора
-
магниторовод(ротор)
-
пазы в роторе6
-
вал
-
лапы и фланцы
-
рымболт.
Воздушный зазор чем меньше- тем лучше.
В пазы уложена обмотка.(3-х фазная)
Обмотки смещены отн. др. др. на 120
Обмотка в роторе также, что и в статоре, а пазы – продольные.
-
короткозамкнутый ротор.
-
фазный ротор(провода осоед. в *)
см. рис2.
Трехфазный ток дает вращающ.3-х фазное эй/м поле. Магнитная индукция результирующего магнитного поля 3-х фаз распределена вдоль воздушного зазора по sin закону. Ее амплитуда в 1,5 раза выше амплитуды однофазной и Е м.поля вращается с постоянной скоростью.
Доказательство вращения м.поля.
AX-1ая обмотка
ВУ-2 ая обмотка
СZ-3 яя обмотка
См. рис3,4.
По правилу буравчика направление векторов магнитной индукции BА, ВВ, ВС. Но они получаются посредством 3-х фазного тока, сл-но меняются во времени по sin.
iА*- намагничивающая сила
когда iА*max, то iВ*, iС* меньше.
Рассмотрим (.) 1,2,3:I1,2,3=0
Когда в фазе iА=0, то фаза В поменяла направление. См. рис 5
BB
BС Втр
BB
-
BB Bтр BА
BC
BА BС
B
(.)1 (.)2 (.)3
Рис.5
iB= iC=IMsin60=3/2IM
BB=BC=3/2BM
BMP=2BB3/2=3/2BM
BMP=3/2BM (одной фазы)
Принцип действия АД
При пересечении Al проводника с м.полем в проводнике возникает по закону индукции ток, который, по закону Ампера, дает силу. ЭДС определяется по правилу правой руки.
n-частота вращения ротора
АFR=Mдвиг.
Принцип действия основан на взаимодействии проводника с м.полем. Т.к. поле вращается, проводник вращается. Двигатель наз. асинхронным т.к. сила возникает тогда, когда происходит заимод. проводника с полем. При n=n0 произойдет торможение, сл-но будет разность = n-n0
Сл-но nn0опять сила.
Поскольку частота вращения ротора отстает от частоты вращения м.поля статора двигатель называют асинхронным.
(n0-n)/ n0=S скольжение.
Лекция 2
Сила, действующая на проводник ротора. F=BlI
n0- частота вращения э/м поля, n- частота вращения ротора.
wmax=wэл/р=2p/Тp 2pn0/60P=2pf n0=60f/P ,
Тр- число пар полюсов электьродвигателя. Если р=1,мах n0=3000
Соотношения в асинхронном двигателе.
Частота тока ротора f2=(n0-n)P/60, частота статора f1=n0P/60
f2/f1=(n0-n)/n0=S скольжение- отставание ротора от статора по частоте.
ЭДС ротора
n¹0, E2=4.44f2w2ФKo2 Ko2- обмоточный коэффициент, опр. как точно ось эл.обмотки совпадает с магнитной(0,91…0,95).
n=0, E2k=4.44f1w2ФKo2 при неподвижном роторе.
S=0.95…0.98
Е2 /Е2к=f2/f1=f1S/f1 E2=E2kS
Индуктивность сопротивления обмотки статора.
Х1=2pfL1 L1=w1Фр1/I1 Осн.поток Ф идет на создание м.поля. Фр-поток рассеяния.
Х2=2pf2L2 L2=w2Фр2/I2
n=0 X2=X2S*S
f2/f1=(n0-n)/n0=S n=0,S=1, f2=f1. E2=E2k*S
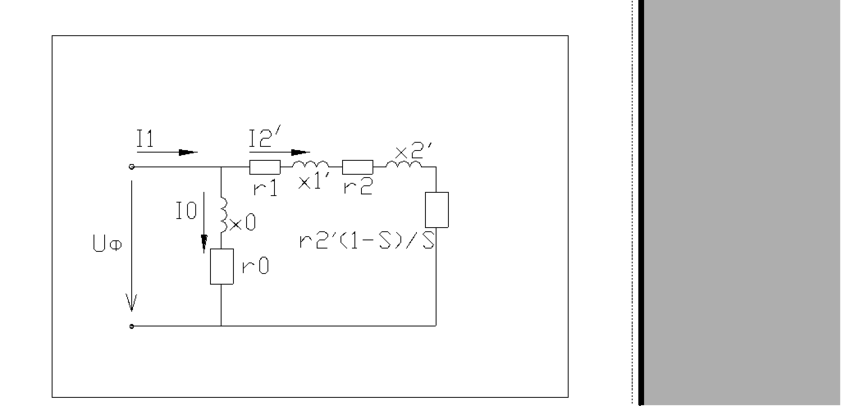
I0- ток, создаваемый м.полем, I1-ток статора.I2- ротора,зависит от нагрузки.
Схема должна отражать вращающийся процесс.
I2=E2/(r22+x22)1/2=E2kS/(r22+(x2S)2)1/2= E2k/((r2/S)2+x22)1/2= E2k/{(r22+r2(1-S)/S)2+x22}1/2
Мощности в асинхронных двигателях.
P1- мощность статора P1=Ö3*U1Ф*I1cosj1
P1-DPобм1-DРст1=Рэм
Мощность, которая передается посредством вращения э.м.поля от статора к роторучерез воздушный зазор.
Рэм-DPобм2-DРст2=Рмех то, что приходится на вал.
Потери на трение подшипников, о воздух, на вентиляцию DPмех
Pмех-DPмех=РВ на валу.
Рэм=Мэнw .
Рэм- Рмех =DPобм2 Рмех=Мэмw Р=Мw, где М- вращающий момент
Мэмw0- Мэмw=3I22r2
Мэм=3I22r2/(w0-w)=3I22r2/w0S Мэм=МВ
Полезный момент на выходе двигателя.
М=3I22r2/w0S
М=3Е2кI2cosy2/w0=3*4.44f1w1ФI2cosy2/w0=CФI2cosy2
M=CФI2cosy2
I0- ток намагничивания, I1- ток потребляемый из сети.
Закон Ома.
Механическая характеристика АДВ
Мн- номинальное
Мк-срывается и останавливается крит.момент, после которого двиг.перестает работать.
Мп- пусковой момент.
Двигатель в т.n0попасть не может, т.к. потери большие(надо докрутить в том же направлении др.машиной).
Режим динамического торможения- необход. статорные обмотки отключить от цепи 3хфазного тока и 2 из них подкл. к цепи пост.тока.
Торможение быстрый останов- необходимо осуществить реверс и, когда вращение ротора=0, статорную обмотку отключить от 3хфазной цепи(необх.контрольное реле).
См.рис.
Лекция 3
Торможение:
-
генераторный n>n0
-
противовключения n<0(пересеч.витков пр-ий в др.направлении, тормозн.момент).
-
динамич.торможения(возникает пост.м.поле недвижущееся).
-
быстрый останов.
Когда вращающ.э/м поле опережает витки- положит.момент- момент движения.
Когда отстает, возникает пересеч-я- тормозной момент(n>n0)- в др.сторону.
Т.к. возникает невращающ.м/поле статора n=0, n00(поле магн. как бы вращ. в др.сторону)(направление силы буде противоположно моменту двигательному)момент тормозной(отриц.)
n2n0
n0- в др.сторонусамое эффективное торможение.
[Pн]=1КВт [Мн]=Н/м
- перегрузочный коэфициент.
, Sн- по номинальным(паспортным) данным.
I’2- приведенный ток(приведенный, т.к.используем схему приведения).
Пуск АД.
Mп=(1,2…1,6)Мн
Мп<Мпс
Mac-пусковой момент сопротивления
Токовая характеристика называется скоростной характеристикой - I(n)
Способы запуска АД
Чтобы понизить IOU, надо понизить напряжение или увеличить r1 и, если с фазным ротором АД, увеличить r2:
1) U1ф. понизить
2) r1(или r2) увеличить
3) r2 увеличить (АД с фазным ротором)
Переключить АД во время пуска с треугольника на звезду
При включении треугольника напряжение на нагрузке одной фазы - линейное, равное 380 В, а фазное напряжение ,равное 220 В, в звезде- фазное напряжение (уменьшает его в корен3 раз) при включении. Значит M уменьшится в 3 раза.
-
П
реобразование звезды в треугольник
n
зв естест. Этот способ подходит, если нет нагрузки
тр.
M
-
2) Схема включения (ограничиваем ток) r1+rдоб.
Добавляем сопротивление –дроссель (катушка со сталью)
(с большим х)
n
естест.
Регулирующий пусковой клапан
В1 включается, после пуска вкл В2 (закорачивается r2)
Естественная характеристика АД-называется характеристика АД, соответствующая номинальным параметрам, все остальные характеристики называются искуственными.
M=Mk/(Sи/Sк+Sк/Sи) Мп=2*Мк/(1/Sk+Sk/1)
Sk=r’2/(r12+xk2)1/2
Xk= x1+ x2
Sk=(r’2+ r’д)/(r22+xk2)1/2
Sk= r’2/ xk (r1<<xk)
Sk=(r’2+ r’д)/xk
Sk=(r’2д)/(r’2+ r’д)= r2д)/(r2+ rд)
rд= r2/(Sи/Sк-1)
Регулирующие скорости АД (частоты вращения)
-
no=60f/P
a)p-var
b)f-var
-
Полюсный способ
При ф=const (постоянство тока)- ступенчатое регулирование
b) частотный способ
E2k=4.44f***K02*I2
Н
еподвижный ротор имеет частоту статора
Включаем сопротивление в цепь ротора АДК2 замыкаем, шунтируем К1 замыкаем шунти- руем rg1 получаем rg2 в качестве с сопротивления
a)
Преимущества:
-
Простота
Недостатки:
1) Многополюсная машина (1500,1700,2000)
2) Ступенчатое регулирование
b)
Преимущества:
1)плавное регулирование во всем диапазоне
Недостатки:
-
дорогой т. к. требует регулятор частоты
-
применяется при пониженной частоте и немного выше 60 Гц, а при высоких
частотах сопротивление увеличивается, ток и момент уменьшается
в)
преимущества:
-
простой
недостатки:
1) небольшой диапазон регулирования, значит используется только для подрегулировки
-
большие потери (неэкономичный)-печка (сильно разогревается АД)
-
АД только с фазным ротором (такой АД дороже на порядок)
r2- var
M
=0-M=0.9Mk (прямолинейная характеристика)-рабочая частота характеристики
Sк M=(Mн/Sн)*S
Мn Mk M
Энергетические характеристики:
1)=Рв на валу/Р1
Р1=Рв+dРобм1+dРобм2+dPст1+dPcт2+dPмех
dРперем. dPпост
-
cos=P1/S=P1/(P12+Q2)
Q=Qглав.+Qрассеянн.=Io2ro+I12x1+I22x2
Пределы:
Р (0-10 кВт) Р>10кВт
(0.7-0.9) =0.9-0.94
cos(0.9-0.94) cos=0.8-0.92
I’2=U1ф/((r1+r’2/S)2+(x1+x’2)2)
0
.8
cos
Характеристики
Тип файла документ
Документы такого типа открываются такими программами, как Microsoft Office Word на компьютерах Windows, Apple Pages на компьютерах Mac, Open Office - бесплатная альтернатива на различных платформах, в том числе Linux. Наиболее простым и современным решением будут Google документы, так как открываются онлайн без скачивания прямо в браузере на любой платформе. Существуют российские качественные аналоги, например от Яндекса.
Будьте внимательны на мобильных устройствах, так как там используются упрощённый функционал даже в официальном приложении от Microsoft, поэтому для просмотра скачивайте PDF-версию. А если нужно редактировать файл, то используйте оригинальный файл.
Файлы такого типа обычно разбиты на страницы, а текст может быть форматированным (жирный, курсив, выбор шрифта, таблицы и т.п.), а также в него можно добавлять изображения. Формат идеально подходит для рефератов, докладов и РПЗ курсовых проектов, которые необходимо распечатать. Кстати перед печатью также сохраняйте файл в PDF, так как принтер может начудить со шрифтами.
















