Электронные лекции (1065045), страница 2
Текст из файла (страница 2)
2.0
Лекция 4
Однофазный АД
Однофазные выпрямители применяются в двигателях малой мощности (исполнительные приводы, десятки сотен Вт), в бытовой технике
Конструкции 2-х типов: - с короткозамкнутым витком
-
с пусковой обмоткой
а) с короткозамкнутым витком
2-короткозамкнутой виток
(создает поток к)
Магнитопровод ротора и статора выполняется из листов электротехнической стали, чтобы уменьшить потери на намагничивание и уменьшение вихревых токов
По правилу левой руки определим направление сил
Раскладываем общий поток на вращающихся одинаковых
потока, направленных друг другу навстречу
=1+2
1=2=m/2
=2*1*cos(90-t)=2*m/2*cos(90-t)=m*sin(t)
Построим механическую характеристику:
1
Для того, чтобы получить вращение ротора применяют эти конструкции:
1. Нарисуем векторную диаграмму
(результирующий, действует с основным потоком)
Активно-индуктивная нагрузка (ток отстает) угол в пространстве, а во времени угол
Подберем так ёмкость, чтобы ток в нулевой обмотке опережал(емкостный характер нагрузки)
Синусоиды смещены в пространстве и во времени на 120, значит, рассматривая совместно эту систему: вектор магнитной индукции вращается с постоянной частотой u=3/2 max
Механическая характеристика
n
n
o
Mн Мп Мк М
Глава 2.
Синхронный двигатель.
n=n0
(Вращения ротора совпадают с частотой вращения эл-маг. поля)
Похож статорной обмоткой на АД, но уже не короткозамкнут.
Типы конструкций: а) С неявновыраженными полюсами
б) с явно выраженными полюсами
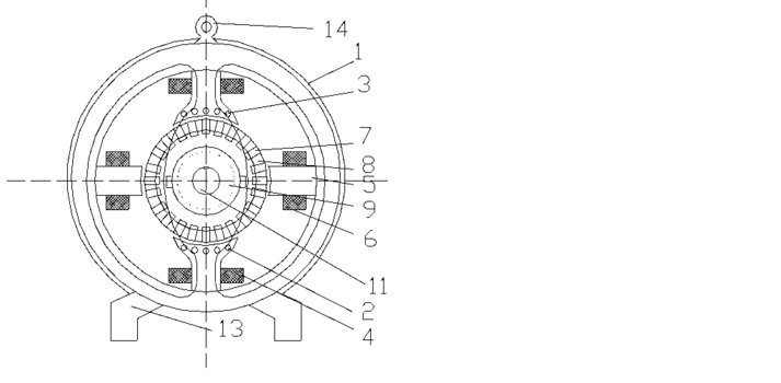
Конструкции с неявновыраженными полюсами
-
Корпус
-
Магнитопредохранитель статора
-
Обмотка статора
-
Воздушный зазор между статором и ротором
-
Магнитопровод ротора
-
О
бмотка ротора
7,8. Контактные кольца на валу Контактная система подачи
9
,10. Щетки напряжения на обмотку ротора
11. вал
12.короткозамкнутая обмотка
А- часть обмотки
А, В, С на 120 смещены
Статорный магнитоотовод с обмоткой=якорь
Обмотка ротора через кольца запитывания постоянным током – отличие СД от АД
СД – синхронные машины (на статоре и роторе неявно выражены полюса)
Исполнение синхронной машины как:
-
синхронный генератор
-
синхронный двигатель
-
синхронный компенсатор
1.Принцип действия синхронного генератора:
Статорная обмотка –обмотка возбуждения, в нее подается постоянный ток сторонним движителем приводится вращение(гидростанция например) и фазных обмотках статора наводится фазный ток:
Е=4.44**f**К01
E= P*n/60
n-частота вращения ротора
Р-число пар полюсов
2.Cинхронный двигатель:
На статическую обмотку подается трехфазный ток.
Принцип работы:
На фазы кладется короткозамкнутая обмотка на роторе.
К
ак СД: статическая обмотка подключается к 3-х фазной цепи питания и при наличии короткозамкнутой обмотки, и двигатель разгоняется как АД (асинхронный пуск СД), при достижении 0.95 0 подается ток в ротор, обмотку возбуждения СД втягивается в синхронизм. Короткозамкнутая обмотка не работает (нет пересечений) поэтому она выполняется очень толстой
Магнитная система стремится к соосности, наменьшая мощность магнистной системы (наименьший энергетический случай магнитоцепи), поэтому втягивается в синхронизм
М
омент, развиваемый двигателем:
М=m*v*E*sin/wo*Xc
m-число фаз статорной обмоткой
v-направление, подаваемое на статорную обмотку
Е-ЭДС, наводимое в обмотке статора под действием магнитного поля обмотки воздействия
-E v
E
Q-угол между направлением и ЭДС
wo-угловая синхронная скорость
X
c-индуктивное сопротивление одной фазы обмотки статора
Мк=m*v*E/o*Xc
Угловая характеристика
Левая часть- зона стабильной работы, если >90- двигатель выходит из синхронизма и ,следовательно, останавливается.
Механическая характеристика С.Д.
Обрезается Мк(=90) далее нет характеристики
Применение С.Д.
-более 20кВт для приводов насосов,К, вентиляторов и генераторов постоянного тока (где требуется постоянные частоты вращения на валу )
-Более высокие энергетические показатели n и сos больше (на 3%)
-Для низкооборотных двигателей простая конструкция
-Постоянство скорости, момент~ напряжению в 1-й степении для большинства двигателей –дорогие С.Д.
-асинхронный пуск
-не может работать с маховиком (т. к. в системе с маховиком должно бить скольжение)
-регулировочные характеристики слабее, чем в А.Д.
- испытывается там, где редкий пуск, нужно постоянство скорости большую мощность
-высокая стоимость
3. Синхрон-компенсатор - устройство, которое позволяет сделать cos=1. Он компенсирует реактивную составляющую ,т.е. S=P,регулируем ток, напряжения
Лекция 5
Глава 3.
Машины постоянного тока
Конструкция:
-
стальной сплошной корпус
-
главные полюса с полюсным наконечником
-
компенсационная обмотка полюсных наконечников
-
обмотка главных полюсов –обмотка возбуждения машины постоянного тока
-
дополнительные полюса
-
обмотка дополнительных полюсов
-
магнитопровод якоря
-
пазы якоря с обмоткой якоря
-
коллектор
-
щетки
-
вал машины
-
лапы
-
рычаги
-
рым болт
Обмотки мотаются медным изолирующим проводом.
Якорь - из шихтованной электротехнических сталей
Коллектор-барабан, на котором медные пластины изолированы друг от друга слюдой.
Коллектор + щетки - подвижная пара контактов
Принцип работы
n-я частота вращения якоря
По закону правой руки определяем ЭДС (знак, направление) обмотки
-
петлевые
-
винтовые
Коллектор переключает одно полукольцо на второе, ток опять идет в одну сторону выпрямитель.
Т.к. переменное поле воздействует и на главные магнитные полюса, то выполняются из шихтованных материалов якорь и наконечник в 2
Коллекторные пульсации (хотя и говорится о постоянном токе на выходе)
Чем больше коллекторных пластин, тем меньше пульсаций
б) двигатель
о
бмотка возбуждения запитывается так же постоянным током, но и в якорь подается постоянный ток
Сила Ампера - по правилу левой руки
В пластинах коллектора пластины шевелятся происходит переходный процесс который ведет к искрению
(щетки из графита или меднографита) Щетки ставят в геометрическую нейтраль (здесь проводники скользят вдоль поля и ЭДС=0)- нет искрения, явление называется темновая коммутация
Якорь (при вращении обмотки
якоря) создает поток и он действует с потоком возбуждения (статора)
Поля накладываются и называется это реацией поля якоря
Напряжение тока, который поступает из коллектора в якорь
Применяют простейший способ -обмотка КО(компенсационная обмотка, включается последовательно в цепь якоря и такой же ток пропустит через нее),компенсирует поле якоря и нейтраль опять на своем месте. При реверсе изменяется направление тока в К.О.
Дополнительные полюса включаются последовательно с обмоткой (током) якоря и служит для компенсации ЭДС и самоиндукции, возникающие при коллекторной коммутации
eпр=B*l*V
eпр сред=Bсред*l*V
E= Bсред*l*V*(N/2*a)
N-количество проводков в обмотке
2a-количество параллельных ветвей
Bсред=Ф/(*Dяк*l/2p)
*Dяк*l/2p-поверхность магнитопровода якоря, приходящийся на 1 полюс
Bсред-поток, приходящийся на поверхность магнитопровода якоря на 1 полюс
V=*Dяк*n/60
E=(P/a)*(N/60)*Ф*n
E=Ke*Ф*n
Fпр=B*l*Iпроводника(сила, действующая на проводник)
Fср=Bср*l*Iпр
F=Bср*l*Iя/2a
M=F*Dя/2
М=(Р/a)*(N/2)*Ф* Iя
М=Кm*Ф* Iя
Ke/Km=0.10
Характеристики двигателей постоянного тока
3 вида двигатель
-
независимого возбуждения(шунтовой)
-
двигатель последнего возбуждения(сернистый
-
двигатель компаудный (смешанный)
I=U/(rр+rв)
I=(0.05-0.02)Iя
-
Х
арактеристика Ф(Iя)
Ф сервисный
смешанный (компаудный)
nош шунтовой
nок
Iя_ном Iя> Iпусковой
2
) М(Iя)
Ф=К1* Iя
M=K1*KM* Iя2
После номинального тока идет насыщение
Естественные характеристики (Vн, rp =0, r =0)
(Скоростная и механическая)
2-ой закон Киргофа для 2-ой цепочки:
E=U-Iя*rя
U=E+Iя*rя
n=f(M)механическая
1)n=f(M)скоростная
n=U/Ke*Ф- Iя*rя/Ke*Ф-скоростная
n=U/Ke*Ф-М*rя/Ke*Ф2*Кm-механическая
noш=U/Ke*Ф (Iя=0)
nok=1.5* Iя
2)Разнос-повышение частоты вращения, если нет нагрузки (М=0)
нагрузки(М=0),сервисн
n= Iя*rя/Ke*Ф=М/Ke*Ф^2*Кm=(no-n)/no
Применяются следующие типы двигателей:
1) шунтовые- в металлорежуших станках, прокатки, экскаваторы (надо точное регулирование частоты вращения в широком диапазоне)
2) сервисные- в метро, в трамвае, троллейбусе (транспорт)
3) Компаудные
Лекция 6
Для двигателя паралельного возбуждения
бмотка ротора
арактеристика Ф(Iя)















