Электронные лекции (1065045), страница 5
Текст из файла (страница 5)
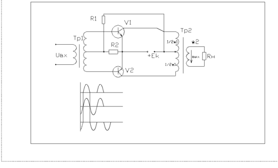
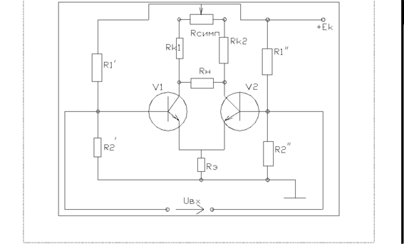
Мостовая балансная схема усилителя постоянного тока.
Два усилителя. Общий элемент для входа и выхода. Нет С, т.к. не пропускает слабые сигналы.
Rэ- для темпер.компенс.
Мостовая схема дает:
На любой диагонали моста напряжение Rн равно 0- симметричный мост(все элементы идентичны друг другу).
Кроме того этот мост стабилизирует Rэ от темпер. воздействия и R служит для балансировки моста.
УПТ- усилитель постоянного тока
Усилители мощности.
Двухтактные (чтобы продем. класс В).
Схема мостовая.
Конечные, как правило, каскады, увеличивают мощность.
Ry=Rн
Лекция 14(01.12.03)
Понятие о микросхемах.
Интегральные микросхемы- микроэлектронное изделие состоящее не менее, чем из 5 активных и пассивных элементов, выполненных по единому техн.проекту, соединенных электрически, размещенных в одном корпусе и представляет собой неразделимое целое.
Полупроводниковая микросхема- все элементы и соединения между элементами выполнены на поверхности или в объеме полупроводников.
Характеристики:
-
плотность упаковки, в 1см3 размещается 104 элементов.
-
Габариты( вес 1,5 г)
-
Элетрич.параметры I,U,Pпотр
Достоинства:
-миниатюрность
-высокие параметры Кусил=50…20000
-низкая мощность
Недостатки:
сложное технолог. производство, невозможность(сложность) ремонта, моральное старение.
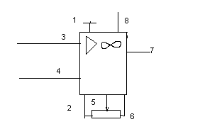
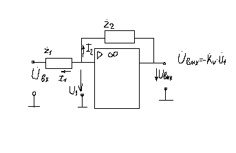
Операционный усилитель.
-
диффер. усилитель пост. тока с большим коэф. усиления, предназн. Для различных операций с аналоговыми величинами в схеме с отрицательной обратной связью.
Диф. Имеет 2 входа(инверт и несвертор)
Усл. Обозначение К14ОУД8
-
общий электрод
2,6-рег.сопротивл.
5,8- подкл. источника питания
7- выход
4- вход(неинв.) диф.
3-инвер.вход
Амплитудная характеристика
Если обратная связь подается на простой вход(4)-положит, если на инвертор, вход(3)- отриц.
Отрицательная обратная связь по напряжению, последовательное соединение.
Отрицательная обратная связь, по току.
Отрицательная обратная параллельная связь по напряжению.
I1+I2+I3=(Uвх-U1)/z1+(Uвх- Uвых)/z+Uвх/zвх=0
Кос=-Uвых/Uвх=z2/z3
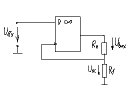
Для активной нагрузки
Кос=R2/R1 Uвых=-Uвх*R2/R1
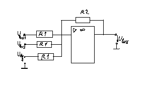
Uвых=(Uвх1+Uвх2+Uвх3)R2/R1- суммирующий усилитель.
Разновидность масштабного усилителя- дифференциальный усилитель
Кос=z2/z1=R2/(1/jc1)=jR2c1
Koc=j
Дискретные (импульсные) устройства промышленной электроники.
Достоинства: -
-
большие мощности в импульсе при небольшом потреблении
-
меньшее влияние температуры, внешнего воздействия и параметров производств на характеристики
-
импульсные устройства состоят из большого количества простейших элементов.
Импульс.
А- амплитуда
А- опад вершины
tи- время импульса
tф- время фронта
tc- время среза
АЧХ
АЧ спектр
А0-постоянная составляющая
для определения полосы пропускания
tи=2мкс
f=2/2*10-6=1 МГц
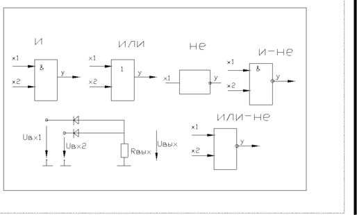
Элементы функциональные
Конъюнкция «и» дезъюнкция «или»
X1 x2 y
0 0 0 0 0 0
1 0 0 1 0 1
1 1 1 1 1 1
Инверсия «не»
-
1
-
0
«и-не» «или-не»
0 0 1 0 0 1
1 0 1 1 0 0
1 1 0 1 1 0
14.12.03
ЛЕКЦИЯ
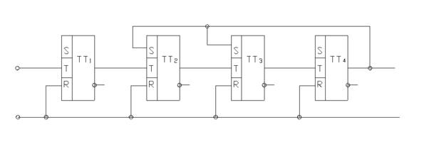
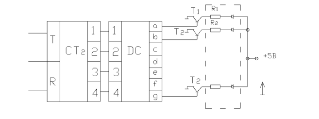
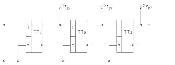
Двоичный счетчик
Счетчик считает не только деление, -суммирование, вычитание
Если инверсный вход- вычитание
Счетчики дискретных сигналов
Цифровой счетчик-устройство, реализующее счет числа входных импульсов и фиксации его в каком-либо код
С
хема двоичного счетчика с семисигнальным элементом
| № | 1 | 2 | 3 | 4 | a | b | c | d | e | f | g |
| 0 | 0 | 0 | 0 | 0 | 1 | 1 | 1 | 1 | 1 | 1 | 0 |
| 1 | 0 | 0 | 0 | 1 | 0 | 1 | 1 | 0 | 0 | 0 | 0 |
| 2 | 0 | 0 | 1 | 0 | 1 | 1 | 0 | 1 | 1 | 0 | 1 |
| 3 | 0 | 0 | 1 | 1 | 1 | 1 | 1 | 1 | 0 | 0 | 1 |
| 4 | 0 | 1 | 0 | 0 | 0 | 1 | 1 | 0 | 0 | 1 | 1 |
| 5 | 0 | 1 | 0 | 1 | 1 | 0 | 1 | 1 | 0 | 1 | 1 |
| 6 | 0 | 1 | 1 | 0 | 1 | 0 | 1 | 1 | 1 | 1 | 1 |
| 7 | 0 | 1 | 1 | 1 | 1 | 1 | 1 | 0 | 0 | 0 | 0 |
| 8 | 1 | 0 | 0 | 0 | 1 | 1 | 1 | 1 | 1 | 1 | 1 |
| 9 | 1 | 0 | 0 | 1 | 1 | 1 | 1 | 1 | 0 | 1 | 1 |
Слабый сигнал на базу тиристора через диод, через сопротивление на землю (“-“)
Таймер на операционных усилителях
tв=(Uоп/E)*R*C
ШК Тригер-тригер с дополнительным вводом, с развитой входной структурой
Таблица перехода десятиричный счет
| № | Т4 | Т3 | Т2 | Т1 |
| 0 | 0 | 0 | 0 | 0 |
| 1 | 0 | 0 | 0 | 1 |
| 2 | 0 | 0 | 1 | 0 |
| 3 | 0 | 0 | 1 | 1 |
| 4 | 0 | 1 | 0 | 0 |
| 5 | 0 | 1 | 0 | 1 |
| 6 | 0 | 1 | 1 | 0 |
| 7 | 0 | 1 | 1 | 1 |
| 8 | 1 | 0(1) | 0(1) | 0 |
| 9 | 1 | 1 | 1 | 0 |
| 10 | 1 | 1 | 1 | 1 |
Одинацатиричный счет
| № | Т4 | Т3 | Т2 | Т1 |
| 0 | 0 | 0 | 0 | 0 |
| 1 | 0 | 0 | 0 | 1 |
| 2 | 0 | 0 | 1 | 0 |
| 3 | 0 | 0 | 1 | 1 |
| 4 | 0 | 1 | 0 | 0 |
| 5 | 0 | 1 | 0 | 1 |
| 6 | 0 | 1 | 1 | 0 |
| 7 | 0 | 1 | 1 | 1 |
| 8 | 1 | 0(1) | 0 | 0(1) |
| 9 | 1 | 1 | 0 | 1 |
| 10 | 1 | 1 | 1 | 1 |
| 11 | 0 | 0 | 0 | 0 |
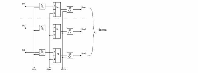
Регисторы
Регистор-устройств,предназначенное для записи и хранения дискретного слова, двоичного кода или другой кодовой информации
















