Пояснительная записка (1051991), страница 3
Текст из файла (страница 3)
Таблица 1.7 – Оценка технического состояния моста в целом
| Тип и элементы искусственного сооружения | Коэффициент состояния | Вид ремонта |
| Пролётные строения | 1,45 | Реконструкция |
| Промежуточные опоры | 3,2 | Капитальный ремонт |
| Береговые опоры | 3,2 | Капитальный ремонт |
По данным оценок технического состояния элементов моста и моста в целом можно сделать вывод, о том, что мост находится в неудовлетворительном состоянии за счёт того, что у него есть элементы с неисправностью III категории. Для того чтобы повысить оценку технического состояния необходимо принять меры по устранению неисправностей.
Основные расчёты приведены в приложении А. Дефекты показаны на чертеже №1.
2 РАСЧЕТ ГРУЗОПОДЪЕМНОСТИ ОПОР МОСТА.
2.1. Расчет грузоподъемности береговой опоры № 0, № 3.
Данные необходимые для расчета грузоподъемности береговой опоры приведены в таблице 2.1.
Таблица 2.1. – Данные необходимые для расчета грузоподъемности.
2.1.1.Расчет по среднему давлению.
2.1.2 В сечении по подошве фундамента.
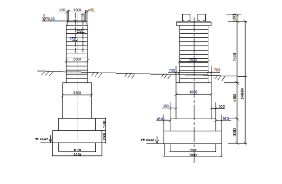
Расчетная схема загружения береговой опоры для расчета по среднему давлению приведена на рисунке 2.1.1.
Рисунок 2.11. - Расчетная схема загружения береговой опоры для расчета по среднему давлению.
где:
сумма собственных весов частей тела устоя, расположенных выше рассматриваемого сечения с коэффициентами надежности по нагрузкам;
интенсивность постоянных распределенных по длине нагрузок;
коэффициенты надежности по нагрузке;
2.1.3 В сечении по обрезу фундамента.
2.1.4 Расчет по максимальному давлению.
В сечении по подошве фундамента.
Расчетная схема загружения береговой опоры по максимальному давлению приведена на рисунке 2.1.2.
-
Допускаемая временная вертикальная нагрузка интенсивностью- k
-
Эпюра горизонтального бокового давления на устой от транспортных средств на призме обрушения
-
Эпюра бокового давления от собственного веса грунта
-
Линии влияния вертикальных сил.
Рисунок 2.12. - Расчетная схема загружения береговой опоры для расчета по максимальному давлению.
где:
сумма собственных весов частей тела устоя, расположенных выше рассматриваемого сечения с коэффициентами надежности по нагрузкам;
интенсивность постоянных распределенных по длине нагрузок;
коэффициенты надежности по нагрузке;
эксцентриситет приложения равнодействующей относительно центра тяжести;
-
В сечении по обрезу фундамента.
Расчетная схема загружения береговой опоры по максимальному давлению приведена на рисунке 2.1.2.
2.1.5 Проверка эксцентриситета приложения равнодействующей.
Расчетная схема загружения береговой опоры по положению равнодействующей приведена на рисунке 2.12.
Так как
, следовательно, равнодействующая нагрузок не выходит за пределы ядра сечения, все сечения полностью работают на сжатие и уточнять класс опоры по положению равнодействующей не требуется.
2.2.1 Расчет на опрокидывание.
Расчетная схема загружения береговой опоры для расчета на опрокидывание приведена на рисунке 2.1.3.
Рисунок 2.1.3. Расчетная схема загружения береговой опоры для расчета на опрокидывание.
-
Допускаемая временная вертикальная нагрузка интенсивностью- k
-
Эпюра горизонтального бокового давления на устой от нагрузки на призме обрушения
-
Эпюра бокового давления от собственного веса грунта
-
Линии влияния вертикальных сил.
-
Эпюра отпора грунта засыпки
-
D - центр опрокидывания.
Рисунок 2.13. - Расчетная схема загружения береговой опоры для расчета на опрокидывание.
2.2.2. Расчет на сдвиг.
Расчетная схема загружения береговой опоры для расчета на сдвиг приведена на рисунке 2.1.3.
Результаты расчетов береговых опор приведены в таблице 2.4.
Таблица 2.4. - Результаты расчетов береговых опор№0 (№3)
| Величины необходимые для подсчета класса устоя | Расчетные значения | |||||
| По среднему давлению | По максимальному давлению | На опрокидывание | На сдвиг | |||
| Подо шва | Обрез | Подо шва | Обрез | Подо шва | Подо шва | |
| k | 145,88 | 374,97 | 52,27 | 107,21 | 83,00 | 38,30 |
| λ | 28,35 | 28,35 | 34,45 | 34,15 | 6,1 | 6,1 |
| λу | 6,17 | 6,17 | 12,27 | 11,97 | - | - |
| kн | 1,658 | 1,658 | 1,549 | 1,552 | 2,34 | 2,34 |
| (1+µ) | 1,462 | 1,462 | 1,419 | 1,42 | 1,747 | 1,747 |
| K | 60,18 | 156,05 | 23,78 | 48,64 | 20,30 | 9,36 |
2.3 Расчет грузоподъемности опоры №1,2
Данные необходимые для расчета грузоподъемности промежуточной опоры приведены в таблице 2.3.
Таблица 2.3. – Данные необходимые для расчета грузоподъемности.
2.3.1. Расчет по среднему давлению.
2.3.2По обрезу фундамента.
Расчетная схема загружения промежуточной опоры для расчета по среднему давлению приведена на рисунке 2.1.4.
Рисунок 2.14. - Расчетная схема загружения промежуточной опоры для расчета по среднему давлению.
2.3.3 По подошве фундамента.
2.4. Расчет по максимальному давлению.
2.4.1 В сечении по подошве фундамента
в продольном направлении.
Расчетная схема загружения промежуточной опоры на максимальную нагрузку в продольном направлении приведена на рисунке 2.1.5.
Рисунок 2.1.5. - Расчетная схема загружения промежуточной опоры на максимальную нагрузку в продольном направлении.
2.2 В сечении по подошве фундамента
В поперечном направлении.
Расчетная схема загружения промежуточной опоры на максимальную нагрузку в поперечном направлении приведена на рисунке 2.1.6.
Рисунок 2.16. - Расчетная схема загружения промежуточной опоры на максимальную нагрузку в поперечном направлении.
В сечении по обрезу фундамента
в продольном направлении.
Расчетная схема приведена на рисунке 2.1.6.















