Рябов В.Т. - Функции, структура и элементная база систем автоматического управления (1041593), страница 5
Текст из файла (страница 5)
1
Номера команд соответствуют обозначениям на рис.1.8, а). Набор в верхней строке таблицы означает поворот к конвейеру с выдвижением поднятой руки при начале нового цикла, в нижней строке - опускание выдвинутой руки при разгрузке кинескопа в тележку на-копителя. Дело в том, что появление очередного кинескопа в зоне загрузки, пока цикл пере-грузки еще не окончен, вполне возможно и даже весьма вероятно, поскольку разгрузка с кон-вейера на реальных технологических линиях по производству цветных кинескопов осуществ-ляется тремя последовательно установленными у конвейера роботами. Какой сигнал нужно добавить, чтобы для управления применить КЛС?
Последовательность работы КЛС описывают таблицей истинности, определяющей со-ответствие входных Х и выходных У сигналов. Эта таблица является основой разработки КЛС. Дело инженера-механика - задать требуемую циклом управления таблицу, а инженера-схемотехника - разработать соответствующую ей схему.
Для описания работы последовательных схем применяют граф переходов и таблицу выходов. Задать описание – задача инженера механика. Начинают с выделения типовых со-стояний объекта управления. Граф переходов и таблицу выходов затем несколько раз преоб-разуют в вид, удобный для схемотехнической реализации с целью последующей разработки электрической схемы САУ. Это уже pa6oтa инженера-схемотехника.
14
Инженеру механик должен начинать с наиболее ясного и наглядного описания, позво-ляющего легко проследить, должным ли образом работает объект.
За состояния удобно принять те промежутки времени, когда на выходах схемы присут-ствует неизменный набор команд. Примем следующий набор состояний:
0 - исходное состояние робота, с поднятой и втянутой рукой, повернутой в сторону нако-пителя; он ожидает сигнала о наличии годного кинескопа и тележки накопителя;
1 - старт загрузки - выдвижение руки и поворот к конвейеру (Выдв*Пвр);
2 - опускание повернутой и выдвинутой руки на кинескоп на конвейере (Опск);
3 - включение вакуумной присоски и задержка времени на захват кинескопа (Здрж*Прс);
4 – подъем руки робота (Пдм);
5 - втягивание поднятой руки с кинескопом (Втг);
6 - поворот руки к накопителю (Пвр);
7 - выдвижение руки (Выдв);
8 – опускание (Опск);
9 - напуск воздуха в присоску, подъем руки и втягивание, выдача команды на старт те-лежки У5 (Втг*Пдм*Прс).
Автоматный граф робота перегрузчика и таблица его состояний, содержащая перечень
выдаваемых в каждом из состояний робота команд приведена на рис. 1.9.
Кружками на графе обозначены состояния, стрелками - переходы. Рядом с каждой стрелкой указано условие перехода.
Приведенный граф является упрощенным, он показывает только реализацию функций управления рабочим циклом робота. В каждом состоянии анализируется ограниченный набор сигналов. Граф можно дополнить аварийными состояниями, если в каждом из основных со-стояний расширить анализируемый набор и выявлять аварийные ситуации.
x1*x2*x3
х5*х6
x1*x2*x3
Состояние
У1
У2
У3
У4
У5
x4*x9
0
Исходное
0
1
0
0
0
0
1
Выдв*Пвр
1
1
1
0
0
х7
9
1
х5*х6
X7
2
Опск.
1
0
1
0
0
х7
x4*x9
8
2
3 Здрж*Прс
1
0
1
1
0
х4
х4
X7 Задержка
4 Пдм
1
1
1
1
0
7
3
5
Втг.
0
1
1
1
0
х8
Задержка
6 Пвр
0
1
0
1
0
6
х5
х6 4
7 Выдв
1
1
0
1
0
5
8
Опск
1
0
0
1
0
х8
х6
х5
9
Втг*Пдм*Прс
0
1
0
0
1
Рис. 1.9.
Хорошо проработанный граф должен отличаться полнотой анализа ситуаций, непро-тиворечивостью переходов - одни и те же ситуации не должны вести в разные состояния. Не должно быть тупиковых состояний, необходимо предусматривать пошаговую отработку ко-манд для реализации режима наладки. Особое внимание следует обращать на процесс вы-
15
ключения. Ординарное (неаварийное) выключение робота необходимо производить в исход-ном состоянии , чтобы при включении он не выполнял никаких движений, переходя в исход-ное состояние.
Схемы на жесткой логике применяют для управления объектами, когда переналадка не нужна или незначительна и может быть реализована без схемных изменений. В настоящее время схемы на жесткой логике все более вытесняются простыми микропроцессорными кон-троллерами, для программирования которых используют языки, построенные на основе или автоматных графов или языки контактно- релейных схем. Мы позже рассмотрим пример ис-пользования такого контроллера, а пока продолжим рассматривать варианты реализации САУ роботом в историческом аспекте, так, как эти схемы появлялись и развивались.
Д. САУ со штекерной панелью. На следующем этапе развития основной проблемой яв-лялось перепрограммирование контактно-релейных схем и для устранения этой трудности были разработаны САУ со штекерной панелью (рис.1.10).
Основой схемы САУ является генератор импульсов, вырабатывающий прямоугольные импульсы с заданной частотой. По своему функциональному назначению он эквивалентен двигателю САУ с командоаппаратом (см. рис . 1.4.). Счетчик СТ предназначен для счета этих импульсов. Он обнуляется и инициируется к счету сигналом низкого уровня, подаваемым с инвертирующего выхода D-триггера на . К входу D этого триггера подключена уже известная
нам цепочка из инвертора и ячейки "И", формирующая сигнал X1i X 2iX 3 .
Записывается информация в D-триггер, если счетчик находится в нулевом состоянии. Выходы счетчика подключены к дешифратору DC " один из шестнадцати", который в зависи-мости от приходящего на его вход двоичного числа заземляет соответствующий выход (уста-навливает на нем логическое состояние 0), поддерживая на остальных сигналы высокого уровня.
X9
1
+5V
&
X8
R1
R1
R1
R1
R1
И1
X7
1
&
CT 1
+1
1
DC 0
X6
ГИ
X5
1
2
2
1
R
4
4
X4
8
8
2
X3
&
3
.
И2
X2
D Q
R1
.
.
X1
C Q
R2
15
ФК
Рис. 1.10.
У1
У2
У3
У4
У5
К1
К2
В
ыходы дешифратора образуют горизонтальные шины штекерной панели, вертикаль-ные шины подключены к формирователю команд У1-У5, подающему их на соответствующие механизмы. При счете последовательно заземляются горизонтальные шины и через диоды подаются соответствующие команды на механизмы манипулятора, что эквивалентно враще-нию распределительного вала систем с командоаппаратами . Однако "двигатель" здесь без-инерционен и может оперативно включаться и выключаться на каждую шестнадцатую долю "оборота". Для этого служит ячейка "И", подключенная к счетному входу +1 счетчика СТ. Если в какой-либо паре конечных выключателей Х (рис. 1.8, а), оба окажутся разомкнуты, что сигнализирует о том, что соответствующее элементарное перемещение не окончено, импульс
Рис. 1.11
16
на счетчик не пройдет и система не перейдет в следующее состояние. Таким образом, можно строить асинхронные циклы управления.
В штекерной панели программирование выполняется установкой в узлы горизонталь-ных и вертикальных шин штекеров, замыкающих шины через диоды. Диоды нужны для того, чтобы запретить передачу нуля от вертикальных шин штекерной панели к горизонтальным.
САУ со штекерной панелью вобрали в себя все лучшие качества предыдущих систем, но их наиболее слабым местом являются электрические контакты панели. Каких только кон-струкций не было: и с микровыключателями и с герконами, но наибольшее распространение в свое время все же получили сменные платы с впаянными диодами. Для перепрограммиро-вания следовало заменить плату или перепаять диоды.
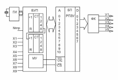
Е. САУ с электронной памятью. Роль штекерной панели может с успехом выполнять электронная память, оперативная либо репрограммируемая. Структурная схема САУ с РПЗУ (репрограммируемым постоянным запоминающим устройством) приведена на рис. 1.11 и со-стоит из трех основных блоков: БУП - блока управления памятью; БП - блока памяти; ФК - формирователя команд. Если внимательно посмотреть предыдущую схему на рис. 1.10, то там можно выделить те же блоки, только роль памяти играет штекерная панель. Здесь же ее заме-няет одна БИС (например, К573РФ2). Это РПЗУ со стиранием информации ультрафиолетовым излучением емкостью 2048 байт = 2Кб или 2048 восьмиразрядных слов (байт).
Если на вход адресов через шину А подать адрес слова памяти, а на вход управ-ления по линии СS (Chip Select) сигнал активизации схемы, а затем с некоторой за-держкой - разрешение выхода
0Е (Output Enable), то на вы-
















