Рябов В.Т. - Функции, структура и элементная база систем автоматического управления (1041593), страница 4
Текст из файла (страница 4)
передаточный механизм перемещает мани-
пулятор в горизонтальном направлении, ку-
лачок 6 - в вертикальном, кулачок 7 повора-
х1
чивает руку манипулятора, а кулачок 8 от-
крывает клапан вакуумной присоски. Эти
х2
четыре кулачка задают команды К1 (обес-
х3
печивают привод руки манипулятора в нуж-
ной последовательности). Команда К2 на
M
накопитель снимается с конечного выклю-
чателя, который включается и выключается
кулачком 9.
1 2
3 4
5 6 7
8 9
Вращение от двигателя на распредели-
Рис. 1.3
тельный вал с кулачками передается через од-
нооборотную муфту 4, которая после включе-
н
ия передает ровно один оборот и выключается. Сигнал Х2 через инвертор 1 и сигналы XI и ХЗ
подаются на ячейку "И" (2), которая по сочетанию X 1i X 2iX 3 формирует команду на включение однооборотной муфты. Однооборотная муфта здесь применена, чтобы не включать и не выклю-чать в каждом цикле перегрузки достаточно мощный двигатель М.
Циклограмма, описывающая последовательность срабатывания отдельных механизмов манипулятора, приведена на рис. 1.4. Она является исходным материалом для разработки профилей каждого из кулачков.
Рассмотренное нами устройство назвать роботом можно с большой натяжкой. Скорее это - специальный автооператор. Основной его недостаток - трудность переналадки САУ, поскольку для этого нужно разработать, изготовить и установить на распределительный вал новые кулачки.
Сложны в реализации и механизмы , передающие движение от профиля кулачков к ра-бочим органам робота. Для упрощения и унификации конструкций таких устройств, в свое время, появились и широко использовались шариковые передаточные механизмы, представ-ляющие из себя набор шариков и втулок, вставленных и скользящих в металлической трубке. Ее можно было изгибать для согласования с положением рабочих органов. В некотором роде, это аналог гидравлического привода, но кинематически более точный.
11
Механизмы
0
90
180
270
360
Выдвижение руки
робота
Подъем руки
робота
Поворот
Вакуумная
присоска
Сигнал тележке
Рис. 1.4. Циклограмма работы робота.
Несмотря на трудности переналадки, механические кулачковые системы благодаря их
надежности, простоте и накопленному опыту разработки и эксплуатации применяются и еще
долго будут применяться там, где частые переналадки не требуются. Такие системы в процессе
К1
К2
управления
не
требуют
большого
объема
входной информации, одновременно выпол-
U
Р
U
няют роль привода, но могут реализовать лишь
жесткий синхронный цикл работы.
х1
Б. Система
с пневмомеханическим
командоаппаратом (рис.1.5). Здесь исполни-
х2
тельные механизмы и система управления
х3
разделены. Перемещения руки осуществляет-
M
ся пневмоцилиндрами, воздух в которые по-
дается через пневмоклапана 3, управляемые
кулачками распределительного вала. По-
1
2
3
4
5
6 7
8
9
скольку кулачки уже не являются приводом,
нагрузка на них и на распределительный вал
Рис. 1.5.
существенно уменьшилась. Двигатель со
1
встроенным редуктором М гораздо менее мощный и
может запускаться и останавливаться в каждом цик-
2
3
4
ле перегрузки. Кулачок такой САУ не несет боль-
ших
нагрузок и делается сборным со сменными
профилями (рис. 1.6.): толкатель клапана 1 скользит
по сменным регулируемым сегментам 3, закреплен-
ным на диске 4 с помощью винтов 2.
Переналадка пневмомеханической САУ за-
нимает уже не несколько смен, как в предыдущем
случае, а часы и даже минуты. Такую систему имел
промышленный робот ПР5-2, который серийно вы-
пускался в 70 - 80-х годах уже прошлого века. Сей-
час такие системы управления в новых разработках
уже не используют, но отдельные устройства пнев-
Рис. 1.6.
момеханики применяют достаточно широко.
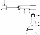
В. Система с электромеханическим
командоаппаратом (рис. 1.7.) оснащена электромагнитными пневмоклапанами. Кулачки
воздействуют на конечные выключатели 1, которые, в свою очередь, включают электромаг-
12
нитные пневматические клапаны. Нагрузки на кулачки здесь еще меньше, поэтому их делают наборными из сухариков 2, перемещающихся в Т-образных пазах, нарезанных по образую-щей распределительного вала. Такая САУ зарекомендовала себя, как достаточно надежная и простая. На перепрограммирование цикла требуется уже несколько минут.
К1 К2
5
U
6 Кулачковый барабан
х1
7
х2
х3
M
1
2
3
4
Рис. 1.7.
Использование электрического сигнала для управления клапанами увеличило возмож-ности САУ. Так, сигнал о том, что кинескоп бракованный можно вводить и обрабатывать в цепях управления клапанами и тем самым добиться того, чтобы бракованный кинескоп тоже разгружался, но в другую зону.
Цикл управления такой системы также является жестким и синхронным. Его длитель-ность задается частотой вращения двигателя.
Система, как и ранее рассмотренные, не может реализовать потенциальные возможно-сти приводов по быстродействию, поскольку момент окончания каждого перемещения не фиксируется. Длительность на каждую операцию при разработке циклограммы выбирается с запасом, так, чтобы она с достаточной вероятностью окончилась бы даже при пониженном давлении в пневмосети, при утечках в пневмоцилиндрах, некачественной смазке и др.
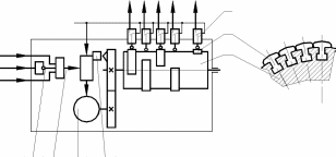
Г. Система управления на жесткой логике. Если снабдить каждый привод датчиками положений рабочих органов, можно будет фиксировать завершение операций и тем самым по-высить быстродействие. В качестве датчиков в данном случае можно использовать конечные вы-ключатели или герконы (герметичные контакты, управляемые магнитным полем). Суть САУ на жесткой логике в том, что последовательность работы объекта зашита в схеме, обрабатывающей сигналы и выдающей команды на приводы. Эта схема может быть собрана на контактно-релейнах компонентах или на интегральных схемах малой степени интеграции.
На рис. 1.8,а) показано расположение датчиков рассматриваемого нами робота. Анали-зируя сигналы с датчиков положения руки Х, система управления должна выдавать команды У на соответствующие приводы. При этом возможны два случая . В первом (рис. 1.8,б) ко-манды У зависят только от присутствующих в рассматриваемый момент сигналов Х. Тогда САУ представляет из себя комбинационную логическую схему (КЛС).
Во втором, (рис. 1.8,в) команды, выдаваемые в каждом такте управления, зависят, как
от присутствующих сигналов, так и от состояния системы Si-1, где i- номер такта управления. Такие схемы называются последовательностными. Они могут, помимо обеспечения асин-
13
хронного быстродействующего цикла, могут выполнять ряд сервисных функций по диагно-стике отказов и выявлению причин неисправностей.
У
4
X1-X3
КЛС У1-У4
Х4 У1 Х5
X4-X9
У5
Х6
б)
У2
Х7
Х8
Х
ПС У{S(i-1), X}
У3
S(i-1)
Х9
а)
Память
состояний
в)
Рис. 1.8. Робот с САУ на жесткой логике. а) схема исполнительных элементов; б) САУ, как комбинационная логическая схема; в) САУ, как последовательностная схема.
При равном количестве входных сигналов, последователностные схемы обеспечивают больший диапазон реакций, чем комбинационные. Имеющегося в нашем примере комплекта сигналов не достаточно для построения САУ , как КЛС. Например, входному набору Х1=1, Х2=0, Х3=1, Х4=0, Х5=1, Х6=1, Х7=0, Х8=1, Х9=0 ( годный кинескоп присутствует на пози-ции, есть тележка накопителя, рука робота вытянута, поднята и повернута к накопителю) мо-жет соответствовать два набора команд, приведенных в табл. 1.1.
Таблица 1.1.
У1
У2
УЗ
У4
1
1
1
0
1
0
0
















