Рябов В.Т. - Функции, структура и элементная база систем автоматического управления (1041593), страница 10
Текст из файла (страница 10)
ленные допуски и отработки аварийных ситуаций, ведения трендов процесса (непрерывная запись параметров и их архивирование). Функциями коррекции цели является перепрограм-мирование процесса в диалоговом режиме.
28
В системе управления можно выделить три основных модуля. На промышленный ком-пьютер ПК, являющийся в сети центральным, возложены сервисные функции по отображе-нию состояния процесса , сигнализации о выходе параметров за установленные допуски, ве-дению трендов процесса и функции коррекции цели . Для этого он имеет монитор, клавиатуру и жесткие диски для хранения и архивации трендов.
При составлении, управляющая программа формируется в виде текстового файла, со-держащего информацию по ведению и взаимодействию основных процессов технологии. Оператор может составлять листинг заново в диалоговом режиме, либо непосредственно ре-дактировать текстовый файл в редакторе. Работает промышленный компьютер под управле-нием универсальной операционной системы, например Windows XP и имеет сетевой адаптер и выход в сеть Ethernet для связи с системой управления высшего уровня, например цеховой системой. По сети можно скачивать тренды процессов, получать доступ к цеховой базе дан-ных и задания на обработку очередных деталей и т.п.
С помощью канала RS-232, подключенного к одному из COM-портов промышленного компьютера управляющая программа в упакованном виде передается в специальный микро-контроллер СМК, поддерживающий выполнение целевых функций САУ. По сути, это узло-вой контроллер. СМК содержит на печатной плате четыре микроконтроллера МК1..МК4, объединенных сетью I2C. Это магистральная сеть с распределенным управлением. Микро-контроллер МК4 выполнен на базе однокристального микроконтроллера серии MCS-51 (см. раздел 3). В его функции входит связь с промышленным компьютером и координация работы четырех основных процессов технологии: откачки, нагрева и сжатия свариваемых образцов.
Однокристальный микроконтроллер МК1 семейства PIC управляет работой вакуумной системы и ведет процесс высоковакуумной откачки. Своими сигналами дискретного управ-ления он включает и выключает соответствующие вакуумные насосы и управляет электро-магнитными клапанами . Линии дискретного контроля сигнализируют о состоянии клапанов и насосов. Выдаются эти сигналы на линии связи через смонтированное на той же плате уст-ройство связи с объектом УСО. С помощью канала RS-232 МК1 связан с многофункциональ-ным вакуумметром ВАК, позволяющим контролировать давление на различных участках ва-куумной системы.
МК2 (серии PIC-18) управляет процессом нагрева. По линии ДК выдается сигнал на включение нагревателя. Управляет нагревателем локальный регулятор ТР. Он измеряет темпе-ратуру объекта по линии АК, сравнивает сигнал с уставкой, хранящейся в его памяти, по рассо-гласованию уставки и фактической температуры вырабатывает управляющее воздействие и выдает его на блок питания нагревателя. Рассчитывается управляющий сигнал по пропорцио-нально-интегрально-дифференциальному (ПИД) закону. Выдается он на блок питания нагрева-теля в виде широтно-модулированного сигнала. Мощность на нагревателе задается отношени-ем времени включения к периоду широтно-модулированного сигнала (см. раздел 2.2 ).
Уставка на локальный регулятор ТР выдается по каналу RS-232 от МК2, в памяти ко-торого хранится график процесса нагрева. Как хранить этот график? Обычно он разбивается на ряд линейных участков. В памяти микроконтроллера хранится температура окончания участка ТО, его длительность t O и период обновления уставки h. Период обновления выбира-ется настолько большим , чтобы выдаваемая на регулятор уставка была каждый раз различ-ной, и настолько малым, чтобы отклонение фактического графика температуры от директив-ного лежало в пределах, заданных требованиями к точности ведения процесса. Обычно эту величину, как и параметры ПИД закона, заложенного в регулятор ТР, уточняют при отладке программного обеспечения.
МК3 (серии PIC-18) управляет процессом нагружения свариваемых деталей. Процесс реализуется регулируемым приводом постоянного тока РППТ, который представляет из себя
29
скомплектованный привод, включающий электродвигатель М со встроенным безлюфтовым редуктором и контроллер КП. По последовательному каналу можно выставлять команды, по которым РППТ обеспечивает заданную скорость вращения с сохранением крутящего момен-та в требуемом диапазоне скоростей. Микроконтроллер МК3 формирует такие команды, ис-ходя из заданного графика нагружения. По сути, работа РППТ не отличается от работы ло-кального регулятора ТР. Получив от МК3 требуемое усилие сжатия в виде уставки, контрол-лер КП по ПИД-закону регулирования формирует команды, должным образом модулирую-щие энергетические потоки, поступающие на двигатель. В качестве датчика обратной связи в этом локальном контуре регулирования используется датчик усилия, фиксирующий сжатие свариваемых образцов.
Это далеко не единственный вариант структурной реализации аппаратного обеспече-ния САУ, который во многом определяет и структурную организацию программного обеспе-чения. Структура САУ во многом определяется опытом и наработками ведущего разработчи-ка. Здесь применен достаточно сложный оригинальный модуль СМК, включающий три одно-кристальных микроконтроллера серии PIC и микроконтроллер семейства MCS-51, объеди-ненных локальной сетью I 2C. Разработка такого контроллера и, особенно, оригинального программного обеспечения к нему – достаточно трудоемкая задача , взяться за решение кото-рой может коллектив, имеющий опыт аналогичных разработок и средства программно-аппаратной эмуляции для отладки программного обеспечения.
Надежность САУ такой структуры целиком определяется надежностью работы СМК. Электронику часто в шутку называют наукой о плохих контактах и в этой шутке есть огром-ная доля правды. Объединение практически всего ядра САУ в одной плате , при ее грамотном исполнении, существенно повышает надежность системы. Для защиты от помех по питанию и программных сбоев МК здесь использованы супервизорные схемы и системы Watchdog, о которых речь пойдет далее в гл. 3.3.
Центральный контроллер на базе промышленного компьютера выполняет лишь сервис-ные функции и функции коррекции цели. Основную целевую функцию (выполнение заданного или директивного технологического процесса) ведут локальные микроконтроллеры. С помо-щью центрального контроллера в диалоговом режиме программируется процесс сварки и его параметры передаются локальным микроконтроллерам – это функции коррекции цели.
К сервисным функциям, обеспечивающим наилучшие условия для выполнения основ-ных целевых относятся отображение состояния установки на мониторе, периодический контроль за работой модуля СМК, прием сообщений о состоянии локальных процессов и фиксация трендов процессов нагрева и нагружения на жестком диске.
Программные сбои и зависания центрального контроллера , при условии их своевременного обнаружения и перезагрузи задачи управления с учетом текущего состояния, не критичны. Ведь каждый из локальных микроконтроллеров знает свои задачи.
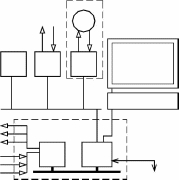
Другой вариант структуры САУ для реализации тех же функций приведен на рис. 1.21. Здесь за основу взят встраиваемый компьютер в формате MicroPC (см. рис. 1.18). На систем-ной магистрали ISA включено вычислительное ядро CPU, представляющее из себя закончен-ный компьютер с твердотельными дисками, видеоконтроллером, сетевым контроллером Ethernet, контроллером накопителя на жестких магнитных дисках и широкими возможностя-ми расширения. Таким образом, мы поддерживаем человеко-машинный интерфейс, сервис-ные функции и функции коррекции цели.
30
По шине ISA к вычислительному ядру подключена плата DIO, обеспечивающая выдачу
необходимых сигналов дискретного контроля и управления. К порту канала RS-485 на CPU
подключаем уже известные нам блоки ВАК, ТР и
РППТ. Здесь программная поддержка про-
цесса откачки полностью ложится на
РППТ
MicroPC, выполняющего помимо этого
функции
центрального
контроллера.
ДУ
АК
M
Процесс нагрева и нагружения обеспе-
ШИМ
чивают, как и ранее, локальный термо-
ЭП
АК
регулятор и блок РППТ.
Монитор
Возможностей CPU
с большим
ВАК
TР
КП
запасом хватит, чтобы взять на себя
функции
терморегулятора
и
блока
РППТ. Как видите, мы все более функ-
Клавиатура, мышь
ции аппаратной поддержки переклады-
RS-485
ваем на программное обеспечение цен-
ДУ
трального контроллера, усложняя его и
MicroPC
упрощая аппаратную часть. И здесь есть
некоторая «золотая середина». Про-
ДК
DIO
CPU
граммно эмулировать локальный термо-
регулятор не сложно, но это не дорогой
ISA
К сети Ethernet
блок и я бы все оставил, как на рис.
1.21. А вот регулируемый привод РППТ
сравнительно дорог, но если нет доста-
Рис. 1.21.
точного опыта разработки таких систем,
то пожалуй, разработка технической до-
кументации, программного обеспечения, изготовление, отладка и доводка управляющей при-
водом программы обойдутся гораздо дороже, не говоря о потраченном времени.
Вопросы к экзамену.
Микроконтроллер – основная структурная единица аппаратного обеспечения САУ. Состав и функции, выполняемые микроконтроллером.
Центральные, узловые и локальные микроконтроллеры. Выполняемые функции и осо-бенности построения.
Локальные регуляторы, программируемые логические контроллеры, промышленные компьютеры и средства распределенного сбора данных и управления. Особенности построения и программирования.
Типовые топологии управляющих сетей.
Вариантность построения управляющих сетей. Примеры.
Последовательный процесс – основная структурная единица программного обеспечения САУ
Программное обеспечение системы автоматического управления разделяют на систем-ное и пользовательское. При разработке конкретной программы всегда пользуются некото-рым набором утилит общего применения. Это программы тестирования аппаратной части микроконтроллера, утилиты для работы с плавающей точкой, диспетчеры задач для поддер-жания их исполнения в реальном времени и т.п. При программировании пользуются этими системными утилитами и подпрограммами и на их основе и с их поддержкой создают управ-ляющую программу – программу пользователя , описывающую правила выполнения предпи-санных системе функций. Функция определяет цель некоторых действий.
31
Для достижения поставленных целей реализуют ряд процессов, т.е. решают ряд задач. Так, в рассмотренном ранее примере полуфабрикаты параллельно откачиваются, нагреваются и нагружаются. Прежде всего, введем и обсудим основные понятия и определения.
Событие – это момент фиксации чего-либо важного для нас. Не слишком четкое оп-
ределение, но говорящее о том, что это понятие субъек-
Событие
тивное. Главное здесь, что событие моментально. Вве-
дем важное допущение: два события не могут проис-
















