Рябов В.Т. - Функции, структура и элементная база систем автоматического управления (1041593), страница 6
Текст из файла (страница 6)
ходе появится содержание ад-ресуемого восьмиразрядного слова. Оно поступит в регистр формирователя команд и по-сле преобразования (усиления) - на соответствующие меха-низмы робота. Формирует сигналы СS и 0Е модуль
управления МУ.
Если мы на одну «про-
грамму» будем тратить 64 управляющих слова (в предыдущей САУ мы обходились 16-ю), то в нашем РПЗУ можно разместить до 32 различных программ. Блок управления памятью по входу "номер программы" (№пр) выбирает адрес начала одной из 32-х зон, в которых размещены управляющие программы, точнее слова. Затем последовательно увеличивает адреса управ-ляющих слов, выдавая их на формирователь команд. Тактируется этот процесс, как и в пре-дыдущей схеме, генератором импульсов ГИ.
САУ с РПЗУ помимо выполнения рабочего цикла могут реализовать ряд сервисных функций, например, диагностику неисправностей; пошаговый режим работы; автоматиче-ский выбор требуемой программы.
Подобные системы управления широко применялись в свое время. Благодаря их про-стоте, высокой надежности, относительно широким возможностям, они постепенно вытесни-ли схемы на жесткой логике и штекерные панели. Но и сами, впоследствии, были вытеснены микропроцессорными САУ.
Рис. 1.12
17
Ж. САУ на основе микропроцессора. Такие системы обладают наиболее широкими возможностями по реализации различных функций САУ. Если во всех предыдущих системах мы использовали цикловой принцип управления, когда САУ выдает команды на очередность перемещений, а само перемещение ограничивается механическими упорами, то здесь можно широко варьировать положением точек позиционирования . Можно организовать перемеще-ние руки по сложному контуру, производя одновременный контроль на герметичность, и за-тем перегрузку , маркировку брака, выявление брака по маркировке с помощью систем техни-ческого зрения и т.п. Ограничения на функции управления при использовании микропроцес-соров чаще всего накладывают уже не возможности САУ и не возрастающая при увеличении числа функций стоимость, а возможности приводов и исполнительных механизмов и уровень квалификации разработчиков.
Широко известно такое выражение, извиняюсь перед автором , что не могу его назвать, оно уже стало нарицательным: «ничто не развивается столь быстро и не дешевеет столь ин-тенсивно, как средства вычислительной техники. Если бы автомобили последние 40 лет вели себя также, они стоили бы сейчас не дороже пачки сигарет и летали быстрее реактивного лайнера».
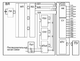
Структурная схема САУ роботом на микропроцессорной основе представлена на рис. 1.12. Система состоит из трех основных блоков: микро-ЭВМ или вычислительного ядра (ВЯ), устройства связи с объектом (УСО) и пульта управления ПУ. Вычислительное ядро предна-значенного для обработки информации под управлением программного обеспечения (ПО). Включает микропроцессор МП, тактовый генератор ГИ и контроллер шин КШ. Через шины
управления ШУ, дан-ных ШД и адресов ША МП обслуживает по-стоянное запоминаю-щее устройство ПЗУ, оперативное запоми-нающее устройство ОЗУ, контроллер по-следовательного канала связи КПсК с преобра-зователем уровня ПрУ для связи с централизо-ванной системой управления верхнего уровня. Для работы в реальном времени нам понадобятся таймеры и контроллер прерываний для реакции на внеш-ние события (на рисун-ке не показаны). Каж-
дое из устройств имеет свой адрес, при подаче которого на шину адресов, оно подключается к шине данных и, в зависимости от сигнала на шине управления, начинает прием или передачу в программном режиме обмена. Таким образом, ВЯ оказалось достаточно развитым устройством с несколькими десятками отдельных интегральных схем.
УСО состоит из согласователя уровня СУ для приема сигналов дискретного контроля, формирователя команд ФК для выдачи сигналов дискретного управления и контроллера пульта управления КПУ.
18
Пульт управления предназначен для отображения информации о состоянии робота и ручного перепрограммирования цикла его работы.
В постоянном запоминающем устройстве ПЗУ целесообразно хранить неизменную часть программного обеспечения (ПО), в ОЗУ, называемой в управляющих системах памятью данных - его переменную часть.
ПО состоит из ряда программ, выполняющих заданные функции САУ и центрального ядра: диспетчера, обеспечивающего запуск требуемых процессов в нужные моменты.
Программы рабочих циклов хранятся в ОЗУ, чтобы их было можно изменить в целях обеспечения универсальности робота и возможности его работы на различных участках тех-нологической цепочки изготовления изделий. Рассмотрим учебный пример рабочей про-граммы. Она состоит из стартовой таблицы, размещаемой в начале ОЗУ, под которую выделен фиксированный объем памяти. В этой таблице хранятся стартовые адреса рабочих программ.
Рабочая программа состоит из шагов, каждый из которых кодируется тремя словами - байтами. Первый байт содержит набор команд: каждая команда У кодируется соответствую-щим битом; второй байт содержит маску - требуемое состояние датчиков робота после ис-полнения заданных команд; в третьем байте закодирована задержка времени после отработки очередного шага. Заканчивается программа тремя нулевыми байтами.
САУ выполняет следующие функции: 1 - выбор режима работы; 2 - программирование в режиме ручного управления; 3 - пошаговое исполнение; 4 - автоматическое исполнение за-прошенной программы цикла; 5 - диагностику причин при отказах; 6 - тестирование программного обеспечения ПЗУ. Сюда можно также добавить связь с ЭВМ верхнего уровня для автоматического перепрограммирования рабочего цикла, сообщений об отказах и их причинах и др.
Режим программирования цикла при ручном управлении обеспечивает запись в ОЗУ конкретных шагов управляющих программ после их отработки по командам с пульта. Кроме программирования здесь производится сжатие информации в ОЗУ: заполнения пустых мест после удаления программ. Если для описания работы САУ на механической основе доста-точно было циклограммы, САУ на жесткой логике мы описывали графом переходов и табли-цей выходов, то для описания работы САУ на микропроцессорной основе нужны более мощ-ные средства, поскольку и возможности системы гораздо шире. Работу микропроцессорных САУ описывают алгоритмами различной степени детализации.
Схема алгоритма режима автоматического исполнения приведена на рис . 1.13. Вначале присутствует цикл выявления годного кинескопа на позиции загрузки, затем по заданному номеру программы (№3) находится стартовый адрес М и следует пошаговое исполнение про-граммы рабочего цикла. Если состояние датчиков не будет соответствовать требуемому (мас-ке) после определенного числа циклов опроса - следует сообщение об отказе, выдача маски и состояния датчиков . Эта информация выявляет отказавший датчик или привод. После отра-ботки шага следует задержка на заданное в программе время, проверка на три нулевых байта (признак конца), окончание цикла или переход к следующему шагу.
Особенность программного обеспечения систем управления на основе микропроцессо-ров заключается в том, что работа системы описывается как совокупность параллельно про-текающих и взаимодействующих между собой последовательных процессов или потоков. Подробнее состав управляющих программ и связанная с этим терминология и понятия будут рассмотрены в разделе 1.4.
19
1
6
А
втоматический
Опрос И1
режим i:=i+1
2
нет
7
Опрос и вычисление
i>i_max?
| ||||||||||||||||||||||||||||||
















