Рябов В.Т. - Функции, структура и элементная база систем автоматического управления (1041593), страница 9
Текст из файла (страница 9)
Программируемые логические контроллеры (ПЛК) конструктивно состоят из от-
дельных модулей в собственных корпусах, объединенных между собой системной шиной (рис. 1.16, б). Модули исполняют функции вычислительного ядра, устройств связи с объектом и коммуникационных устройств. ПЛК могут гибко комплектоваться под объект управления, естественно с некоторыми ограничениями по их количеству. Для программирования ПЛК разработаны специальные языки программирования, закрепленные в международном стан-дарте МЭК 61131-3, о которых речь пойдет в следующем разделе. Эти языки представляют программисту достаточно широкие возможности для разработки управляющих программ.
ПЛК по уровню сложности делят на три группы или уровня. Особенно выражено про-грамму выпуска всех трех уровней поддерживает фирма Siemens. Простейшие ПЛК (Siemens LOGO) призваны заменить системы на жесткой логике и выполняют функции локальных МК, хотя могут и полностью управлять простыми технологическими объектами.
ПЛК среднего уровня (Siemens SIMATIC) обслуживают уже до сотни и более линий аналогового и дискретного контроля и управления, могут поддерживать более сложное про-граммное обеспечение и выполнять функции центральных и узловых МК.
ПЛК высокого уровня сложности (Siemens PC) имеют развитый человеко-машинный интерфейс и выполняют функции центральных контроллеров.
Промышленные компьютеры (ПК ) еще более гибко комплектуются под объект управления. Их главным отличием от ПЛК высокого уровня сложности заключается в том,
что они могут работать под управлением уни-версальных операционных систем и выпол-нять широкий круг задач общего применения. Работать в распределенных сетях с базами данных, использовать ACAD, Word, Excel и т.п. Главным отличием ПК от обычного офис-ного компьютера является отсутствие мате-ринской платы. Она выполнена в том же кон-структиве, что и платы УСО и подключается в какую либо системную шину наряду с други-ми платами. Однако программно и аппаратно ПК совместим с офисными компьютерами се-мейства РС и можно плату УСО вставить в офисный компьютер и работать с ней.
На рис. 1.17 представлен промышлен-ный компьютер в конструктиве «рабочая
станция», когда все средства ввода-вывода, обработки и визуализации информации объеди-нены в одном корпусе.
26
Достаточно сложно провести четкую грань между ПЛК высокого уровня сложности и ПК. Главным отличием ПЛК является наличие специальной системной шины и заложенная в базовое программное обеспечение способ-ность работать в жестком реальном времени, в то время как , для работы промышленного компьютера в жестком реальном времени следует применять специальное программное
обеспечение.
Далее мы будем подробно изучать от-дельные виды ПК, однако уже сейчас, в об-щем обзоре следует выделить так называе-мые встраиваемые ПК, отличающиеся от упомянутых выше типовых ПК компактно-стью, повышенной надежностью, жесткими требованиями к условиям эксплуатации. Ти-повая плата вычислительного ядра в формате MicroPC приведена на рис. 1.18. На этой пла-те интегрировано практически все необхо-димое для полноценной работы: твердотель-ные flesh-диски, видеоконтроллер, порты
Рис. 1.18. клавиатуры, Ethernet, жестких дисков, по-следовательных каналов и т.д.
МК1
МК2
а)
МК1.1
МК1.3.1
МК1
МК1.2
МК1.3.2
МК1.3
МК1.3.3
б)
МК1
МК2
МК
МК(n)
МК(n-1)
МК
в)
МК1 МК2 МК(n)
г) Рис. 1.19.
Средства распределенного сбора данных и управления ориентированы на применение в САУ, охватывающих большие площади. Состоят из согласо-ванных между собой блоков ввода-вывода, устройств аналоговой обработки информации и нормализации сигналов датчиков, программируемых логических контроллеров, способных выполнять функции локаль-ных и узловых контроллеров. Все это охвачено единой сетью, едиными средствами программирования.
Далее мы более подробно остановимся на аспектах выбора и особенностях серийно выпус-каемых контроллеров.
Сеть, положенная в основу САУ может иметь различную организацию и архитектуру. По способу объединения абонентов сети бывают ради-альные, когда по линии связи могут общаться толь-ко два абонента (рис. 1.19, а). Они могут общаться между собой либо последовательно, посылая сооб-щение, затем ответ (полудуплексный режим), либо на линиях связи могут одновременно присутство-вать посылки в обеих направлениях (дуплексный режим). Отдельный цикл обмена ( запрос – ответ, транзакция) может инициироваться либо одним из абонентов (централизованное управление ведущий
– ведомый, master – slave), либо каждым из абонен-тов (децентрализованное управление доступом).
27
радиально-кустовых сетях (рис. 1.19, б), в отличие от радиальных, сообщение между абонентами организуется через ряд узлов, благодаря чему появляется, в отличие от радиальных линий, возможность адресации и связи различных абонентов сети. В таких сетях также возмо-жен дуплексный режим связи и централизованное, либо децентрализованное управление.
кольцевых сетях (рис. 1.19, в) все абоненты замкнуты в кольцо. Сообщение последо-вательно проходит по сети от одного абонента к другому. Здесь также возможен дуплексный режим связи и централизованное, либо децентрализованное управление.
магистральных сетях все абоненты подсоединены к одной линии связи (рис. 1.19, г). Здесь, как правило, дуплексный режим невозможен, но управление также может быть централи-зованным (master – slave), либо децентрализованным (сети с произвольным доступом).
Каждый способ организации сети обладает своими преимуществами и недостатками. Наличие многих говорит об отсутствии наилучшего для различных условий применения. Ра-диальные сети наиболее просты. Практически каждый микроконтроллер обладает хотя бы одним портом последовательного канала. Но такие сети не дают возможности выбора або-нентов. Радиально-кустовые сети дают возможность выбора, но требуют наличия в микро-контроллерах нескольких портов последовательных каналов. Кольцевые сети часто приме-няют в системах, объединяющих большое количество одинаковых устройств, но выход из строя одного из контроллеров, если не приняты специальные меры, ведет к разрыву сети. Ма-гистральные сети гибки с точки зрения выбора абонента, способны «на лету» проводить под-ключение и отключения абонентов, но протоколы (правила обмена, см. раздел 1.5.) работы таких сетей сложнее. Реальные управляющие сети строятся, как комбинация описанных здесь способов соединения и организации обмена.
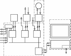
На рис. 1.20 показана структура управляющей сети установки диффузионной сварки в сверхвысоком вакууме. Техпроцесс включает откачку камеры до сверхвысокого вакуума, сту-
пенчатый нагрев образ-
РППТ
цов до требуемой тем-
ДУ АК
M
пературы с учетом того,
чтобы газовыделение из
ШИМ
ЭП АК
них не приводило к вы-
ходу давления за уста-
ВАК
ДУ
АК
новленные
пределы.
TР
КП
После чего следует сжа-
ПК
232
232
232
тие
свариваемых
эле-
ДУ
УСО
ментов строго заданным
RS-
RS-
RS-
Монитор
во
времени
усилием,
выдержка и ступенчатое
ДК
МК1
МК2
МК3
охлаждение.
Это
основные
Системный блок
целевые
функции
тех-
I2 C
232
нологии . Помимо ос-
RS-
СК
новных, на САУ возло-
жены сервисные функ-
МК4
СМК
ции
по
отображению
К сети Ethernet
состояния
процесса,
Р
ис. 1.20.
сигнализации о выходе
параметров за установ-
| ||||||||||||||||||||||||||||||||||||||||||||||||||||||||||||||||||||||||||||||||||||||||||||||||||||||||||||||||||||||||||||||||||||||||||||||||||||||||||||||||||||||||||||||||||||||||||||||||||||||||||||||||||||||||||||||||||||
















