книга в верде после распозна (1024283), страница 33
Текст из файла (страница 33)
Поскольку при равновесии подвижной части Fx ~ F , то
1 = ^Kjl = ky/F?, (4.162)
где к =
Чувствительность преобразователя силы (см. рис. 4.58) может в случае необходимости изменяться при настройке в некоторых пределах. Это изменение производится путем изменения передаточного отношения рычажного механизма посредством перемещения подвижной опоры 9 вдоль Г-образного рычага 2. Предел изменения входной силы F можно изменять от 5 до 50 Н. Для коррекции нулевого положения подвижной системы и для балансировки веса деталей и узлов, присоединенных к преобразователю, имеется регулировочная пружина 10.
0
Диапазон изменения выходного тока составляет 0—5 или 0—20 мА. Основная приведенная погрешность не превышает ±0,4 или ±0,6 %. Погрешность не выходит за пределы основной, если сопротивление линии связи между преобразователем и нагрузкой не превышает 1 кОм. Включив в качестве сопротивления нагрузки резистор с номинальным значением 2 кОм или 500 Ом, можно получить унифицированное значение выходного сигнала с предельным значением 10 В.
На основе электросилового датчика, агрегатно подсоединяя к нему различные первичные модули, образуют датчики большого числа различных физических величин. Наиболее широкий ряд образован различными датчиками давления или разрежения: датчиками абсолютного (барометрического) и избыточного давления, разности давлений. Датчики разности давлений могут использоваться для измерения напора жидкости или газа в трубах или тяги в дымоходах. В этом случае они называются датчиками напоромеров или тягомеров.
Перечисленные датчики имеют линейную функцию преобразования. Датчики разности давления могут использоваться в расходомерах с сужающим устройством. В этом случае датчик разности давлений называется датчиком расходомера. Он имеет функцию преобразования (см. § 4.3.3)
/ = ArV(Pi -РаУ, (4-163)
где к — коэффициент пропорциональности; Pi и р2 — давление до и после сужающего устройства.
Первичными измерительными преобразователями в перечисленной группе датчиков служат сильфоны или упругие манометрические трубки. Когда в них подается давление, они деформируются и развивают силу, воздействующую на рычаг 1- Эта сила компенсируется силой, раэвиваваемой электросиловым преобразователем. Диапазоны измерения датчиков давления лежат в пределах от 400 Па до 106 кПа, классы точности 0,6 и 1,0.
На основе электросилового преобразователя разработан ряд буйковых уровнемеров. Принципиальная схема уровнемера типа УБ-Э приведена на рис. 4.59, где применены те же цифровые обозначения, что и на рис. 458. Буек 11 представляет собой цилиндр, погруженный в резервуар, уровень жидкости в котором нужно измерить. Эффективный вес буйка зависит от уровня его погружения ..поскольку на него действует выталкивающая сила.жидкости. Эффективный вес буйка с помощью рычажной системы приводится к Т-образному рычагу 1 электросилового преобразователя и уравновешивается им. Начальный вес подвижной системы уровнемера уравновешивается противовесом 12. Коррекция нуля прибора осуществляется изменением натяга пружины Ю. Диаметр буйка может изменяться от 140 до 6 мм, длина — от 0,04 до 16 м.
0
Рис. 4.59
В уровнемерах этого типа верхний предел измерения уровня жидкости может изменяться от 0,02 до 16 м. Класс точности прибора с диапазоном измерения до 1 м составляет 1,0 или 1,5. При большем пределе измерения он составляет 1,5.
Датчики с электросиловыми преобразователями используются и для измерения температуры (подобно манометрическим термометрам). В зоне, где необходимо измерить температуру, помещается баллон с определенным газом или жидкостью. Баллон с помощью капилляра соединяется с манометрическим элементом датчика давления. При изменении температуры изменяется давление в баллоне, капилляре и в манометрическом элементе. Изменение давления вызывает изменение выходного тока электросилового преобразователя. Диапазон измерения таких манометрических приборов лежит в пределах от 0—25 до 0—300 °С. Имеются приборы с диапазоном от —50 до +150 С. Класс точности термометра может быть 1,0; 1,5; 2,5. Длина капилляра не превышает 2,5 м.
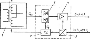
Дифференциально-трансформаторные датчики. В датчиках рассматриваемого типа модуль, образующий унифицированный электрический сигнал, состоит из дифференциально-трансформаторного преобразователя и электронного блока. Структурная схема модуля приведена на рис. 4.60. Входной величиной модуля является перемещение ферромагнитного якоря. 200
Рис. 4.60
Дифференциально-трансформаторный преобразователь 1 питается напряжением прямоугольной формы от электронного генератора 2. При достаточно большой индуктивности обмоток преобразователя 1 и достаточно большой частоте питающего напряжения токи в обмотках изменяются линейно, а выходное напряжение дифференциально-трансформаторного датчика имеет форму, близкую к прямоугольной. Амплитудное значение напряжения пропорционально смещению х якоря относительно нулевого положения. В зависимости от знака смещения это напряжение может быть в фазе или в противофазе с питающим напряжением.
Выходное напряжение преобразователя 1 подается на фазочувствительный выпрямитель 3. Это управляемый выпрямитель, причем полярность выпрямленного напряжения зависит от совпадения или несовпадения фаз входного напряжения /7ВХ и управляющего Uy. Управляющее напряжение подается от генератора 2 и имеет постоянную фазу. Фаза входного напряжения изменяется на 180 ° при изменении знака смещения якоря. Напряжение на выходе фазочувствительного выпрямителя пропорционально смещению якоря и имеет полярность, зависящую от его направления. Это напряжение усиливается усилителем 4 и преобразуется в унифицированный токовый сигнал 0—5 мА. Для увеличения стабильности усилитель имеет отрицательную обратную связь. Изменением глубины обратной связи регулируется максимальное значение выходного тока. Все элементы схемы питаются от сети переменного тока через источник стабилизированного напряжения' 5.
На основе описанного датчика выпускается семейство датчиков давления и перепада давления, аналогичное семейству датчиков давления и перепада давления с силовой компенсацией. Зависимость тока от измеряемой величины лшейная. Класс точности может быть от 0,6 до 1,5. Сопротивление линии связи может быть любым в пределах 2,5 кОм. Достоинством датчиков является большой срок службы, который составляет 10 лет.
0
Рис. 4.61
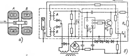
Магнитомодуляционные датчики. Схема модуля с магнитомодуля-ционным преобразователем приведена на рис. 4.61. Он состоит из маг-нитомодуляционного преобразователя (рис. 4.61 ,а) и электронного блока (рис. 4.61,6). Магнитомодуляционный преобразователь имеет две катущки, намотанные на кольцевые ферромагнитные сердечники. Соосно с катушками в соответств и со значением измеряемой величины перемещается постоянный магнит N — S. Его перемещение вызывает изменение индукции в сердечниках катушек и, следовательно, индуктивности катушек. Например, при перемещении сердечника вправо индукция в катушке А уменьшается, а в катушке В возрастает.
ри этом в соответствии с кривой намагничивания магнитная проницаемость сердечника катушки А возрастает, а у сердечника В падает. Это вызывает увеличение индуктивности катушки А и уменьшение индуктивности катушки В. Катушки А и В включены в схему моста переменного тока с выпрямителем. Выпрямленное напряжение на конденсаторе Ci пропорционально перемещению магнита, а его полярность зависит от направления перемещения. Это напряжение усиливается усилителем постоянного тока, построенного на интегральном усилителе VT1 и транзисторе VT2, и преобразуется в ток, который через линию дистанционной передачи поступает в сопротивление нагрузки ЯИ. Ток /ос, пропорциональный току нагрузки/„, поступает в обмотку обратной связи, размещенную на магнитопроводе магнито-модуляционного преобразователя. Созданный этим током магнитный поток компенсирует изменение магнитного потока, вызванное перемещением постоянного магнита, т. е. обеспечивает действие обратной связи. Благодаря этой связи уменьшается погрешность, вызванная нестабильностью усилителя, гистерезисом магнитомодуляционно-го преобразователя и другими причинами.
0
Сопротивление нагрузки RH вместе с сопротивлением линии связи для преобразователей с диапазоном изменения тока /н = 0 -5- 5 мА не должно превышать 25 кОм, а для преобразователей с /н = 0 -г- 20 мА не должно превышать 1 кОм.
Магнитомодуляционные преобразователи используются для построения датчиков давления и разности давлений, аналогичных датчикам с электросиловым преобразователем.
Основная приведенная погрешность не превышает 0,6; 1,0 или 25%.
4.3. ИЗМЕРЕНИЕ НЕЭЛЕКТРИЧЕСКИХ ВЕЛИЧИН
4.3.1. Измерение основных механических величин
Измерение перемещений. Для измерения линейных или угловых перемещений могут использоваться рассмотренные выше
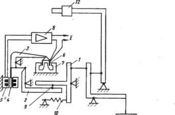
реостатные, индуктивные, трансформаторные и емкостные преобразователи. Схема индуктивного прибора для измерения линейных перемещений показана на рис. 4.62. Перемещение стержня 1 передается стальному рычагу 2, шарниром которого служит плоская пружина •3. Рычаг является якорем дифференциального индуктивного преобразователя 4. Для измерения перемещений корпус датчика закрепляется неподвижно, а стержень 1 приводится в соприкосновение с перемещающейся деталью 5. Стержень 1 оканчивается сферической поверхностью высокой твердости (закаленный шарик) 6. Этот шарик обеспечивает стабильный контакт стержня с деталью. Чтобы контакт не нарушался, стержень прижимается к детали пружиной 7. Винт 8 служит для регулирования силы прижатия F. При измерении постоянных и медленно изменяющихся перемещений сила должна быть достаточной для преодоления трения.
Рис. 4.62
0
При измерении быстрых перемещений сила должна быть увеличена. Для того чтобы контакт стержня с деталью не нарушался, сила должна быть такой, чтобы ускорение стержня вызываемое силой пружины, было больше возможного ускорения яд детали, перемещение которой измеряется:
F/m > йд, (4.164)
где т — масса подвижной части датчика, приведенная к стержню
При присоединении подвижной части датчика к движущейся детали возрастает движущаяся масса и, кроме того, на движущуюся деталь начинает действовать дополнительная сила пружины 7. Эти факторы могут изменить движение детали и тем самым вызвать погрешность. Для уменьшения влияния датчика на характер движения стержень 1 жестко или шарнирно прикрепляется к рычагу 2 и детали 5, а пружина 7 исключается. При таком измерении нужна тщательная установка датчика, поскольку малейшие перекосы и несоответствие направления движения детали 5 номинальному направлению движения стержня 1 может привести к большой погрешности и даже поломке датчика. При плохой установке воздействие датчика на характер измеряемого движения возрастает.
Дальнейшее уменьшение влияния на характер движения детали можно получить, если сделать движущуюся деталь частью преобразователя. Например, если деталь стальная, то ее можно использовать в качестве якоря индуктивного преобразователя. Однако при зтом может быть сильно затруднена градуировка и поверка прибора.
Из рассмотренных выше преобразователей наименьшее влияние на характер движения детали оказывает емкостный преобразователь.
Датчики, подобные показанному на рис. 4.62, используются для контроля размеров в машиностроении. Известно, что реальные размеры деталей отличаются от номинальных заданных. Отличие реальных размеров от номинальных и измеряется описываемыми приборами. На рис. 4.63 приведен пример одного из таких приборов. Датчик 1 смонтирован на стойке 2 и при наладке прибора может по ней перемещаться. Он устанавливается на такой высоте, чтобы нулевой отсчет прибора соответствовал номинальному размеру детали 3. Диапазон измерения таких микрометров обычно не превышает 1 мм.
Измерение толщины. Для измерения толщины деталей, имеющих небольшие габариты, могут применяться микрометры, схематически показанные на рис. 4.63. При больших габаритах деталей используются другие методы и приборы, причем часто входной величиной является некоторая физическая величина, функционально связанная с толщиной. Эта функция определяется не только толщиной, но и свойствами материала, из которого изготовлена деталь.
Для измерения толщины немагнитных покрытий на ферромагнитном материале могут использоваться индуктивные или трансформатор-204
Рис. 4.63
















