книга в верде после распозна (1024283), страница 29
Текст из файла (страница 29)
Рис 4.40
Рис. 4.39
свободными. Обычно в месте свободного спая термопара разомкнута. ЭДС термопары обычно не превосходит 50 мВ.
Схемы включения. Рабочий конец термопары погружается в среду, температуру которой требуется измерить. Свободные концы подключаются к вторичному прибору. Если температура свободных концов постоянна, то подключение может быть сделано медным проводом, а если не постоянна, то оно выполняется специальными удлинительными (компенсационными) Проводами. В качестве последних используются два провода из различных материалов. Провода подбираются так, чтобы при температуре свободных спаев и в паре между собой они имели такие же термоэлектрические свойства, как и рабочая термопара. При подсоединении к термопаре компенсационные провода удлиняют ее и дают возможность отвести холодный спай образованной составной термопары в такое место, где температура остается постоянной.
В качестве вторичных преобразователей используются либо магнитоэлектрические милливольтметры, либо потенциометры постоянного тока.
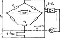
В лабораторной практике используются потенциометры с ручной компенсацией, а в производственной —автоматические потенциометры. Упрощенная схема автоматического потенциометра приведена на рис. 4.40. Термопара Т включается таким образом, что ее ЭДС Енаправлена встречно компенсирующему напряжению Ек, создаваемому с
0
помощью мостовой цепи. Это напряжение изменяется пропорционально перемещению движка по реохорду Rp. Разность ЭДС термопары и компенсирующего напряжения Е — Ек усиливается усилителем и подается на реверсивный двигатель РД. Вал двигателя, вращаясь, через редуктор, перемещает движок реохорда так, чтобы разность Е —Ек умень -шалась. Когда она становится равной нулю, вал останавливается. С движком реохорда связаны стрелка прибора, перемещающаяся по шкале, записывающее устройство, регистрирующее текущее значение температуры, контакты для ее регулирования, а также устройство для дистанционной передачи показаний.
Для увеличения стабильности напряжения Ек и точности измерения температуры мост питается от стабилизированного источника напряжения ИПС, а сопротивления плеч моста изготавливаются из манганинового провода.
Современные автоматические потенциометры имеют основную приведенную погрешность измерения ± (0,25 — 1) %, погрешность регистрации ± (0,5 - 1) %.
Погрешность термоэлектрического термометра. Одним из источников погрешности термоэлектрического термометра является несоответствие температуры свободных концов термопары температуре, при которой была произведена градуировка.
Номинальная функция преобразования термопар со стандартной градуировкой задается градуировочной таблицей. Она определяет зависимость ЭДС E(t, г0) термопары от измеряемой температуры t при температуре свободных спаев г0 = 0 °С. Если в условиях измерения температура свободных спаев t'0 не равна температуре t0, то ЭДС термопары E(t, Го) отличается от ЭДС E(t, t0), которая нужна для определения температуры по стандартной градуировке. Введение поправки основано на третьем свойстве термопары.
Второй член Е(г0, t0~) правой части равенства (4.142) определяет поправку. E(t'0, г0) представляет собой ЭДС термопары при условии, что ее свободные концы находятся при температуре градуировки г0, а рабочие — при температуре t'0. Значение E(t'0, t0) определяется по таблице стандартной функции преобразования.
Вследствие неравенства температур t0 Ф t'0 показание пирометрического милливольтметра не равно действительной температуре. Поправка к его показаниям приближенно может быть определена соотношением
At = k(t'0 - r0), (4-143)
где к — коэффициент, зависящий от измеряемой температуры и от вида термопары.
Для хромель-копелевой термопары он лежит в пределах 0,8—1; для хромель-алюминиевой — в пределах 0,98—1,11; для платиноро-дий-платиновой — в пределах 0,82—1,11. При малом значении At =
0
= t'0 — t0 в ряде случаев можно принять к = 1. Это позволяет вводить поправку в показания пирометрического милливольтметра с помощью корректора нуля. При отключенной термопаре стрелку прибора с помощью корректора ставят на отметку, соответствующую t'0. При включении термопары и измерении температуры показания пирометра будут больше некорректированных на значение At. Такое введение поправки целесообразно, когда значение t'0 сохраняется постоянным.
В показания автоматического потенциометра поправка вводится автоматически. Для этого в одном из плеч моста включена катушка, намотанная медной проволокой, сопротивление которой RM = R0(l + + at'а) зависит от ее температуры. Катушка помещена возле зажимов потенциометра, к которым подводятся удлинительные провода, и имеет температуру свободных концов "составной" термопары. Температурное изменение сопротивления катушки создает дополнительный разбаланс моста, равный ЭДС поправки E{t'0, 'о)- Поправка пропорциональна отклонению температуры свободных концов t'0 от их номинальной температуры t0 = 0°С.
Другим источником погрешности термоэлектрического термометра является изменение сопротивления измерительной цепи термоэлектрического преобразователя.
В качестве пирометрического милливольтметра применяются приборы магнитоэлектрической системы. Для повышения чувствительности они выполняются с относительно малым внутренним сопротивлением. При этом измеряемое напряжение зависит от сопротивления внешней цепи. Внешняя цепь милливольтметра состоит из термопары, удлинительных и соединительных проводов и специальных манганиновых уравнительных (подгоночных) катушек. Изменение сопротивления этих элементов приводит к погрешности термоэлектрического термометра. Для иллюстрации заметим, что при помещении платино-родий-пчатиновой термопары с электродами' толщиной 0,5 мм в печь с температурой 1000 °С на глубину одного метра ее сопротивление изменяется на 3,86 Ом. Погрешность может происходить также вследствие плохой подгонки сопротивлений уравнительных катушек.
Можно показать, что приведенная погрешность, вызванная изменением сопротивления внешней цепи на Д/?ц, равна
Ь = *'/'„,„ ~ *Wmax = -*\№п + *в), (4-144)
где RB — внутреннее сопротивление милливольтметра; R^— номинальное сопротивление его внешней цепи.
Сопротивление пирометрического милливольтметра RB и номинальное сопротивление внешней цепи Лвнном, при котором он градуировался, указываются на его шкале.
Термоэлектрический термометр с потенциометром свободен от рассматриваемой погрешности. В момент компенсации по внешней цепи ток не течет и на ее сопротивлении отсутствует падение напряжения. Потенциометр измеряет термоЭДС.
4.2.10. Терморезисторы
Терморезистором называется измерительный преобразователь, активное сопротивление которого изменяется при изменении температуры. В качестве терморезистора может использоваться металлический или полупроводниковый резистор.
Датчики температуры с терморезисторами называются термометрами сопротивления.
Имеются два вида терморезисторов: металлические и полупроводниковые.
Принцип действия и конструкция металлических терморезисторов.
Как известно, сопротивление металлов увеличивается с увеличением температуры. Для изготовления металлических терморезисторов обычно применяются медь или платина.
Функция преобразования медного терморезистора линейна:
Rt = R0(i + at), (4.145)
где R0 — сопротивление при 0 °С; а = 4,28 - Ю-3 К-1 — температурный коэффициент.
Функция преобразования платинового терморезистора нелинейна и обычно аппроксимируется квадратичным трехчленом. Температурный коэффициент платины примерно равен «=3,91 • 10~3 К-1.
Чувствительный элемент медного терморезистора (рис. 4.41,д) представляет собой пластмассовый цилиндр 1, на который бифиляр-но в несколько слоев намотана медная проволока 2 диаметром 0,1 мм. Сверху катушка покрыта глифталевым лаком. К концам обмотки припаиваются медные выводные провода 3 диаметром 1,0—1,5 мм. Провода изолированы между собой асбестовым шнуром или фарфоровыми трубочками. Чувствительный элемент вставляется в тонкостенную металлическую гильзу 4. Гильза с выводными проводами помещается в защитный чехол (рис. 4.41,6), который представляет собой закрытую с одного конца трубку /. На открытом ее конце помещается клеммная головка 2. Для удобства монтажа защитный
чехол может иметь фланец 3.
При изготовлении платиновых терморезисторов используются более теплостойкие материалы.
Основные параметры наиболее распространенных терморезисторов и обозначения их градуировок по ГОСТ 6651-84 приведены в табл. 4.2.
Номинальные функции преобразования (статические характеристики) медных и платиновых терморезисторов и их погрешность определяются ГОСТ 6651-84.
Схемы включения металлических терморезисторов. Термометр сопротивления и провода, соединяющие его со вторичным прибором,
0
-О £ О
Рис. 4.41 рис 4 43
Таблица 4.2.
Термометры сопротивления Термометры сопротивления медные
платиновые
Сопротив- Градуи- Диапазон из- Сопротив- Градуи- Диапазон измере-ление при ровка мерения, °С пение при ровка ния, °С °С (Д0) О °С (Д0)
| 10П | От -200 до + 750 | 10 | ЮМ | От | -50 до 200 | |
| 50 | 50П | От -260 до + 1000 | 50 | 5 ОМ | От | -50 до 200 |
| 100 | 100П | От 260 до + 1000 | 100 | 100М | От | -200 до 200 |
0
включены последовательно. Обычно используются медные провода, сопротивление которых зависит от их температуры. Температурные изменения сопротивления проводов приводят к погрешности измерения температуры.
Вторичные преобразователи термометров сопротивления выполняются такими, чтобы максимально уменьшить эту погрешность. Если требуется наибольшая точность измерения температуры, например при метрологических работах, используется компенсационная схема, приведенная на рис. 4.42. По этой схеме применяют четырехзажимные платиновые терморезисторы. Провода 1—1 используются для подвода тока, а два других 2-2 служат для измерения падения напряжения Ut на термочувствительной обмотке. Падение напряжения Ut измеряется с помощью потенциометра. Измеряется также падение напряжения U0 на образцовой катушке R0. Сопротивление терморезистора при этом равно
Rt = RoU/U0. (4.146)
Благодаря компенсационному методу измерения отсутствует падение напряжения на проводах, соединяющих термометр с потенциометром, и их сопротивление не влияет на результат измерения.
В менее ответственных случаях для измерения сопротивлений терморезисторов используются мосты: в лабораторной практике — с ручным уравновешиванием, в производственных условиях — автоматические. Упрощенная схема автоматического моста показана на рис. 4.43. Измерительная цепь представляет собой мост, состоящий из манганиновых резисторов R1—R3 и терморезистора Rt. Напряжение питания моста Е. Перемещением движка реохорда Rp добиваются уравновешивания моста. Если мост не уравновешен, напряжение измерительной диагонали усиливается и подается на реверсивный двигатель РД. Вал двигателя через редуктор соединен с движком реохорда и перемещает его так, чтобы напряжение разбаланса уменьшалось. Перемещение продолжается до тех пор, пока мост не будет уравновешен. В автоматических мостах движок реохорда связан с отсчетным устройством, с записывающим устройством, регистрирующим текущие значения температуры на диаграммной бумаге, с устройством регулирования температуры, а также с устройством дистанционной передачи показаний. Погрешность автоматических мостов аналогична погрешности автоматических потенциометров.
ермометр сопротивления может подключиться к мосту с помощью двух- или трехпроводного кабеля. Двухпроводный кабель дешевле, однако при его использовании сопротивления обоих проводов включаются последовательно с термометром в одно плечо. Токоведущие жилы кабеля выполнены из медного провода: при изменении температуры их сопротивление изменяется, что вносит погрешность в изме
0
рение. Двухпроводный кабель используется в тех случаях, когда его температура постоянна и погрешность, обусловленная ее изменением, незначительна.
При включении термометра по трехпроводной схеме (рис. 4.43) по одной жиле кабеля к термометру подводится напряжение питания. К плечам моста термометр подсоединяется с помошью двух других жил, включенных в смежные плечи моста. Одинаковые изменения их сопротивлений практически на разбалансируют мост. Таким образом, исключается погрешность, которая могла бы быть при изменении температуры кабеля.
В качестве вторичных приборов для термометров сопротивления в промышленности применяются также логометрические приборы.
Сопротивление терморезистора определяется его температурой. Последняя зависит не только от температуры окружающей среды, но и от проходящего по нему тока. Перегрев медного термометра током не должен превышать 0,4 °С, а платинового — ОД °С. Для этого ток
не должен превосходить 10—15 мА.
Полупроводниковые терморезисторы. Чувствительный элемент полупроводникового терморезистора — термистора — изготавливается из окислов различных металлов: меди, кобальта, магния, марганца и др. Размолотые в мелкий порошок компоненты прессуются и спекаются в виде столбика, шарика или шайбы. В надлежащих местах напыляются электроды и подпаиваются выводы из медной проволоки. Для предохранения от атмосферных воздействий чувствительный элемент термистора покрывают защитной краской, помещают в герметизирующий металлический корпус или запаивают в стекло.















